TOP
|
特許
|
意匠
|
商標
特許ウォッチ
Twitter
他の特許を見る
10個以上の画像は省略されています。
公開番号
2025136129
公報種別
公開特許公報(A)
公開日
2025-09-19
出願番号
2024034345
出願日
2024-03-06
発明の名称
昇降式仮設防護体
出願人
GX株式会社
代理人
個人
主分類
E01F
15/04 20060101AFI20250911BHJP(道路,鉄道または橋りょうの建設)
要約
【課題】仮設防護柵の設置形態の自由度を拡大し、起伏支柱を有する仮設防護体の構造や動作を簡素化し、安全性を高め、省スペースを実現する。
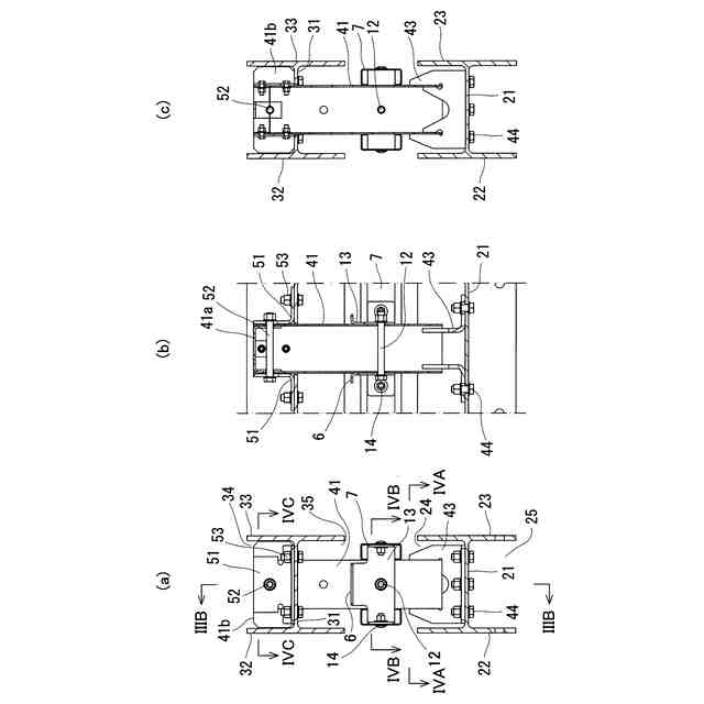
【解決手段】仮設防護体1は、第1防護体2と、第1防護体2の上方に設けられる第2防護体3と、ウェブ部21の上面に固定される支柱41と、第2防護体3に設けられ、支柱41を貫通させる開口部42と、を有し、第1防護体2に対して第2防護体3を昇降させることにより、第1防護体2と第2防護体3の間の高さ方向Hの間隔を変更する間隔変更部材4と、設置位置において、高さ方向Hの間隔を特定間隔Dに維持する固定部材5と、を備えている。間隔変更部材4により、第2防護体3が第1防護体2に対して昇降することにより、第2防護体3が、設置位置と、運搬保管位置の間を移動し、間隔変更部材4が、第1防護体2及び第2防護体3の内径の幅Wの内側領域に設けられる。
【選択図】 図3
特許請求の範囲
【請求項1】
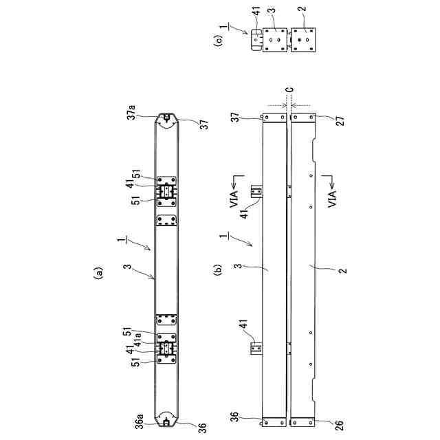
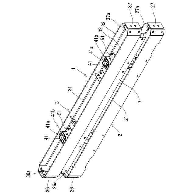
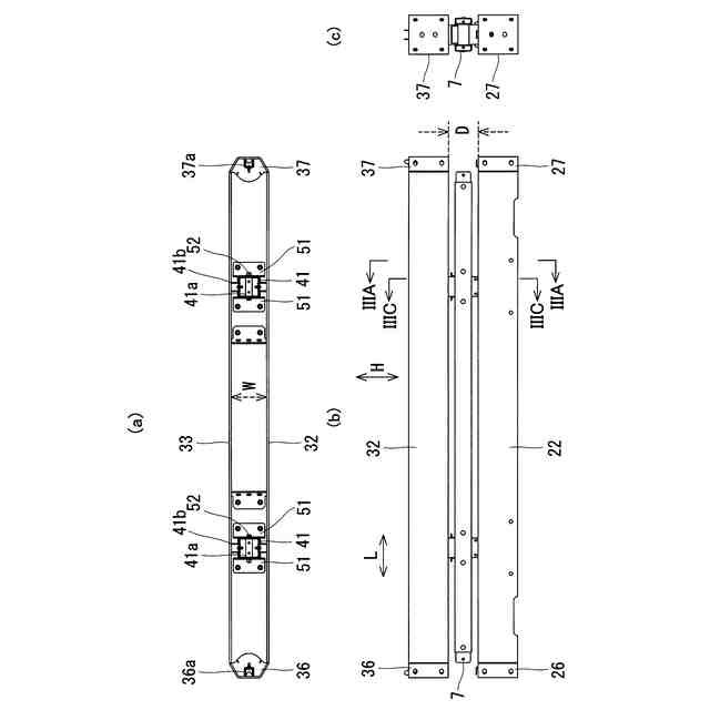
長さ方向に延びる水平なウェブ部と、該ウェブ部に接続し高さ方向に延びる一対のフランジ部とを有し、前記ウェブ部と前記フランジ部により上部凹部が画定される、第1防護体と、
前記第1防護体の上方に設けられる第2防護体と、
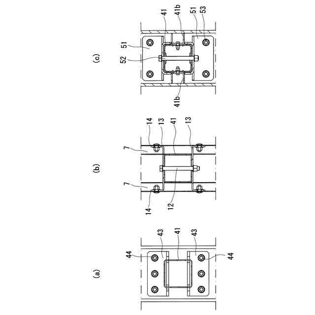
前記ウェブ部の上面に固定される支柱と、前記第2防護体に設けられ、前記支柱を貫通させる開口部と、を有し、前記第1防護体に対して前記第2防護体を昇降させることにより、前記第1防護体と前記第2防護体の間の前記高さ方向の間隔を変更する間隔変更部材と、
設置位置において、前記高さ方向の間隔を特定間隔に維持する固定部材と、を備え、
前記間隔変更部材により、前記第2防護体が前記第1防護体に対して昇降することにより、前記第2防護体が、前記設置位置と、前記高さ方向の間隔が前記特定間隔より小さく設定される運搬保管位置の間を移動すること、
前記間隔変更部材が、前記第1防護体及び前記第2防護体の幅内に設けられること、
を特徴とする昇降式仮設防護体。
続きを表示(約 450 文字)
【請求項2】
前記運搬保管位置において、前記高さ方向の間隔を前記特定間隔より小さな特定間隔に規制する規制部材を備える請求項1に記載の昇降式仮設防護体。
【請求項3】
前記設置位置において、前記第1防護体と前記第2防護体の間に位置するように、中間防護体が前記長さ方向に長尺に設けられ、前記中間防護体が、取付部材により、前記支柱に固定される、請求項1に記載の昇降式仮設防護体。
【請求項4】
前記運搬保管位置において、前記中間防護体が前記第2防護体の下部凹部の幅内に収まる請求項3に記載の昇降式仮設防護体。
【請求項5】
前記運搬保管位置において、前記第2防護体の下降を規制する規制部材を設け、前記規制部材と前記取付部材とが一体となっている請求項3に記載の昇降式仮設防護体。
【請求項6】
前記固定部材が、前記第2防護体の上面に固定される固定部と、該固定部を前記支柱に固定する締結部材とを備える、請求項1に記載の昇降式仮設防護体。
発明の詳細な説明
【技術分野】
【0001】
本発明は、道路改良工事等に用いられる昇降式仮設防護体に関する。
続きを表示(約 2,100 文字)
【背景技術】
【0002】
大規模な道路改良工事では、工事中の安全を確保するために仮設防護柵を設けることが一般的である。通常仮設防護柵の設置作業の多くは、走行車線もしくは追い越し車線のどちらかに工事帯を確保するため、工事案内の標識や電光掲示板、カラーコーン(登録商標)の敷設等を伴う交通規制の完了を待って行わなくてはならない。撤去作業についても同様である。すなわち、仮設防護柵の設置・撤去作業は交通規制の開始から完了を待ち、工事後にも標識やカラーコーン(登録商標)の撤去をもって交通規制の解除となる一連の作業も含めた工程の限られた時間帯に行わなければならない場合が多い。このようなきわめて時間的制約の大きい状況下では、仮設防護柵の設置・撤去作業の効率化が必要不可欠である。
【0003】
特許文献1~3は、H型鋼の基台を用いて、ガードレール及び支柱を起伏させる構造とし、上記問題を解決し、また、仮設防護柵を積み重ねて保管する場合、ガードレールと支持部により支持する発明である。
【先行技術文献】
【特許文献】
【0004】
特許第3193356号公報
特許第6334042号公報
特許第6494120号公報
【発明の概要】
【発明が解決しようとする課題】
【0005】
しかしながら、道路改良工事の工期自体が以前と比べて短縮し、工事全体の更なるスピード化が求められている。道路改良工事に起因する渋滞を減らす等の理由から、仮設防護柵設置工事の簡便化(起伏収納式仮設防護柵であっても面倒であり、熟練度の高い作業員確保が難しくなった)が求められている。道路の老朽化に伴う工事が増えている(高架部の床版取替工事など、従来の仮設防護柵では仕様の面や設置工事の面で対応が難しくなっている。自然災害(のり面崩落など)による緊急工事が増加している(設置依頼から実際の工事に至るまでが早い)。
【0006】
特許文献1~3の仮設防護柵は、ガードレール(ビーム)及び支柱起伏構造の特有の性質から、上記のような道路改良工事の環境変化に対して、対応することが困難なケースが増えてきたことがある。特に、仮設防護柵の設置撤去作業において、より安全性と省力化(簡便性)と省スペースや柔軟性が求められていることが本発明の背景にある。例えば、支柱起伏構造が複雑になり、起伏する部材(ガードレール(ビーム)及び支柱)の動く距離が大きく、また、仮設防護柵の設置位置や運搬保管位置において、ガードレールがH型鋼の長さ方向端部側からズレ、はみ出してしまい、余分なスペースをとる、また、安全性を高める必要がある等の改善すべき点がある。
【0007】
特許文献1~3の仮設防護柵は、施工の面から、ガードレール(ビーム)の取り付けは前後に既にビームが存在する箇所に後から間をつなぐよう新たにビームを取付けることが構造上難しく、手間と時間が掛かる作業となってしまう。仮設防護柵の連結延伸の進行方向にも制約があり作業効率に影響を与える。このことから支柱起伏式はその構造から設置工事はできるだけ設置開始の起点から一本ずつ連結延伸する方法が望ましい。例を挙げて説明すると、A地点から設置が始まりB地点まで連結延伸作業が進むと同時に、B地点からC地点まで別の作業班が設置を進めた際にはA地点から開始した連結作業がB地点に既に設置された仮設防護柵に中間連結しなければならない事態が発生し、手間と時間を要してしまう。併せて、仮設防護柵の中間連結作業は作業員の熟練度が必要とされるので施工不良の心配もすることになる。しかしながら、現実の工事においては規制時間の制約や1台のトラックに積載できる仮設防護柵の数量(重量)が限られているため、中間連結は常態化しており、対策が求められている。
【0008】
特許文献1~3の仮設防護柵は、ガードレール(ビーム)を用いた支柱起伏構造の仮設防護柵であるので、撤去時、連続したガードレール(ビーム)に付属する所定のボルトを取り外し、その後、支柱を直立固定させている部材(ボルト、他部材)、基礎架台のH形鋼を繋いでいたジョイントプレート、ボルトを順次取り外すことによってガードレールや支柱を倒して収納状態とする作業工程の中で、必要以上にガードレール(ビーム)に付属する所定外のボルトを取り外してしまい、不安定な状態で収納されてしまうことや、撤去するための手順の理解不足や複雑さから、収納を諦めて返却される事態が度々起こってしまうことがある。
【0009】
支柱起伏式では、連結延伸した仮設防護柵の基礎架台の端部に対してガードーレール(ビーム)の端部がはみ出す構造となっており、連結延伸が終わる箇所には端末用の基礎架台(具体的には1mの基礎架台)が必要である。
【0010】
さらに、仮設防護柵の設置位置において、基礎架台と、ガードレール(ビーム)の間に隙間が生じてしまう状況もあるため、工事帯と車両走行側双方からの飛散や飛来物などがあったりするのを防ぐことが要望されることがある。
(【0011】以降は省略されています)
この特許をJ-PlatPat(特許庁公式サイト)で参照する
関連特許
GX株式会社
仮設防護体
26日前
GX株式会社
昇降式仮設防護体
17日前
GX株式会社
仮設防護体連結構造
1か月前
GX株式会社
太陽光発電装置及び太陽光発電方法
4か月前
個人
折り畳み式標識具
4日前
日本精機株式会社
路面投影装置
1か月前
GX株式会社
仮設防護体
26日前
北越消雪機械工業株式会社
消雪装置
4日前
株式会社熊谷組
床版接合構造
7日前
GX株式会社
昇降式仮設防護体
17日前
前田工繊株式会社
防護柵
19日前
株式会社熊谷組
床版継手装置、及び、床版
7日前
浅香工業株式会社
レーキ
14日前
中井商工株式会社
橋梁の桁端止水工法
7日前
株式会社幸和道路
自走式道路路面標示文字描画車両
25日前
株式会社三共
足場用移動屋根装置及び橋梁用足場
27日前
株式会社NIPPO
コンクリートスタッカ
3日前
株式会社NIPPO
法面機械
17日前
十武建設株式会社
舗装材吹付け装置、および吹付け施工方法
25日前
東日本旅客鉄道株式会社
横取り方法
3日前
共和ゴム株式会社
床版敷設シール材
1か月前
株式会社栗本鐵工所
検査路及びステップ
1か月前
株式会社NIPPO
法面作業装置
17日前
株式会社NIPPO
路面切削装置及び路面切削方法
1か月前
株式会社NIPPO
法面作業装置
17日前
五洋建設株式会社
床版部材設置装置及び床版部材の設置方法
25日前
株式会社NIPPO
コンクリート舗装の施工方法
7日前
大成建設株式会社
床版接合部の設計方法
7日前
株式会社NIPPO
半たわみ性舗装及びその施工方法
1か月前
株式会社NIPPO
コンクリート舗装及びその施工方法
7日前
株式会社NIPPO
再生アスファルト混合物の製造方法
25日前
株式会社NIPPO
再生アスファルト混合物の製造方法
1か月前
オリエンタル白石株式会社
床版設置高さ調整機構及び床版取替工法
1か月前
株式会社NIPPO
再生アスファルト混合物の製造方法
25日前
株式会社NIPPO
アスファルトフィニッシャ
28日前
株式会社IHI
橋梁の管理方法および橋梁の管理装置
28日前
続きを見る
他の特許を見る