TOP
|
特許
|
意匠
|
商標
特許ウォッチ
Twitter
他の特許を見る
公開番号
2025138613
公報種別
公開特許公報(A)
公開日
2025-09-25
出願番号
2025037839
出願日
2025-03-10
発明の名称
作業機械、作業機械の制御システム、及び、作業機械の管理システム
出願人
住友建機株式会社
代理人
弁理士法人ITOH
主分類
E02F
9/16 20060101AFI20250917BHJP(水工;基礎;土砂の移送)
要約
【課題】コミュニケーションを円滑に行わせる。
【解決手段】実施形態の一態様に係る作業機械は、運転室と、前記運転室の外側に配置される外側集音装置及び前記運転室の内側に配置される内側音出力装置、又は、前記運転室の内側に配置される内側集音装置及び前記運転室の外側に配置される外側音出力装置、を用いて収集された音声を出力する音声出力機能を有する制御装置と、を備え、前記制御装置は、前記外側集音装置により収集された第1言語の音声を、第2言語に翻訳した後、翻訳された前記第2言語の音声を前記内側音出力装置から出力する、又は、前記内側集音装置により収集された前記第2言語の音声を、前記第1言語に翻訳した後、翻訳された前記第1言語の音声を前記外側音出力装置から出力する。
【選択図】図4
特許請求の範囲
【請求項1】
運転室と、
前記運転室の外側に配置される外側集音装置及び前記運転室の内側に配置される内側音出力装置、又は、前記運転室の内側に配置される内側集音装置及び前記運転室の外側に配置される外側音出力装置、を用いて収集された音声を出力する音声出力機能を有する制御装置と、を備え、
前記制御装置は、前記外側集音装置により収集された第1言語の音声を、第2言語に翻訳した後、翻訳された前記第2言語の音声を前記内側音出力装置から出力する、又は、前記内側集音装置により収集された前記第2言語の音声を、前記第1言語に翻訳した後、翻訳された前記第1言語の音声を前記外側音出力装置から出力する、
作業機械。
続きを表示(約 1,300 文字)
【請求項2】
前記外側集音装置と、
前記内側音出力装置と、
前記内側集音装置と、
前記外側音出力装置と、を備え、
前記制御装置は、前記外側集音装置により収集された前記第1言語の音声を、前記第2言語に翻訳した後、翻訳された前記第2言語の音声を前記内側音出力装置から出力し、且つ、前記内側集音装置により収集された前記第2言語の音声を、前記第1言語に翻訳した後、翻訳された前記第1言語の音声を前記外側音出力装置から出力する、
請求項1に記載の作業機械。
【請求項3】
前記制御装置は、前記内側集音装置により収集された前記第2言語の音声を文字列で表した第1文字列情報を、表示装置に出力する、又は、前記外側集音装置により収集された前記第1言語の音声を、前記第2言語に翻訳した結果を文字列で表した第2文字列情報を前記表示装置に出力する、
請求項1又は2に記載の作業機械。
【請求項4】
前記制御装置は、前記外側集音装置により収集された前記第1言語の音声を前記第2言語に翻訳を実行している旨、及び、前記内側集音装置により収集された前記第2言語の音声を前記第1言語に翻訳を実行している旨、のうちいずれか一つ以上を示す情報を前記運転室の内側に通知する、
請求項1に記載の作業機械。
【請求項5】
前記運転室の内側且つ前記運転室内の運転席の右側に配置される表示装置をさらに備え、
前記制御装置は、前記情報を、前記表示装置の表示領域のうち、右端辺と比べて左端辺に近い位置に表示する、
請求項4に記載の作業機械。
【請求項6】
前記制御装置は、第1の操作に応じて、前記内側集音装置が収集した前記第2言語の音声を、前記第1言語に翻訳した後、前記第1言語の音声を前記外側音出力装置から出力する制御と、前記外側集音装置が収集した前記第1言語の音声を、前記第2言語に翻訳した後、翻訳した後の前記第2言語の音声を前記内側音出力装置から出力する制御と、を切り替える、
請求項2に記載の作業機械。
【請求項7】
前記制御装置は、前記外側集音装置により収集された前記第1言語の音声の抑揚又は大きさに応じて、翻訳された前記第2言語の音声の出力を停止し、前記外側集音装置により収集された前記第1言語の音声を出力する、
請求項1に記載の作業機械。
【請求項8】
前記制御装置は、前記外側集音装置により収集された前記第1言語の音声の抑揚又は大きさに応じた警告を、前記運転室の内側に通知する、
請求項7に記載の作業機械。
【請求項9】
前記制御装置は、前記内側集音装置により収集された前記第2言語の音声を、複数種類の前記第1言語に翻訳した後、複数種類の前記第1言語の音声を順に、前記外側音出力装置から出力する、
請求項1に記載の作業機械。
【請求項10】
表示装置をさらに備え、
前記制御装置は、前記表示装置に文字を表示するために設定されている言語を、前記第2言語として設定する、
請求項1に記載の作業機械。
(【請求項11】以降は省略されています)
発明の詳細な説明
【技術分野】
【0001】
本発明は、作業機械、作業機械の制御システム、及び、作業機械の管理システムに関する。
続きを表示(約 1,800 文字)
【背景技術】
【0002】
従来から、作業機械には、作業機械の周辺について集音するための集音装置と、収集された音声を作業機械の運転席に出力するスピーカと、が設けられている場合がある。これにより、操作者は、作業機械の周辺の状況を音で認識できる。
【先行技術文献】
【特許文献】
【0003】
特開2013-047427号公報
【発明の概要】
【発明が解決しようとする課題】
【0004】
引用文献1に記載された技術では、操作者が、ショベルの周辺の音を聞くに留まっている。ところで、運転席に存在する操作者と、作業機械の周辺に存在する人と、の間で会話を行いたいという要求がある。
【0005】
本発明の一態様は、操作者と、作業機械の周辺に存在する人と、の間のコミュニケーションを円滑に行わせることを実現する。
【課題を解決するための手段】
【0006】
本発明の一態様に係る作業機械は、運転室と、前記運転室の外側に配置される外側集音装置及び前記運転室の内側に配置される内側音出力装置、又は、前記運転室の内側に配置される内側集音装置及び前記運転室の外側に配置される外側音出力装置、を用いて収集された音声を出力する音声出力機能を有する制御装置と、を備え、前記制御装置は、前記外側集音装置により収集された第1言語の音声を、第2言語に翻訳した後、翻訳された前記第2言語の音声を前記内側音出力装置から出力する、又は、前記内側集音装置により収集された前記第2言語の音声を、前記第1言語に翻訳した後、翻訳された前記第1言語の音声を前記外側音出力装置から出力する。
【発明の効果】
【0007】
本発明の一態様によれば、言語が異なる人の間のコミュニケーションを円滑に行わせる。
【図面の簡単な説明】
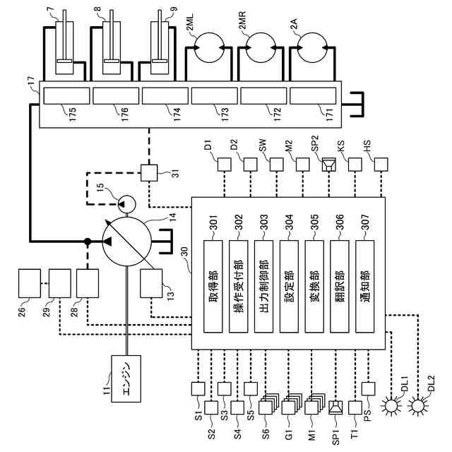
【0008】
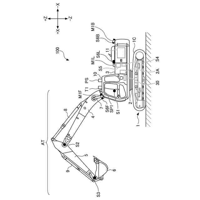
本開示の実施形態に係る作業機械の側面図である。
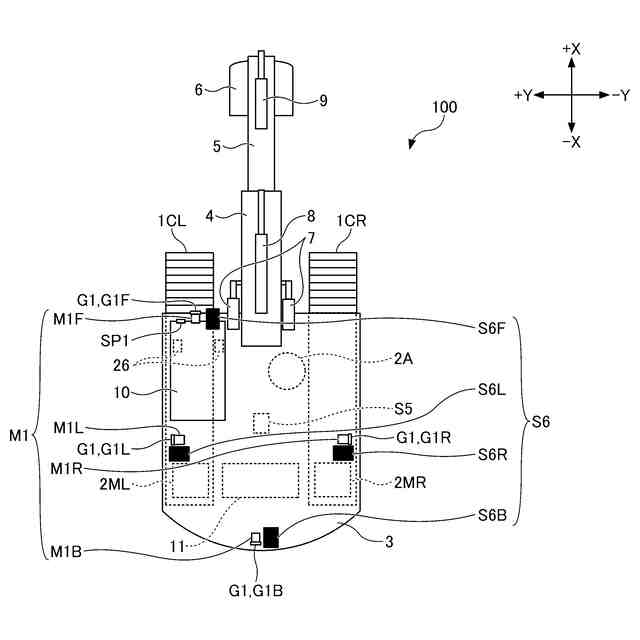
図1に示す作業機械の上面図である。
図1に示す作業機械に取り付けられる外部集音装置及び情報伝達装置の構成例を示す図である。
図1に示す作業機械の構成の一例を概略的に示す図である。
図1に示す作業機械の運転室内の上面図である。
操作者が搭乗している作業機械とその周囲にいる作業者の斜視図である。
第1の実施形態に係るコントローラおける、収集された音声を翻訳してから出力する第1の処理手順を示したフローチャートである。
第1の実施形態に係るコントローラにおける、収集された音声を翻訳してから出力する第2の処理手順を示したフローチャートである。
第1の実施形態に係る表示装置が表示する表示画面の一例を示す図である。
第2の実施形態に係る作業機械の別の構成例の上面図である。
第3の実施形態に係るコントローラにおける、収集された音声を出力するための処理手順を示したフローチャートである。
第3の実施形態に係る表示装置が表示する表示画面の一例を示す図である。
第3の実施形態に係る表示装置が表示する表示画面の一例を示す図である。
第5の実施形態に係る操作システムの構成例を示す概要図である。
第7の実施形態に係る作業機械の操作システムの構成例を示す概略図である。
【発明を実施するための形態】
【0009】
以下、本開示の実施形態について図面を参照して説明する。以下で説明する実施形態は、例示であり、発明を限定するものではない。本開示の実施形態における全ての特徴及びその組み合わせは、必ずしも発明の本質的なものであるとは限らない。なお、各図面において同一の又は対応する構成には同一の又は対応する符号を付し、重複する説明を省略する場合がある。
【0010】
本開示の実施形態に係る作業機械100は、ショベルである。作業機械100は、クレーン、アスファルトフィニッシャ、又はフォークリフト等のショベル以外の機械であってもよい。また、図示例では、作業機械100としてのショベルは、エンドアタッチメントとしてバケット6を備えた掘削機であるが、バケット6以外のエンドアタッチメントを備えた林業機械等の応用機であってもよい。
(【0011】以降は省略されています)
この特許をJ-PlatPat(特許庁公式サイト)で参照する
関連特許
住友建機株式会社
ショベル
2か月前
住友建機株式会社
作業機械、操作支援システム
7日前
住友建機株式会社
作業機械及び遠隔支援システム
2か月前
住友建機株式会社
作業機械、作業機械の操作システム
7日前
住友建機株式会社
作業機械及び作業機械の操作システム
7日前
住友建機株式会社
作業機械及び作業機械の操作システム
7日前
住友建機株式会社
作業機械、及び作業機械の制御システム
7日前
住友建機株式会社
作業機械、及び作業機械の制御システム
7日前
住友建機株式会社
作業機械、及び作業機械の制御システム
7日前
住友建機株式会社
作業機械、及び作業機械の制御システム
7日前
住友建機株式会社
作業機械、作業機械の制御システム、及び、作業機械の管理システム
7日前
JIG-SAW株式会社
施工システム、施工方法、および建設機械
23日前
個人
鋼管
14日前
FKS株式会社
擁壁
3日前
株式会社クボタ
作業車
1日前
株式会社クボタ
作業車
1日前
株式会社奥村組
ケーソン工法
6日前
個人
擁壁用ブロックおよび擁壁
今日
株式会社武井工業所
積みブロック
23日前
株式会社奥村組
ケーソン刃口金物
6日前
株式会社大林組
建物の構造
今日
株式会社熊谷組
密度計測方法
1日前
株式会社大林組
袋体付き排水パイプ
13日前
株式会社大林組
袋体付き排水パイプ
13日前
日立建機株式会社
作業機械
21日前
ヤマト発動機株式会社
浮遊型消波装置
3日前
ヤンマーホールディングス株式会社
作業機械
1か月前
日立建機株式会社
作業機械
3日前
大和ハウス工業株式会社
杭抜き先端具
7日前
住友金属鉱山株式会社
タンク設置用基礎
1か月前
ゼニヤ海洋サービス株式会社
通船ゲート
13日前
鹿島建設株式会社
接続方法および接続構造
13日前
株式会社フジタ
掘削機
22日前
株式会社フジタ
建築物とその施工方法
13日前
JFEスチール株式会社
鋼管矢板の継手構造
15日前
JFEスチール株式会社
鋼管矢板の継手構造
15日前
続きを見る
他の特許を見る