TOP
|
特許
|
意匠
|
商標
特許ウォッチ
Twitter
他の特許を見る
公開番号
2025144306
公報種別
公開特許公報(A)
公開日
2025-10-02
出願番号
2024044025
出願日
2024-03-19
発明の名称
燃料電池システム
出願人
本田技研工業株式会社
代理人
個人
,
個人
主分類
H01M
8/04 20160101AFI20250925BHJP(基本的電気素子)
要約
【課題】発電量が所定の閾値よりも小さい場合に、排出するガスの希釈のためのエア量の増量を不要にすること。
【解決手段】燃料電池システム10の制御部96は、アノード排出流路(42,46,48,80)を流れたアノード排出流体と、カソード排出流路64(64A,64B)を流れたカソード排出流体との合流流体の水素濃度を取得し、燃料電池スタック12の発電量が所定の発電閾値以下の場合に、水素濃度に基づく所定の開時間だけ開いては閉じる開閉動作を繰り返すように、アノード排出弁56,58,82の開閉を制御する。
【選択図】図1
特許請求の範囲
【請求項1】
アノード流路のアノードガスとカソード流路のカソードガスとにより発電する燃料電池スタックと、
前記アノードガスを前記アノード流路に供給するアノード供給流路と、
前記カソードガスを前記カソード流路に供給するカソード供給流路と、
前記アノード流路から排出されるアノード排出流体が流れるアノード排出流路と、
前記カソード流路から排出されるカソード排出流体が流れるカソード排出流路と、
前記アノード排出流路を流れた前記アノード排出流体、および、前記カソード排出流路を流れた前記カソード排出流体を合流させる流体合流部と、
前記流体合流部で合流した合流流体を外部へ導く排出管と、
前記流体合流部に向かう前記アノード排出流体の流れを制御するアノード排出弁と、
前記アノード排出弁の開閉を制御する制御部と、を備える燃料電池システムであって、
前記制御部は、
前記合流流体の水素濃度を取得し、
前記燃料電池スタックの発電量が所定の発電閾値以下の場合に、前記水素濃度に基づく所定の開時間だけ開いては閉じる開閉動作を繰り返すように、前記アノード排出弁の開閉を制御する、
ことを特徴とする燃料電池システム。
続きを表示(約 970 文字)
【請求項2】
請求項1に記載の燃料電池システムにおいて、
前記制御部は、
前記アノード排出流体の水素濃度をさらに取得し、前記アノード排出流体の水素濃度が所定の濃度閾値以下、かつ、前記燃料電池スタックの発電量が前記発電閾値以下の場合に、前記合流流体の水素濃度に基づく前記開時間だけ開いては前記開時間よりも短い閉時間だけ閉じる前記開閉動作を繰り返すように、前記アノード排出弁の開閉を制御する、
ことを特徴とする燃料電池システム。
【請求項3】
請求項1に記載の燃料電池システムにおいて、
前記制御部は、
前記アノード排出流体の水素濃度をさらに取得し、前記アノード排出流体の水素濃度が所定の濃度閾値以下、かつ、前記燃料電池スタックの発電量が前記発電閾値を超える場合に、前記アノード排出弁を開く、
ことを特徴とする燃料電池システム。
【請求項4】
請求項1から3のいずれか一項に記載の燃料電池システムにおいて、
前記制御部は、
前記排出管の出口における水素濃度を前記合流流体の水素濃度として取得するとともに、前記排出管の出口における前記合流流体の流速をさらに取得し、
前記出口における前記流速および前記水素濃度に基づいて、前記アノード排出弁の前記開時間を決定する、
ことを特徴とする燃料電池システム。
【請求項5】
請求項1から3のいずれか一項に記載の燃料電池システムにおいて、
前記制御部は、
前記排出管の出口における前記合流流体の水素濃度を取得し、
前記排出管の形状および前記出口における前記水素濃度に基づいて、前記アノード排出弁の前記開時間を決定する、
ことを特徴とする燃料電池システム。
【請求項6】
請求項1から3のいずれか一項に記載の燃料電池システムにおいて、
前記制御部は、
前記排出管の出口における前記合流流体の水素濃度を取得し、
前記出口における前記水素濃度が、前記アノード排出弁を開いてから所定の規定値へ上昇するまでの時間よりも短い時間を、前記開時間として決定する、
ことを特徴とする燃料電池システム。
発明の詳細な説明
【技術分野】
【0001】
本発明は、燃料電池システムに関する。
続きを表示(約 1,900 文字)
【背景技術】
【0002】
燃料電池システムでは、水素、窒素および水分等を含むアノードオフガスを燃料電池システムの外部(大気中)へ排出する際に、外部から吸入したエア(窒素、酸素等)を用いて、排出すべきガスを希釈する。そのため、希釈のために多くのエアが必要とされる場合には、エアを送るコンプレッサ等の消費電力が大きくなる。そこで、燃費向上と水素濃度維持とを両立するようなシステムが提案されている(特許文献1参照)。
【先行技術文献】
【特許文献】
【0003】
特開2023-132388号公報
【発明の概要】
【発明が解決しようとする課題】
【0004】
特許文献1に記載の技術では、目標発電量が所定の閾値よりも小さい場合においても、排出すべきガスの水素濃度を所定の濃度に抑えるために、希釈のためのエア量を増量する(換言すると、コンプレッサ等の回転量を増やす)場合がある。
【課題を解決するための手段】
【0005】
本発明の一態様は、アノード流路のアノードガスとカソード流路のカソードガスとにより発電する燃料電池スタックと、アノードガスをアノード流路に供給するアノード供給流路と、カソードガスをカソード流路に供給するカソード供給流路と、アノード流路から排出されるアノード排出流体が流れるアノード排出流路と、カソード流路から排出されるカソード排出流体が流れるカソード排出流路と、アノード排出流路を流れたアノード排出流体、および、カソード排出流路を流れたカソード排出流体を合流させる流体合流部と、流体合流部で合流した合流流体を外部へ導く排出管と、流体合流部に向かうアノード排出流体の流れを制御するアノード排出弁と、アノード排出弁の開閉を制御する制御部と、を備える燃料電池システムであって、制御部は、合流流体の水素濃度を取得し、燃料電池スタックの発電量が所定の発電閾値以下の場合に、水素濃度に基づく所定の開時間だけ開いては閉じる開閉動作を繰り返すように、アノード排出弁の開閉を制御する。
【発明の効果】
【0006】
本発明によれば、発電量が所定の閾値よりも小さい場合において、排出すべきガスの希釈のためのエア量の増量を不要にすることが可能になる。エア量の増量を抑えることは、エネルギーの効率化に寄与する。
【図面の簡単な説明】
【0007】
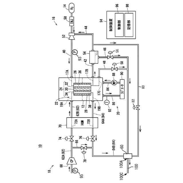
本発明の実施の形態に係る燃料電池システムの概略構成図。
弁の開閉タイミングと合流ガスの水素濃度との関係を示す模式図。
プログラムに基づいて制御部が実行する弁制御処理の一例を説明するフローチャート。
【発明を実施するための形態】
【0008】
以下、図面を参照して発明の実施の形態について説明する。
<燃料電池システムの構成>
図1は、本発明に係る燃料電池システム10の概略構成図である。燃料電池システム10は、車両(燃料電池自動車)に搭載される。これとは別に、燃料電池システム10は、例えば、船舶、航空機、ロボット等にも搭載可能である。燃料電池システム10は、燃料電池スタック12と、水素タンク14と、アノードシステム16と、カソードシステム18と、冷却システム20とを有する。また、燃料電池システム10は、制御装置94を有する。燃料電池スタック12の出力(電力)は、モータ等の負荷(不図示)に供給される。
【0009】
燃料電池スタック12は、一方向に積層された複数の発電セル22を有する。各々の発電セル22は、電解質膜・電極構造体24(単に電極構造体24ともいう)と、一組のセパレータ26、28とを有する。一組のセパレータ26、28は、電極構造体24を挟持する。
【0010】
電極構造体24は、固体高分子電解質膜30(単に電解質膜30ともいう)と、アノード電極32と、カソード電極34とを有する。電解質膜30は、例えば、水分を含んだパーフルオロスルホン酸の薄膜である。アノード電極32とカソード電極34とは、電解質膜30を挟持する。アノード電極32とカソード電極34とは、カーボンペーパ等からなるガス拡散層を有する。ガス拡散層の表面に多孔質カーボン粒子が一様に塗布されることにより、電極触媒層が形成される。多孔質カーボン粒子の表面には、白金合金が担持される。電極触媒層は、電解質膜30の両面に形成される。
(【0011】以降は省略されています)
この特許をJ-PlatPat(特許庁公式サイト)で参照する
関連特許
本田技研工業株式会社
車両
1日前
本田技研工業株式会社
車両
2日前
本田技研工業株式会社
車両
2日前
本田技研工業株式会社
車両
1日前
本田技研工業株式会社
飛行体
2日前
本田技研工業株式会社
移動体
3日前
本田技研工業株式会社
電気機器
3日前
本田技研工業株式会社
ステータ
8日前
本田技研工業株式会社
内燃機関
2日前
本田技研工業株式会社
排気装置
1日前
本田技研工業株式会社
収容装置
2日前
本田技研工業株式会社
除草装置
1日前
本田技研工業株式会社
電気機器
3日前
本田技研工業株式会社
切断装置
8日前
本田技研工業株式会社
排気装置
1日前
本田技研工業株式会社
排気装置
1日前
本田技研工業株式会社
会話装置
8日前
本田技研工業株式会社
清掃装置
2日前
本田技研工業株式会社
固体電池
3日前
本田技研工業株式会社
バッテリ
9日前
本田技研工業株式会社
電気機器
2日前
本田技研工業株式会社
エンジン
2日前
本田技研工業株式会社
保管装置
10日前
本田技研工業株式会社
保管装置
10日前
本田技研工業株式会社
保持装置
9日前
本田技研工業株式会社
制御装置
1日前
本田技研工業株式会社
バッテリ
9日前
本田技研工業株式会社
内燃機関
1日前
本田技研工業株式会社
電気機器
2日前
本田技研工業株式会社
固体電池
1日前
本田技研工業株式会社
電気部品
2日前
本田技研工業株式会社
発電セル
1日前
本田技研工業株式会社
鞍乗型車両
1日前
本田技研工業株式会社
リアクトル
1日前
本田技研工業株式会社
全固体電池
3日前
本田技研工業株式会社
全固体電池
3日前
続きを見る
他の特許を見る