TOP
|
特許
|
意匠
|
商標
特許ウォッチ
Twitter
他の特許を見る
公開番号
2025148124
公報種別
公開特許公報(A)
公開日
2025-10-07
出願番号
2024048734
出願日
2024-03-25
発明の名称
アナログディジタル変換回路、制御システム
出願人
ローム株式会社
代理人
弁理士法人太陽国際特許事務所
主分類
H03M
1/12 20060101AFI20250930BHJP(基本電子回路)
要約
【課題】制御対象を制御すると共に制御対象からの対象信号を処理できるアナログディジタル変換回路を提供する。
【解決手段】アナログディジタル変換回路13は、期間設定レジスタ21、カウント回路23、及び比較回路25を含む変換制御回路15と、制御対象12からの対象信号SSNSのAD変換を行うアナログディジタル変換器17を備え、カウント回路23は、クロック信号をカウントし、比較回路25は、カウント回路23のカウント値と期間設定レジスタ21の期間値との比較から比較信号SCMPを生成し、比較回路15は、比較信号SCMPがカウントの満了を示す毎に、カウント回路23に繰り返してカウントを行わせ、変換制御回路15は、制御対象12の活性化を制御するように、制御対象12の活性化の許可を示す第1値、及び制御対象12の非活性化の許可を示す第2値を有する制御信号SCNTLを生成し、活性化の期間は、カウント期間以下である。
【選択図】図1
特許請求の範囲
【請求項1】
期間設定レジスタ、カウント回路、及び比較回路を含む変換制御回路と、
少なくとも1つの制御対象からの対象信号のAD変換を行うように構成されるアナログディジタル変換器と、
を備え、
前記カウント回路は、クロック信号のカウントを行うように構成され、
前記期間設定レジスタは、カウント期間を指定する期間値を格納するように構成され、
前記比較回路は、前記カウント回路のカウント値と前記期間値との比較を行って、前記比較の結果を表す比較信号を生成するように構成され、
前記比較回路は、前記比較信号がカウントの満了を示す毎に、前記カウント回路に繰り返して前記カウントを行わせ、
前記変換制御回路は、前記比較信号及び前記カウント値に基づいて前記制御対象の活性化を制御する制御信号を生成するように構成され、
前記制御信号は、前記制御対象の活性化の許可を示す第1値、及び前記制御対象の非活性化の許可を示す第2値を有し、
前記活性化の期間は、前記カウント期間に等しい又はより小さく、
前記アナログディジタル変換器は、前記カウント期間に前記対象信号の前記AD変換を行う、
アナログディジタル変換回路。
続きを表示(約 1,400 文字)
【請求項2】
前記制御対象及び前記制御対象と異なる一又は複数の第2制御対象からの複数の電気信号を受けるように構成される複数の入力と、前記アナログディジタル変換器に接続される出力と、を有するセレクタ回路を更に備え、
前記セレクタ回路は、選択信号に応答して前記セレクタ回路の前記入力の何れか一入力からの信号を出力に提供するように構成される、
請求項1に記載されたアナログディジタル変換回路。
【請求項3】
前記変換制御回路は、期間制御回路を更に含み、
前記期間制御回路は、前記制御対象及び前記第2制御対象のうちの1つを特定する対象特定信号を受けると共に、受けた前記対象特定信号に基づき前記選択信号を前記カウント期間に生成する、ように構成される、
請求項2に記載されたアナログディジタル変換回路。
【請求項4】
前記期間制御回路は、受けた前記対象特定信号に基づきエネイブル制御信号を生成し、
前記エネイブル制御信号は、前記制御対象及び前記第2制御対象のうちの1つを活性化されるべき制御対象として特定するように構成される、
請求項3に記載されたアナログディジタル変換回路。
【請求項5】
前記アナログディジタル変換器に接続される格納回路を更に備え、
前記変換制御回路は、前記対象特定信号を受ける格納器特定回路を更に備え、
前記格納器特定回路は、前記制御対象に対応付けて前記格納回路に前記制御対象のアナログディジタル変換値を格納するように構成される、
請求項3に記載されたアナログディジタル変換回路。
【請求項6】
前記格納回路は、前記アナログディジタル変換器の出力に接続される入力選択回路、前記入力選択回路に接続される複数のレジスタ、及び前記レジスタに接続される出力選択回路を含み、
前記入力選択回路は、前記格納器特定回路からの入力レジスタ選択信号に基づき、前記アナログディジタル変換値を前記レジスタのうちの1つに提供し、
前記出力選択回路は、処理回路からの出力レジスタ特定信号に基づき、前記レジスタのうちの1つから格納値を出力する、
請求項5に記載されたアナログディジタル変換回路。
【請求項7】
前記格納器特定回路は、受けた前記対象特定信号及び前記比較信号に基づき前記入力レジスタ選択信号を生成するように構成される、
請求項6に記載されたアナログディジタル変換回路。
【請求項8】
前記変換制御回路は、少なくとも1つの格納庫を含み、
前記格納庫は、前記対象特定信号に基づき前記期間設定レジスタに前記期間値を提供する、
請求項3に記載されたアナログディジタル変換回路。
【請求項9】
前記カウント回路は、前記比較信号が前記カウント期間の満了を示すことに応答してリセットされると共にリセット解除されて、前記クロック信号の前記カウントを行うように構成される、
請求項1に記載されたアナログディジタル変換回路。
【請求項10】
前記制御対象は、前記制御信号の前記第1値及び前記第2値によって制御されるスイッチを含む、
請求項1に記載されたアナログディジタル変換回路。
(【請求項11】以降は省略されています)
発明の詳細な説明
【技術分野】
【0001】
本開示は、アナログディジタル変換回路及び制御システムに関する。
続きを表示(約 1,600 文字)
【背景技術】
【0002】
特許文献1は、消費電流及びセンサ電源の発熱を低減するセンサ信号処理回路を開示する。
【先行技術文献】
【特許文献】
【0003】
特開平10-54736号公報
【発明の概要】
【発明が解決しようとする課題】
【0004】
半導体装置によって制御される制御対象を含む制御システムでは、半導体装置は、制御対象を制御すると共に、制御対象からのアナログ信号を受け取って、そのアナログ信号の変化に応答する。具体的に、半導体装置は、中央処理回路(CPU)といった処理回路を含み、処理回路が、出力ポートを制御して、制御対象を制御する。また、処理回路は、入力ポートを制御して、制御対象からのアナログ信号を受け取ると共に、アナログディジタル変換回路を制御して、アナログ信号をディジタル信号に変換する。
【0005】
制御対象は、処理回路によって制御されるので、この制御は、処理回路のクロック信号の期間に依存する。また、アナログディジタル変換回路も、処理回路によって制御される。これ故に、アナログディジタル変換回路の制御も、処理回路のクロック信号の期間に依存する。さらに、処理回路が制御対象及びアナログディジタル変換回路を直接に制御することは、処理回路のリソースを必要とする。
【0006】
本開示は、制御対象を制御すると共に制御対象からの対象信号を処理できるアナログディジタル変換回路及び制御システムを提供することを目的とする。
【課題を解決するための手段】
【0007】
本開示の第1態様に係るアナログディジタル変換回路は、期間設定レジスタ、カウント回路、及び比較回路を含む変換制御回路と、少なくとも1つの制御対象からの対象信号のAD変換を行うように構成されるアナログディジタル変換器と、を備え、前記カウント回路は、クロック信号のカウントを行うように構成され、前記期間設定レジスタは、カウント期間を指定する期間値を格納するように構成され、前記比較回路は、前記カウント回路のカウント値と前記期間値との比較を行って、前記比較の結果を表す比較信号を生成するように構成され、前記比較回路は、前記比較信号がカウントの満了を示す毎に、前記カウント回路に繰り返して前記カウントを行わせ、前記変換制御回路は、前記比較信号及び前記カウント値に基づいて前記制御対象の活性化を制御する制御信号を生成するように構成され、前記制御信号は、前記制御対象の活性化の許可を示す第1値、及び前記制御対象の非活性化の許可を示す第2値を有し、前記活性化の期間は、前記カウント期間に等しい又はより小さく、前記アナログディジタル変換器は、前記カウント期間に前記対象信号の前記AD変換を行う。
【0008】
本開示の第2態様に係る制御システムは、第1態様に記載されたアナログディジタル変換回路と、前記制御信号の前記第1値及び前記第2値によって制御される制御対象機器と、を備える。
【発明の効果】
【0009】
上記の態様によれば、制御対象を制御すると共に制御対象からの対象信号を処理できるアナログディジタル変換回路及び制御システムが提供される。
【図面の簡単な説明】
【0010】
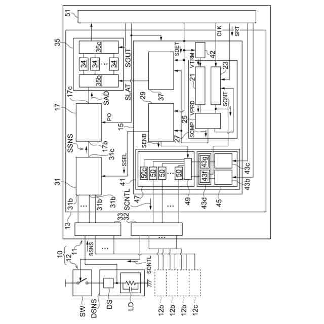
図1は、本実施形態に係る制御システムを概略的に示す図面である。
図2は、アナログディジタル変換回路に関連付けられるいくつかの信号波形を示す図面である。
図3は、アナログディジタル変換回路に関連付けられるいくつかの信号波形を示す図面である。
図4は、アナログディジタル変換回路に関連付けられるいくつかの信号波形を示す図面である。
【発明を実施するための形態】
(【0011】以降は省略されています)
この特許をJ-PlatPat(特許庁公式サイト)で参照する
関連特許
ローム株式会社
RAM
1日前
ローム株式会社
RAM
1日前
ローム株式会社
駆動回路
3日前
ローム株式会社
電源装置
1日前
ローム株式会社
発振回路
1日前
ローム株式会社
暗号化装置
2日前
ローム株式会社
半導体装置
3日前
ローム株式会社
半導体装置
3日前
ローム株式会社
半導体装置
1日前
ローム株式会社
半導体装置
4日前
ローム株式会社
半導体装置
1日前
ローム株式会社
半導体装置
2日前
ローム株式会社
半導体装置
1日前
ローム株式会社
半導体装置
2日前
ローム株式会社
半導体装置
8日前
ローム株式会社
半導体装置
8日前
ローム株式会社
半導体装置
3日前
ローム株式会社
テスト回路
2日前
ローム株式会社
メモリ装置
8日前
ローム株式会社
半導体装置
2日前
ローム株式会社
半導体装置
2日前
ローム株式会社
半導体装置
8日前
ローム株式会社
半導体装置
1日前
ローム株式会社
半導体装置
8日前
ローム株式会社
半導体装置
1日前
ローム株式会社
半導体装置
8日前
ローム株式会社
無線通信回路
3日前
ローム株式会社
信号出力回路
8日前
ローム株式会社
時間測定回路
3日前
ローム株式会社
無線通信装置
2日前
ローム株式会社
静電気保護素子
1日前
ローム株式会社
フォトダイオード
3日前
ローム株式会社
異常検知システム
1日前
ローム株式会社
不揮発性メモリ装置
8日前
ローム株式会社
不揮発性メモリ装置
8日前
ローム株式会社
判定回路、半導体装置
8日前
続きを見る
他の特許を見る