TOP
|
特許
|
意匠
|
商標
特許ウォッチ
Twitter
他の特許を見る
10個以上の画像は省略されています。
公開番号
2025153168
公報種別
公開特許公報(A)
公開日
2025-10-10
出願番号
2024055496
出願日
2024-03-29
発明の名称
賦形フィルム、積層体、導光層付き積層体、照明装置、及び金型
出願人
日東電工株式会社
,
東洋鋼鈑株式会社
代理人
個人
,
個人
主分類
F21S
2/00 20160101AFI20251002BHJP(照明)
要約
【課題】輝度ムラを低減する。
【解決手段】本賦形フィルムは、主面を有する光学用賦形フィルムであって、 前記主面には、第1の周期P1で形成方向に並ぶ複数の凹部と、第2の周期P2で前記形成方向に並ぶ複数の凸部と、が設けられ、前記凹部の最大深さが、前記凸部の最大高さよりも大きく、nを正の整数とすると、n-0.05≦P1/P2≦n+0.05、又はn-0.05≦P2/P1≦n+0.05のどちらか一方を満足する。
【選択図】図3
特許請求の範囲
【請求項1】
主面を有する光学用賦形フィルムであって、
前記主面には、第1の周期P1で形成方向に並ぶ複数の凹部と、第2の周期P2で前記形成方向に並ぶ複数の凸部と、が設けられ、
前記凹部の最大深さが、前記凸部の最大高さよりも大きく、
nを正の整数とすると、n-0.05≦P1/P2≦n+0.05、又はn-0.05≦P2/P1≦n+0.05のどちらか一方を満足する、賦形フィルム。
続きを表示(約 640 文字)
【請求項2】
前記主面には、前記複数の凹部が、前記形成方向と交差する方向にさらに並んで設けられている、請求項1に記載の賦形フィルム。
【請求項3】
請求項1又は請求項2に記載の賦形フィルムと、
前記賦形フィルムの前記主面に対向配置された基材と、を含む積層体。
【請求項4】
請求項3に記載の積層体と、
前記賦形フィルム、又は前記基材のどちらか一方に対向配置された導光層と、を含む導光層付き積層体。
【請求項5】
請求項4に記載の導光層付き積層体と、
前記導光層付き積層体の端面の近傍に配置された光源と、を有する、照明装置。
【請求項6】
前記光源から出射した光は、前記端面、並びに前記導光層付き積層体における前記端面と交差する前記導光層付き積層体の出射面、の少なくとも一方から、前記導光層付き積層体の内部に入射し、前記導光層付き積層体の内部を導光された後、前記出射面を通って出射する、請求項5に記載の照明装置。
【請求項7】
第1の周期P1で形成方向に並ぶ複数の金型凹部と、第2の周期P2で前記形成方向に並ぶ複数の金型凸部と、が設けられた外周面を有し、
前記金型凹部の最大深さが、前記金型凸部の最大高さよりも大きく、
nを正の整数とすると、n-0.05≦P1/P2≦n+0.05、又はn-0.05≦P2/P1≦n+0.05のどちらか一方を満足する、金型。
発明の詳細な説明
【技術分野】
【0001】
本発明は、賦形フィルム、積層体、導光層付き積層体、照明装置、及び金型に関する。
続きを表示(約 1,500 文字)
【背景技術】
【0002】
例えば、特許文献1には、一方の主面に複数の凹部又は凸部が形成された透明基材が開示されている。
【先行技術文献】
【特許文献】
【0003】
国際公開第2019/102959号
【発明の概要】
【発明が解決しようとする課題】
【0004】
しかしながら、特許文献1に記載の透明基材等の賦形フィルムの内部に光を入射させたときに、賦形フィルムの主面から取り出される光に輝度ムラが生じる場合がある。
【0005】
本発明は、輝度ムラを低減することを目的とする。
【課題を解決するための手段】
【0006】
本発明の一態様に係る賦形フィルムは、主面を有する光学用賦形フィルムであって、 前記主面には、第1の周期P1で形成方向に並ぶ複数の凹部と、第2の周期P2で前記形成方向に並ぶ複数の凸部と、が設けられ、前記凹部の最大深さが、前記凸部の最大高さよりも大きく、nを正の整数とすると、n-0.05≦P1/P2≦n+0.05、又はn-0.05≦P2/P1≦n+0.05のどちらか一方を満足する。
【発明の効果】
【0007】
本発明によれば、輝度ムラを低減することができる。
【図面の簡単な説明】
【0008】
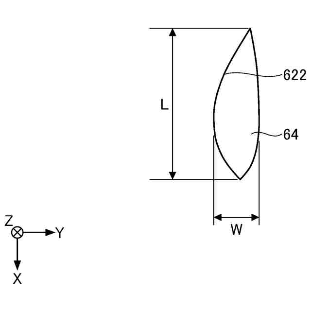
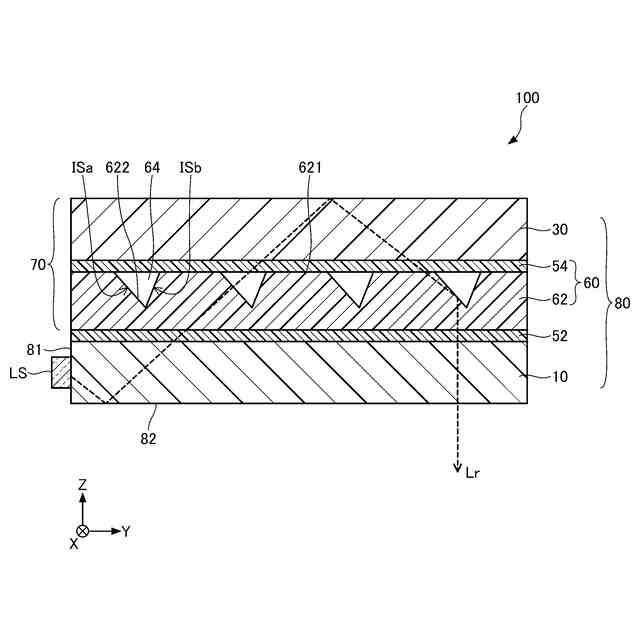
実施形態に係る賦形フィルムを備える照明装置の第1例を示す模式的平面図である。
図1におけるII-II線の模式的断面図である。
図1におけるIII-III線に対応する賦形フィルムの模式的断面図である。
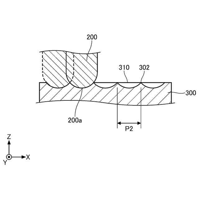
賦形フィルムの製造方法を説明する金型の模式的断面図である。
賦形フィルムの製造に用いられる金型の模式的断面図である。
実施形態に係る賦形フィルムが備えるキャビティの模式的断面図である。
実施形態に係る賦形フィルムが備えるキャビティの第1例を示す模式的平面図である。
実施形態に係る賦形フィルムが備えるキャビティの第2例を示す模式的平面図である。
別の実施形態に係る賦形フィルムの模式的平面図且つ輝度ムラの評価結果を示す図である。
例1に係る賦形フィルムの主面から取り出された光の輝度分布を示す図である。
例3に係る賦形フィルムの主面から取り出された光の輝度分布を示す図である。
実施形態に係る賦形フィルムの第2例を示す模式的断面図である。
実施形態に係る賦形フィルムの第3例を示す模式的断面図である。
実施形態に係る賦形フィルムの第4例を示す模式的断面図である。
実施形態に係る賦形フィルムを備える照明装置の第2例を示す模式的断面図である。
【発明を実施するための形態】
【0009】
以下、図面を参照して本発明の実施形態について詳細に説明する。各図面において、同一構成要素には同一符号を付与し、重複した説明を適宜省略する。
【0010】
以下に示す実施形態は、本発明の技術思想を具体化するための賦形フィルム、積層体、導光層付き積層体、照明装置、及び金型を例示するものであって、本発明を以下に示す実施形態に限定するものではない。以下に記載されている構成部品の寸法、材質、形状、その相対的配置等は、特定の形態のみに限定する旨の記載がない限り、本発明の範囲をそれのみに限定する趣旨ではなく、例示することを意図したものである。また図面が示す部材の大きさや位置関係等は、説明を明確にするため、誇張している場合がある。
(【0011】以降は省略されています)
この特許をJ-PlatPat(特許庁公式サイト)で参照する
関連特許
日東電工株式会社
積層体
1日前
日東電工株式会社
吸着材
7日前
日東電工株式会社
電子装置
3日前
日東電工株式会社
通気構造
1か月前
日東電工株式会社
発光装置
8日前
日東電工株式会社
照明装置
今日
日東電工株式会社
光ファイバ
2日前
日東電工株式会社
粘着シート
今日
日東電工株式会社
生体センサ
1か月前
日東電工株式会社
粘着シート
今日
日東電工株式会社
光学積層体
22日前
日東電工株式会社
光学積層体
1か月前
日東電工株式会社
温度測定装置
2日前
日東電工株式会社
粘着剤組成物
2日前
日東電工株式会社
調光フィルム
1日前
日東電工株式会社
複合ケーブル
1か月前
日東電工株式会社
粘着剤組成物
2日前
日東電工株式会社
温度測定装置
2日前
日東電工株式会社
スイッチ装置
8日前
日東電工株式会社
スイッチ装置
今日
日東電工株式会社
反射フィルム
1か月前
日東電工株式会社
偏光フィルム
29日前
日東電工株式会社
光学粘着シート
9日前
日東電工株式会社
光学粘着シート
9日前
日東電工株式会社
光学粘着シート
9日前
日東電工株式会社
表面保護フィルム
1か月前
日東電工株式会社
反射防止フィルム
7日前
日東電工株式会社
偏光子の製造方法
1か月前
日東電工株式会社
反射防止フィルム
7日前
日東電工株式会社
ガラス樹脂複合体
1か月前
日東電工株式会社
ロール体の製造方法
11日前
日東電工株式会社
光学積層体の製造方法
1か月前
日東電工株式会社
調光用導電性フィルム
21日前
日東電工株式会社
光学積層体の製造方法
8日前
日東電工株式会社
導光体、及び照明装置
今日
日東電工株式会社
光学積層体の製造方法
8日前
続きを見る
他の特許を見る