TOP
|
特許
|
意匠
|
商標
特許ウォッチ
Twitter
他の特許を見る
公開番号
2025153942
公報種別
公開特許公報(A)
公開日
2025-10-10
出願番号
2024056670
出願日
2024-03-29
発明の名称
火災感知器及び火災報知システム
出願人
能美防災株式会社
代理人
主分類
G08B
17/00 20060101AFI20251002BHJP(信号)
要約
【課題】
平常時には周囲環境になじみ目立たないが、火災時に認識可能とする火災感知器を得る。
【解決手段】
本体とカバー300からなる筐体を有し、天井等の設置面に設置される火災感知器3において、前記カバー300の全体または略全体に設けられた表示部33と、画像データとして前記設置面と同一又は略同一の色の平常画像と、平常画像と識別可能な色の火災画像を記憶した記憶部31を備え、前記表示部33は、平常時に前記平常画像を表示し、火災時に前記火災画像を表示するものである。
【選択図】図1
特許請求の範囲
【請求項1】
本体とカバーからなる筐体を有し、天井等の設置面に設置される火災感知器において、
前記カバーの全体または略全体に設けられた表示部と、
画像データとして前記設置面と同一又は略同一の色の平常画像と、平常画像と識別可能な色の火災画像を記憶した記憶部を備え、
前記表示部は、平常時に前記平常画像を表示し、火災時に前記火災画像を表示する
火災感知器。
続きを表示(約 700 文字)
【請求項2】
請求項1に記載の火災感知器と、
前記画像データを設定する設定器と、を備えた
火災報知システム。
【請求項3】
前記設定器は、撮影部と、解析部と、通信部とを備え、
前記解析部は、前記撮影部が撮影した画像に基づき平常画像を作成し、
前記通信部は、前記作成した平常画像を火災感知器に送信する
請求項2に記載の火災報知システム。
【請求項4】
前記解析部は、前記撮影した画像に火災感知器の画像が含まれている場合は、前記火災感知器の画像の周囲の色を検出し、前記撮影した画像に火災感知器の画像が含まれていない場合は、画像全体で一番多い色を検出し、前記検出した色を前記表示部全体に表示する平常画像を作成する
請求項3に記載の火災報知システム。
【請求項5】
前記設定器は、前記作成した平常画像が、前記火災画像と類似又は色覚障害者が識別できない場合に、前記作成した平常画像と識別可能な火災画像を作成し、火災感知器に送信する
請求項4に記載の火災報知システム。
【請求項6】
前記記憶部は、画像データとして連動画像を記憶し、
前記表示部は、他の火災感知器が火災を検出したときに、前記連動画像を表示する
請求項1に記載の火災感知器。
【請求項7】
請求項6に記載の火災感知器と、
前記火災感知器と接続された火災受信機とを備え、
前記火災感知器は、前記火災受信機からの制御命令に基づき前記表示部に画像を表示する
火災報知システム。
発明の詳細な説明
【技術分野】
【0001】
本発明は、火災感知器及び火災報知システムに関する。
続きを表示(約 1,600 文字)
【背景技術】
【0002】
従来、火災感知器の一部または全面に表示手段を設け、作動試験に関する情報を表示したり、火災感知器の周囲の色に対応する色を表示して火災感知器を目立たないようにしたりする技術が知られている。
【先行技術文献】
【特許文献】
【0003】
特開2018-120546号公報
【発明の概要】
【発明が解決しようとする課題】
【0004】
特許文献1で示されたような火災感知器は、設置環境の背景色を設定して目立たなくして美観に優れるが、その反面、火災発生時に火災感知器を認識しにくく、火災発生場所の特定や火災警報がわかりにくいという問題があった。
【0005】
本発明は、上記のような課題を背景としたものであり、平常時には周囲環境になじみ目立たないが、火災時に認識可能とする火災感知器を提供するものである。
【課題を解決するための手段】
【0006】
本発明に係る火災感知器は、本体とカバーからなる筐体を有し、天井等の設置面に設置される火災感知器において、前記カバーの全体または略全体に設けられた表示部と、画像データとして前記設置面と同一又は略同一の色の平常画像と、平常画像と識別可能な色の火災画像を記憶した記憶部を備え、前記表示部は、平常時に前記平常画像を表示し、火災時に前記火災画像を表示するものである。
【発明の効果】
【0007】
本発明の火災感知器によれば、平常時は目立たず、火災発生時に認識が可能である。
【図面の簡単な説明】
【0008】
実施の形態に係る火災報知システム100の構成を示す図である。
実施の形態に係る火災感知器3を説明する図である。
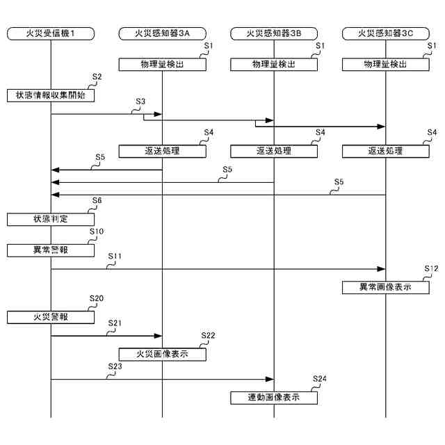
実施の形態に係る火災受信機1と、火災感知器3A~3Cの動作を示すタイムチャートである。
実施の形態に係る火災感知器3の表示例を示す図である。
実施の形態に係る火災感知器3の平常画像の設定処理のフローチャートを示す図である。
【発明を実施するための形態】
【0009】
以下、本発明の実施の形態を、図面を参照して説明する。本発明は、以下の実施の形態及び図示された態様に限定されるものではなく、本発明の主旨を逸脱しない範囲で種々に変形することが可能である。また、本発明は、以下の実施の形態に示す構成のうち、組合せ可能な構成のあらゆる組合せを含む。また、各図において、同一の符号を付したものは、同一の又は相当するものであり、これは明細書の全文において共通している。
【0010】
(火災報知システムの構成)
図1は、実施の形態に係る火災報知システム100の構成を示す図である。本実施の形態の火災報知システムは、火災受信機1と、伝送線2を介して火災受信機1と接続された火災感知器3A~3Dとを備える。火災感知器の個々を識別する必要がない場合は、火災感知器3と総称する。さらに本実施の形態の火災報知システム100は、設定器4を備え、火災感知器3と設定器4は、有線または無線で通信接続されている。なお、図示された伝送線2の数および火災感知器3の数は一例であり、数は図示のものに限定されない。また、火災受信機1には、伝送線2を介して防火戸若しくは排煙装置等の防排煙機器、又はベル若しくはスピーカ等の音響装置が直接若しくは中継器を介して接続されていてもよい。また、本実施の形態では、火災受信機1が、火災感知器3と伝送を行い、火災感知器3から状態情報を収集して火災判断を行うR型の火災受信機である例を説明するが、火災受信機1はP型の受信機であってもよい。
(【0011】以降は省略されています)
特許ウォッチbot のツイートを見る
この特許をJ-PlatPat(特許庁公式サイト)で参照する
関連特許
能美防災株式会社
表示灯
1か月前
能美防災株式会社
消火設備
12日前
能美防災株式会社
システム
3日前
能美防災株式会社
照射装置
5日前
能美防災株式会社
火災受信機
4日前
能美防災株式会社
火災受信機
6日前
能美防災株式会社
火災受信機
4日前
能美防災株式会社
携帯型電灯
10日前
能美防災株式会社
火災感知器
1か月前
能美防災株式会社
火災受信機
1か月前
能美防災株式会社
感知器ベース
14日前
能美防災株式会社
避難システム
1か月前
能美防災株式会社
防災システム
12日前
能美防災株式会社
車両システム
5日前
能美防災株式会社
車両システム
5日前
能美防災株式会社
感知システム
5日前
能美防災株式会社
感知システム
5日前
能美防災株式会社
非常伝達装置
1か月前
能美防災株式会社
防災システム
1か月前
能美防災株式会社
水噴霧ヘッド
10日前
能美防災株式会社
避難システム
1か月前
能美防災株式会社
延焼防止システム
1か月前
能美防災株式会社
防災管理システム
1か月前
能美防災株式会社
火災監視システム
1か月前
能美防災株式会社
画像表示システム
6日前
能美防災株式会社
災害通報システム
1か月前
能美防災株式会社
火災監視システム
1か月前
能美防災株式会社
異常検出システム
5日前
能美防災株式会社
深部火災検知装置
4日前
能美防災株式会社
着脱式避難誘導灯
4日前
能美防災株式会社
ガス警報器用の試験器
1か月前
能美防災株式会社
スプリンクラ消火設備
11日前
能美防災株式会社
中継器の配線接続構造
26日前
能美防災株式会社
防災機器及び消火栓装置
4日前
能美防災株式会社
エアーコンディショナー
5日前
能美防災株式会社
煙感知器用の加煙試験器
1か月前
続きを見る
他の特許を見る