TOP
|
特許
|
意匠
|
商標
特許ウォッチ
Twitter
他の特許を見る
10個以上の画像は省略されています。
公開番号
2025154190
公報種別
公開特許公報(A)
公開日
2025-10-10
出願番号
2024057061
出願日
2024-03-29
発明の名称
マトリクススケジューラを備えるプロセッサ及び情報処理装置
出願人
富士通株式会社
,
国立大学法人 東京大学
,
大学共同利用機関法人情報・システム研究機構
代理人
弁理士法人真田特許事務所
,
個人
主分類
G06F
9/30 20180101AFI20251002BHJP(計算;計数)
要約
【課題】命令スケジューラの高効率な実装方式の1つであるマトリクススケジューラにおいて、レイテンシが異なるソースオペランドを持つ非均質レイテンシ実行ユニットに対応する。
【解決手段】マトリクス13の生産者に対応する各列の入力側に挿入された第1のレイテンシ切り替え器17aと、マトリクス13の消費者に対応する各行の出力側に挿入された第2のレイテンシ切り替え器17bと、を備え、ウェイクアップ信号が通過する第1のレイテンシ切り替え器17aのレイテンシと、ウェイクアップ信号が更に通過する第2のレイテンシ切り替え器17bのレイテンシとを加えたレイテンシでウェイクアップを行う、マトリクススケジューラ10bを備える。
【選択図】図14
特許請求の範囲
【請求項1】
マトリクスの生産者に対応する各列の入力側に挿入された第1のレイテンシ切り替え器と、
前記マトリクスの消費者に対応する各行の出力側に挿入された第2のレイテンシ切り替え器と、
を備え、
ウェイクアップ信号が通過する前記第1のレイテンシ切り替え器のレイテンシと、前記ウェイクアップ信号が更に通過する前記第2のレイテンシ切り替え器のレイテンシとを加えたレイテンシでウェイクアップを行う、
マトリクススケジューラを備えるプロセッサ。
続きを表示(約 960 文字)
【請求項2】
マトリクスの生産者のそれぞれに対して複数の列を備えることによって、
同一の消費者に対して生産者によって異なるレイテンシでウェイクアップを行う、
マトリクススケジューラを備えるプロセッサ。
【請求項3】
複数のマトリクスを備え、
生産者によって前記複数のマトリクスを使い分けることによって、
同一の消費者に対して生産者によって異なるレイテンシでウェイクアップを行う、
マトリクススケジューラを備えるプロセッサ。
【請求項4】
生産者が消費者の情報を用いずにウェイクアップレイテンシを設定する、
請求項1~3のいずれか一項に記載のマトリクススケジューラを備えるプロセッサ。
【請求項5】
予測器を用いてウェイクアップレイテンシを設定する、
請求項4に記載のマトリクススケジューラを備えるプロセッサ。
【請求項6】
生産者命令の種類によってウェイクアップレイテンシを設定する、
請求項4に記載のマトリクススケジューラを備えるプロセッサ。
【請求項7】
前記第1のレイテンシ切り替え器のレイテンシを設定する第1の表と、前記第2のレイテンシ切り替え器のレイテンシを設定する第2の表とを備え、
前記第1の表の設定値では不足するレイテンシを前記第2の表の設定値によって補う、
請求項1に記載のマトリクススケジューラを備えるプロセッサ。
【請求項8】
前記第2の表の設定値を求めるために、前記第1の表の設定値をレジスタ・マップ・テーブルに保存することによってレジスタ・リネーミングと同時に得る、
請求項7に記載のマトリクススケジューラを備えるプロセッサ。
【請求項9】
前記第2の表の設定値を求めるために、前記第1の表の設定値を、前記第1の表を読み出すことによって得る、
請求項7に記載のマトリクススケジューラを備えるプロセッサ。
【請求項10】
前記第1の表の設定値を消費者が修正する、
請求項7に記載のマトリクススケジューラを備えるプロセッサ。
(【請求項11】以降は省略されています)
発明の詳細な説明
【技術分野】
【0001】
本発明は、マトリクススケジューラを備えるプロセッサ及び情報処理装置に関する。
続きを表示(約 1,300 文字)
【背景技術】
【0002】
汎用プロセッサコアにおいて、命令を実行する実行ユニットのレイテンシは、基本的な整数命令を実行するALU(Arithmetic Logic Unit)では1τ(サイクル)である。一方、浮動小数点積和演算命令を実行するFMA(Fused Multiply-Add)演算器では、実行ユニットのレイテンシは5τなどと長い。
【0003】
レイテンシが長い実行ユニットで実行される、別言すれば、レイテンシが長い命令に対しては、out-of-order(OoO)なコアは、依存関係にない命令を実行してそのレイテンシを隠蔽し、スループットを維持することが可能である。しかしそのためには、レイテンシの長さに比例する多くの計算資源が必要となる。したがって、レイテンシを短縮することは依然重要である。
【0004】
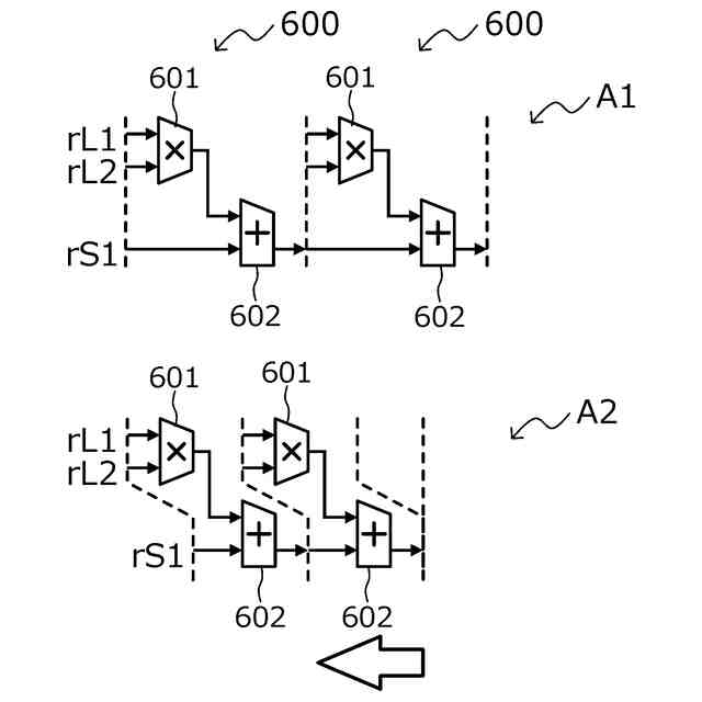
レイテンシを短縮するには、回路的な努力の他に、特定の条件ではレイテンシが実効的に短くなるようなアーキテクチャ的な方法もある。例えばrL1*rL2+rS1を計算するFMA演算器では、ソースオペランドCは、乗算rL1*rL2の後の加算にはじめて用いられるため、rL1,rL2よりも遅れて入力することができる。これを利用すれば、累積和rS1+=rL1*rL2を行う場合などに、レイテンシを実効的に短縮することができる。
【0005】
ただしこの場合、ソースオペランドrL1,rL2とrS1とで、入力からのレイテンシが異なることになる。このように、1つの実行ユニットであって、レイテンシが異なるソースオペランドを持つ実行ユニットを「非均質レイテンシ実行ユニット」と呼ぶ。
【先行技術文献】
【特許文献】
【0006】
米国公開公報第2016/0179552号明細書
【発明の概要】
【発明が解決しようとする課題】
【0007】
OoOコアで実行ユニットに命令を発行するタイミングを決定する回路は命令スケジューラと呼ばれる。
【0008】
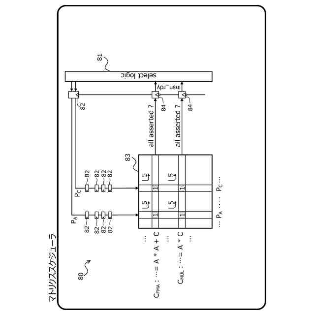
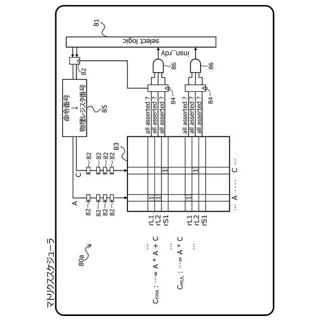
従来のスケジューラは、非均質レイテンシ実行ユニットを前提にしていない。特に、高効率な実装方式の1つであるマトリクススケジューラでは、非均質レイテンシ実行ユニットへの対応は単純ではない。
【0009】
1つの側面では、マトリクススケジューラにおいて、レイテンシが異なるソースオペランドを持つ非均質レイテンシ実行ユニットに対応することを目的とする。
【課題を解決するための手段】
【0010】
1つの側面では、プロセッサは、マトリクスの生産者に対応する各列の入力側に挿入された第1のレイテンシ切り替え器と、前記マトリクスの消費者に対応する各行の出力側に挿入された第2のレイテンシ切り替え器と、を備え、ウェイクアップ信号が通過する前記第1のレイテンシ切り替え器のレイテンシと、前記ウェイクアップ信号が更に通過する前記第2のレイテンシ切り替え器のレイテンシとを加えたレイテンシでウェイクアップを行う、マトリクススケジューラを備える。
【発明の効果】
(【0011】以降は省略されています)
この特許をJ-PlatPat(特許庁公式サイト)で参照する
関連特許
富士通株式会社
半導体装置
6日前
富士通株式会社
行列演算回路
16日前
富士通株式会社
周波数変換器
19日前
富士通株式会社
メッシュ微細化
7日前
富士通株式会社
半導体デバイス
6日前
富士通株式会社
演算器及び演算方法
7日前
富士通株式会社
ポイントクラウド分類
1日前
富士通株式会社
冷却装置及び電子機器
16日前
富士通株式会社
電子機器筐体及び電子機器
5日前
富士通株式会社
アレイアンテナモジュール
8日前
富士通株式会社
光送信器及び光トランシーバ
5日前
富士通株式会社
通信制御装置及び移動中継装置
13日前
富士通株式会社
基板及びこれを備えた電子装置
8日前
富士通株式会社
テキスト案内される画像エディタ
1日前
富士通株式会社
動的多次元メディアコンテンツ投影
26日前
富士通株式会社
メモリ管理装置及びメモリ管理方法
今日
富士通株式会社
管理装置、管理方法、および管理プログラム
14日前
富士通株式会社
プログラム、情報処理方法および情報処理装置
12日前
富士通株式会社
交通シミュレーションのための方法および装置
26日前
富士通株式会社
探索プログラム、探索方法、および情報処理装置
5日前
富士通株式会社
キャッシュ装置およびキャッシュ装置の制御方法
6日前
富士通株式会社
プログラム、データ処理装置及びデータ処理方法
6日前
富士通株式会社
出張情報受付方法および出張情報受付プログラム
5日前
富士通株式会社
制御プログラム、制御方法、および情報処理装置
14日前
富士通株式会社
並列コンピューティング・カテゴリー分けプロセス
1日前
富士通株式会社
情報出力プログラム、情報出力方法及び情報処理装置
5日前
富士通株式会社
チェックプログラム、チェック方法及び情報処理装置
5日前
富士通株式会社
光ネットワーク管理装置及び光ネットワーク管理方法
6日前
富士通株式会社
異常検出プログラム、異常検出方法及び情報処理装置
26日前
富士通株式会社
凝縮グラフ分布(CGD)に基づいたグラフ連続学習
1日前
富士通株式会社
情報処理プログラム、情報処理方法および情報処理装置
5日前
富士通株式会社
勤怠管理プログラム、勤怠管理方法および情報処理装置
5日前
富士通株式会社
表示制御プログラム、表示制御方法および情報処理装置
8日前
富士通株式会社
勤怠管理プログラム、勤怠管理方法および情報処理装置
5日前
富士通株式会社
施策特定プログラム、施策特定方法および情報処理装置
12日前
富士通株式会社
機械学習プログラム、機械学習方法および情報処理装置
12日前
続きを見る
他の特許を見る