TOP
|
特許
|
意匠
|
商標
特許ウォッチ
Twitter
他の特許を見る
公開番号
2025162484
公報種別
公開特許公報(A)
公開日
2025-10-27
出願番号
2024074561
出願日
2024-04-15
発明の名称
貼付剤
出願人
個人
代理人
主分類
A61F
13/02 20240101AFI20251020BHJP(医学または獣医学;衛生学)
要約
【課題】ラジオ波焼灼手術に於いて、術前にCT装置により、癌患部の判定は出来ても癌患部が小さい場合、ラジオ波焼灼プローブの穿刺位置決定は術者にとって難しい。被検者の体内異物、病変部そして患部等の体表上の位置を確定すること。
【解決手段】CT装置使用時に、その位置を体表に記す為に板状のX線不透過性物質X範囲内に複数の切り取り部C1、C3、C5を設けたX線不透過性物質を装着した貼付剤をX線体内診断撮影時に使用する。X線影像からX線照射方向にある手術位置を患者体表上に特定する事により、術者の手術手順を容易にする。撮影されたCT影像には患部とX線不透過性物が同時に写っており、これら患部とX線用貼付剤の位置関係により簡便にラジオ波焼灼プローブ先端の穿刺位置が考慮出来、施術し易く、治療効果が上がる。本貼付剤は汎用レントゲン及びCT両装置による診断時に使用出来る。
【選択図】図1
特許請求の範囲
【請求項1】
板状のX線不透過性物質に表裏貫通した複数の切り取り部を設けた事を特徴とする貼付剤。
続きを表示(約 280 文字)
【請求項2】
請求項1に記載の切り取り部一つの面積が0.5mm四方乃至5mm四方である事を特徴とする請求項1に記載の貼付剤。
【請求項3】
請求項1に記載の複数の切り取り部が2箇所乃至5箇所である事を特徴とする請求項1に記載の貼付剤。
【請求項4】
請求項1に記載の板状のX線不透過性物質の前面の面積が5mm四方乃至50mm四方である事を特徴とする請求項1に記載の貼付剤。
【請求項5】
請求項1に記載の板状のX線不透過性物質の厚さが6μm乃至2mmである事を特徴とする請求項1に記載の貼付剤。
発明の詳細な説明
【技術分野】
【0001】
X線装置による体内撮影で、患部の体表面上の位置を確定する診断医療。
続きを表示(約 1,500 文字)
【背景技術】
【0002】
X線装置による診断で肝臓に癌が見つかった場合、外科的には開腹手術、腹腔鏡手術、そしてラジオ波焼灼手術等が施行される。
ラジオ波焼灼手術ではX線、電磁波、超音波等による各種診断後、ラジオ波焼灼プローブ先端の針を体表面から穿刺し、患部を焼灼する。
【発明の概要】
【発明が解決しようとする課題】
【0003】
患者の患部がX線影像には写っても、体表面上から見て患部の体表上の位置を正確に把握するのは医療関係者にとって難しい。
肝臓癌患者手術前のX線装置による診断で、ラジオ波焼灼プローブ先端を穿刺する体表面の位置は、術者にとって手術直前まで不確定である。
【課題を解決するための手段】
【0004】
片面に粘着剤を設けた厚さ6μm乃至2mmの板状のX線不透過性物質に複数の、表裏貫通している、切り取り部を設けた貼付剤を提供する。
複数の切り取り部の一つは画像分解能の高いCT(Computed Tomography)X線断層診断装置に応用し、他方は汎用レントゲン診断装置等に応用出来、それぞれの画像解析能力に応じた、面積の異なる、切り取り部を設けた貼付剤を提供する。医療関係者が診断装置の性能に合った切り取り部のサイズを選ぶ事が出来る。
【0005】
絆創膏状の基材に、本X線不透過性物質を装着し、そのX線不透過性物質範囲内に基材と同位置に貫通する切り取り部を、複数、設けた貼付剤を提供する。基材に装着した本貼付剤は医療関係者が、より簡便に扱える。
【0006】
CT診断装置による撮影時に本貼付剤を2箇所以上、肝臓周辺の体表面に、貼付する。X線不透過性物質範囲内の切り取り部が患部と共に癌患部との位置関係が容易に計測出来る。CT装置の画像解像度は高く、CT機種にも依るが0.1平方mm程度である。依って、本貼付剤の切り取り部は0.1平方mm以上であれば切り取り部の座標が獲得できる事となる。
【0007】
CT装置の画像でのパターン認識で得られた座標情報は患部の座標と共に計算され体表上の位置が確定する。CT画像でパターン認識が出来ない時は随意の切り取り部を皮膚ペンで記して体表上の座標を得る。得た座標情報は患部の座標と共に計算され体表上の位置が確定する。体表上の位置とは、患部、病変部、或いは異物のX線照射方向から見た体表上の位置である。皮膚ペン使用は汎用レントゲン診断にも応用できる。
【発明の効果】
【0008】
CT装置による撮影時に本貼付剤を使用する事により、体表上の患部位置を確定し、術者にとってラジオ波焼灼プローブ先端進入の目安となる。
更に、CT影像で、患部と体表間の深さの距離が出ているので手術がより安全に施行可能となる。
【0009】
本貼付剤の使用はX線影像に伴う診断に役立ち、外科手術の時間短縮、創口縮小、創口位置決定、手術精度を上げる等を可能にする。
本貼付剤で汎用レントゲン、CT両診断装置に使用出来る。
【図面の簡単な説明】
【0010】
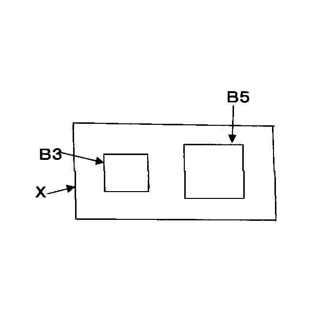
図1は長方形のX線不透過性物質Xに3箇所の大きさの異なる円形の切り取り部C1、C3、及びC5が設けてある。
図2は長方形のX線不透過性物質Xに2箇所の大きさの異なる正方形の切り取り部B3及びB5で構成される。
図3は肝癌のCT影像で、本発明の図2の貼付剤を用いた人体正面の簡略図である。
【発明を実施するための形態】
(【0011】以降は省略されています)
この特許をJ-PlatPat(特許庁公式サイト)で参照する
関連特許
個人
貼付剤
5日前
個人
短下肢装具
3か月前
個人
排尿補助器具
18日前
個人
嚥下鍛錬装置
3か月前
個人
前腕誘導装置
3か月前
個人
歯の修復用材料
4か月前
個人
ウォート指圧法
16日前
個人
アイマスク装置
2か月前
個人
胸骨圧迫補助具
1か月前
個人
ホバーアイロン
6か月前
個人
腰ベルト
8日前
個人
汚れ防止シート
1か月前
個人
バッグ式オムツ
4か月前
個人
矯正椅子
5か月前
個人
シャンプー
6か月前
個人
哺乳瓶冷まし容器
3か月前
個人
歯の保護用シール
5か月前
個人
湿布連続貼り機。
2か月前
個人
陣痛緩和具
3か月前
個人
性行為補助具
3か月前
個人
治療用酸化防御装置
1か月前
個人
エア誘導コルセット
2か月前
株式会社八光
剥離吸引管
5か月前
株式会社大野
骨壷
4か月前
株式会社コーセー
化粧料
15日前
個人
形見の製造方法
4か月前
株式会社ニデック
眼科装置
22日前
株式会社ダリヤ
毛髪化粧料
1か月前
株式会社ニデック
検眼装置
3か月前
個人
高気圧環境装置
4か月前
個人
シリンダ式歩行補助具
3か月前
株式会社ニデック
眼科装置
1か月前
株式会社GSユアサ
歩行器
5か月前
株式会社ニデック
眼科装置
4か月前
株式会社ニデック
眼科装置
1か月前
個人
精力増強キット
1か月前
続きを見る
他の特許を見る