TOP
|
特許
|
意匠
|
商標
特許ウォッチ
Twitter
他の特許を見る
10個以上の画像は省略されています。
公開番号
2025029599
公報種別
公開特許公報(A)
公開日
2025-03-06
出願番号
2024139136
出願日
2024-08-20
発明の名称
パルスレーザ衝撃によるフラットホール接続方法並びにその装置及び応用
出願人
山東大学
,
SHANDONG UNIVERSITY
代理人
弁理士法人コスモス国際特許商標事務所
主分類
B23K
26/356 20140101AFI20250227BHJP(工作機械;他に分類されない金属加工)
要約
【課題】パルスレーザ衝撃によるフラットホール接続方法を提供する。
【解決手段】底部型、砂時計状スルーホール付き下層板材、上層板材、吸収層及び拘束層を下からこの順で積層配置し、ワーク挟持系で各層を挟み付けて固定するステップと、砂時計状スルーホール領域をパルスレーザ光のスポットの中心位置に置き、パルスレーザ衝撃波の圧力で、上層板材は、下向きに高歪率の塑性変形が発生し、下層板材の砂時計状スルーホールの上傾斜面に衝突し、高速剪断変形が発生し、冶金溶接接合効果を生じるステップと、上層板材が変形し続けるにつれて、上層板材は、砂時計状スルーホールのキャビティに流入すると、下層板材の砂時計状スルーホールの下傾斜面とともに上方が小さく底部が大きい相互締結構造を形成し、機械的カシメ接合効果を生じるステップと、を含む。本接続方法は、厚みに大きな差がある板材の溶接接合又はカシメ接合に用いられる。
【選択図】図4
特許請求の範囲
【請求項1】
底部型、砂時計状スルーホール付き下層板材、上層板材、吸収層及び拘束層を下からこの順で積層配置し、ワーク挟持系で各層を挟み付けて作業台に固定するステップと、砂時計状スルーホール領域をパルスレーザ光のスポットの中心位置に置き、パルスレーザ衝撃波の圧力で、上層板材は、下向きに高歪率の塑性変形が発生し、下層板材の砂時計状スルーホールの上傾斜面に衝突し、高速剪断変形が発生し、冶金溶接接合効果を生じるステップと、上層板材が変形し続けるにつれて、上層板材は、下層板材の砂時計状スルーホールのキャビティに流入すると、下層板材の砂時計状スルーホールの下傾斜面とともに上部が小さくて底部が大きい相互締結構造を形成し、機械的カシメ接合効果を生じるステップと、フラットホール状で、上部が溶接を利用して下部がカシメを利用するカシメ溶接複合接続を完成させるステップと、
を含む、ことを特徴とするパルスレーザ衝撃によるフラットホール接続方法。
続きを表示(約 1,400 文字)
【請求項2】
底部型は、上層板材の変形を制限して、フラットホール状のカシメ接合溶接接合継手を形成するために用いられる、ことを特徴とする請求項1に記載の接続方法。
【請求項3】
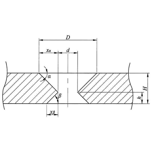
前記下層板材の砂時計状スルーホールの上傾斜面は、溶接傾斜面であり、前記下層板材の砂時計状スルーホールの下傾斜面は、カシメ傾斜面であり、
或いは、前記砂時計状スルーホールの上傾斜面と下層板材の上面とがなす角αの値は、20~60°の範囲にあり、砂時計状スルーホールの下傾斜面と下層板材の下面とがなす角βの値は、20~60°の範囲にあり、角αの角度≧角βの角度であり、
或いは、前記下層板材の砂時計状スルーホールの上傾斜面及び下層板材の砂時計状スルーホールの下傾斜面の水平長さをそれぞれx
α
、x
β
、上開口の直径をD、下層板材の厚みをH、下傾斜面の垂直高さをhとすると、x
α
≧x
β
であり、上傾斜面と下傾斜面との接続部における口径d=D-2×x
α
であり、且つd≧2×x
β
であり、
TIFF
2025029599000003.tif
13
161
であり、下層板材の砂時計状スルーホールの上傾斜面における大きな空間により、溶接効果を確保し、材料を流動させやすくし、下層板材の砂時計状スルーホールの異なるパラメータの組合せにより、異なる性能及び適用場面を有する複合継手を得ることができる、ことを特徴とする請求項1に記載の接続方法。
【請求項4】
前記下層板材の厚みHは、0.1mm以上である、ことを特徴とする請求項3に記載の接続方法。
【請求項5】
前記上層板材及び下層板材は、銅、アルミニウム、鋼、チタンなどの同種板材又は異種板材であってもよく、
或いは、前記吸収層は、黒漆、黒鉛又は金属箔からなり、
或いは、前記拘束層は、ガラス又は水からなる、ことを特徴とする請求項1に記載の接続方法。
【請求項6】
前記パルスレーザのパワー密度は、1GW/cm
2
よりも大きくする必要がある、ことを特徴とする請求項1に記載の接続方法。
【請求項7】
前記パルスレーザのパルス幅は、20ns以下とする必要があり、
或いは、レーザ光のスポットの大きさは、下層板材の砂時計状スルーホールの上開口の直径Dの1.5倍以上とする必要がある、ことを特徴とする請求項6に記載の接続方法。
【請求項8】
請求項1~7のいずれか一項に記載の接続方法を実現可能な装置であって、下からこの順で積層配置された底部型、砂時計状スルーホール付き下層板材、上層板材、吸収層及び拘束層を含み、ワーク挟持系で各層を挟み付けて作業台に固定し、
パルスレーザを発生させるためのレーザ機をさらに含む、ことを特徴とする装置。
【請求項9】
前記作業台は、衝撃位置を調整するために用いられる、ことを特徴とする請求項8に記載の装置。
【請求項10】
厚みが大きい板材、又は厚みに大きな差がある板材へのカシメ接合・溶接接合の同時実施における請求項1~7のいずれか一項に記載の接続方法、又は請求項8~9のいずれか一項に記載の装置の使用。
発明の詳細な説明
【技術分野】
【0001】
本発明は、先進的なレーザによる製造の技術分野に属し、具体的には、パルスレーザ衝撃によるフラットホール接続方法並びにその装置及び応用に関する。
続きを表示(約 2,700 文字)
【背景技術】
【0002】
当該背景技術の情報を開示することは、必ずしも当該情報構成が既に当業者に公知の従来技術となったことを承認したり、いかなる形式で示唆したりするとみなされず、本発明の全体的な背景に対する理解を深めることを意図するに過ぎない。
【0003】
板材間の固定接続方式には、主に溶接、カシメ、螺合接続などがある。
【0004】
融接に代表される伝統的な溶接とは、高温熱源により溶融状態となるように材料に作用して冶金結合を形成するものであるため、高い接続強度を有し、高い導電性を得ることができる。しかしながら、融接領域には、熱影響部が形成されることがあり、熱変形、不均一なインクルージョンの形成及び気孔、クラックなどの欠陥の発生を引き起こし、融接継手の耐疲労性を低下させやすくなる。レーザ衝撃溶接は、新規な固体冶金結合技術であり、融接方法による不利な熱効果を回避するが、継手の耐疲労性を依然として著しく改善することができない。
【0005】
板材間のカシメには、リベットによるカシメ及びリベットレスカシメが含まれ、この両者は、通常、常温で行われるため、冷間加工に属する。中でも、リベットレスカシメは、材料自体の塑性変形のみにより接続し、リベットを必要としないので、加工速度が速く、平坦な継手を得やすいため、近年、その応用が益々広くなっている。溶接による冶金結合に比べて、カシメは、機械的結合に属し、継手の耐疲労性がよいが、剪断強度及び剥離強度が低く、導電性能が低い。リベットレスカシメにより異種材料を接続する場合に、変形後に異種材料の異なる反発量により、継手を緩め、その導電性をさらに低下させる可能性がある。
【0006】
カシメ溶接複合接続技術は、カシメの機械的結合及び溶接の冶金結合の利点を兼ね備え、単純なカシメ継手の強度が低く、導電性が低いという問題、単純な溶接継手の耐疲労性が低いという問題などを一定の程度で解決したため、導電板などの金属板材の接続分野において良好な応用見込みがある。溶接してからカシメを施すと、溶接中に発生した材料性能の変化により、カシメがより困難になる。カシメを施してから溶接すると、カシメプロセスで空間を利用することにより、溶接の位置及び角度が制限され、溶接がより困難になる。このため、産業界は、カシメ溶接の同時実施プロセスによりカシメ溶接複合継手を得ることに向けて努力を進めている。出願番号201510119083.0の中国特許には、極薄板材へのレーザによるカシメ接合・溶接接合の同時実施方法及び装置が開示されている。当該方法において、上層板材と下層板材とを積み重ねて、雌型上にともに置き、雌型には、底部型が設けられており、パルスレーザビームを上層板材又は上層板材の表面に塗布されたエネルギー吸収層に作用させて、爆発プラズマを形成するにつれて、上層板材が下層板材に衝突し、上層板材と下層板材とは、高歪率の塑性フローカップリングが発生し、底部型の拘束下で、上層板材と下層板材は、共同でリベットボタン形状に塑性成形されることによって、機械的相互締結を発生させてカシメ接合される。塑性変形中に、上層板材と下層板材との接触界面には圧縮応力があるので、界面に溶融及び原子拡散が発生し、上層板材と下層板材は、共同で底部型に衝突する時に溶接接合される。しかしながら、当該方法により実現される極薄板材のカシメ溶接継手は、主に2層の板材の共同塑性変形によるものであるため、非常に薄くて厚みに大きな差がない板材の接続のみに好適である。
【0007】
カシメ接合に必要な相互締結構造の作製には、2層の板材の指向性流動が良好に結合することを確保する必要があるとともに、2層の板材が全て非常に高い変形量を生じる必要がある。厚い板材は、高い剛性を有するため、材料の流動性能及び充填性能が低いことから、材料の指向性流動がより困難になり、大きい変形量を生じにくく、一般的には、昇温させることで材料の流動を促進するなど、追加の措置を採る必要がある。また、2層の板材の厚みに大きな差がある場合に、大きな厚みの差により、2層の板材間の流動の結合が劣り、割れが発生しやすく、接続品質が悪くなる。変形中に、接続界面における圧縮応力が主に作用し、大きな厚みの差により、接続時の圧力分布が不均一となり、応力の局所的な集中、接続品質の低下を引き起こし、接続の不安定性及び無効化のリスクが高くなる。
【発明の概要】
【0008】
前記課題を解決するために、本発明は、大きな厚みがあるか厚みに大きな差がある板材も、溶接接合及びカシメ接合を同時に実現可能であり、継手が平坦で、突起がなく、相互締結量が大きく、継手の強度が高く、耐疲労性及び導電性能が良好であるといった特徴を有するようにする、パルスレーザ衝撃によるフラットホール接続方法並びにその装置及び応用を提供する。
【0009】
本発明の第1の側面は、底部型、砂時計状スルーホール付き下層板材、上層板材、吸収層及び拘束層を下からこの順で積層配置し、ワーク挟持系で各層を挟み付けて作業台に固定するステップと、砂時計状スルーホール領域をパルスレーザ光のスポットの中心位置に置き、パルスレーザ衝撃波の圧力で、上層板材は、下向きに高歪率の塑性変形が発生し、下層板材の砂時計状スルーホールの上傾斜面に衝突し、高速剪断変形が発生し、冶金溶接接合効果を生じるステップと、上層板材が変形し続けるにつれて、上層板材は、下層板材の砂時計状スルーホールのキャビティに流入すると、下層板材の砂時計状スルーホールの下傾斜面とともに上部が小さくて底部が大きい相互締結構造を形成し、機械的カシメ接合効果を生じるステップと、フラットホール状で、上部が溶接を利用して下部がカシメを利用するカシメ溶接複合接続を完成させるステップと、
を含む、パルスレーザ衝撃によるフラットホール接続方法を提供する。
【0010】
本発明の第2の側面は、前記方法を実現する装置であって、下からこの順で積層配置された底部型、砂時計状スルーホール付き下層板材、上層板材、吸収層及び拘束層を含み、ワーク挟持系で各層を挟み付けて作業台に固定し、
パルスレーザを発生させるためのレーザ機をさらに含む、装置を提供する。
(【0011】以降は省略されています)
この特許をJ-PlatPat(特許庁公式サイト)で参照する
関連特許
山東大学
クロスモーダル損失に基づく目標音声分離方法及びシステム
1か月前
山東大学
絶縁油紙の電気・熱・機械複合劣化の機械的特性の試験方法
9か月前
山東大学
4D呼吸運動合成用の画像レジストレーション方法及びシステム
22日前
山東大学
パルスレーザ衝撃によるフラットホール接続方法並びにその装置及び応用
7か月前
山東大学
視覚言語モデルに基づく半教師あり医用画像セグメンテーション方法及びシステム
8日前
個人
タップ
5か月前
個人
フライス盤
1か月前
個人
加工機
5か月前
麗豊実業股フン有限公司
ラクトバチルス・パラカセイNB23菌株及びそれを筋肉量の増加や抗メタボリック症候群に用いる用途
4か月前
日東精工株式会社
ねじ締め機
4か月前
日東精工株式会社
ねじ締め機
1か月前
日東精工株式会社
ねじ締め機
2日前
株式会社不二越
ドリル
4か月前
日東精工株式会社
ねじ締め機
1か月前
株式会社北川鉄工所
回転装置
4か月前
株式会社ダイヘン
溶接電源装置
2か月前
日東精工株式会社
ねじ締め装置
3か月前
日東精工株式会社
ねじ締め装置
22日前
株式会社ダイヘン
溶接電源装置
2か月前
株式会社ダイヘン
溶接電源装置
2か月前
株式会社FUJI
工作機械
8日前
株式会社FUJI
工作機械
3か月前
個人
切削油供給装置
1か月前
株式会社FUJI
工作機械
1日前
株式会社FUJI
工作機械
3か月前
個人
型枠製造装置のフレーム
12日前
キヤノン電子株式会社
加工システム
2か月前
株式会社アンド
半田付け方法
1か月前
株式会社アンド
半田付け方法
4か月前
株式会社アンド
半田付け方法
4か月前
株式会社トヨコー
被膜除去方法
4か月前
株式会社ツガミ
工作機械
1か月前
大見工業株式会社
ドリル
2か月前
村田機械株式会社
レーザ加工機
4か月前
村田機械株式会社
レーザ加工機
4か月前
津田駒工業株式会社
センタリングバイス
1か月前
続きを見る
他の特許を見る