TOP
|
特許
|
意匠
|
商標
特許ウォッチ
Twitter
他の特許を見る
10個以上の画像は省略されています。
公開番号
2025064355
公報種別
公開特許公報(A)
公開日
2025-04-17
出願番号
2023174042
出願日
2023-10-06
発明の名称
加湿装置
出願人
株式会社コロナ
代理人
主分類
F24F
6/00 20060101AFI20250410BHJP(加熱;レンジ;換気)
要約
【課題】加湿量の細かい調整を行いつつ、過加湿となることを防ぐ加湿装置を提供する。
【解決手段】制御部35は、気化フィルタ9が水槽2の水に下部が浸漬した第1回転位置と、第1回転位置から回転駆動させて水槽の水から離れた第2回転位置との各々で停止可能であり、湿度センサ33で検知した湿度H1から目標湿度H0を減じた湿度差ΔHが、所定値aよりも小さい場合は、気化フィルタを第1回転位置とし、所定値a以上の場合は、気化フィルタを第2回転位置とする。
【選択図】図9
特許請求の範囲
【請求項1】
器具本体と、
水を貯水する水槽と、
当該器具本体内に設置され空気を送風する送風ファンと、
前記器具本体外の空気を取り入れる吸込口と、
当該吸込口を通過した空気が流通する送風経路と、
当該送風経路中に設けられ、前記水槽の水に下部が浸漬し、軸線を中心に回転駆動が可能な気化フィルタと、
前記気化フィルタで発生した加湿空気を前記器具本体外へ送風する吹出口と、
前記吸込口から取り入れた空気の湿度を検知する湿度センサと、
前記送風ファンの運転を制御し、設定した目標湿度となるよう加湿運転を行う制御部と、を備え、
前記制御部は、前記気化フィルタが前記水槽の水に下部が浸漬した第1回転位置と、前記第1回転位置から回転駆動させて前記水槽の水から離れた第2回転位置との各々で停止可能であり、
前記湿度センサで検知した湿度H1から前記目標湿度H0を減じた湿度差ΔHが、
所定値aよりも小さい場合は、前記気化フィルタを前記第1回転位置とし、
所定値a以上の場合は、前記気化フィルタを前記第2回転位置とすることを特徴とする加湿装置。
続きを表示(約 1,600 文字)
【請求項2】
器具本体と、
水を貯水する水槽と、
当該器具本体内に設置され空気を送風する送風ファンと、
前記器具本体外の空気を取り入れる吸込口と、
当該吸込口を通過した空気が流通する送風経路と、
当該送風経路中に設けられ、前記水槽の水に下部が浸漬し、軸線を中心に回転駆動が可能な気化フィルタと、
前記気化フィルタで発生した加湿空気を前記器具本体外へ送風する吹出口と、
前記吸込口から取り入れた空気の湿度を検知する湿度センサと、
前記送風ファンの運転を制御し、設定した目標湿度となるよう加湿運転を行う制御部と、を備え、
前記制御部は、前記気化フィルタが前記水槽の水に下部が浸漬した第1回転位置と、前記第1回転位置から回転駆動させて前記水槽の水から離れた第2回転位置と、前記第1回転位置から前記第2回転位置に向かって回転駆動する際に前記第1回転位置との間で成す任意の角度で各々停止可能であり、
前記湿度センサで検知した湿度H1から前記目標湿度H0を減じた湿度差ΔHが、
所定値aよりも小さい場合は、前記気化フィルタを前記第1回転位置とし、
a<bの関係である所定値bに対して、
前記湿度差ΔHが所定値b以上の場合は、前記気化フィルタを前記第2回転位置とし、
所定値a以上かつ所定値b未満の場合は、前記気化フィルタを前記第1回転位置から前記第2回転位置に向かって前記湿度差ΔHの大きさに応じて変位する前記角度で停止することを特徴とする加湿装置。
【請求項3】
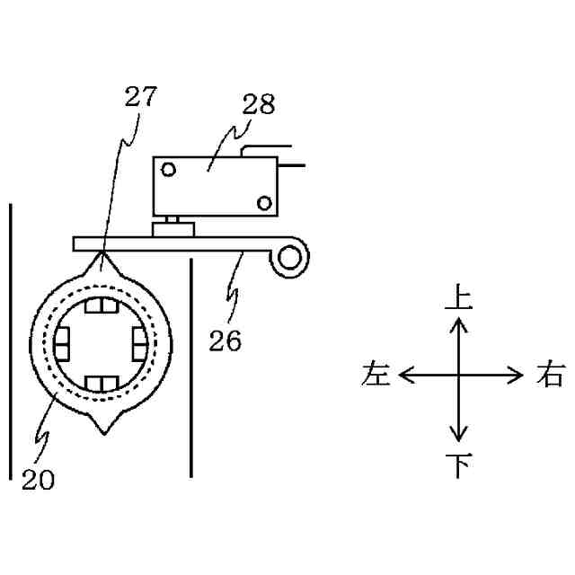
前記第1回転位置では、前記気化フィルタが前記水槽の水面と略垂直状態であり、
前記第2回転位置では、前記気化フィルタが前記水槽の水面と平行な略水平状態である
ことを特徴とする請求項1又は2に記載の加湿装置。
【請求項4】
前記気化フィルタの回転方向は、一定方向であることを特徴とする請求項3に記載の加湿装置。
【請求項5】
前記制御部は、前記気化フィルタが前記第2回転位置又は前記角度で回転停止する位置に到達してから所定時間が経過したら、前記第1回転位置へ回転し停止させることを特徴とする請求項4に記載の加湿装置。
【請求項6】
前記制御部は、前記気化フィルタが前記第2回転位置又は前記角度で回転停止する位置に到達した状態において、前記送風ファンの回転数を前記第1回転位置と同じとすることを特徴とする請求項5に記載の加湿装置。
【請求項7】
器具本体と、
水を貯水する水槽と、
当該器具本体内に設置され空気を送風する送風ファンと、
前記器具本体外の空気を取り入れる吸込口と、
当該吸込口を通過した空気が流通する送風経路と、
当該送風経路中に設けられ、前記水槽の水に下部が浸漬し、上下駆動が可能な気化フィルタと、
前記気化フィルタで発生した加湿空気を前記器具本体外へ送風する吹出口と、
前記吸込口から取り入れた空気の湿度を検知する湿度センサと、
前記送風ファンの運転を制御し、設定した目標湿度となるよう加湿運転を行う制御部と、を備え、
前記制御部は、前記気化フィルタが前記水槽の水に下部が浸漬した第1可動位置と、前記第1可動位置から上方へ駆動させて前記水槽の水から離れた第2可動位置との各々で停止可能であり、
前記湿度センサで検知した湿度H1から前記目標湿度H0を減じた湿度差ΔHが、
所定値aよりも小さい場合は、前記気化フィルタを前記第1可動位置とし、
所定値a以上の場合は、前記気化フィルタを前記第2可動位置とすることを特徴とする加湿装置。
発明の詳細な説明
【技術分野】
【0001】
本発明は、加湿装置に関する。
続きを表示(約 1,900 文字)
【背景技術】
【0002】
例えば、特許文献1には、加湿空気を発生させる気化フィルタと、気化フィルタを湿潤させる水を溜める水槽部と、気化フィルタを水槽内の水中に一部を浸水させた状態で回転駆動させる駆動手段と、を備え、気化フィルタを傾倒させることで加湿量を抑制する加湿機能を備えた電気機器が記載されている。
【先行技術文献】
【特許文献】
【0003】
特開2017-009181号公報
【発明の概要】
【発明が解決しようとする課題】
【0004】
特許文献1では、気化フィルタは常に水槽内の水に浸水しているため、吸水した気化フィルタに送風することで加湿が促進し、十分に加湿量を抑制できない虞がある。
【課題を解決するための手段】
【0005】
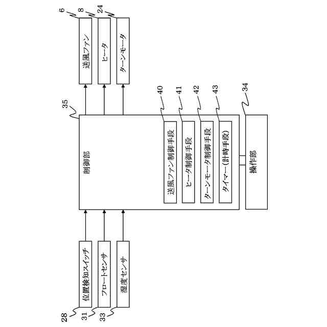
上記課題を解決するために、本発明の請求項1の加湿装置では、器具本体と、水を貯水する水槽と、当該器具本体内に設置され空気を送風する送風ファンと、前記器具本体外の空気を取り入れる吸込口と、当該吸込口を通過した空気が流通する送風経路と、当該送風経路中に設けられ、前記水槽の水に下部が浸漬し、軸線を中心に回転駆動が可能な気化フィルタと、前記気化フィルタで発生した加湿空気を前記器具本体外へ送風する吹出口と、前記吸込口から取り入れた空気の湿度を検知する湿度センサと、前記送風ファンの運転を制御し、設定した目標湿度となるよう加湿運転を行う制御部と、を備え、前記制御部は、前記気化フィルタが前記水槽の水に下部が浸漬した第1回転位置と、前記第1回転位置から回転駆動させて前記水槽の水から離れた第2回転位置との各々で停止可能であり、前記湿度センサで検知した湿度H1から前記目標湿度H0を減じた湿度差ΔHが、所定値aよりも小さい場合は、前記気化フィルタを前記第1回転位置とし、所定値a以上の場合は、前記気化フィルタを前記第2回転位置とすることを特徴としている。
【0006】
また、請求項2の加湿装置では、器具本体と、水を貯水する水槽と、当該器具本体内に設置され空気を送風する送風ファンと、前記器具本体外の空気を取り入れる吸込口と、当該吸込口を通過した空気が流通する送風経路と、当該送風経路中に設けられ、前記水槽の水に下部が浸漬し、軸線を中心に回転駆動が可能な気化フィルタと、前記気化フィルタで発生した加湿空気を前記器具本体外へ送風する吹出口と、前記吸込口から取り入れた空気の湿度を検知する湿度センサと、前記送風ファンの運転を制御し、設定した目標湿度となるよう加湿運転を行う制御部と、を備え、前記制御部は、前記気化フィルタが前記水槽の水に下部が浸漬した第1回転位置と、前記第1回転位置から回転駆動させて前記水槽の水から離れた第2回転位置と、前記第1回転位置から前記第2回転位置に向かって回転駆動する際に前記第1回転位置との間で成す任意の角度で各々停止可能であり、前記湿度センサで検知した湿度H1から前記目標湿度H0を減じた湿度差ΔHが、所定値aよりも小さい場合は、前記気化フィルタを前記第1回転位置とし、a<bの関係である所定値bに対して、前記湿度差ΔHが所定値b以上の場合は、前記気化フィルタを前記第2回転位置とし、所定値a以上かつ所定値b未満の場合は、前記気化フィルタを前記第1回転位置から前記第2回転位置に向かって前記湿度差ΔHの大きさに応じて変位する前記角度で停止することを特徴としている。
【0007】
また、請求項3の加湿装置では、前記第1回転位置では、前記気化フィルタが前記水槽の水面と略垂直状態であり、前記第2回転位置では、前記気化フィルタが前記水槽の水面と平行な略水平状態であることを特徴としている。
【0008】
また、請求項4の加湿装置では、前記気化フィルタの回転方向は、一定方向であることを特徴としている。
【0009】
また、請求項5の加湿装置では、前記制御部は、前記気化フィルタが前記第2回転位置又は前記角度で回転停止する位置に到達してから所定時間が経過したら、前記第1回転位置へ回転し停止させることを特徴としている。
【0010】
また、請求項6の加湿装置では、前記制御部は、前記気化フィルタが前記第2回転位置又は前記角度で回転停止する位置に到達した状態において、前記送風ファンの回転数を前記第1回転位置と同じとすることを特徴としている。
(【0011】以降は省略されています)
この特許をJ-PlatPat(特許庁公式サイト)で参照する
関連特許
株式会社コロナ
空調装置
7日前
株式会社コロナ
加湿装置
17日前
株式会社コロナ
空調装置
26日前
株式会社コロナ
空調装置
1か月前
株式会社コロナ
取付装置
1か月前
株式会社コロナ
風呂給湯機
25日前
株式会社コロナ
空気調和機
1か月前
株式会社コロナ
貯湯式給湯機
3日前
株式会社コロナ
暖房システム
7日前
株式会社コロナ
貯湯式給湯機
11日前
株式会社コロナ
直圧式給湯機
1か月前
株式会社コロナ
輻射式冷房装置
1か月前
株式会社コロナ
壁掛式石油給湯装置
1か月前
株式会社コロナ
給水装置及びこれを用いた加湿装置
3日前
個人
空気調和機
4か月前
個人
エアコン室内機
3か月前
株式会社コロナ
加湿装置
5か月前
株式会社コロナ
空調装置
6か月前
株式会社コロナ
空調装置
1か月前
株式会社コロナ
空調装置
7日前
株式会社コロナ
空調装置
5か月前
株式会社コロナ
加湿装置
17日前
株式会社コロナ
給湯装置
2か月前
株式会社コロナ
加湿装置
4か月前
株式会社コロナ
空調装置
26日前
株式会社コロナ
空調装置
3か月前
株式会社コロナ
加湿装置
6か月前
株式会社コロナ
空気調和機
5か月前
株式会社コロナ
風呂給湯機
25日前
株式会社コロナ
空気調和機
1か月前
個人
住宅換気空調システム
6か月前
個人
住宅換気空調システム
1か月前
株式会社コロナ
空気調和機
2か月前
株式会社コロナ
貯湯式給湯機
11日前
株式会社コロナ
貯湯式給湯機
4か月前
株式会社コロナ
直圧式給湯機
1か月前
続きを見る
他の特許を見る