TOP
|
特許
|
意匠
|
商標
特許ウォッチ
Twitter
他の特許を見る
10個以上の画像は省略されています。
公開番号
2025103703
公報種別
公開特許公報(A)
公開日
2025-07-09
出願番号
2023221280
出願日
2023-12-27
発明の名称
機械式時計
出願人
シチズン時計株式会社
代理人
弁理士法人はるか国際特許事務所
主分類
G04C
3/06 20060101AFI20250702BHJP(時計)
要約
【課題】調速機構30における運動の持続性を向上する。
【解決手段】機械式時計1は、調速機構30に含まれる、正逆回転運動する回転体と、回転体の正逆回転運動に伴い正逆回転運動する永久磁石41と、永久磁石41の回転角度に応じて永久磁石41に対して磁気的なトルクが発生するように設けられるステータ42と、を有し、永久磁石41が正逆回転運動の折り返し位置に向かう際に、磁気的なトルクを含み永久磁石の回転に影響を与える作用トルクが、永久磁石41の回転方向と同じ方向に発生しないように回転体の回転範囲を規制する規制部が設けられている。
【選択図】図8
特許請求の範囲
【請求項1】
調速機構に含まれる、正逆回転運動する回転体と、
前記回転体の正逆回転運動に伴い正逆回転運動する永久磁石と、
前記永久磁石の回転角度に応じて当該永久磁石に対して磁気的なトルクが発生するように設けられるステータと、
を有し、
前記永久磁石が正逆回転運動の折り返し位置に向かう際に、前記磁気的なトルクを含み前記永久磁石の回転に影響を与える作用トルクが、前記永久磁石の回転方向と同じ方向に発生しないように前記回転体の回転範囲を規制する規制部が設けられている、
機械式時計。
続きを表示(約 890 文字)
【請求項2】
ガンギ車と、前記回転体の正逆回転運動に伴って正逆回転運動する振り石が衝突することで前記ガンギ車を間欠駆動させるアンクルと、を含む脱進機構を有し、
前記規制部は、前記アンクルのうち前記振り石が衝突する被衝突部である、
請求項1に記載の機械式時計。
【請求項3】
前記被衝突部は、前記振り石の回転軌跡に沿うように延びる形状を含む、
請求項2に記載の機械式時計。
【請求項4】
前記被衝突部は、前記回転体の回転軸の周面に沿うように延びる形状を含む、
請求項2に記載の機械式時計。
【請求項5】
前記被衝突部は、前記振り石の衝突方向に対して傾斜する被衝突面を含む、
請求項2に記載の機械式時計。
【請求項6】
前記被衝突部は、正方向に回転する前記振り石に衝突する第1の被衝突部と、逆方向に回転する前記振り石に衝突する第2の被衝突部と、を含み、
前記第1の被衝突部及び前記第2の被衝突部は、互いに平行に延びる第1の部分と、当該第1の部分から互いに離間する方向に延びる第2の部分と、をそれぞれ含み、
前記第2の部分は前記第1の部分よりも長い、
請求項2に記載の機械式時計。
【請求項7】
前記回転体は、テン輪と、前記テン輪を正逆回転運動させるように弾性変形するヒゲゼンマイと、を含み、
前記作用トルクは、前記磁気的なトルクと、前記ヒゲゼンマイのバネトルクと、の合成トルクである、
請求項1~6のいずれか1項に記載の機械式時計。
【請求項8】
前記回転体はテン輪を含み、
前記テン輪に前記規制部に接触する被規制部が設けられている、
請求項1に記載の機械式時計。
【請求項9】
前記規制部は、前記永久磁石の回転方向と同じ方向に、回転角度に応じた前記磁気的なトルクの変化における極大値が現れないように前記回転体の回転範囲を規制する、
請求項1に記載の機械式時計。
発明の詳細な説明
【技術分野】
【0001】
本発明は、機械式時計に関する。
続きを表示(約 2,300 文字)
【背景技術】
【0002】
下記特許文献1には、テン輪と一体的に回転する永久磁石を設けることで、発電を行うと共に、永久磁石の回転に応じて生じる逆起電圧に基づいてテン輪の回転を制御する機械式時計が開示されている。
【先行技術文献】
【特許文献】
【0003】
国際公開第2023/176378号
【発明の概要】
【発明が解決しようとする課題】
【0004】
ここで、特許文献1の機械式時計においては、調速機構に設けられるテン輪の回転を進める方向に永久磁石に対して磁気的なトルクが発生している場合、テン輪が逆方向に折り返すことができず、その正逆回転運動が停止してしまうおそれがある。
【0005】
本発明は上記課題に鑑みてされたものであって、その目的は、調速機構における運動の持続性を向上する機械式時計を提供することにある。
【課題を解決するための手段】
【0006】
(1)調速機構に含まれる、正逆回転運動する回転体と、前記回転体の正逆回転運動に伴い正逆回転運動する永久磁石と、前記永久磁石の回転角度に応じて当該永久磁石に対して磁気的なトルクが発生するように設けられるステータと、を有し、前記永久磁石が正逆回転運動の折り返し位置に向かう際に、前記磁気的なトルクを含み前記永久磁石の回転に影響を与える作用トルクが、前記永久磁石の回転方向と同じ方向に発生しないように前記回転体の回転範囲を規制する規制部が設けられている、機械式時計。
(2)(1)において、ガンギ車と、前記回転体の正逆回転運動に伴って正逆回転運動する振り石が衝突することで前記ガンギ車を間欠駆動させるアンクルと、を含む脱進機構を有し、前記規制部は、前記アンクルのうち前記振り石が衝突する被衝突部である、機械式時計。
(3)(2)において、前記被衝突部は、前記振り石の回転軌跡に沿うように延びる形状を含む、機械式時計。
(4)(2)又は(3)において、前記被衝突部は、前記回転体の回転軸の周面に沿うように延びる形状を含む、機械式時計。
(5)(2)~(4)のいずれかにおいて、前記被衝突部は、前記振り石の衝突方向に対して傾斜する被衝突面を含む、機械式時計。
(6)(2)~(5)のいずれかにおいて、前記被衝突部は、正方向に回転する前記振り石に衝突する第1の被衝突部と、逆方向に回転する前記振り石に衝突する第2の被衝突部と、を含み、前記第1の被衝突部及び前記第2の被衝突部は、互いに平行に延びる第1の部分と、当該第1の部分から互いに離間する方向に延びる第2の部分と、をそれぞれ含み、前記第2の部分は前記第1の部分よりも長い、機械式時計。
(7)(1)~(6)のいずれかにおいて、前記回転体は、テン輪と、前記テン輪を正逆回転運動させるように弾性変形するヒゲゼンマイと、を含み、前記作用トルクは、前記磁気的なトルクと、前記ヒゲゼンマイのバネトルクと、の合成トルクである、機械式時計。
(8)(1)~(7)のいずれかにおいて、前記回転体はテン輪を含み、前記テン輪に前記規制部に接触する被規制部が設けられている、機械式時計。
(9)(1)~(8)のいずれかにおいて、前記規制部は、前記永久磁石の回転方向と同じ方向に、回転角度に応じた前記磁気的なトルクの変化における極大値が現れないように前記回転体の回転範囲を規制する、機械式時計。
【発明の効果】
【0007】
上記本発明の(1)~(9)の側面によれば、調速機構における運動の持続性を向上する機械式時計を提供することができる。
【図面の簡単な説明】
【0008】
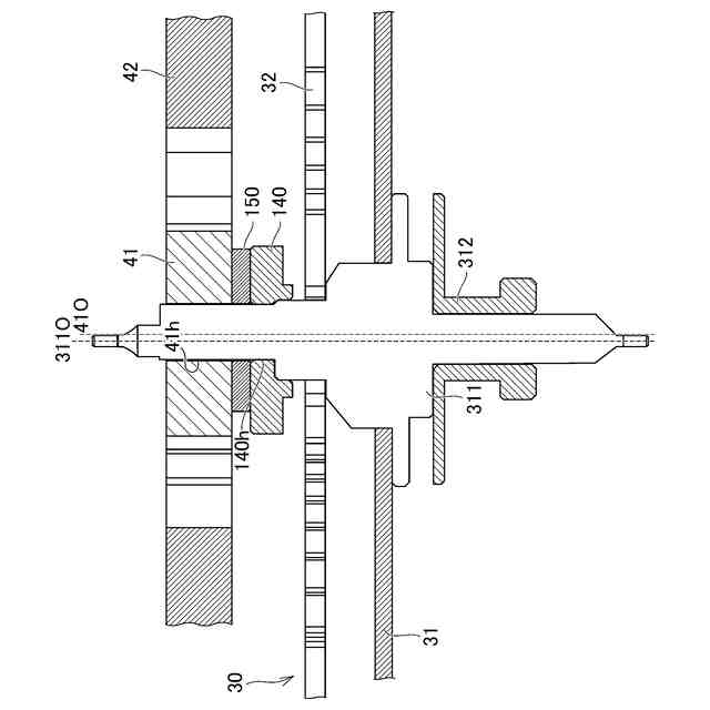
地板及びそれに組み込まれる各部材を示す斜視図である。
脱進機構及びその周辺の部材を示す斜視図である。
調速機構及びその周辺の部材を示す分解斜視図である。
調速機構及びその周辺の部材を示す断面図である。
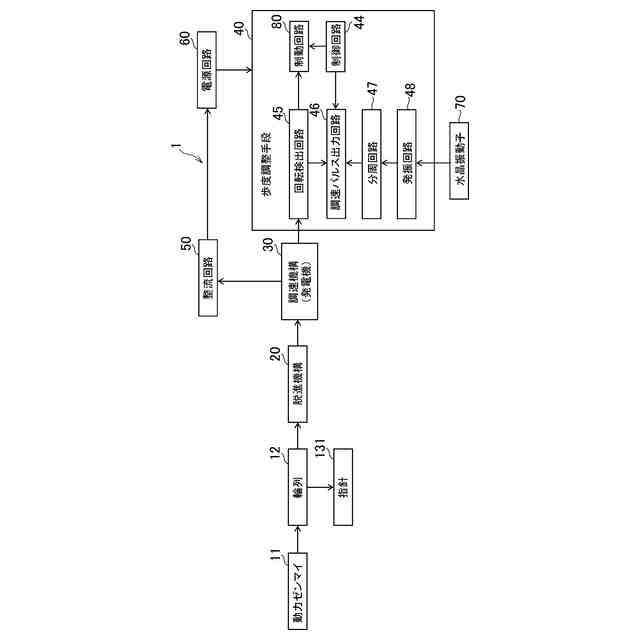
機械式時計の全体構成を示すブロック図である。
永久磁石、ステータ、及びテン真の配置の一例を示す平面図である。
永久磁石、ステータ、及びテン真の配置の一例を示す平面図である。
永久磁石に作用するトルクを示す図である。
アンクルの形状を示す平面図である。
振り石の回転に伴う脱進機構の動作を示す図である。
振り石の回転に伴う脱進機構の動作を示す図である。
第1変形例のアンクルを示す平面図である。
第2変形例のアンクルを示す平面図である。
第3変形例におけるテン輪の回転範囲の規制について説明する図である。
第4変形例における永久磁石に作用するトルクを示す図である。
第5変形例における永久磁石に作用するトルクを示す図である。
【発明を実施するための形態】
【0009】
以下、本発明の実施形態(以下、本実施形態)について図面に基づき詳細に説明する。
【0010】
本実施形態に係る機械式時計1は、動力ゼンマイ11を備え、脱進機構20及び調速機構30によって動力ゼンマイ11の動きを制御し、指針131を駆動させる時計である。動力ゼンマイ11からの動力は、輪列12を通じて、脱進機構20及び調速機構30に伝達される。これら各部材及び各機構は地板10に組み込まれている。なお、動力ゼンマイ11、輪列12、指針131については、図5を参照して示し、具体的な構造の図示については省略する。
(【0011】以降は省略されています)
この特許をJ-PlatPat(特許庁公式サイト)で参照する
関連特許
シチズン時計株式会社
電子時計
1か月前
シチズン時計株式会社
加工装置
4日前
シチズン時計株式会社
機械式時計
1か月前
シチズン時計株式会社
光プローブ
1か月前
シチズン時計株式会社
装飾部材及び装飾部材の製造方法
25日前
シチズン時計株式会社
駆動装置、電子時計、駆動方法、及びプログラム
11日前
シチズン時計株式会社
機械式時計
11日前
シチズン時計株式会社
文字板および時計
25日前
シチズン時計株式会社
装飾部材および時計
11日前
個人
砂時計
17日前
個人
目覚し時計
2か月前
個人
休憩報知タイマー
3か月前
個人
時刻同期システム
19日前
セイコーエプソン株式会社
時計
3か月前
個人
自照式の針により認視性を高めたアナログ式時計
3か月前
セイコーエプソン株式会社
電子時計
2か月前
株式会社村田製作所
光学的パターン表示物品
3日前
シチズン時計株式会社
電子時計
1か月前
セイコーエプソン株式会社
電子制御式機械時計
3か月前
セイコーエプソン株式会社
電子制御式機械時計
5日前
シチズン時計株式会社
機械式時計
2か月前
セイコーエプソン株式会社
ムーブメント及び時計
3か月前
シチズン時計株式会社
機械式時計
2か月前
シチズン時計株式会社
機械式時計
1か月前
カシオ計算機株式会社
装飾板及び時計
4日前
個人
アナログ時計、時間表示方法、および、時間表示プログラム
3か月前
セイコーエプソン株式会社
電子時計
3か月前
セイコーエプソン株式会社
機械式時計
18日前
カシオ計算機株式会社
制御装置、制御方法、及びプログラム
4日前
セイコータイムクリエーション株式会社
からくり時計
3日前
カシオ計算機株式会社
機器ケース及び時計
2か月前
カシオ計算機株式会社
機器ケース及び時計
27日前
セイコーエプソン株式会社
インデックス、文字板、及び時計
1か月前
カシオ計算機株式会社
電子時計及び電子時計本体
18日前
カシオ計算機株式会社
外装部品ユニット及び時計
3日前
住友ベークライト株式会社
計時装置、計時方法および検査装置
3か月前
続きを見る
他の特許を見る