TOP
|
特許
|
意匠
|
商標
特許ウォッチ
Twitter
他の特許を見る
10個以上の画像は省略されています。
公開番号
2025115267
公報種別
公開特許公報(A)
公開日
2025-08-06
出願番号
2024009731
出願日
2024-01-25
発明の名称
オペアンプ
出願人
ローム株式会社
代理人
個人
,
個人
主分類
H03F
1/52 20060101AFI20250730BHJP(基本電子回路)
要約
【課題】高電圧アプリケーションで使用可能なオペアンプを提供する。
【解決手段】第1高耐圧トランジスタMhv1は、ソースが第1トランジスタM1のドレインと接続され、ゲートに第1バイアス電圧Vbn2が印加される。第2高耐圧トランジスタMhv2は、ソースが第2トランジスタM2のドレインと接続され、ゲートに第1バイアス電圧Vbn2が印加される。アシスト回路240は、第1トランジスタM1のドレインと接続され、イネーブル状態において電流Ia1を出力する第1電流源CS1と、第2トランジスタM2のドレインと接続され、イネーブル状態において電流Ia2を出力する第2電流源CS2と、を含む。アシスト回路240は、第1入力端子IN1に生ずる入力電圧VIN1が所定の電圧範囲に入ると、第1電流源CS1および第2電流源CS2をイネーブル状態とする。
【選択図】図4
特許請求の範囲
【請求項1】
入力段および出力段を有するオペアンプであって、
前記入力段は、
第1入力端子と、
第2入力端子と、
ゲートが前記第1入力端子と接続された第1極性の第1トランジスタと、ゲートが前記第2入力端子と接続された第1極性の第2トランジスタと、を含む入力差動対と、
ドレインが前記入力差動対と接続された第1極性の第3トランジスタを含むテイル電流源と、
ソースが前記第1トランジスタのドレインと接続され、ゲートに第1バイアス電圧が印加された前記第1極性の第1高耐圧トランジスタと、
ソースが前記第2トランジスタのドレインと接続され、ゲートに前記第1バイアス電圧が印加された前記第1極性の第2高耐圧トランジスタと、
前記第1高耐圧トランジスタのドレインおよび前記第2高耐圧トランジスタのドレインと接続された能動負荷と、
前記第1トランジスタの前記ドレインと接続され、イネーブル状態において電流を出力する第1電流源と、前記第2トランジスタの前記ドレインと接続され、イネーブル状態において電流を出力する第2電流源と、を含み、前記第1入力端子および前記第2入力端子の一方に生ずる入力電圧が所定の電圧範囲に入ると、前記第1電流源および前記第2電流源を前記イネーブル状態とするアシスト回路と、
を備える、オペアンプ。
続きを表示(約 1,800 文字)
【請求項2】
前記アシスト回路は、
第3電流源と、
ソースが前記第3電流源と接続され、ゲートに第2バイアス電圧が印加された第2極性の第3高耐圧トランジスタと、
入力ノードが前記第3高耐圧トランジスタのドレインと接続され、第1出力ノードが前記第1トランジスタの前記ドレインと接続され、第2出力ノードが前記第2トランジスタの前記ドレインと接続された第1カレントミラー回路と、
前記第1カレントミラー回路の前記入力ノードと接続され、前記入力電圧が前記所定の電圧範囲外であるときに、前記第1カレントミラー回路の入力電流が小さくなるように、前記入力電圧が前記所定の電圧範囲内であるときに、前記第1カレントミラー回路の入力電流が大きくなるように、制御電流を生成する電圧検出回路と、
を含み、前記第1カレントミラー回路が前記第1電流源および前記第2電流源として機能する、請求項1に記載のオペアンプ。
【請求項3】
前記電圧検出回路は、
第4電流源と、
ソースが前記第4電流源と接続され、ゲートに前記第2バイアス電圧が印加された第2極性の第4高耐圧トランジスタと、
ドレインが前記第4高耐圧トランジスタのドレインと接続され、ゲートが前記第1入力端子および前記第2入力端子の前記一方と接続された、前記第1極性の第5高耐圧トランジスタと、
入力ノードが前記第5高耐圧トランジスタのソースと接続され、出力ノードが前記第1カレントミラー回路の前記入力ノードと接続された第2カレントミラー回路と、
を含み、前記第2カレントミラー回路の出力電流が前記制御電流である、請求項2に記載のオペアンプ。
【請求項4】
前記電圧検出回路は、
ドレインが前記第4高耐圧トランジスタのドレインと接続され、ゲートが前記第2入力端子と接続され、ソースが前記第2カレントミラー回路の前記入力ノードと接続された、前記第1極性の第6高耐圧トランジスタをさらに含む、請求項3に記載のオペアンプ。
【請求項5】
前記電圧検出回路は、
第4電流源と、
ソースが前記第4電流源と接続され、ゲートに前記第2バイアス電圧が印加された第2極性の第4高耐圧トランジスタと、
ドレインが前記第4高耐圧トランジスタのドレインと接続され、ゲートに第3バイアス電圧が印加された前記第1極性の第7高耐圧トランジスタと、
ドレインが前記第7高耐圧トランジスタのドレインと接続され、ゲートが前記第1入力端子および前記第2入力端子の前記一方と接続された、前記第1極性の第4トランジスタと、
入力ノードが前記第4トランジスタのソースと接続され、出力ノードが前記第1カレントミラー回路の前記入力ノードと接続された第2カレントミラー回路と、
を含み、前記第2カレントミラー回路の出力電流が前記制御電流である、請求項2に記載のオペアンプ。
【請求項6】
前記電圧検出回路は、
ドレインが前記第4高耐圧トランジスタのドレインと接続され、ゲートが前記第1入力端子および前記第2入力端子の他方と接続され、ソースが前記第2カレントミラー回路の前記入力ノードと接続された、前記第1極性の第5トランジスタをさらに含む、請求項5に記載のオペアンプ。
【請求項7】
前記電圧検出回路は、前記第1入力端子および前記第2入力端子の一方の電圧をしきい値電圧と比較する電圧コンパレータを含む、請求項2に記載のオペアンプ。
【請求項8】
前記第1バイアス電圧を生成するバイアス回路をさらに備え、
前記バイアス回路は、
第5電流源と、
ソースが前記第5電流源と接続され、ゲートに第2バイアス電圧が印加された第2極性の第8高耐圧トランジスタと、
前記第8高耐圧トランジスタのドレインと接続された、直列に接続された複数の定電圧素子を含む定電圧源と、
を含み、前記複数の定電圧素子の電圧降下が前記第1バイアス電圧である、請求項1から7のいずれかに記載のオペアンプ。
【請求項9】
ひとつの半導体基板に一体集積化される、請求項1から7のいずれかに記載のオペアンプ。
発明の詳細な説明
【技術分野】
【0001】
本開示は、オペアンプに関する。
続きを表示(約 2,300 文字)
【背景技術】
【0002】
2つの入力電圧の差を増幅するために、オペアンプ(差動増幅器)が利用される。
【先行技術文献】
【特許文献】
【0003】
特開2019-96970号公報
【0004】
[概要]
本開示は係る状況においてなされたものであり、そのある態様の例示的な目的のひとつは、高電圧アプリケーションで使用可能なオペアンプの提供にある。
【0005】
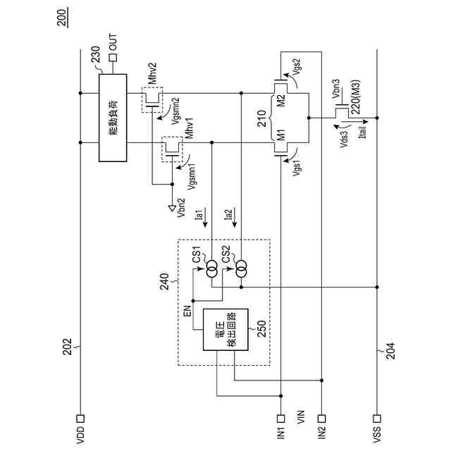
本開示のある態様のオペアンプに関する。オペアンプは、入力段および出力段を有する。入力段は、第1入力端子と、第2入力端子と、ゲートが第1入力端子と接続された第1極性の第1トランジスタと、ゲートが第2入力端子と接続された第1極性の第2トランジスタと、を含む入力差動対と、ドレインが入力差動対と接続された第1極性の第3トランジスタを含むテイル電流源と、ソースが第1トランジスタのドレインと接続され、ゲートに第1バイアス電圧が印加された第1極性の第1高耐圧トランジスタと、ソースが第2トランジスタのドレインと接続され、ゲートに第1バイアス電圧が印加された第1極性の第2高耐圧トランジスタと、第1高耐圧トランジスタのドレインおよび第2高耐圧トランジスタのドレインと接続された能動負荷と、第1トランジスタのドレインと接続され、イネーブル状態において電流を出力する第1電流源と、第2トランジスタのドレインと接続され、イネーブル状態において電流を出力する第2電流源と、を含み、第1入力端子および第2入力端子の一方に生ずる入力電圧が所定の電圧範囲に入ると、第1電流源および第2電流源をイネーブル状態とするアシスト回路と、を備える。
【0006】
なお、以上の構成要素を任意に組み合わせたもの、構成要素や表現を、方法、装置、システムなどの間で相互に置換したものもまた、本発明あるいは本開示の態様として有効である。さらに、この項目(課題を解決するための手段)の記載は、本発明の欠くべからざるすべての特徴を説明するものではなく、したがって、記載されるこれらの特徴のサブコンビネーションも、本発明たり得る。
【図面の簡単な説明】
【0007】
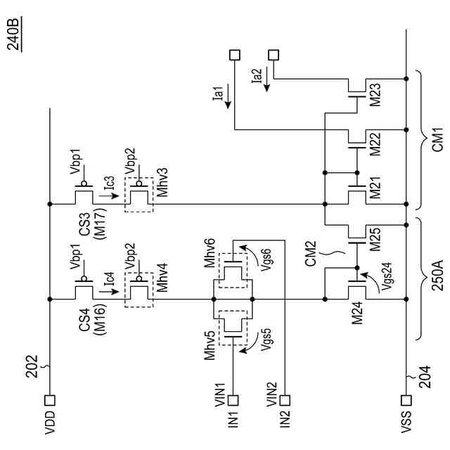
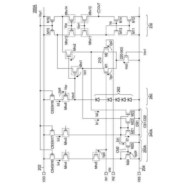
図1は、オペアンプの回路図である。
図2は、比較技術に係る入力段の回路図である。
図3は、図2の入力段における、入力電圧VINと第1トランジスタM1のドレイン電圧Vd1との関係を示す図である。
図4は、実施形態に係る入力段の回路図である。
図5は、実施例1に係る入力段の回路図である。
図6は、図5(実施例1)の入力段における、入力電圧VINと第1トランジスタM1のドレイン電圧Vd1との関係を示す図である。
図7は、図5(実施例1)の入力段における、いくつかの電流(Ia1,Ia2,Ic3,Ictrl,Itail)と入力電圧VINの関係を示す図である。
図8は、実施例2に係るアシスト回の回路図である。
図9は、実施例3に係るアシスト回の回路図である。
図10は、実施例4に係るアシスト回の回路図である。
図11は、実施例5に係る入力段の回路図である。
【0008】
[詳細な説明]
(実施形態の概要)
本開示のいくつかの例示的な実施形態の概要を説明する。この概要は、後述する詳細な説明の前置きとして、実施形態の基本的な理解を目的として、1つまたは複数の実施形態のいくつかの概念を簡略化して説明するものであり、発明あるいは開示の広さを限定するものではない。この概要は、考えられるすべての実施形態の包括的な概要ではなく、すべての実施形態の重要な要素を特定することも、一部またはすべての態様の範囲を線引きすることも意図していない。便宜上、「一実施形態」は、本明細書に開示するひとつの実施形態(実施例や変形例)または複数の実施形態(実施例や変形例)を指すものとして用いる場合がある。
【0009】
一実施形態に係るオペアンプは、入力段および出力段を有する。入力段は、第1入力端子と、第2入力端子と、ゲートが第1入力端子と接続された第1極性の第1トランジスタと、ゲートが第2入力端子と接続された第1極性の第2トランジスタと、を含む入力差動対と、ドレインが入力差動対と接続された第1極性の第3トランジスタを含むテイル電流源と、ソースが第1トランジスタのドレインと接続され、ゲートに第1バイアス電圧が印加された第1極性の第1高耐圧トランジスタと、ソースが第2トランジスタのドレインと接続され、ゲートに第1バイアス電圧が印加された第1極性の第2高耐圧トランジスタと、第1高耐圧トランジスタのドレインおよび第2高耐圧トランジスタのドレインと接続された能動負荷と、第1トランジスタのドレインと接続され、イネーブル状態において電流を出力する第1電流源と、第2トランジスタのドレインと接続され、イネーブル状態において電流を出力する第2電流源と、を含み、第1入力端子および第2入力端子の一方に生ずる入力電圧が所定の電圧範囲に入ると、第1電流源および第2電流源をイネーブル状態とするアシスト回路と、を備える。
【0010】
この態様によると、入力差動対が遮断状態となると、アシスト回路にアシスト電流が流れ、第1高耐圧トランジスタ、第2高耐圧トランジスタを飽和領域に保つことができる。これにより、入力差動対やテイル電流源に高電圧が印加されるのを防止できる。
(【0011】以降は省略されています)
この特許をJ-PlatPat(特許庁公式サイト)で参照する
関連特許
ローム株式会社
RAM
3日前
ローム株式会社
RAM
3日前
ローム株式会社
電源装置
3日前
ローム株式会社
発振回路
3日前
ローム株式会社
駆動回路
5日前
ローム株式会社
半導体装置
10日前
ローム株式会社
半導体装置
5日前
ローム株式会社
半導体装置
3日前
ローム株式会社
半導体装置
5日前
ローム株式会社
暗号化装置
4日前
ローム株式会社
半導体装置
5日前
ローム株式会社
半導体装置
6日前
ローム株式会社
半導体装置
4日前
ローム株式会社
テスト回路
4日前
ローム株式会社
半導体装置
4日前
ローム株式会社
半導体装置
4日前
ローム株式会社
半導体装置
3日前
ローム株式会社
半導体装置
3日前
ローム株式会社
半導体装置
4日前
ローム株式会社
メモリ装置
10日前
ローム株式会社
半導体装置
10日前
ローム株式会社
半導体装置
3日前
ローム株式会社
半導体装置
10日前
ローム株式会社
半導体装置
10日前
ローム株式会社
半導体装置
10日前
ローム株式会社
半導体装置
3日前
ローム株式会社
無線通信回路
5日前
ローム株式会社
無線通信装置
4日前
ローム株式会社
時間測定回路
5日前
ローム株式会社
静電気保護素子
3日前
ローム株式会社
異常検知システム
3日前
ローム株式会社
フォトダイオード
5日前
ローム株式会社
不揮発性メモリ装置
10日前
ローム株式会社
不揮発性メモリ装置
10日前
ローム株式会社
判定回路、半導体装置
10日前
ローム株式会社
検証装置及び検証方法
3日前
続きを見る
他の特許を見る