TOP
|
特許
|
意匠
|
商標
特許ウォッチ
Twitter
他の特許を見る
10個以上の画像は省略されています。
公開番号
2025134408
公報種別
公開特許公報(A)
公開日
2025-09-17
出願番号
2024032292
出願日
2024-03-04
発明の名称
信号処理回路および制御装置
出願人
株式会社デンソーテン
代理人
弁理士法人酒井国際特許事務所
主分類
F02D
45/00 20060101AFI20250909BHJP(燃焼機関;熱ガスまたは燃焼生成物を利用する機関設備)
要約
【課題】マイコンへの出力にチャタリングが発生することを抑制できる信号処理回路および制御装置を提供する。
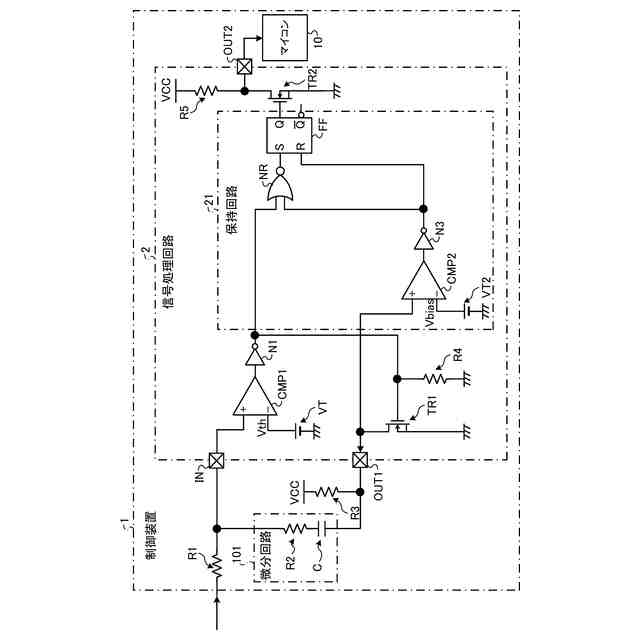
【解決手段】実施形態の一態様に係る信号処理回路は、比較器と、第1経路と、第2経路と、保持回路とを備える。比較器は、センサから入力される正弦波状の検出信号を矩形波に整形する。第1経路は、比較器の出力信号をマイコンに出力する。第2経路は、第1経路から分岐し、比較器の出力信号を微分して比較器の入力側に帰還する。保持回路は、第1経路に設けられ、比較器の出力信号の状態が反転した場合に、第2経路の信号の状態が反転するまで比較器の出力信号の状態を保持し、第2経路の信号の状態が反転すると、保持していた状態の出力信号を出力する。
【選択図】図7
特許請求の範囲
【請求項1】
センサから入力される正弦波状の検出信号を矩形波に整形する比較器と、
前記比較器の出力信号をマイコンに出力する第1経路と、
前記第1経路から分岐し、前記比較器の出力信号を微分して前記比較器の入力側に帰還する第2経路と、
前記第1経路に設けられ、前記比較器の出力信号の状態が反転した場合に、前記第2経路の信号の状態が反転するまで前記比較器の出力信号の状態を保持し、前記第2経路の信号の状態が反転すると、保持していた前記状態の前記出力信号を出力する保持回路と
を備える信号処理回路。
続きを表示(約 620 文字)
【請求項2】
前記比較器の出力信号を反転させて出力する第1NOT回路と、
前記第2経路における微分された信号を矩形波に整形する比較器の出力信号を反転させて出力する第2NOT回路と、
一方の入力端子に前記第1NOT回路の出力信号が入力され、他方の入力端子に前記第2NOT回路の出力信号が入力されるNOR回路と、
セット端子に前記NOR回路の出力信号が入力され、リセット端子に前記第2NOT回路の出力信号が入力され、出力端子から前記出力信号を出力するフリップフロップ回路と
を備える請求項1に記載の信号処理回路。
【請求項3】
センサから入力される制御対象の状態に応じた正弦波状の検出信号を矩形波に整形する比較器と、
前記比較器の出力信号を外部に出力する第1経路と、
前記第1経路から分岐し、前記比較器の出力信号を微分して前記比較器の入力側に帰還する第2経路と、
前記第1経路に設けられ、前記比較器の出力信号の状態が反転した場合に、前記第2経路の信号の状態が反転するまで前記比較器の出力信号の状態を保持し、前記第2経路の信号の状態が反転すると、保持していた前記状態の前記出力信号を出力する保持回路と
を備える信号処理回路と、
前記保持回路から出力される前記出力信号に基づいて前記制御対象の状態を検出するマイコンと
を有する制御装置。
発明の詳細な説明
【技術分野】
【0001】
開示の実施形態は、信号処理回路および制御装置に関する。
続きを表示(約 1,700 文字)
【背景技術】
【0002】
エンジンの回転状態などの検出には、被測定物の状態を検出するMPU(Magnetic Pick Up)センサのように正弦波状に出力が変化するセンサが用いられる。かかるセンサの出力からマイコンによって被測定物の状態を検出させるためには、センサの出力をコンパレータによって矩形波に整形してマイコンに入力する必要がある。
【0003】
その際、チャタリングを防止するため、コンパレータからマイコンへの出力とは別経路で、コンパレータの出力を微分し、コンパレータの入力側に正帰還することによって、センサの出力にヒステリシスを付与することが行われている(例えば、特許文献1参照)。
【先行技術文献】
【特許文献】
【0004】
特開2010-154094号公報
【発明の概要】
【発明が解決しようとする課題】
【0005】
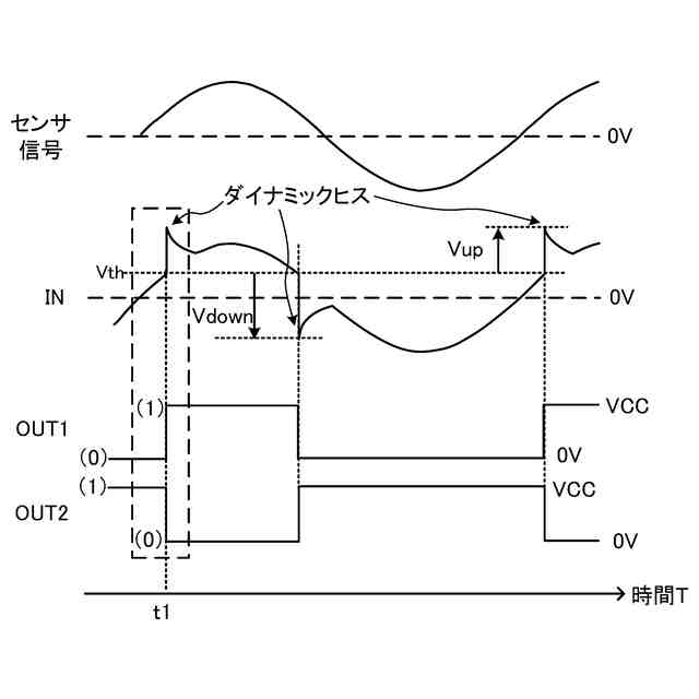
しかしながら、コンパレータの出力が反転する応答を示したとき、マイコンへの出力応答とヒステリシス用の出力応答にずれが生じる場合がある。これは、コンパレータからマイコンへの出力経路とコンパレータからヒステリシス設定用の出力経路とにそれぞれ存在する部品の応答速度や個体差等により生じる。
【0006】
マイコンへの出力応答がヒステリシス用の出力応答より早い場合、コンパレータの入力にノイズが重畳すると、ヒステリシスが付与される前にマイコンへの出力にチャタリングが発生してしまう。
【0007】
実施形態の一態様は、上記に鑑みてなされたものであって、マイコンへの出力にチャタリングが発生することを抑制できる信号処理回路および制御装置を提供することを目的とする。
【課題を解決するための手段】
【0008】
実施形態の一態様に係る信号処理回路は、比較器と、第1経路と、第2経路と、保持回路とを備える。前記比較器は、センサから入力される正弦波状の検出信号を矩形波に整形する。前記第1経路は、前記比較器の出力信号をマイコンに出力する。前記第2経路は、前記第1経路から分岐し、前記比較器の出力信号を微分して前記比較器の入力側に帰還する。前記保持回路は、前記第1経路に設けられ、前記比較器の出力信号の状態が反転した場合に、前記第2経路の信号の状態が反転するまで前記比較器の出力信号の状態を保持し、前記第2経路の信号の状態が反転すると、保持していた前記状態の前記出力信号を出力する。
【発明の効果】
【0009】
実施形態の一態様に係る信号処理回路および制御装置は、ヒステリシス用の出力状態が反転してヒステリシスが発生するまでは、保持回路によってマイコンへの出力状態が保持されるため、マイコンへの出力にチャタリングが発生することを抑制できる。
【図面の簡単な説明】
【0010】
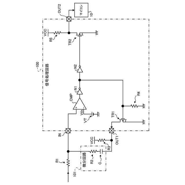
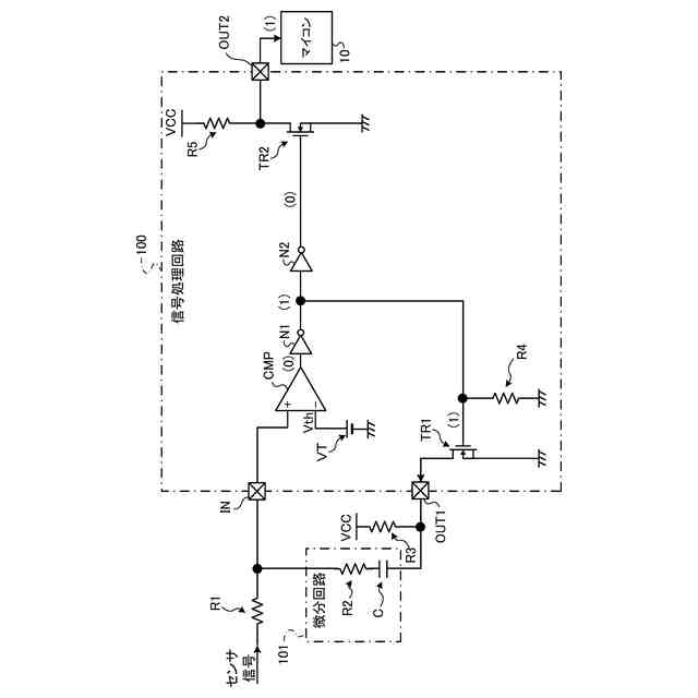
図1は、対比例に係る信号処理回路を示す回路図である。
図2は、対比例に係る信号処理回路の動作説明図である。
図3は、対比例に係る信号処理回路の動作説明図である。
図4は、対比例に係る信号処理回路のセンサ信号、入力端子、第1出力端子、および第2出力端子の電圧の推移を示す説明図である。
図5は、対比例に係る信号処理回路のセンサ信号、入力端子、第1出力端子、および第2出力端子の電圧の推移を示す説明図である。
図6は、対比例に係る信号処理回路のセンサ信号、入力端子、第1出力端子、および第2出力端子の電圧の推移を示す説明図である。
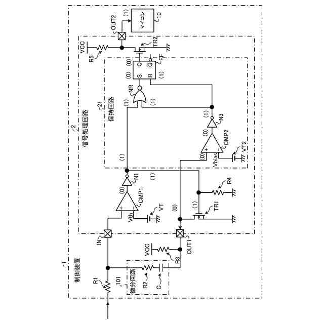
図7は、実施形態に係る制御装置を示す回路図である。
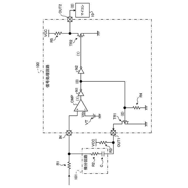
図8は、実施形態に係る信号処理回路の動作説明図である。
図9は、実施形態に係る信号処理回路の動作説明図である。
図10は、実施形態に係る信号処理回路のセンサ信号、入力端子、第1出力端子、および第2出力端子の電圧の推移を示す説明図である。
【発明を実施するための形態】
(【0011】以降は省略されています)
この特許をJ-PlatPat(特許庁公式サイト)で参照する
関連特許
株式会社デンソーテン
車載映像装置
4日前
株式会社デンソーテン
電源制御装置および電源制御システム
今日
株式会社デンソーテン
画像処理装置、画像処理プログラムおよび車両
8日前
株式会社デンソーテン
ディスプレイ、表示方法、表示システムおよびプログラム
4日前
株式会社デンソーテン
運転評価システム、情報処理装置および運転評価プログラム
5日前
株式会社デンソーテン
運転評価システム、情報処理装置および運転評価プログラム
5日前
株式会社デンソーテン
車載機器、表示制御方法、車載システム及び表示制御プログラム
4日前
株式会社デンソーテン
運行管理方法、運行管理システム、車載装置、運行管理装置及び運行管理プログラム
今日
株式会社デンソーテン
シェアモビリティの利用料算出方法、利用料算出装置、利用料算出プログラム、シェアモビリティ管理装置、及びシェアモビリティシステム
4日前
トヨタ自動車株式会社
車両
29日前
ダイハツ工業株式会社
車両
27日前
トヨタ自動車株式会社
車両
1か月前
トヨタ自動車株式会社
車両
1か月前
ダイハツ工業株式会社
制御装置
26日前
スズキ株式会社
車両の制御装置
20日前
ダイハツ工業株式会社
制御装置
26日前
ダイハツ工業株式会社
制御装置
26日前
スズキ株式会社
内燃機関の制御装置
29日前
個人
疑似可変サイクルジェットエンジン機構
1か月前
トヨタ自動車株式会社
車両の制御装置
18日前
トヨタ自動車株式会社
内燃機関
18日前
株式会社SUBARU
エンジン制御装置
20日前
株式会社SUBARU
エンジン制御装置
26日前
トヨタ自動車株式会社
エンジンの制御装置
1か月前
個人
流体式推力方向制御装置
8日前
株式会社IHI原動機
脈動減衰装置
18日前
トヨタ自動車株式会社
内燃機関の制御装置
29日前
朝日電装株式会社
スロットルグリップ装置
8日前
トヨタ自動車株式会社
閾値の設定装置
8日前
トヨタ自動車株式会社
車両の制御装置
1か月前
トヨタ自動車株式会社
エンジン制御装置
4日前
本田技研工業株式会社
内燃機関の制御装置
18日前
株式会社デンソートリム
エンジン制御装置
4日前
株式会社豊田自動織機
車両
28日前
トヨタ自動車株式会社
内燃機関の制御装置
29日前
日産自動車株式会社
内燃機関
4日前
続きを見る
他の特許を見る