TOP
|
特許
|
意匠
|
商標
特許ウォッチ
Twitter
他の特許を見る
公開番号
2025139850
公報種別
公開特許公報(A)
公開日
2025-09-29
出願番号
2024038907
出願日
2024-03-13
発明の名称
超音波発生装置
出願人
日本特殊陶業株式会社
代理人
弁理士法人グランダム特許事務所
主分類
H04R
1/40 20060101AFI20250919BHJP(電気通信技術)
要約
【課題】焦点での音圧の低下を抑制しつつ、超音波振動子の温度上昇を抑えることが可能な技術を提供する。
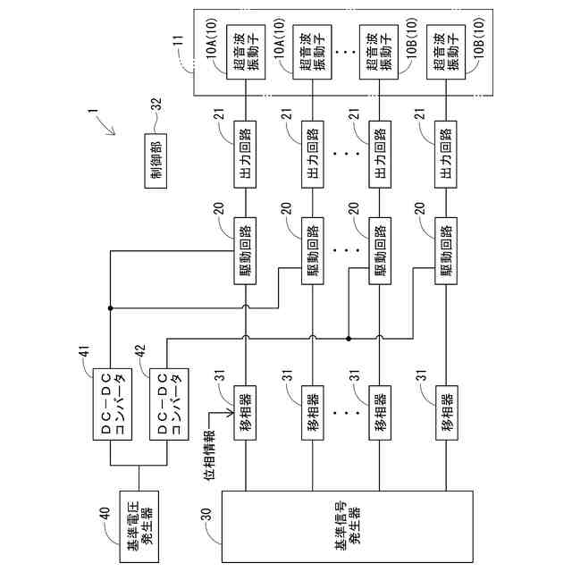
【解決手段】超音波発生装置1は、複数の超音波振動子10と、複数の超音波振動子10に電力を供給する電力供給部(基準電圧発生器40、DC-DCコンバータ41,42、制御部32、駆動回路20、出力回路21)と、を備える。複数の超音波振動子10は、第1超音波振動子10Aと、第1超音波振動子10Aよりも他の超音波振動子10の発熱の影響を受けやすい位置に配置される第2超音波振動子10Bと、を含む。上記電力供給部は、第1超音波振動子10Aに第1電力を供給し、第2超音波振動子10Bに第1電力よりも小さい第2電力を供給する。
【選択図】図1
特許請求の範囲
【請求項1】
複数の超音波振動子と、
前記複数の超音波振動子に電力を供給する電力供給部と、を備える超音波発生装置であって、
前記複数の超音波振動子は、
第1超音波振動子と、
前記第1超音波振動子よりも他の前記超音波振動子の発熱の影響を受けやすい位置に配置される第2超音波振動子と、を含み、
前記電力供給部は、前記第1超音波振動子に第1電力を供給し、前記第2超音波振動子に前記第1電力よりも小さい第2電力を供給する
超音波発生装置。
続きを表示(約 430 文字)
【請求項2】
前記第2超音波振動子を中心とした所定領域内に配置される前記超音波振動子の数は、前記第1超音波振動子を中心とした前記所定領域内に配置される前記超音波振動子の数よりも多い
請求項1に記載の超音波発生装置。
【請求項3】
前記複数の超音波振動子は、X方向及びX方向に直交するY方向に並んで配置され、
前記所定領域は、X方向に所定数の前記超音波振動子が並び、且つY方向に前記所定数の前記超音波振動子が並ぶ範囲に相当する領域である
請求項2に記載の超音波発生装置。
【請求項4】
前記所定領域は、所定半径の円又は所定半径の球の領域である
請求項2に記載の超音波発生装置。
【請求項5】
前記電力供給部は、前記第1超音波振動子に印加する駆動電圧を調整することによって、前記超音波振動子に供給される電力を調整する
請求項1から請求項4のいずれか一項に記載の超音波発生装置。
発明の詳細な説明
【技術分野】
【0001】
本開示は、超音波発生装置に関する。
続きを表示(約 1,400 文字)
【背景技術】
【0002】
特許文献1には、超音波カテーテルが開示されている。この超音波カテーテルは、超音波振動ユニットを備える。超音波振動ユニットは、複数の超音波振動素子を有した静電容量型超音波トランスデューサアレイを含んでいる。
【先行技術文献】
【特許文献】
【0003】
特開2021-090892号公報
【発明の概要】
【発明が解決しようとする課題】
【0004】
特許文献1のような超音波トランスデューサアレイでは、各々の超音波振動素子が自身の振動によって発熱する。超音波振動素子の発熱は、周囲の他の超音波振動素子にも影響を与える。このため、内側に配置される超音波振動素子は、外側に配置される超音波振動素子よりも高温になりやすい。超音波振動素子の温度が上昇すると、共振周波数が変化し、超音波の発生に悪影響を及ぼすおそれがある。
【0005】
本開示は、焦点での音圧の低下を抑制しつつ、超音波振動子の温度上昇を抑えることが可能な技術の提供を目的とする。
【課題を解決するための手段】
【0006】
本開示の超音波発生装置は、
複数の超音波振動子と、
前記複数の超音波振動子に電力を供給する電力供給部と、を備える超音波発生装置であって、
前記複数の超音波振動子は、
第1超音波振動子と、
前記第1超音波振動子よりも他の前記超音波振動子の発熱の影響を受けやすい位置に配置される第2超音波振動子と、を含み、
前記電力供給部は、前記第1超音波振動子に第1電力を供給し、前記第2超音波振動子に前記第1電力よりも小さい第2電力を供給する。
【発明の効果】
【0007】
本開示によれば、焦点での音圧の低下を抑制しつつ、超音波振動子の温度上昇を抑えることができる。
【図面の簡単な説明】
【0008】
図1は、第1実施形態の超音波発生装置を概略的に示す構成図である。
図2は、複数の超音波振動子から放射される超音波によって形成される焦点を概念的に示す説明図である。
図3は、第1実施形態における所定範囲を説明するための説明図である。
図4は、第1実施形態における第1超音波振動子と第2超音波振動子の配置を示す説明図である。
図5は、超音波振動子の特性を示すグラフである。
図6は、第2実施形態における所定範囲を説明するための説明図である。
図7は、第2実施形態における第1超音波振動子と第2超音波振動子の配置を示す説明図である。
【発明を実施するための形態】
【0009】
[本開示の実施形態の説明]
以下では、本開示の実施形態が列記されて例示される。
【0010】
〔1〕複数の超音波振動子と、
前記複数の超音波振動子に電力を供給する電力供給部と、を備える超音波発生装置であって、
前記複数の超音波振動子は、
第1超音波振動子と、
前記第1超音波振動子よりも他の前記超音波振動子の発熱の影響を受けやすい位置に配置される第2超音波振動子と、を含み、
前記電力供給部は、前記第1超音波振動子に第1電力を供給し、前記第2超音波振動子に前記第1電力よりも小さい第2電力を供給する
超音波発生装置。
(【0011】以降は省略されています)
この特許をJ-PlatPat(特許庁公式サイト)で参照する
関連特許
WHISMR合同会社
収音装置
29日前
サクサ株式会社
中継装置
1日前
サクサ株式会社
中継装置
2日前
キヤノン株式会社
撮像装置
1か月前
アイホン株式会社
電気機器
23日前
サクサ株式会社
無線通信装置
1日前
個人
ワイヤレスイヤホン対応耳掛け
21日前
株式会社リコー
画像形成装置
1か月前
サクサ株式会社
無線通信装置
1日前
キヤノン電子株式会社
画像読取装置
1か月前
株式会社リコー
画像形成装置
1か月前
キヤノン株式会社
撮像システム
23日前
国立大学法人電気通信大学
小型光学装置
1か月前
沖電気工業株式会社
画像形成装置
3日前
株式会社小糸製作所
画像照射装置
1か月前
パテントフレア株式会社
超高速電波通信
1か月前
沖電気工業株式会社
画像形成装置
11日前
株式会社JVCケンウッド
通信システム
7日前
有限会社フィデリックス
マイクロフォン
7日前
大日本印刷株式会社
写真撮影装置
22日前
株式会社松平商会
携帯機器カバー
1か月前
日本無線株式会社
無線通信システム
15日前
株式会社大林組
監視システム
1か月前
株式会社リコー
画像形成装置
1か月前
日本無線株式会社
無線通信システム
1か月前
個人
回動アームを構築する関節モジュール
3日前
日本無線株式会社
無線通信システム
1か月前
株式会社国際電気
遠隔監視システム
1か月前
日本無線株式会社
無線通信システム
1か月前
日本無線株式会社
無線通信システム
1か月前
株式会社JVCケンウッド
スピーカ
1か月前
ダイハツ工業株式会社
人流取得装置
1日前
トヨタ自動車株式会社
通信装置
1か月前
日本放送協会
広視野角撮像装置
11日前
株式会社村田製作所
高周波回路
1日前
日本信号株式会社
可視光通信システム
11日前
続きを見る
他の特許を見る