TOP
|
特許
|
意匠
|
商標
特許ウォッチ
Twitter
他の特許を見る
公開番号
2025141093
公報種別
公開特許公報(A)
公開日
2025-09-29
出願番号
2024040855
出願日
2024-03-15
発明の名称
評価システム、及び評価プログラム
出願人
株式会社竹中工務店
代理人
個人
主分類
G06Q
50/08 20120101AFI20250919BHJP(計算;計数)
要約
【課題】評価対象空間を適切に評価することが可能となる評価システム、及び評価プログラムを提供する事を目的とする。
【解決手段】評価対象空間が写っている撮像画像を取得する取得手段と、
取得手段が取得した撮像画像と、評価用学習済モデルとに基づいて、撮像画像に写っている評価対象空間に関して、所定の評価基準に関する評価処理を行う評価手段と、を備え、評価手段は、少なくとも、評価対象空間が所定の評価基準を満たしていると判断することに関する第1評価と、評価対象空間が所定の評価基準を満たしていないと判断することに関する第2評価と、所定の評価基準に関する判断を行うための情報が不足していることに関する第3評価と、評価対象空間が所定の評価基準の判断対象ではないことに関する第4評価と、に関する処理を、評価処理として行う。
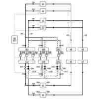
【選択図】図1
特許請求の範囲
【請求項1】
評価対象空間が写っている評価対象空間画像を取得する取得手段と、
前記取得手段が取得した前記評価対象空間画像と、第1学習済モデルとに基づいて、前記評価対象空間画像に写っている前記評価対象空間に関して、所定の評価基準に関する評価処理を行う評価手段と、を備え、
前記評価手段は、少なくとも、
前記評価対象空間が前記所定の評価基準を満たしていると判断することに関する第1評価と、
前記評価対象空間が前記所定の評価基準を満たしていないと判断することに関する第2評価と、
前記所定の評価基準に関する判断を行うための情報が不足していることに関する第3評価と、
前記評価対象空間が前記所定の評価基準の判断対象ではないことに関する第4評価と、に関する処理を、前記評価処理として行う、
評価システム。
続きを表示(約 790 文字)
【請求項2】
前記評価手段は、
前記第1評価乃至前記第4評価各々の信頼度を特定する処理を、前記評価処理として行う、
請求項1に記載の評価システム。
【請求項3】
前記取得手段は、前記評価対象空間に関する評価対象空間関連情報、を更に取得し、
前記評価手段は、前記第1学習済モデルと、前記取得手段が取得した前記評価対象空間関連情報と、前記評価対象空間画像とに基づいて、前記評価処理を行う、
請求項1に記載の評価システム。
【請求項4】
前記評価手段による前記評価処理の結果と、第2学習済モデルとに基づいて、前記評価対象空間画像に写っている前記評価対象空間に関する情報を出力する出力手段、を更に備え、
前記第2学習済モデルは前記第1学習済モデルとは異なるモデルである、
請求項1に記載の評価システム。
【請求項5】
コンピュータを、
評価対象空間が写っている評価対象空間画像を取得する取得手段と、
前記取得手段が取得した前記評価対象空間画像と、第1学習済モデルとに基づいて、前記評価対象空間画像に写っている前記評価対象空間に関して、所定の評価基準に関する評価処理を行う評価手段と、として機能させ、
前記評価手段は、少なくとも、
前記評価対象空間が前記所定の評価基準を満たしていると判断することに関する第1評価と、
前記評価対象空間が前記所定の評価基準を満たしていないと判断することに関する第2評価と、
前記所定の評価基準に関する判断を行うための情報が不足していることに関する第3評価と、
前記評価対象空間が前記所定の評価基準の判断対象ではないことに関する第4評価と、に関する処理を、前記評価処理として行う、
評価プログラム。
発明の詳細な説明
【技術分野】
【0001】
本発明は、評価システム、及び評価プログラムに関する。
続きを表示(約 1,500 文字)
【背景技術】
【0002】
従来、撮影画像に基づいて安全性に関する判定を行う技術が知られていた(例えば、特許文献1参照)。
【先行技術文献】
【特許文献】
【0003】
特開2020-95391号公報
【発明の概要】
【発明が解決しようとする課題】
【0004】
ところで、評価対象となる空間を適切に評価する技術が要望されていた。
【0005】
本発明は上記事実に鑑みなされたもので、評価対象空間を適切に評価することが可能となる評価システム、及び評価プログラムを提供する事を目的とする。
【課題を解決するための手段】
【0006】
上述した課題を解決し、目的を達成するために、請求項1に記載の評価システムは、評価対象空間が写っている評価対象空間画像を取得する取得手段と、前記取得手段が取得した前記評価対象空間画像と、第1学習済モデルとに基づいて、前記評価対象空間画像に写っている前記評価対象空間に関して、所定の評価基準に関する評価処理を行う評価手段と、を備え、前記評価手段は、少なくとも、前記評価対象空間が前記所定の評価基準を満たしていると判断することに関する第1評価と、前記評価対象空間が前記所定の評価基準を満たしていないと判断することに関する第2評価と、前記所定の評価基準に関する判断を行うための情報が不足していることに関する第3評価と、前記評価対象空間が前記所定の評価基準の判断対象ではないことに関する第4評価と、に関する処理を、前記評価処理として行う。
【0007】
請求項2に記載の評価システムは、請求項1に記載の評価システムにおいて、前記評価手段は、前記第1評価乃至前記第4評価各々の信頼度を特定する処理を、前記評価処理として行う。
【0008】
請求項3に記載の評価システムは、請求項1に記載の評価システムにおいて、前記取得手段は、前記評価対象空間に関する評価対象空間関連情報、を更に取得し、前記評価手段は、前記第1学習済モデルと、前記取得手段が取得した前記評価対象空間関連情報と、前記評価対象空間画像とに基づいて、前記評価処理を行う。
【0009】
請求項4に記載の評価システムは、請求項1に記載の評価システムにおいて、前記評価手段による前記評価処理の結果と、第2学習済モデルとに基づいて、前記評価対象空間画像に写っている前記評価対象空間に関する情報を出力する出力手段、を更に備え、前記第2学習済モデルは前記第1学習済モデルとは異なるモデルである。
【0010】
請求項5に記載の評価プログラムは、コンピュータを、評価対象空間が写っている評価対象空間画像を取得する取得手段と、前記取得手段が取得した前記評価対象空間画像と、第1学習済モデルとに基づいて、前記評価対象空間画像に写っている前記評価対象空間に関して、所定の評価基準に関する評価処理を行う評価手段と、として機能させ、前記評価手段は、少なくとも、前記評価対象空間が前記所定の評価基準を満たしていると判断することに関する第1評価と、前記評価対象空間が前記所定の評価基準を満たしていないと判断することに関する第2評価と、前記所定の評価基準に関する判断を行うための情報が不足していることに関する第3評価と、前記評価対象空間が前記所定の評価基準の判断対象ではないことに関する第4評価と、に関する処理を、前記評価処理として行う。
【発明の効果】
(【0011】以降は省略されています)
この特許をJ-PlatPat(特許庁公式サイト)で参照する
関連特許
株式会社竹中工務店
立体架構
今日
株式会社竹中工務店
吸音構造
1日前
株式会社竹中工務店
補助セット
1日前
株式会社竹中工務店
管理システム
14日前
株式会社竹中工務店
木製梁の接合構造
2日前
株式会社竹中工務店
木製梁の接合構造
2日前
株式会社竹中工務店
冷温水供給システム
今日
株式会社竹中工務店
冷温水供給システム
今日
株式会社竹中工務店
管理システム、及び管理プログラム
1日前
株式会社竹中工務店
評価システム、及び評価プログラム
4日前
株式会社竹中工務店
表示システム、及び表示プログラム
8日前
株式会社竹中工務店
管理システム、及び管理プログラム
8日前
株式会社竹中工務店
情報処理装置、及び情報処理プログラム
16日前
株式会社竹中工務店
CO2固定量評価方法及びセメント量評価方法
14日前
個人
裁判のAI化
2か月前
個人
フラワーコートA
1か月前
個人
地球保全システム
2日前
個人
情報処理システム
2か月前
個人
工程設計支援装置
1か月前
個人
為替ポイント伊達夢貯
29日前
個人
介護情報提供システム
2か月前
個人
冷凍食品輸出支援構造
29日前
個人
設計支援システム
2か月前
個人
携帯情報端末装置
1か月前
個人
表変換編集支援システム
22日前
個人
設計支援システム
2か月前
個人
知財出願支援AIシステム
29日前
個人
結婚相手紹介支援システム
1か月前
株式会社サタケ
籾摺・調製設備
2か月前
個人
AIによる情報の売買の仲介
1か月前
個人
行動時間管理システム
24日前
個人
パスワード管理支援システム
22日前
株式会社カクシン
支援装置
2か月前
個人
食品レシピ生成システム
1日前
個人
備蓄品の管理方法
2か月前
株式会社キーエンス
受発注システム
1日前
続きを見る
他の特許を見る