TOP
|
特許
|
意匠
|
商標
特許ウォッチ
Twitter
他の特許を見る
10個以上の画像は省略されています。
公開番号
2025141353
公報種別
公開特許公報(A)
公開日
2025-09-29
出願番号
2024041248
出願日
2024-03-15
発明の名称
作業車両
出願人
株式会社クボタ
代理人
安田岡本弁理士法人
主分類
B60K
11/04 20060101AFI20250919BHJP(車両一般)
要約
【課題】燃料電池を効率良く冷却可能な作業車両を提供する。
【解決手段】ボンネットと、ラジエータ装置とを備えた作業車両において、前記ボンネットに配置された機器を、前記ボンネットの外部に配置された前記ラジエータ装置で冷却する。
【選択図】図1
特許請求の範囲
【請求項1】
ボンネットと、ラジエータ装置とを備えた作業車両において、
前記ボンネットに配置された機器を、前記ボンネットの外部に配置された前記ラジエータ装置で冷却する作業車両。
続きを表示(約 470 文字)
【請求項2】
ガスを貯蔵するタンクを備え、
前記ラジエータ装置は、前記タンクの前方または後方に配置されている請求項1に記載の作業車両。
【請求項3】
前記機器は、前記ガスにより発電する燃料電池を含み、
前記ラジエータ装置は、前記燃料電池の上方に配置されている請求項2に記載の作業車両。
【請求項4】
前記ラジエータ装置は、上方視において前記燃料電池と重なる位置に配置されている請求項3に記載の作業車両。
【請求項5】
前記ラジエータ装置および前記タンクを支持するタンクステーを備えている請求項2に記載の作業車両。
【請求項6】
前記ラジエータ装置は、熱交換部と、前記熱交換部を支持するラジエータフレームと、ファンと、を有し、
前記ファンは、前記熱交換部と前記タンクとの間に配置されている請求項5に記載の作業車両。
【請求項7】
前記ラジエータ装置と前記燃料電池とを繋ぐラジエータホースを備えている請求項3に記載の作業車両。
発明の詳細な説明
【技術分野】
【0001】
本発明は、燃料用のガスを貯蔵するタンクを備えた作業車両に関する。
続きを表示(約 1,600 文字)
【背景技術】
【0002】
近年、脱炭素化を実現するため、水素等のガスを燃料として駆動する作業車両の開発が進んでいる。特許文献1に開示された作業車両(トラクタ)は、ガスを貯蔵するタンクと、上記ガスにより発電する燃料電池と、を備えており、上記燃料電池から出力される電気エネルギーにより走行する。この種の作業車両において、作業中も安定した出力を維持するには、燃料電池を大型化することが求められる。
【先行技術文献】
【特許文献】
【0003】
特開2023-013186号公報
【発明の概要】
【発明が解決しようとする課題】
【0004】
しかしながら、この種の作業車両において、燃料電池を大型化すると、その分、当該燃料電池の冷却性能も上げる必要がある。
【0005】
本発明は、上記問題に鑑みてなされたものであって、燃料電池を効率良く冷却可能な作業車両を提供することを目的とする。
【課題を解決するための手段】
【0006】
本発明は、上記目的を達成するために以下の技術的手段を採用する。
【0007】
本発明の一態様に係る作業車両は、ボンネットと、ラジエータ装置とを備えた作業車両において、前記ボンネットに配置された機器を、前記ボンネットの外部に配置された前記ラジエータ装置で冷却する。
【発明の効果】
【0008】
上記作業車両によれば、ボンネットの外部に配置した比較的大型のラジエータ装置によって燃料電池を冷却できるから、当該燃料電池を効率良く冷却することが可能となる。
【図面の簡単な説明】
【0009】
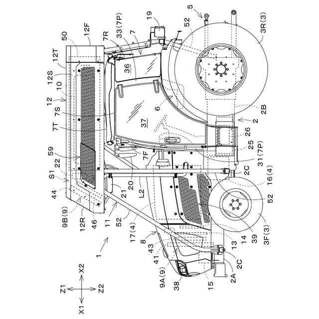
本発明の作業車両の左側方視図である。
本発明の作業車両の右側方視図である。
本発明の作業車両の上方視図である。
本発明の作業車両の前方視図である。
本発明の作業車両の後方視図である。
本発明の作業車両の前方斜視図である。
本発明の作業車両の一部を分解した前方斜視図である。
本発明の作業車両の一部を分解した後方斜視図である。
車体の上方視図である。
本発明の作業車両の基本構成を示すブロック図である。
タンクステーおよび第2ラジエータ装置の上方視図である。
第2ラジエータ装置周辺の後方視図である。
タンクステーおよびタンクカバーの下方斜視図である。
第2ラジエータ装置周辺の断面概略図である。
カバー支持フレーム、およびタンクケースの下方斜視図である。
タンクステー、タンクカバー、およびカバー支持フレームの後方斜視図である。
点検用窓を開いた状態の上方斜視図である。
本発明の作業車両の概略構成を示す左側方視図である。
本発明の作業車両の概略構成を示す前方視図である。
第1の変形例を示す作業車両の左側方視図である。
第1の変形例を示す作業車両の上方視図である。
第2の変形例を示す作業車両の左側方視図である。
第2の変形例を示す作業車両の上方視図である。
【発明を実施するための形態】
【0010】
本発明の実施形態について、図面を参照しながら説明する。図1~図8は、本発明の一実施形態に係る作業車両1である。本実施形態の作業車両1は、トラクタであり、耕運機、ベーラなど、主に農作業の目的および用途に応じた作業装置(インプルメント)を連結して使用される。本実施形態の作業車両1は、燃料電池で発生した電力を用いて駆動するFCV(Fuel Cell Vehicle)の一種である。尚、本発明に係る作業車両1は、トラクタに限定されない。例えば、本発明に係る作業車両1は、トラクタ以外の農業機械、建設機械、ユーティリティビークル等であってもよい。
(【0011】以降は省略されています)
この特許をJ-PlatPat(特許庁公式サイト)で参照する
関連特許
株式会社クボタ
作業車
3日前
株式会社クボタ
作業車
5日前
株式会社クボタ
作業車
26日前
株式会社クボタ
田植機
26日前
株式会社クボタ
田植機
26日前
株式会社クボタ
作業車
26日前
株式会社クボタ
田植機
29日前
株式会社クボタ
作業車
1か月前
株式会社クボタ
作業車
25日前
株式会社クボタ
作業機
15日前
株式会社クボタ
作業機
1か月前
株式会社クボタ
作業機
25日前
株式会社クボタ
作業車
1か月前
株式会社クボタ
作業車
3日前
株式会社クボタ
作業車両
5日前
株式会社クボタ
作業車両
5日前
株式会社クボタ
トラクタ
1か月前
株式会社クボタ
作業車両
5日前
株式会社クボタ
作業車両
5日前
株式会社クボタ
作業車両
5日前
株式会社クボタ
トラクタ
1か月前
株式会社クボタケミックス
伸縮継手
1か月前
株式会社クボタ
作業車両
5日前
株式会社クボタ
作業車両
5日前
株式会社クボタ
作業車両
5日前
株式会社クボタ
作業車両
5日前
株式会社クボタ
圃場作業機
1か月前
株式会社クボタ
圃場作業車
24日前
株式会社クボタ
圃場作業車
26日前
株式会社クボタ
サトウキビ収穫機
25日前
株式会社クボタ
サトウキビ収穫機
25日前
株式会社クボタ
サトウキビ収穫機
25日前
株式会社クボタ
サトウキビ収穫機
25日前
株式会社クボタ
サトウキビ収穫機
25日前
株式会社クボタ
サトウキビ収穫機
25日前
株式会社クボタ
サトウキビ収穫機
25日前
続きを見る
他の特許を見る