TOP
|
特許
|
意匠
|
商標
特許ウォッチ
Twitter
他の特許を見る
公開番号
2025130530
公報種別
公開特許公報(A)
公開日
2025-09-08
出願番号
2024027759
出願日
2024-02-27
発明の名称
田植機
出願人
株式会社クボタ
代理人
弁理士法人R&C
主分類
A01C
11/02 20060101AFI20250901BHJP(農業;林業;畜産;狩猟;捕獲;漁業)
要約
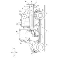
【課題】苗のせ台にマット状苗が載せられたときでも、田植機の後方等から、発光によって田植機の旋回方向を報知する報知装置を、容易に目視で確認することが可能な田植機を提供する。
【解決手段】走行可能な機体と、苗のせ面43sを有する苗のせ台43が設けられ、機体の後部に支持された苗植付装置18と、苗のせ面43sの上方位置に設けられ、発光によって所定の報知が可能な報知装置60と、が備えられている。
【選択図】図2
特許請求の範囲
【請求項1】
走行可能な機体と、
苗のせ面を有する苗のせ台が設けられ、前記機体の後部に支持された苗植付装置と、
前記苗のせ面の上方位置に設けられ、発光によって所定の報知が可能な報知装置と、が備えられている田植機。
続きを表示(約 750 文字)
【請求項2】
前記報知装置は、前記苗植付装置から上方に延びるステーに支持されている請求項1に記載の田植機。
【請求項3】
前記報知装置は、前記ステーの回動により、使用状態と、前記使用状態よりも前記苗のせ面に接近した格納状態とに切替可能に構成されている請求項2に記載の田植機。
【請求項4】
前記苗植付装置に、前記苗のせ面に対向して配置され、前記苗のせ面に載置されている苗の浮き上がりを抑制する苗ステーと、前記苗ステーを前記苗植付装置に支持させる支持部材と、が備えられ、
前記報知装置は、前記支持部材に支持されている請求項1に記載の田植機。
【請求項5】
前記支持部材は、前記苗のせ面の上方位置である支持位置で、前記苗ステーを支持し、
前記報知装置は、前記支持位置よりも上方に位置する請求項4に記載の田植機。
【請求項6】
前記報知装置は、前記苗のせ面の左右両端部分にそれぞれ備えられている請求項1に記載の田植機。
【請求項7】
前記報知装置は、前記機体の旋回方向を報知する方向指示器である請求項6に記載の田植機。
【請求項8】
前記報知装置は、圃場に供給する農業資材の補給が必要であることを報知する請求項1に記載の田植機。
【請求項9】
前記報知装置は、走行作業に支障が生じる異常の発生または兆候があることを報知する請求項1に記載の田植機。
【請求項10】
予備苗のせ台を支持する支柱の上側部分に設けられ、外部に報知可能な積層灯が備えられ、
前記報知装置は、前記積層灯の高さ位置よりも低い高さ位置に位置する請求項1に記載の田植機。
発明の詳細な説明
【技術分野】
【0001】
本発明は、苗植付装置に、発光によって所定の報知が可能な報知装置が備えられた田植機に関する。
続きを表示(約 1,000 文字)
【背景技術】
【0002】
従来の田植機として、例えば、特許文献1に記載されているように、苗植付装置に、発光によって田植機の旋回方向を報知する報知装置(特許文献1では、「ウィンカー」)が備えられているものがあった。
【先行技術文献】
【特許文献】
【0003】
特開2007-082473号公報
【発明の概要】
【発明が解決しようとする課題】
【0004】
しかし、従来の田植機では、報知装置は、苗植付装置の苗のせ台の両横側面に配置されていた。この構成では、苗のせ台にマット状苗が載せられると、マット状苗によって報知装置が隠れた状態となっていた。その結果、田植機の後方等から報知装置を目視で確認し難くなるという不都合があった。
【0005】
本発明の目的は、苗のせ台にマット状苗が載せられたときでも、田植機の後方等から、発光によって田植機の旋回方向を報知する報知装置を、容易に目視で確認することが可能な田植機を提供することである。
【課題を解決するための手段】
【0006】
本発明の田植機は、走行可能な機体と、苗のせ面を有する苗のせ台が設けられ、前記機体の後部に支持された苗植付装置と、前記苗のせ面の上方位置に設けられ、発光によって所定の報知が可能な報知装置と、が備えられている。
【0007】
この発明によれば、報知装置は、マット状苗を載置する苗のせ面の上方に設けられている構成となる。この構成により、苗のせ面にマット状苗を載置したとしても、報知装置が、マット状苗よりも高い位置に位置する構成とすることが可能となる。報知装置が、苗のせ面に載置されたマット状苗よりも高い位置に位置することで、田植機の後方等から、報知装置を容易に目視で確認することが可能となる。
【0008】
本発明においては、前記報知装置は、前記苗植付装置から上方に延びるステーに支持されていると好適である。
【0009】
この構成によれば、報知装置を苗植付装置から上方に延びるステーで支持するという簡易な方法で、報知装置が、苗のせ面に載置されたマット状苗よりも高い位置に位置する構成とすることが可能となる。
【0010】
本発明においては、前記報知装置は、前記ステーの回動により、使用状態と、前記使用状態よりも前記苗のせ面に接近した格納状態とに切替可能に構成されていると好適である。
(【0011】以降は省略されています)
この特許をJ-PlatPat(特許庁公式サイト)で参照する
関連特許
株式会社クボタ
作業車
9日前
株式会社クボタ
作業車
10日前
株式会社クボタ
作業車
16日前
株式会社クボタ
作業車
3日前
株式会社クボタ
作業車
4日前
株式会社クボタ
作業車
17日前
株式会社クボタ
作業車
24日前
株式会社クボタ
作業車
24日前
株式会社クボタ
作業車
24日前
株式会社クボタ
作業車
17日前
株式会社クボタ
移植機
17日前
株式会社クボタ
作業車
16日前
株式会社クボタ
作業車
9日前
株式会社クボタ
移植機
17日前
株式会社クボタ
作業車両
10日前
株式会社クボタ
作業車両
24日前
株式会社クボタ
作業車両
9日前
株式会社クボタ
作業車両
9日前
株式会社クボタ
作業車両
24日前
株式会社クボタ
ガスケット
17日前
株式会社クボタ
豆類選別機
19日前
株式会社クボタ
豆類選別機
19日前
株式会社クボタ
多目的車両
16日前
株式会社クボタ
多目的車両
16日前
株式会社クボタ
多目的車両
16日前
株式会社クボタ
豆類選別機
19日前
株式会社クボタ
豆類選別機
19日前
株式会社クボタ
多目的車両
19日前
株式会社クボタ
多目的車両
19日前
株式会社クボタ
豆類選別機
19日前
株式会社クボタ
多目的車両
6日前
株式会社クボタ
電動作業車
4日前
株式会社クボタ
豆類選別機
19日前
株式会社クボタ
電解水生成装置
24日前
株式会社クボタ
電解水生成装置
24日前
株式会社クボタ
作業車及び座席
18日前
続きを見る
他の特許を見る