TOP
|
特許
|
意匠
|
商標
特許ウォッチ
Twitter
他の特許を見る
公開番号
2025119260
公報種別
公開特許公報(A)
公開日
2025-08-14
出願番号
2024014047
出願日
2024-02-01
発明の名称
作業車
出願人
株式会社クボタ
代理人
弁理士法人R&C
主分類
F02M
37/24 20190101AFI20250806BHJP(燃焼機関;熱ガスまたは燃焼生成物を利用する機関設備)
要約
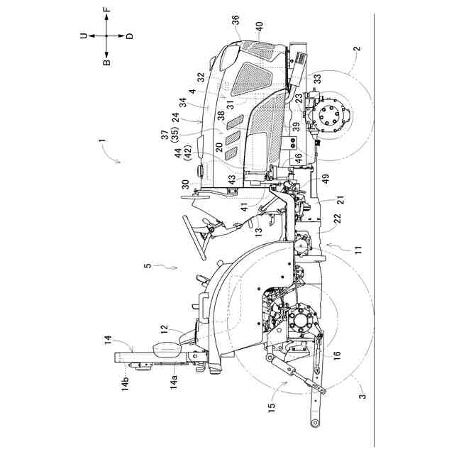
【課題】製造時にセパレータと載置台とを効率よく取り付けることができ、かつ、これらを取り付けるための構成を簡素にすることが可能な作業車を提供する。
【解決手段】走行機体と、走行機体に設けられたエンジン20と、エンジン20を覆うボンネット24と、エンジン20に供給される燃料を貯留可能な燃料タンク30と、燃料タンク30に給油を行うための給油タンクを載置可能な載置台42と、燃料タンク30側からエンジン20側に向けて燃料を供給する燃料供給経路の途中に設けられ、燃料供給経路を流れる燃料から水分を分離除去するセパレータ46と、載置台42とセパレータ46とを支持する支持部材41と、が備えられている。
【選択図】図2
特許請求の範囲
【請求項1】
走行機体と、
前記走行機体に設けられたエンジンと、
前記エンジンを覆うボンネットと、
前記エンジンに供給される燃料を貯留可能な燃料タンクと、
前記燃料タンクに給油を行うための給油タンクを載置可能な載置台と、
前記燃料タンク側から前記エンジン側に向けて燃料を供給する燃料供給経路の途中に設けられ、前記燃料供給経路を流れる燃料から水分を分離除去するセパレータと、
前記載置台と前記セパレータとを支持する支持部材と、が備えられている作業車。
続きを表示(約 610 文字)
【請求項2】
前記支持部材は、前側ほど前記走行機体の左右方向内側となるように斜めに延びている取付部を有し、
前記セパレータは、前記取付部に支持されている請求項1に記載の作業車。
【請求項3】
前記セパレータは、本体部と、平面視で前記本体部の一方側縁と他方側縁との間の長さよりも長く構成されている棒状部と、を有し、
前記棒状部は、前記棒状部の長手方向が、前側ほど前記走行機体の左右方向内側となるように斜めに延びるように配置されている請求項2に記載の作業車。
【請求項4】
前記支持部材は、前記ボンネットの後端よりも前方に位置する請求項1に記載の作業車。
【請求項5】
ブレーキペダルの踏み込み量を検出可能なブレーキセンサが備えられ、
前記支持部材に、前記ブレーキセンサが支持されている請求項1に記載の作業車。
【請求項6】
前記走行機体に設けられ、操縦者が搭乗可能な運転座席と、
前記運転座席の後方に設けられ、左右の縦フレーム部の上端に横フレーム部が連結するロプスと、が備えられている請求項5に記載の作業車。
【請求項7】
操縦者が搭乗する運転部と、
前記運転部を覆うキャビンと、が備えられ、
前記支持部材は、前記キャビンを支持するブラケットに支持されている請求項1に記載の作業車。
発明の詳細な説明
【技術分野】
【0001】
本発明は、エンジンが備えられた作業車に関する。
続きを表示(約 1,100 文字)
【背景技術】
【0002】
従来の作業車として、例えば、特許文献1に記載されているように、燃料タンクからエンジンへの燃料供給経路を流れる燃料から水分を分離除去するセパレータと、燃料タンクに給油を行うための給油タンクを載置可能な載置台と、を備えるものがある。
【先行技術文献】
【特許文献】
【0003】
特開2016-217276号公報
【発明の概要】
【発明が解決しようとする課題】
【0004】
しかし、従来の作業車では、セパレータを取り付けるための支持部材と、載置台を取り付けるための支持部材とを用いて、これらを走行機体に支持させていた。
【0005】
このような作業車では、セパレータと載置台とを走行機体に取り付けるための構成が複雑なものとなり、また、製造時には、セパレータと載置台とをそれぞれ走行機体に取り付ける必要があったため、これらの取付工程に手間がかかる点で改善の余地があった。
【0006】
本発明の目的は、製造時にセパレータと載置台とを効率よく取り付けることができ、かつ、これらを取り付けるための構成を簡素にすることが可能な作業車を提供することである。
【課題を解決するための手段】
【0007】
本発明の作業車は、走行機体と、前記走行機体に設けられたエンジンと、前記エンジンを覆うボンネットと、前記エンジンに供給される燃料を貯留可能な燃料タンクと、前記燃料タンクに給油を行うための給油タンクを載置可能な載置台と、前記燃料タンク側から前記エンジン側に向けて燃料を供給する燃料供給経路の途中に設けられ、前記燃料供給経路を流れる燃料から水分を分離除去するセパレータと、前記載置台と前記セパレータとを支持する支持部材と、が備えられている。
【0008】
この発明によれば、セパレータと載置台とが、同一の支持部材に支持される構成となる。この構成により、セパレータと載置台とを走行機体に支持させるための部材を減らすことが可能となり、これらを取り付けるための構成を簡素なものとすることが可能となる。
【0009】
また、製造時には、予めセパレータと載置台とが取り付けられた支持部材を、走行機体に取り付けることが可能となり、製造時にセパレータと載置台とを効率よく取り付けることが可能となる。
【0010】
本発明においては、前記支持部材は、前側ほど前記走行機体の左右方向内側となるように斜めに延びている取付部を有し、前記セパレータは、前記取付部に支持されていると好適である。
(【0011】以降は省略されています)
この特許をJ-PlatPat(特許庁公式サイト)で参照する
関連特許
株式会社クボタ
作業機
21日前
株式会社クボタ
作業車
1か月前
株式会社クボタ
作業車
9日前
株式会社クボタ
作業車
9日前
株式会社クボタ
作業車
2日前
株式会社クボタ
作業車
2日前
株式会社クボタ
作業車
11日前
株式会社クボタ
作業車
1か月前
株式会社クボタ
作業機
1か月前
株式会社クボタ
田植機
1か月前
株式会社クボタ
田植機
1か月前
株式会社クボタ
作業車
1か月前
株式会社クボタ
田植機
1か月前
株式会社クボタ
作業機
2か月前
株式会社クボタ
作業車
1日前
株式会社クボタ
作業車
1日前
株式会社クボタ
作業車
1か月前
株式会社クボタ
作業車
1日前
株式会社クボタ
作業車
1か月前
株式会社クボタ
作業車両
11日前
株式会社クボタ
作業車両
11日前
株式会社クボタ
作業車両
11日前
株式会社クボタ
作業車両
11日前
株式会社クボタ
作業車両
11日前
株式会社クボタ
作業車両
11日前
株式会社クボタ
作業車両
1日前
株式会社クボタ
トラクタ
1か月前
株式会社クボタ
トラクタ
1か月前
株式会社クボタ
作業車両
11日前
株式会社クボタケミックス
伸縮継手
1か月前
株式会社クボタ
作業車両
11日前
株式会社クボタ
作業車両
1日前
株式会社クボタ
作業車両
11日前
株式会社クボタ
作業車両
2か月前
株式会社クボタ
多目的車両
2日前
株式会社クボタ
多目的車両
2日前
続きを見る
他の特許を見る