TOP
|
特許
|
意匠
|
商標
特許ウォッチ
Twitter
他の特許を見る
公開番号
2025141487
公報種別
公開特許公報(A)
公開日
2025-09-29
出願番号
2024041443
出願日
2024-03-15
発明の名称
コンパレータ回路
出願人
国立大学法人 東京大学
,
株式会社ジーダット
代理人
個人
主分類
H03K
5/08 20060101AFI20250919BHJP(基本電子回路)
要約
【課題】低消費電力で高速に動作可能なコンパレータ回路を提供する。
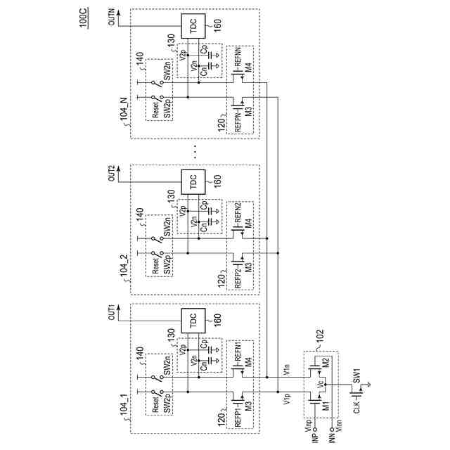
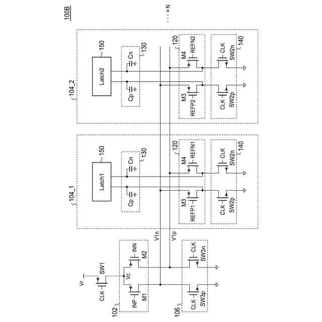
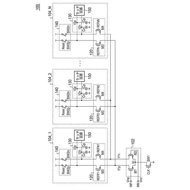
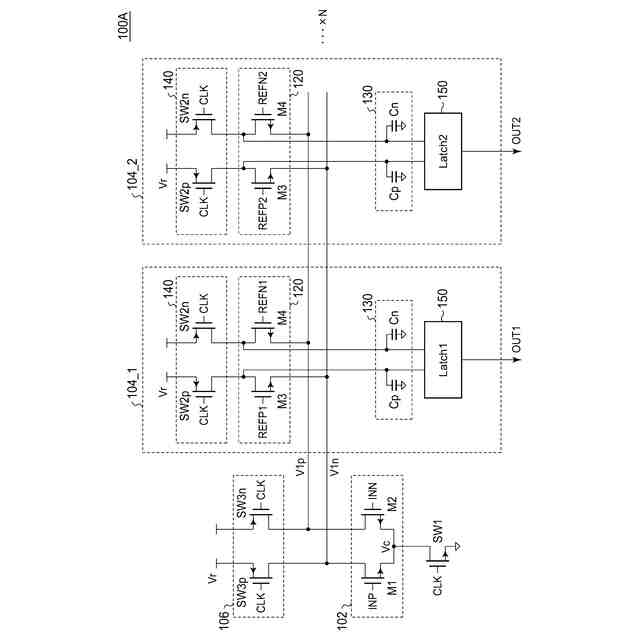
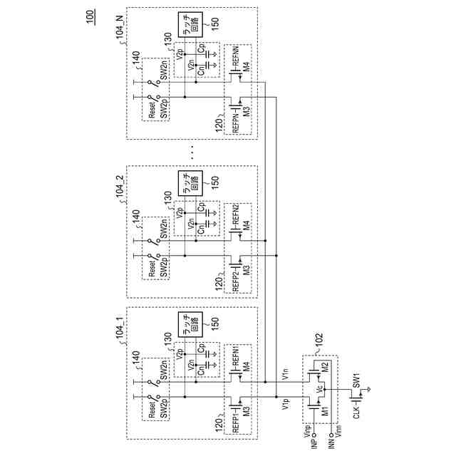
【解決手段】コンパレータ回路100は、差動入力電圧Vinを複数N個の基準電圧と比較する。入力差動対102は、ゲートが差動入力端子の一方と接続され、ソースがスイッチSW1と接続された第1トランジスタM1と、ゲートが差動入力端子の他方と接続され、ソースがスイッチSW1と接続された第2トランジスタM2と、を含む。N個の比較部104は、複数の基準電圧に対応している。各比較部104は。第1容量Cp、第2容量Cnを含む。第1容量Cp、第2容量Cnは、第3トランジスタM3および第4トランジスタM4を含むカスコード回路120を介して入力差動対102と接続される。
【選択図】図1
特許請求の範囲
【請求項1】
差動入力電圧を複数N個の基準電圧と比較するコンパレータ回路であって、
前記差動入力電圧を受ける差動入力端子と、
スイッチと、
ゲートが前記差動入力端子の一方と接続され、ソースが前記スイッチと接続された第1トランジスタと、ゲートが前記差動入力端子の他方と接続され、ソースが前記スイッチと接続された第2トランジスタと、を含む入力差動対と、
前記複数N個の基準電圧に対応する複数N個の比較部と、
を備え、
各比較部は、
第1容量と、
第2容量と、
前記第1容量および前記第2容量の電荷をリセットするリセット回路と、
前記第1容量と前記第1トランジスタの間に接続された第3トランジスタおよび前記第2容量と前記第2トランジスタの間に接続された第4トランジスタを含むカスコード回路と、
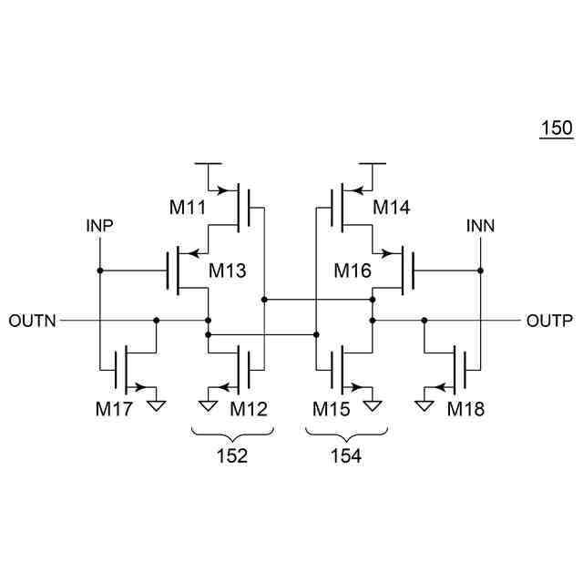
前記第1容量および前記第2容量に発生する電圧を受けるラッチ回路と、
を含み、i番目(1≦i≦N)の比較部の第3トランジスタおよび第4トランジスタのゲートには、i番目の基準電圧を規定する差動バイアス電圧が印加されていることを特徴とするコンパレータ回路。
続きを表示(約 210 文字)
【請求項2】
前記第1トランジスタと前記第2トランジスタそれぞれのドレイン電圧をリセットするリセット回路をさらに備えることを特徴とする請求項1に記載のコンパレータ回路。
【請求項3】
前記比較部は、前記ラッチ回路に代えてまたは加えて設けられ、前記第1容量および前記第2容量に発生する電圧が変化する時間を測定する時間デジタル変換器を含むことを特徴とする請求項1または2に記載のコンパレータ回路。
発明の詳細な説明
【技術分野】
【0001】
本開示は、コンパレータ回路に関する。
続きを表示(約 1,900 文字)
【背景技術】
【0002】
半導体集積回路において、電圧コンパレータ(単にコンパレータ回路という)は、重要な基本要素である。フラッシュ型A/Dコンバータなどのいくつかの用途では、共通の入力電圧が、異なる複数の基準電圧(しきい値電圧)と比較される。
【0003】
この処理は、並列に並べた複数の電圧コンパレータによって実現できる。しかしながらこの場合、すべての電圧コンパレータが雑音要求を満たす必要があり、消費電力や入力容量が、基準電圧の数に比例して増加してしまう。
【0004】
非特許文献1、2には、複数のコンパレータを並列に並べずに、入力電圧を複数の基準電圧と比較する技術が開示されている。
【先行技術文献】
【非特許文献】
【0005】
Miyahara, M., Mano, I., Nakayama, M., Okada, K., & Matsuzawa, A. (2014, February). "22.6 A 2.2 GS/s 7b 27.4 mW time-based folding-flash ADC with resistively averaged voltage-to-time amplifiers". In 2014 IEEE International Solid-State Circuits Conference Digest of Technical Papers (ISSCC) (pp. 388-389). IEEE.
Wang, J. C., & Kuo, T. H. (2023, February). "A 3mW 2.7 GS/s 8b Subranging ADC with Multiple-Reference-Reference-Embedded Comparators". In 2023 IEEE International Solid-State Circuits Conference (ISSCC) (pp. 276-278). IEEE.
【発明の概要】
【発明が解決しようとする課題】
【0006】
コンパレータの雑音と消費電力の大部分は、入力段によって決まる。非特許文献1では、入力段の出力に補完を行うことで、より多くの基準電圧との比較を行っている。この構成では入力段が最低2つ必要なことに加え、入力段の出力が時間領域であるため、1つの入力段が広い範囲の電圧で適切な動作点を維持することが困難であるため、1つの入力段に対する基準電圧の数は制限される。
【0007】
また、非特許文献2の回路は、1つの入力段に複数のラッチ回路を直接接続する構成を採っている(非特許文献2)。この手法は、全てのラッチ回路の電流が入力段に流れるため、入力段を大きくする必要があり、入力容量が増加してしまう。また、入力段にはラッチ回路により入力電圧に対して非線形な電流が流れるため、ラッチ回路同士が干渉し、1つの入力段に対する基準電圧の数は制限される。
【0008】
本開示は係る状況においてなされたものであり、その例示的な目的のひとつは、低消費電力で高速に動作可能なコンパレータ回路の提供にある。
【課題を解決するための手段】
【0009】
本開示のある態様は、差動入力電圧を複数N個の基準電圧と比較するコンパレータ回路に関する。コンパレータ回路は、差動入力電圧を受ける差動入力端子と、スイッチと、ゲートが差動入力端子の一方と接続され、ソースがスイッチと接続された第1トランジスタと、ゲートが差動入力端子の他方と接続され、ソースがスイッチと接続された第2トランジスタと、を含む入力差動対と、複数の基準電圧に対応する複数N個の比較部と、を備える。各比較部は、第1容量と、第2容量と、第1容量および第2容量の電荷をリセットするリセット回路と、第1容量と第1トランジスタの間に接続された第3トランジスタおよび第2容量と第2トランジスタの間に接続された第4トランジスタを含むカスコード回路と、第1容量および第2容量に発生する電圧を受けるラッチ回路と、を含む。i番目(1≦i≦N)の比較部の第3トランジスタおよび第4トランジスタのゲートには、i番目の基準電圧を規定する差動バイアス電圧が印加されている。
【発明の効果】
【0010】
本開示のある態様によれば、低雑音で高速に動作可能なコンパレータ回路を提供できる。
【図面の簡単な説明】
(【0011】以降は省略されています)
この特許をJ-PlatPat(特許庁公式サイト)で参照する
関連特許
国立大学法人 東京大学
プロペラ
5か月前
国立大学法人 東京大学
担持金属触媒
16日前
国立大学法人 東京大学
ガス処理方法
2日前
国立大学法人 東京大学
腸管壁保持装置
6か月前
国立大学法人 東京大学
せん妄判定方法
1か月前
国立大学法人 東京大学
双方向散乱顕微鏡
6か月前
国立大学法人 東京大学
コンパレータ回路
6日前
国立大学法人 東京大学
化学センサ用基材
4か月前
国立大学法人東京農工大学
タンクモジュール
6か月前
国立大学法人 東京大学
ソフトエクソスーツ
4か月前
国立大学法人 東京大学
微粒子分離システム
4か月前
国立大学法人 東京大学
てんかんの検出方法
6か月前
国立大学法人 東京大学
光学装置及びレーザー
2か月前
国立大学法人 東京大学
超音波モータシステム
1か月前
国立大学法人 東京大学
超音波モータシステム
1か月前
国立大学法人 東京大学
超音波モータシステム
1か月前
国立大学法人 東京大学
振動変換器及び噴霧器
4か月前
国立大学法人 東京大学
結晶、及びその製造方法
1か月前
国立大学法人 東京大学
粘性の測定装置及び方法
6か月前
AGC株式会社
組成物
3か月前
国立大学法人 東京大学
推定装置、及びプログラム
17日前
国立大学法人 東京大学
生分解性ポリマー複合材料
5か月前
国立大学法人 東京大学
制御装置、および制御方法
6か月前
国立大学法人 東京大学
テラヘルツ帯同期検波回路
1か月前
国立大学法人 東京大学
嗅覚受容体の応答感度増強剤
2か月前
国立大学法人 東京大学
消化管幹細胞活性化用組成物
5か月前
国立大学法人 東京大学
テラヘルツ波帯位相変調回路
1か月前
国立大学法人 東京大学
接着性細胞の浮遊培養用基材
2日前
国立大学法人 東京大学
読出回路及び磁気メモリ装置
16日前
NTT株式会社
圧力センサ
17日前
国立大学法人 東京大学
情報処理装置、及びプログラム
1か月前
国立大学法人 東京大学
ドローンを用いた配送システム
2日前
国立大学法人 東京大学
炭酸カルシウム結晶の製造方法
5か月前
住友化学株式会社
原子力電池
3か月前
国立大学法人 東京大学
搬送トレイおよびワーク作業装置
6か月前
国立大学法人 東京大学
血糖制御能力の推定方法及び装置
6か月前
続きを見る
他の特許を見る