TOP
|
特許
|
意匠
|
商標
特許ウォッチ
Twitter
他の特許を見る
10個以上の画像は省略されています。
公開番号
2025144530
公報種別
公開特許公報(A)
公開日
2025-10-02
出願番号
2025028224
出願日
2025-02-25
発明の名称
増幅器
出願人
エイブリック株式会社
代理人
主分類
H03F
3/38 20060101AFI20250925BHJP(基本電子回路)
要約
【課題】入力信号に含まれる誤差成分の除去精度を低下させることなくフィルタによる歪の影響のない信号成分を出力可能な増幅器を提供する。
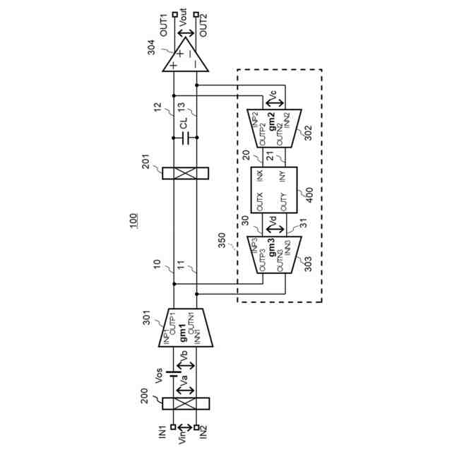
【解決手段】増幅器100は、信号極性反転回路200と、信号極性反転回路200に接続され、電圧Vbに基づく電流を生成し、出力端子OUTP1,OUTN1から出力する増幅回路301と、出力端子OUTP1,OUTN1にそれぞれ接続される入力端子を有し、増幅回路301から出力される電流を正相又は逆相の極性で出力する信号極性反転回路201と、信号極性反転回路201から出力される電流に基づく電圧を得るキャパシタCLと、ノード12とノード10が接続されるとともにノード13とノード11とが接続され、キャパシタCLの両端子間の電圧から増幅回路301の入力誤差成分を含む入力誤差成分電流を抽出し、抽出した入力誤差成分電流をノード10及びノード11に供給する補償回路350と、を備える。
【選択図】図1
特許請求の範囲
【請求項1】
入力端子から入力される入力信号を正相又は逆相の極性で出力する第1の信号極性反転回路と、
前記第1の信号極性反転回路に接続され、前記第1の信号極性反転回路の出力電圧に基づく出力電流を生成し、第1の出力端子及び第2の出力端子から出力する第1の電圧電流変換回路と、
前記第1の電圧電流変換回路の前記第1の出力端子及び前記第2の出力端子にそれぞれ接続される第1の入力端子及び第2の入力端子を有し、前記第1の電圧電流変換回路から出力される電流を正相又は逆相の極性で出力する第2の信号極性反転回路と、
前記第2の信号極性反転回路に接続され、前記第2の信号極性反転回路から出力される電流に基づく電圧を得る負荷容量と、
前記負荷容量の第1の端子と、前記第1の電圧電流変換回路の前記第1の出力端子と前記第2の信号極性反転回路の第1の入力端子との接続点である第1のノードとにそれぞれ接続されるとともに、前記負荷容量の第2の端子と、前記第1の電圧電流変換回路の前記第2の出力端子と前記第2の信号極性反転回路の第2の入力端子との接続点である第2のノードとにそれぞれ接続され、前記第1の電圧電流変換回路の入力誤差成分を含む前記負荷容量の両端子間の電圧から前記入力誤差成分に対応する入力誤差成分電流を抽出し、抽出した入力誤差成分電流を前記第1のノード及び前記第2のノードに負帰還する補償回路と、
を備えることを特徴とする増幅器。
続きを表示(約 720 文字)
【請求項2】
前記増幅器は、周期的に動作するように構成され、
前記補償回路は、
前記負荷容量に接続され、負荷容量の端子間電圧に基づく電流を生成する第2の電圧電流変換回路と、
容量を有するとともに前記第2の電圧電流変換回路に接続され、前記第2の電圧電流変換回路から出力される電流に含まれる入力信号の信号成分と前記入力誤差成分が混在した電流から前記信号成分を削除して前記入力誤差成分電流を抽出して出力電圧として出力する一方、前記動作が何周期目かを示す自然数をnとすると、n周期目における前記入力誤差成分の大きさを前記容量の充電電圧として記憶し、(n+1)周期目における前記入力誤差成分のサンプリングを、前記n周期目の前記充電電圧から開始する積分特性を持つサンプルホールド積分回路と、
前記サンプルホールド積分回路に接続され、前記サンプルホールド積分回路の第1の出力端子及び第2の出力端子間の電圧を、前記入力誤差成分電流に変換して前記第1のノード及び前記第2のノードに供給する第3の電圧電流変換回路と、を備える請求項1に記載の増幅器。
【請求項3】
前記サンプルホールド積分回路は、前記容量として、並列に接続可能な容量ペアを備え、
前記容量ペアは、前記第2の信号極性反転回路が信号を正相の関係で出力する場合に、第1の電圧電流変換回路から出力される電流に基づく電荷をサンプルする第1の容量と、前記第2の信号極性反転回路が信号を逆相の関係で出力する場合に、第1の電圧電流変換回路から出力される電流に基づく電荷をサンプルする第2の容量と、を有する
請求項2に記載の増幅器。
発明の詳細な説明
【技術分野】
【0001】
本発明は、微小信号を増幅する増幅器に関する。
続きを表示(約 1,700 文字)
【背景技術】
【0002】
微小信号を増幅する増幅器として、チョッパ増幅器が知られている。従来のチョッパ増幅器は、チョッパ変調器と、1段目の差動増幅器と、チョッパ復調器と、2段目の差動増幅器と、入力端子から出力端子までの信号経路に配設されたフィルタと、を備えている(例えば、特許文献1参照)。
【先行技術文献】
【特許文献】
【0003】
特開2014-216705号公報
【発明の概要】
【発明が解決しようとする課題】
【0004】
しかしながら、従来のチョッパ増幅器は、信号経路に配設されているフィルタの減衰効果を高めるため、抵抗及び容量が大きくなる傾向がある。すなわち、フィルタが占める面積が大きくチップ面積の増大を招いている。また、出力端子から出力される信号成分は、信号経路に配設されているフィルタを通過した後の信号成分であるため、当該信号成分がフィルタによる歪の影響を受けている。すなわち、従来のチョッパ増幅器は、フィルタの影響で増幅精度が悪化し、信号品質が低下している。
【0005】
本発明は、上述した課題を考慮してなされたものであり、入力信号に含まれる誤差成分を除去する精度を低下させることなく、フィルタによる歪の影響のない信号成分を出力可能な増幅器を提供することを目的とする。
【課題を解決するための手段】
【0006】
本発明の実施形態に係る増幅器は、入力端子から入力される入力信号を正相又は逆相の極性で出力する第1の信号極性反転回路と、前記第1の信号極性反転回路に接続され、前記第1の信号極性反転回路の出力電圧に基づく出力電流を生成し、第1の出力端子及び第2の出力端子から出力する第1の電圧電流変換回路と、前記第1の電圧電流変換回路の前記第1の出力端子及び前記第2の出力端子にそれぞれ接続される第1の入力端子及び第2の入力端子を有し、前記第1の電圧電流変換回路から出力される電流を正相又は逆相の極性で出力する第2の信号極性反転回路と、前記第2の信号極性反転回路に接続され、前記第2の信号極性反転回路から出力される電流に基づく電圧を得る負荷容量と、前記負荷容量の第1の端子と、前記第1の電圧電流変換回路の前記第1の出力端子と前記第2の信号極性反転回路の第1の入力端子との接続点である第1のノードとにそれぞれ接続されるとともに、前記負荷容量の第2の端子と、前記第1の電圧電流変換回路の前記第2の出力端子と前記第2の信号極性反転回路の第2の入力端子との接続点である第2のノードとにそれぞれ接続され、前記第1の電圧電流変換回路の入力誤差成分を含む前記負荷容量の両端子間の電圧から前記入力誤差成分に対応する入力誤差成分電流を抽出し、抽出した入力誤差成分電流を前記第1のノード及び前記第2のノードに負帰還する補償回路と、を備えることを特徴とする。
【発明の効果】
【0007】
本発明によれば、入力信号に含まれる誤差成分を除去する精度を低下させることなく、フィルタによる歪の影響を受けない信号成分を得ることができる。
【図面の簡単な説明】
【0008】
本発明の実施形態に係る増幅器の構成例を示すブロック図である。
本実施形態に係る増幅器における信号極性反転回路の構成例を示す回路図である。
本実施形態に係る増幅器におけるサンプルホールド積分回路の構成例を示す回路図である。
本実施形態に係る増幅器の動作を示すタイムチャートである。
本実施形態に係る増幅器におけるサンプルホールド積分回路のタイムチャートである。
【発明を実施するための形態】
【0009】
以下、本発明の実施形態に係る増幅器について、図面を参照して説明する。
【0010】
図1は、本発明の実施形態に係る増幅器の一例である増幅器100のブロック図である。
(【0011】以降は省略されています)
この特許をJ-PlatPat(特許庁公式サイト)で参照する
関連特許
エイブリック株式会社
増幅器
3日前
エイブリック株式会社
半導体装置
3日前
エイブリック株式会社
磁気センサ回路
3日前
エイブリック株式会社
出力制御回路及び電圧出力回路
3日前
エイブリック株式会社
電流制限回路及び電流制限装置
3日前
エイブリック株式会社
充放電制御回路及びバッテリ装置
3日前
エイブリック株式会社
出力制御回路及びスイッチングレギュレータ
9日前
エイブリック株式会社
ブートストラップ回路及びスイッチングレギュレータ
3日前
個人
電子式音響装置
4か月前
エイブリック株式会社
増幅器
3日前
エイブリック株式会社
電圧検出器
1か月前
株式会社大真空
音叉型圧電振動片
4か月前
株式会社大真空
音叉型圧電振動片
4か月前
株式会社大真空
圧電振動デバイス
2か月前
日本電波工業株式会社
圧電デバイス
2か月前
日本電波工業株式会社
ウェハ
4か月前
日本電波工業株式会社
ウェハ
4か月前
日本電波工業株式会社
ウェハ
4か月前
台灣晶技股ふん有限公司
共振器
4か月前
ローム株式会社
オペアンプ
1か月前
太陽誘電株式会社
弾性波デバイス
3か月前
株式会社トーキン
ノイズフィルタ
1か月前
太陽誘電株式会社
マルチプレクサ
4か月前
株式会社大真空
音叉型圧電振動デバイス
4か月前
ローム株式会社
オペアンプ
2か月前
ローム株式会社
オペアンプ
2か月前
三菱電機株式会社
半導体装置
1か月前
株式会社半導体エネルギー研究所
駆動回路
6日前
個人
誤り訂正装置及び誤り訂正方法
1か月前
株式会社村田製作所
増幅回路
1か月前
株式会社大真空
恒温槽型圧電発振器
1か月前
ローム株式会社
オペアンプ回路
1か月前
ローム株式会社
半導体集積回路
2か月前
株式会社コルグ
電源装置
4か月前
ローム株式会社
半導体集積回路
1か月前
ローム株式会社
半導体集積回路
2か月前
続きを見る
他の特許を見る