TOP
|
特許
|
意匠
|
商標
特許ウォッチ
Twitter
他の特許を見る
10個以上の画像は省略されています。
公開番号
2025145829
公報種別
公開特許公報(A)
公開日
2025-10-03
出願番号
2024046281
出願日
2024-03-22
発明の名称
電力需給管理システム、蓄電池システムの制御方法、蓄電池システム、および外部システム
出願人
東京瓦斯株式会社
代理人
個人
,
個人
主分類
H02J
3/32 20060101AFI20250926BHJP(電力の発電,変換,配電)
要約
【課題】市場システムから調整力の供出指令を取得しない場合と比較して、導入した資産をより有効に活用する。
【解決手段】電力の充電または放電が可能な蓄電池と、電力網から電力が供給される負荷のうち停電時に電力の供給がなされる重要負荷に対して必要とされる消費電力量を予測する予測手段と、予測された前記消費電力量に基づいて、前記蓄電池の充電量の下限値を設定する設定手段と、需給の調整に使う電力である調整力の供出指令を市場システムから取得する取得手段と、前記供出指令に基づき、前記充電量の下限値を下回らない範囲で前記調整力を供出できるよう前記蓄電池の充放電動作を実行させる制御手段と、を備えることを特徴とする電力需給管理システム。
【選択図】図1
特許請求の範囲
【請求項1】
電力の充電または放電が可能な蓄電池と、
電力網から電力が供給される負荷のうち停電時に電力の供給がなされる重要負荷に対して必要とされる消費電力量を予測する予測手段と、
予測された前記消費電力量に基づいて、前記蓄電池の充電量の下限値を設定する設定手段と、
需給の調整に使う電力である調整力の供出指令を市場システムから取得する取得手段と、
前記供出指令に基づき、前記充電量の下限値を下回らない範囲で前記調整力を供出できるよう前記蓄電池の充放電動作を実行させる制御手段と、
を備えることを特徴とする電力需給管理システム。
続きを表示(約 1,600 文字)
【請求項2】
前記制御手段は、前記蓄電池における現在の充電量である現充電量を取得し、当該現充電量から前記調整力として供出できる電力量を算出し、当該電力量に基づいて前記充放電動作を実行させること
を特徴とする請求項1に記載の電力需給管理システム。
【請求項3】
前記制御手段は、前記現充電量と前記充電量の下限値とから前記調整力として供出できる電力量を算出し、当該電力量に基づいて放電動作を実行させること
を特徴とする請求項2に記載の電力需給管理システム。
【請求項4】
前記制御手段は、前記蓄電池に前記充電量の下限値が確保されるよう、当該蓄電池に対して事前に充電動作を実行させること
を特徴とする請求項1に記載の電力需給管理システム。
【請求項5】
前記制御手段は、前記蓄電池に前記調整力として供出できる電力量が確保されるよう、当該蓄電池に対して事前に充電動作を実行させること
を特徴とする請求項4に記載の電力需給管理システム。
【請求項6】
前記制御手段は、設定した前記充電量の下限値に、前記蓄電池に予め定められた利用可能な電力の下限値を加味して当該充電量の下限値とすること
を特徴とする請求項1に記載の電力需給管理システム。
【請求項7】
前記設定手段は、予め定められた周期ごとに前記充電量の下限値を設定すること
を特徴とする請求項1に記載の電力需給管理システム。
【請求項8】
電力の充電または放電が可能な蓄電池を含む蓄電池システムと、
前記蓄電池システムに対してネットワークを介して接続され、当該蓄電池システムを制御する外部システムと、
を備えた電力需給管理システムであって、
前記蓄電池システムは、
電力網から電力が供給される負荷のうち停電時に電力の供給がなされる重要負荷に対して必要とされる消費電力量を予測し、
予測された前記消費電力量に基づいて、前記蓄電池の充電量の下限値を設定し、
前記充電量の下限値を前記ネットワークを介して前記外部システムに出力し、
前記外部システムは、
需給の調整に使う電力である調整力の供出指令を市場システムから取得し、
前記供出指令に基づき、前記充電量の下限値を下回らない範囲で前記調整力を供出できるよう前記蓄電池の充放電動作に関する指令を前記蓄電池システムに対して出力すること
を特徴とする電力需給管理システム。
【請求項9】
電力の充電または放電が可能な蓄電池を含む蓄電池システムを制御する方法であって、
電力網から電力が供給される負荷のうち停電時に電力の供給がなされる重要負荷に対して必要とされる消費電力量を予測し、
予測された前記消費電力量に基づいて、前記蓄電池の充電量の下限値を設定し、
需給の調整に使う電力である調整力の供出指令を市場システムから取得し、
前記供出指令に基づき、前記充電量の下限値を下回らない範囲で前記調整力を供出できるよう前記蓄電池の充放電動作を実行させること
を特徴とする蓄電池システムの制御方法。
【請求項10】
電力の充電または放電が可能な蓄電池を含む蓄電池システムであって、
電力網から電力が供給される負荷のうち停電時に電力の供給がなされる重要負荷に対して必要とされる消費電力量を予測し、
予測された前記消費電力量に基づいて、前記蓄電池の充電量の下限値を設定して外部システムへ出力し、
前記充電量の下限値を下回らない範囲で設定された前記蓄電池の充放電動作に関する指令を前記外部システムから取得し、
取得した前記指令に基づき前記蓄電池の充放電動作を実行すること
を特徴とする蓄電池システム。
(【請求項11】以降は省略されています)
発明の詳細な説明
【技術分野】
【0001】
本発明は、電力需給管理システム、蓄電池システムの制御方法、蓄電池システム、および外部システムに関する。
続きを表示(約 4,200 文字)
【背景技術】
【0002】
特許文献1では、停電時に蓄電池から電力を供給する負荷に関して、停電時の電力供給に支障をきたさずに通常時にも電力を供給できるようにすることを目的として、電源装置と、前記電源装置の停電時に負荷に電力を供給する蓄電池と、前記電源装置からの供給可能電力が前記負荷の必要電力に対して不足しているか否かを判定する電源能力判定部と、前記蓄電池の蓄電量が、前記電源装置の停電時に前記負荷に必要電力を供給できるか否かの判定基準値よりも多いか否かを判定する蓄電量判定部と、前記電源装置が前記負荷に電力を供給している状態で、前記電源能力判定部が、前記供給可能電力が前記必要電力に対して不足していると判定し、かつ、前記蓄電量判定部が、前記蓄電量が前記判定基準値よりも多いと判定した場合、前記蓄電池に放電を行わせる充放電制御部と、を備える電力供給システムが開示されている。
【先行技術文献】
【特許文献】
【0003】
特開2018-143033
【発明の概要】
【発明が解決しようとする課題】
【0004】
重要負荷に対する停電時のバックアップは通常、無停電電源装置(UPS:Uninterruptible Power Supply)を用いて行われる。しかし、停電頻度が少ない場合には、停電を経験することなく寿命を迎える蓄電池や電源が多くなる。また、蓄電池の容量(kWh)は劣化を見越して多めに搭載し、電源の容量(kVA、kW)は重要負荷の電力消費のピークに合わせて大きめのものを選定するため、設備として過剰であるケースが多い。これらの理由から、導入した資産を有効活用できていないのが現状である。
【0005】
本発明は、市場システムから調整力の供出指令を取得しない場合と比較して、導入した資産をより有効に活用することを目的とする。
【課題を解決するための手段】
【0006】
請求項1に記載された発明は、電力の充電または放電が可能な蓄電池と、電力網から電力が供給される負荷のうち停電時に電力の供給がなされる重要負荷に対して必要とされる消費電力量を予測する予測手段と、予測された前記消費電力量に基づいて、前記蓄電池の充電量の下限値を設定する設定手段と、需給の調整に使う電力である調整力の供出指令を市場システムから取得する取得手段と、前記供出指令に基づき、前記充電量の下限値を下回らない範囲で前記調整力を供出できるよう前記蓄電池の充放電動作を実行させる制御手段と、を備えることを特徴とする電力需給管理システムである。
請求項2に記載された発明は、前記制御手段は、前記蓄電池における現在の充電量である現充電量を取得し、当該現充電量から前記調整力として供出できる電力量を算出し、当該電力量に基づいて前記充放電動作を実行させることを特徴とする請求項1に記載の電力需給管理システムである。
請求項3に記載された発明は、前記制御手段は、前記現充電量と前記充電量の下限値とから前記調整力として供出できる電力量を算出し、当該電力量に基づいて放電動作を実行させることを特徴とする請求項2に記載の電力需給管理システムである。
請求項4に記載された発明は、前記制御手段は、前記蓄電池に前記充電量の下限値が確保されるよう、当該蓄電池に対して事前に充電動作を実行させることを特徴とする請求項1に記載の電力需給管理システムである。
請求項5に記載された発明は、前記制御手段は、前記蓄電池に前記調整力として供出できる電力量が確保されるよう、当該蓄電池に対して事前に充電動作を実行させることを特徴とする請求項4に記載の電力需給管理システムである。
請求項6に記載された発明は、前記制御手段は、設定した前記充電量の下限値に、前記蓄電池に予め定められた利用可能な電力の下限値を加味して当該充電量の下限値とすることを特徴とする請求項1に記載の電力需給管理システムである。
請求項7に記載された発明は、前記設定手段は、予め定められた周期ごとに前記充電量の下限値を設定することを特徴とする請求項1に記載の電力需給管理システムである。
請求項8に記載された発明は、電力の充電または放電が可能な蓄電池を含む蓄電池システムと、前記蓄電池システムに対してネットワークを介して接続され、当該蓄電池システムを制御する外部システムと、を備えた電力需給管理システムであって、前記蓄電池システムは、電力網から電力が供給される負荷のうち停電時に電力の供給がなされる重要負荷に対して必要とされる消費電力量を予測し、予測された前記消費電力量に基づいて、前記蓄電池の充電量の下限値を設定し、前記充電量の下限値を前記ネットワークを介して前記外部システムに出力し、前記外部システムは、需給の調整に使う電力である調整力の供出指令を市場システムから取得し、前記供出指令に基づき、前記充電量の下限値を下回らない範囲で前記調整力を供出できるよう前記蓄電池の充放電動作に関する指令を前記蓄電池システムに対して出力することを特徴とする電力需給管理システムである。
請求項9に記載された発明は、電力の充電または放電が可能な蓄電池を含む蓄電池システムを制御する方法であって、電力網から電力が供給される負荷のうち停電時に電力の供給がなされる重要負荷に対して必要とされる消費電力量を予測し、予測された前記消費電力量に基づいて、前記蓄電池の充電量の下限値を設定し、需給の調整に使う電力である調整力の供出指令を市場システムから取得し、前記供出指令に基づき、前記充電量の下限値を下回らない範囲で前記調整力を供出できるよう前記蓄電池の充放電動作を実行させることを特徴とする蓄電池システムの制御方法である。
請求項10に記載された発明は、電力の充電または放電が可能な蓄電池を含む蓄電池システムであって、電力網から電力が供給される負荷のうち停電時に電力の供給がなされる重要負荷に対して必要とされる消費電力量を予測し、予測された前記消費電力量に基づいて、前記蓄電池の充電量の下限値を設定して外部システムへ出力し、前記充電量の下限値を下回らない範囲で設定された前記蓄電池の充放電動作に関する指令を前記外部システムから取得し、取得した前記指令に基づき前記蓄電池の充放電動作を実行することを特徴とする蓄電池システムである。
請求項11に記載された発明は、電力の充電または放電が可能な蓄電池を含む蓄電池システムを制御する外部システムであって、電力網から電力が供給される負荷のうち停電時に電力の供給がなされる重要負荷に対して必要とされる消費電力量に基づいて設定された前記蓄電池の充電量の下限値を前記蓄電池システムから取得し、需給の調整に使う電力である調整力の供出指令を市場システムから取得し、前記供出指令に基づき、前記充電量の下限値を下回らない範囲で前記蓄電池の充放電動作を実行させる指令を前記蓄電池システムに対して出力することを特徴とする外部システムである。
【発明の効果】
【0007】
本発明によれば、市場システムから調整力の供出指令を取得しない場合と比較して、導入した資産をより有効に活用することができる。
【図面の簡単な説明】
【0008】
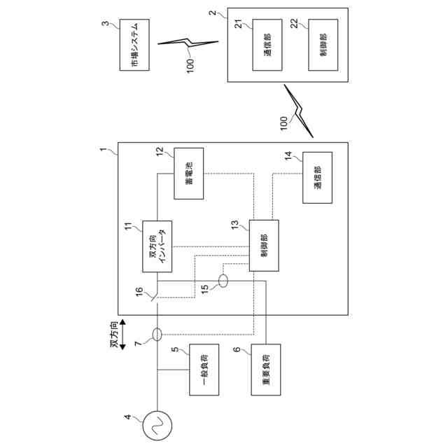
電力需給管理システムを含む本実施形態の一例を示す図である。
本実施形態に係る蓄電池システムおよび外部システムのハードウェア構成例を示す図である。
制御部が予め定められた周期ごとに重要負荷の消費電力量を予測した一例を示す図である。
蓄電池システムの制御部が行う制御処理の手順を説明するためのフローチャートである。
蓄電池の充電状態の一例を示す図である。
蓄電池に対する事前充電動作の一例を示した図である。
外部システムの制御部が行う制御処理の手順を説明するためのフローチャートである。
蓄電池の劣化を防止する制御の例を示す図である。
電力の利用可能な範囲に制限がある蓄電池の一例を示す図である。
電力の利用可能な範囲に制限がある蓄電池の他の例を示す図である
蓄電池に対する事前充電動作の他の例を示す図である。
常時インバータ方式の無停電電源装置の例を示す図である。
パラレルプロセッシング型の無停電電源装置の例を示す図である。
【発明を実施するための形態】
【0009】
以下、添付図面を参照して、本発明の実施形態について説明する。
<電力需給管理システムの構成>
図1は、電力需給管理システムを含む本実施形態の一例を示す図である。
本実施形態における電力需給管理システムは、蓄電池システム1と外部システム2とを有する。蓄電池システム1は、蓄電池12への充電動作、または、蓄電池12からの放電動作を制御するシステムである。外部システム2は、市場システム3から指令を受け取り、その指令を基に蓄電池システム1を管理するシステムである。本実施形態では、外部システム2は、複数の蓄電池システム1を管理する。図1では、複数の蓄電池システム1のうち、一の蓄電池システム1を示している。蓄電池システム1と外部システム2は、ネットワーク100を介して接続され、各種の情報の送受信を行う。また、外部システム2は、市場システム3とネットワーク100を介して接続され、各種の情報の送受信を行う。
【0010】
ネットワーク100は、各システム間の通信を担う情報通信ネットワークである。ネットワーク100は、データの送受信が可能であれば、その種類は特に限定されず、例えばインターネット、WAN(Wide Area Network)等としてよい。データ通信に用いられる通信回線は、有線であっても無線であってもよく、これらを併用してもよい。また、複数のネットワークや通信回線を介して各システムを接続する構成としてもよい。
(【0011】以降は省略されています)
この特許をJ-PlatPat(特許庁公式サイト)で参照する
関連特許
東京瓦斯株式会社
電力システム
27日前
東京瓦斯株式会社
データ管理装置
5日前
東京瓦斯株式会社
水電解システム
1か月前
東京瓦斯株式会社
水電解システム
1か月前
東京瓦斯株式会社
水電解システム
14日前
東京瓦斯株式会社
水電解システム
1か月前
東京瓦斯株式会社
電動車両充電機器
4日前
東京瓦斯株式会社
充電量把握システム
4日前
東京瓦斯株式会社
電気自動車用充電コネクタ
1か月前
東京瓦斯株式会社
情報処理装置、及びプログラム
3日前
東京瓦斯株式会社
巡回業務分担システムおよびプログラム
2か月前
東洋ガスメーター株式会社
ガスメーター
1か月前
株式会社LIXIL
可燃性ガス回収装置
3日前
東京瓦斯株式会社
商品提示システム、及び商品提示プログラム
3日前
東京瓦斯株式会社
疲労損傷検出方法および疲労損傷検出システム
2か月前
東京瓦斯株式会社
アンモニア燃焼装置、及び、アンモニア燃焼方法
1か月前
東京瓦斯株式会社
情報処理システム、情報処理方法、およびプログラム
1か月前
東京瓦斯株式会社
炭素削減手段提案システムおよび炭素削減手段提案方法
28日前
東京瓦斯株式会社
電力市場価格予測装置、電力市場価格予測方法及びプログラム
3か月前
東京瓦斯株式会社
情報処理装置、充電システム、電力制御方法、およびプログラム
2か月前
東京瓦斯株式会社
電気ヒータのスケール検知方法、電気ヒータのスケール検知装置、及び、電気ボイラ
1か月前
東京瓦斯株式会社
電力需給管理システム、蓄電池システムの制御方法、蓄電池システム、および外部システム
3日前
東京瓦斯株式会社
二酸化炭素還元電極用カソードガス拡散層、二酸化炭素還元電極、及び、二酸化炭素電解セル
17日前
個人
電源装置
18日前
個人
永久磁石モーター
1か月前
個人
バッテリ内蔵直流電源
17日前
株式会社FUJI
制御盤
7日前
オムロン株式会社
電源回路
11日前
オムロン株式会社
電源回路
11日前
オムロン株式会社
電源回路
11日前
日産自動車株式会社
電子機器
28日前
トヨタ自動車株式会社
回転子
3日前
ニデック株式会社
モータの制御方法
25日前
トヨタ自動車株式会社
回転子
18日前
エイブリック株式会社
バッテリ装置
1か月前
井関農機株式会社
充電システム
28日前
続きを見る
他の特許を見る