TOP
|
特許
|
意匠
|
商標
特許ウォッチ
Twitter
他の特許を見る
公開番号
2025145922
公報種別
公開特許公報(A)
公開日
2025-10-03
出願番号
2024046435
出願日
2024-03-22
発明の名称
異常診断システム
出願人
大阪瓦斯株式会社
代理人
弁理士法人R&C
主分類
H01M
8/04 20160101AFI20250926BHJP(基本的電気素子)
要約
【課題】原燃料ブロアの動作異常の原因を診断できる異常診断システムを提供する。
【解決手段】異常診断システムであって、燃料電池装置は、水利用系統の所定部位での回収水の電気伝導度を測定する電気伝導度測定器とを備え、記異常診断装置は、原燃料ブロアの出力が目標原燃料流量に応じた標準出力よりも所定値以上大きいという原燃料異常条件が満たされる場合、その後に行われる停止処理において、停止状態を第1停止期間よりも長い第2停止期間継続させ、停止状態を第2停止期間継続した後において電気伝導度測定器が測定する電気伝導度が所定の回収水異常条件を満たす場合、排熱回収用熱交換器において湯水が排出ガス流路に流入していると判定する。
【選択図】図3
特許請求の範囲
【請求項1】
施設に設置される燃料電池装置と、前記燃料電池装置から情報通信回線を介して受信した情報に基づいて前記燃料電池装置で発生する異常の内容を診断する異常診断装置とを備える異常診断システムであって、
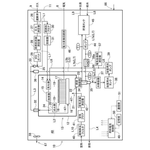
前記燃料電池装置は、原燃料を水蒸気改質して燃料ガスを生成する改質器と、前記改質器で生成された前記燃料ガスが供給されるアノード及び空気が供給されるカソードを有する燃料電池セルを複数有するセルスタックと、前記改質器に供給される前記原燃料が流れる原燃料供給路と、前記原燃料供給路を介して前記改質器に前記原燃料を供給する原燃料ブロアと、前記カソードに供給される空気が流れる空気供給路と、前記空気供給路を介して前記カソードに空気を供給する空気ブロアと、前記セルスタックから排出されるオフガスを燃焼する燃焼部と、前記燃焼部での燃焼により発生したガスを含む排出ガスが流れる排出ガス流路と、前記排出ガスの熱を回収した湯水を貯える貯湯タンクと、前記排出ガス流路の途中に設けられる排熱回収用熱交換器と、前記貯湯タンクから取り出した前記湯水を前記排熱回収用熱交換器に供給し、前記排熱回収用熱交換器を流れた前記湯水を前記貯湯タンクに戻す構成で前記湯水を循環させることで、前記排熱回収用熱交換器において前記排出ガスの熱を前記貯湯タンクで回収するように構成される湯水循環部と、前記排熱回収用熱交換器で前記排出ガスが冷却されることにより当該排出ガス中から回収できる回収水を貯える回収水タンクを有し、当該回収水タンクで貯える前記回収水を前記改質器での前記原燃料の水蒸気改質のために供給する水利用系統と、制御装置と、前記原燃料供給路を介して前記改質器に供給される前記原燃料の単位時間当たりの流量を測定する原燃料流量測定器と、前記水利用系統の所定部位での前記回収水の電気伝導度を測定する電気伝導度測定器とを備え、
前記燃料電池装置の前記制御装置は、前記原燃料流量測定器によって測定される原燃料流量が目標原燃料流量になるように前記原燃料ブロアの出力を調節し、所定の停止条件を満たした場合、前記改質器への前記原燃料の供給を停止すると共に前記燃料電池セルでの発電を停止させる停止状態を第1停止期間継続させる停止処理を行うように構成され、
前記異常診断装置は、前記原燃料ブロアの出力が前記目標原燃料流量に応じた標準出力よりも所定値以上大きいという原燃料異常条件が満たされる場合、その後に行われる前記停止処理において、前記停止状態を前記第1停止期間よりも長い第2停止期間継続させ、前記停止状態を前記第2停止期間継続した後において前記電気伝導度測定器が測定する前記電気伝導度が所定の回収水異常条件を満たす場合、前記排熱回収用熱交換器において前記湯水が前記排出ガス流路に流入していると判定する異常診断システム。
続きを表示(約 350 文字)
【請求項2】
前記異常診断装置は、前記停止状態を前記第2停止期間継続した後において前記電気伝導度測定器が測定する前記電気伝導度が設定値以上である場合に前記回収水異常条件が満たされると判定する請求項1に記載の異常診断システム。
【請求項3】
前記異常診断装置は、前記停止状態を前記第2停止期間継続した後において前記電気伝導度測定器が測定する前記電気伝導度が設定値以上である場合、又は、前記停止状態を前記第2停止期間継続した後において前記電気伝導度測定器が測定する前記電気伝導度が、前記停止状態を前記第1停止期間継続した後において前記電気伝導度測定器が測定する前記電気伝導度よりも所定値以上大きい場合に前記回収水異常条件が満たされると判定する請求項1に記載の異常診断システム。
発明の詳細な説明
【技術分野】
【0001】
本発明は、異常診断システムに関する。
続きを表示(約 3,200 文字)
【背景技術】
【0002】
特許文献1(特開2019-71703号公報)には、複数の燃料電池システム、及び、それら複数の燃料電池システムと通信可能に接続されている管理装置を備えるシステムが記載されている。この管理装置は、複数の燃料電池システムのうち少なくとも一の燃料電池システムから、当該燃料電池システムを構成する電池部材の劣化情報を取得する。そして、管理装置は、その劣化情報に基づいて劣化していると判定した検出劣化部材を検出し、その検出劣化部材の製造ロット番号に対応している複数の電池部材を複数の劣化部材として特定し、それら複数の劣化部材それぞれを備える燃料電池システム群である劣化燃料電池システム群を検出劣化部材の劣化情報に基づいて停止することを行う。
【0003】
このように、特許文献1に記載のシステムでは、一つの燃料電池システムの劣化情報を利用して、他の燃料電池システムの電池部材が劣化しているか否かを判定しようとしている。
【先行技術文献】
【特許文献】
【0004】
特開2019-71703号公報
【発明の概要】
【発明が解決しようとする課題】
【0005】
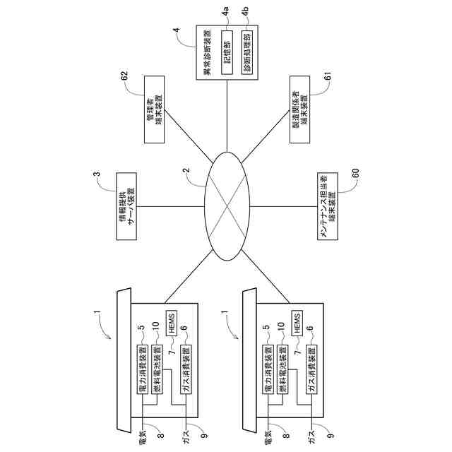
燃料電池システムで発生する異常には様々なものがある。例えば、図2に示すような燃料電池システムは、原燃料を水蒸気改質して燃料ガスを生成する改質器と、改質器で生成された燃料ガスが供給されるアノード及び空気が供給されるカソードを有する燃料電池セルを複数有するセルスタックと、改質器に供給される原燃料が流れる原燃料供給路と、原燃料供給路を介して改質器に原燃料を供給する原燃料ブロアと、カソードに供給される空気が流れる空気供給路と、空気供給路を介してカソードに空気を供給する空気ブロアと、セルスタックから排出されるオフガスを燃焼する燃焼部と、燃焼部での発生した燃焼排ガスを含む排出ガスが流れる排出ガス流路と、排出ガスの熱を回収した湯水を貯える貯湯タンクと、排出ガス流路の途中に設けられる排熱回収用熱交換器と、貯湯タンクから取り出した湯水を排熱回収用熱交換器に供給し、排熱回収用熱交換器を流れた湯水を貯湯タンクに戻す構成で湯水を循環させることで、排熱回収用熱交換器において排出ガスの熱を貯湯タンクで回収するように構成される湯水循環部と、排熱回収用熱交換器で排出ガスが冷却されることにより排出ガス中から回収できる回収水を貯える回収水タンクを有し、回収水タンクで貯える回収水を改質器での原燃料の水蒸気改質のために供給する水利用系統とを備える。
【0006】
このような燃料電池システムの排熱回収用熱交換器では、原燃料流量測定器によって測定される原燃料流量が目標原燃料流量になるように原燃料ブロアの出力が調節される。そして、異常が無ければ、原燃料ブロアの出力は目標原燃料流量に応じた標準出力に近い値になる。
【0007】
しかし、何らかの異常が発生した場合、原燃料ブロアの動作異常、例えば、原燃料ブロアの出力が目標原燃料流量に応じた標準出力よりも所定値以上大きくなるといった異常が発生する場合がある。
【0008】
本発明は、上記の課題に鑑みてなされたものであり、その目的は、原燃料ブロアの動作異常の原因を診断できる異常診断システムを提供する点にある。
【課題を解決するための手段】
【0009】
上記目的を達成するための本発明に係る異常診断システムの特徴構成は、施設に設置される燃料電池装置と、前記燃料電池装置から情報通信回線を介して受信した情報に基づいて前記燃料電池装置で発生する異常の内容を診断する異常診断装置とを備える異常診断システムであって、
前記燃料電池装置は、原燃料を水蒸気改質して燃料ガスを生成する改質器と、前記改質器で生成された前記燃料ガスが供給されるアノード及び空気が供給されるカソードを有する燃料電池セルを複数有するセルスタックと、前記改質器に供給される前記原燃料が流れる原燃料供給路と、前記原燃料供給路を介して前記改質器に前記原燃料を供給する原燃料ブロアと、前記カソードに供給される空気が流れる空気供給路と、前記空気供給路を介して前記カソードに空気を供給する空気ブロアと、前記セルスタックから排出されるオフガスを燃焼する燃焼部と、前記燃焼部での燃焼により発生したガスを含む排出ガスが流れる排出ガス流路と、前記排出ガスの熱を回収した湯水を貯える貯湯タンクと、前記排出ガス流路の途中に設けられる排熱回収用熱交換器と、前記貯湯タンクから取り出した前記湯水を前記排熱回収用熱交換器に供給し、前記排熱回収用熱交換器を流れた前記湯水を前記貯湯タンクに戻す構成で前記湯水を循環させることで、前記排熱回収用熱交換器において前記排出ガスの熱を前記貯湯タンクで回収するように構成される湯水循環部と、前記排熱回収用熱交換器で前記排出ガスが冷却されることにより当該排出ガス中から回収できる回収水を貯える回収水タンクを有し、当該回収水タンクで貯える前記回収水を前記改質器での前記原燃料の水蒸気改質のために供給する水利用系統と、制御装置と、前記原燃料供給路を介して前記改質器に供給される前記原燃料の単位時間当たりの流量を測定する原燃料流量測定器と、前記水利用系統の所定部位での前記回収水の電気伝導度を測定する電気伝導度測定器と、を備え、
前記燃料電池装置の前記制御装置は、前記原燃料流量測定器によって測定される原燃料流量が目標原燃料流量になるように前記原燃料ブロアの出力を調節し、所定の停止条件を満たした場合、前記改質器への前記原燃料の供給を停止すると共に前記燃料電池セルでの発電を停止させる停止状態を第1停止期間継続させる停止処理を行うように構成され、
前記異常診断装置は、前記原燃料ブロアの出力が前記目標原燃料流量に応じた標準出力よりも所定値以上大きいという原燃料異常条件が満たされる場合、その後に行われる前記停止処理において、前記停止状態を前記第1停止期間よりも長い第2停止期間継続させ、前記停止状態を前記第2停止期間継続した後において前記電気伝導度測定器が測定する前記電気伝導度が所定の回収水異常条件を満たす場合、前記排熱回収用熱交換器において前記湯水が前記排出ガス流路に流入していると判定する点にある。
【0010】
排熱回収用熱交換器に異常が発生することで排熱回収用熱交換器において湯水が排出ガス流路に流入している場合、湯水に含まれる不純物も水利用系統に流入し、その不純物を含む水が水蒸気改質のために改質器へと供給される。そして、その不純物が改質器又は改質器の前段で析出して、その部位での圧損が大きくなることが考えられる。
そこで本特徴構成では、異常診断装置は、原燃料ブロアの出力が目標原燃料流量に応じた標準出力よりも所定値以上大きいという原燃料異常条件が満たされる場合、その後に行われる停止処理において、停止状態を第1停止期間よりも長い第2停止期間継続させる。つまり、仮に上記のように排熱回収用熱交換器において湯水が水利用系統に流入しているならば、停止処理を第1停止期間から第2停止期間へと長くすることで、その停止期間に水利用系統に流入する不純物の総量は増加すると考えられる。そして、電気伝導度測定器で測定される回収水の電気伝導度が上昇すると考えられる。そのため、異常診断装置は、停止状態を第2停止期間継続した後において電気伝導度測定器が測定する電気伝導度が所定の回収水異常条件を満たす場合、排熱回収用熱交換器において湯水が排出ガス流路に流入していると判定できる。
従って、原燃料ブロアの動作異常の原因を診断できる異常診断システムを提供できる。
(【0011】以降は省略されています)
この特許をJ-PlatPat(特許庁公式サイト)で参照する
関連特許
大阪瓦斯株式会社
蓄電装置
1か月前
大阪瓦斯株式会社
給湯装置
9日前
大阪瓦斯株式会社
燃焼装置
今日
大阪瓦斯株式会社
加熱調理器
1か月前
大阪瓦斯株式会社
フライヤー
6日前
大阪瓦斯株式会社
ガスコンロ
9日前
大阪瓦斯株式会社
異常診断装置
20日前
大阪瓦斯株式会社
異常診断装置
20日前
大阪瓦斯株式会社
異常診断装置
20日前
大阪瓦斯株式会社
異常診断装置
20日前
大阪瓦斯株式会社
異常診断装置
20日前
大阪瓦斯株式会社
異常診断装置
20日前
大阪瓦斯株式会社
異常診断装置
20日前
大阪瓦斯株式会社
燃料電池装置
19日前
大阪瓦斯株式会社
地中給電設備
19日前
大阪瓦斯株式会社
鮮度維持装置
19日前
大阪瓦斯株式会社
蓄電制御装置
13日前
大阪瓦斯株式会社
異常診断装置
20日前
大阪瓦斯株式会社
警報システム
今日
大阪瓦斯株式会社
異常診断装置
20日前
大阪瓦斯株式会社
管理システム
今日
大阪瓦斯株式会社
ガラス複合体
1日前
大阪瓦斯株式会社
音声出力装置
今日
大阪瓦斯株式会社
警報システム
今日
大阪瓦斯株式会社
ガラス複合体
1日前
大阪瓦斯株式会社
蓄電池管理装置
13日前
大阪瓦斯株式会社
熱供給システム
9日前
大阪瓦斯株式会社
燃焼制御システム
5日前
大阪瓦斯株式会社
熱電併給システム
5日前
大阪瓦斯株式会社
異常診断システム
5日前
大阪瓦斯株式会社
燃料電池システム
20日前
大阪瓦斯株式会社
故障予兆システム
21日前
大阪瓦斯株式会社
燃料電池システム
9日前
大阪瓦斯株式会社
音声出力システム
5日前
大阪瓦斯株式会社
燃料電池システム
5日前
大阪瓦斯株式会社
燃料電池システム
13日前
続きを見る
他の特許を見る