TOP
|
特許
|
意匠
|
商標
特許ウォッチ
Twitter
他の特許を見る
10個以上の画像は省略されています。
公開番号
2025150036
公報種別
公開特許公報(A)
公開日
2025-10-09
出願番号
2024050692
出願日
2024-03-27
発明の名称
スイッチ装置及び負荷駆動システム
出願人
ローム株式会社
代理人
弁理士法人 佐野特許事務所
主分類
H03K
17/28 20060101AFI20251002BHJP(基本電子回路)
要約
【課題】過電流に対して適正に対応する。
【解決手段】スイッチ装置(10)は、入力端子(VBB)と、出力端子(OUT)と、入力端子及び出力端子間に設けられる出力トランジスタ(M1)と、制御信号(Sin)に応じて出力トランジスタをオン又はオフに制御する制御回路(11等)と、を備える。。制御回路は、スイッチ装置の外部温度(Tmp)と出力トランジスタに流れる出力電流(Iout)とに基づき、制御信号に依らず出力トランジスタをオンからオフに切り替える保護動作を実行可能である。
【選択図】図1
特許請求の範囲
【請求項1】
スイッチ装置において、入力端子と、出力端子と、前記入力端子及び前記出力端子間に設けられる出力トランジスタと、当該スイッチ装置に対して供給される制御信号に応じて前記出力トランジスタをオン又はオフに制御するよう構成された制御回路と、を備え、
前記制御回路は、前記スイッチ装置の外部温度と前記出力トランジスタに流れる出力電流とに基づき、前記制御信号に依らず前記出力トランジスタをオンからオフに切り替える保護動作を実行可能に構成される
、スイッチ装置。
続きを表示(約 2,000 文字)
【請求項2】
前記制御回路は、前記出力電流が保護電流値を有する状態が保護発動時間だけ継続したとき、前記保護動作を実行し、
前記制御回路は、前記保護発動時間を前記外部温度の増大につれて減少させる
、請求項1に記載のスイッチ装置。
【請求項3】
前記制御回路は、
前記外部温度が第1温度である場合において前記出力電流が前記保護電流値を有する状態が第1保護発動時間だけ継続したとき、前記保護動作を実行し、
前記外部温度が前記第1温度よりも高い第2温度である場合において前記出力電流が前記保護電流値を有する状態が前記第1保護発動時間より短い第2保護発動時間だけ継続したとき、前記保護動作を実行する
、請求項2に記載のスイッチ装置。
【請求項4】
前記制御回路は、
前記外部温度が第1温度である場合において前記出力電流が第1保護電流値を有する状態が第1保護発動時間だけ継続したとき、前記保護動作を実行し、
前記外部温度が前記第1温度よりも高い第2温度である場合において前記出力電流が前記第1保護電流値を有する状態が前記第1保護発動時間より短い第2保護発動時間だけ継続したとき、前記保護動作を実行し、
前記外部温度が前記第1温度である場合において前記出力電流が第2保護電流値を有する状態が第3保護発動時間だけ継続したとき、前記保護動作を実行し、
前記外部温度が前記第2温度である場合において前記出力電流が前記第2保護電流値を有する状態が前記第3保護発動時間より短い第4保護発動時間だけ継続したとき、前記保護動作を実行し、
前記第2保護電流値は前記第1保護電流値よりも大きく、前記第3保護発動時間は前記第1保護発動時間よりも短く、前記第4保護発動時間は前記第2保護発動時間よりも短い
、請求項2に記載のスイッチ装置。
【請求項5】
前記制御回路は、
前記外部温度が第1温度である場合において前記出力電流が前記保護電流値を内包する特定電流範囲内に収まる状態が第1保護発動時間だけ継続したとき、前記保護動作を実行し、
前記外部温度が前記第1温度よりも高い第2温度である場合において前記出力電流が前記特定電流範囲内に収まる状態が前記第1保護発動時間より短い第2保護発動時間だけ継続したとき、前記保護動作を実行する
、請求項2に記載のスイッチ装置。
【請求項6】
前記制御回路は、
前記外部温度が第1温度である場合において前記出力電流が第1保護電流値を内包する第1特定電流範囲内に収まる状態が第1保護発動時間だけ継続したとき、前記保護動作を実行し、
前記外部温度が前記第1温度よりも高い第2温度である場合において前記出力電流が前記第1特定電流範囲内に収まる状態が前記第1保護発動時間より短い第2保護発動時間だけ継続したとき、前記保護動作を実行し、
前記外部温度が前記第1温度である場合において前記出力電流が第2保護電流値を内包する第2特定電流範囲内に収まる状態が第3保護発動時間だけ継続したとき、前記保護動作を実行し、
前記外部温度が前記第2温度である場合において前記出力電流が第2特定電流範囲内に収まる状態が前記第3保護発動時間より短い第4保護発動時間だけ継続したとき、前記保護動作を実行し、
前記第2特定電流範囲の下限は前記第1特定電流範囲の上限よりも大きく、前記第3保護発動時間は前記第1保護発動時間よりも短く、前記第4保護発動時間は前記第2保護発動時間よりも短い
、請求項2に記載のスイッチ装置。
【請求項7】
前記外部温度は、前記入力端子に接続され且つ前記スイッチ装置の外部に設けられる入力配線又は前記出力端子に接続され且つ前記スイッチ装置の外部に設けられる出力配線が配置される空間の温度である
、請求項1~6の何れかに記載のスイッチ装置。
【請求項8】
前記制御回路は、前記外部温度が所定温度と一致する状態での前記保護電流値及び前記保護発動時間間の関係を複数段階で切り替える
、請求項1~6の何れかに記載のスイッチ装置。
【請求項9】
前記制御回路は、当該スイッチ装置に対して前記制御信号を供給する外部制御装置から前記外部温度を示す信号の供給を受ける
、請求項1~6の何れかに記載のスイッチ装置。
【請求項10】
前記制御回路は、当該スイッチ装置に対して前記制御信号を供給する外部制御装置とは異なる外部回路から、前記外部制御装置を介することなく、前記外部温度を示す信号の供給を受ける
、請求項1~6の何れかに記載のスイッチ装置。
(【請求項11】以降は省略されています)
発明の詳細な説明
【技術分野】
【0001】
本開示は、スイッチ装置及び負荷駆動システムに関する。
続きを表示(約 2,200 文字)
【背景技術】
【0002】
入力される制御信号に応じ2つの端子間に設けられる出力トランジスタをオン、オフすることにより、2つの端子間を導通又は遮断するスイッチ装置がある。
【先行技術文献】
【特許文献】
【0003】
国際公開第2019/065395号
【0004】
[概要]
スイッチ装置の外部において出力トランジスタに直列接続される配線の安全性を確保するためにも、過電流に対する適切な対策が必要となる。
【0005】
本開示の一態様に係るスイッチ装置は、入力端子と、出力端子と、前記入力端子及び前記出力端子間に設けられる出力トランジスタと、当該スイッチ装置に対して供給される制御信号に応じて前記出力トランジスタをオン又はオフに制御するよう構成された制御回路と、を備え、前記制御回路は、前記スイッチ装置の外部温度と前記出力トランジスタに流れる出力電流とに基づき、前記制御信号に依らず前記出力トランジスタをオンからオフに切り替える保護動作を実行可能に構成される。
【図面の簡単な説明】
【0006】
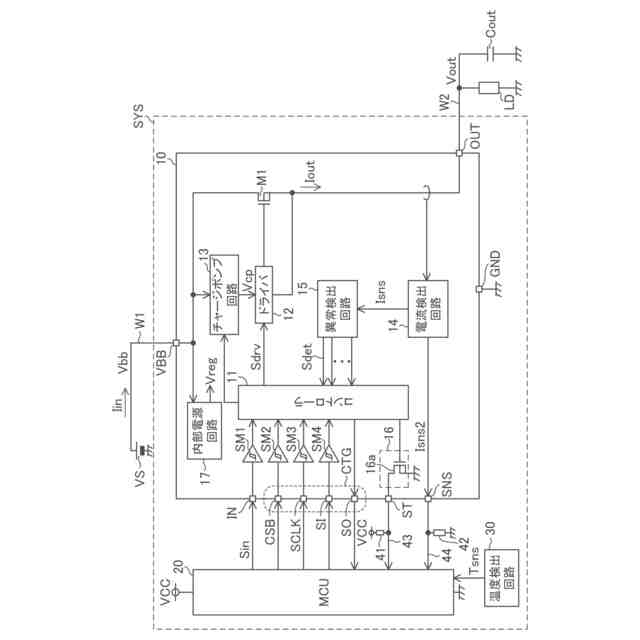
図1は、本開示の実施形態に係る負荷駆動システムの全体構成図である。
図2は、本開示の実施形態に係るスイッチ装置の外観斜視図である。
図3は、本開示の実施形態に係る車両の概略構成図である。
図4は、本開示の実施形態に係り、配線の安全性に関わる3つの領域の説明図である。
図5は、本開示の実施形態に係るスイッチ装置の動作フローチャートである。
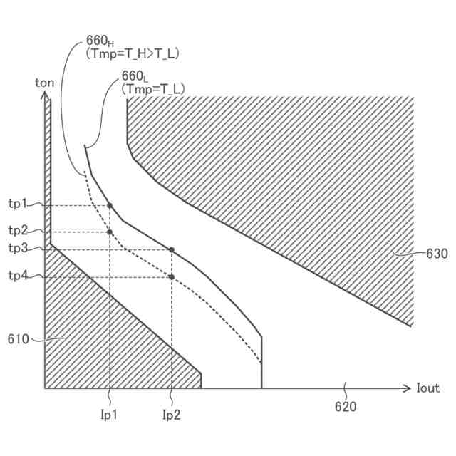
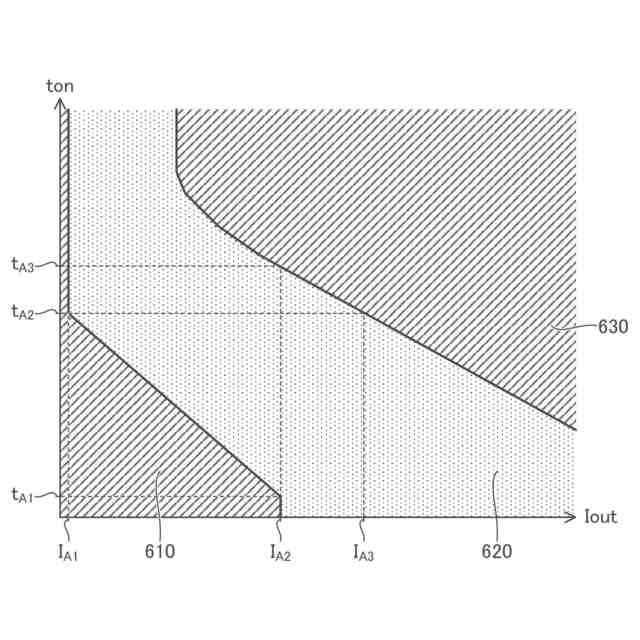
図6は、本開示の実施形態に係り、保護電流値と保護発動時間との関係の説明図である。
図7は、本開示の実施形態に係り、保護電流値と保護発動時間との関係の説明図である。
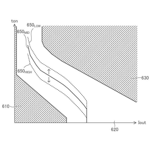
図8は、本開示の実施形態に係り、保護電流値と保護発動時間との関係が外部温度に応じて変化する様子を示す図である。
図9は、本開示の実施形態に属する第1実施例に係り、保護電流値、保護発動時間及び外部温度の関係を示す図である。
図10は、本開示の実施形態に属する第1実施例に係り、出力電流が変化する様子を示す図である。
図11は、本開示の実施形態に属する第2実施例に係り、保護電流値、保護発動時間及び外部温度の関係を示す図である。
図12は、本開示の実施形態に属する第2実施例に係り、出力電流が変化する様子を示す図である。
図13は、本開示の実施形態に属する第3実施例に係り、過電流保護特性の6つの候補を示す図である。
図14は、本開示の実施形態に属する第4実施例に係り、負荷駆動システムの変形全体構成図である。
図15は、本開示の実施形態に属する第5実施例に係り、出力電流を検出するための構成の説明図である。
図16は、本開示の実施形態に属する第6実施例に係り、出力電流を検出するための構成の説明図である。
【0007】
[詳細な説明]
以下、本開示の実施形態の例を、図面を参照して具体的に説明する。参照される各図において、同一の部分には同一の符号を付し、同一の部分に関する重複する説明を原則として省略する。尚、本明細書では、記述の簡略化上、情報、信号、物理量、機能部、回路、素子又は部品等を参照する記号又は符号を記すことによって、該記号又は符号に対応する情報、信号、物理量、機能部、回路、素子又は部品等の名称を省略又は略記することがある。例えば、後述の“W2”によって参照される出力配線は(図1参照)、出力配線W2と表記されることもあるし、配線W2と略記されることもあり得るが、それらは全て同じものを指す。
【0008】
まず、本開示の実施形態の記述にて用いられる幾つかの用語について説明を設ける。グランドとは、基準となる0V(ゼロボルト)の電位を有する基準導電部(reference conductor)を指す又は0Vの電位そのものを指す。基準導電部は金属等の導体を用いて形成されて良い。0Vの電位をグランド電位と称することもある。グランド電位とグランドの電圧は同義である。本開示の実施形態において、特に基準を設けずに示される電圧はグランドから見た電位を表す。
【0009】
レベルとは電位のレベルを指し、任意の注目した信号又は電圧についてハイレベルはローレベルよりも高い電位を有する。任意の注目した信号又は電圧について、信号又は電圧がハイレベルにあるとは厳密には信号又は電圧のレベルがハイレベルにあることを意味し、信号又は電圧がローレベルにあるとは厳密には信号又は電圧のレベルがローレベルにあることを意味する。信号についてのレベルは信号レベルと表現されることがあり、電圧についてのレベルは電圧レベルと表現されることがある。
【0010】
ハイレベル又はローレベルの信号レベルを持つ任意の信号について、当該信号のレベルがハイレベルとされる期間をハイレベル期間と称し、当該信号のレベルがローレベルとされる期間をローレベル期間と称する。ハイレベル又はローレベルの電圧レベルを持つ任意の電圧についても同様である。
(【0011】以降は省略されています)
この特許をJ-PlatPat(特許庁公式サイト)で参照する
関連特許
ローム株式会社
RAM
1日前
ローム株式会社
RAM
1日前
ローム株式会社
電源装置
1日前
ローム株式会社
発振回路
1日前
ローム株式会社
駆動回路
3日前
ローム株式会社
半導体装置
8日前
ローム株式会社
半導体装置
3日前
ローム株式会社
半導体装置
1日前
ローム株式会社
半導体装置
3日前
ローム株式会社
暗号化装置
2日前
ローム株式会社
半導体装置
3日前
ローム株式会社
半導体装置
4日前
ローム株式会社
半導体装置
2日前
ローム株式会社
テスト回路
2日前
ローム株式会社
半導体装置
2日前
ローム株式会社
半導体装置
2日前
ローム株式会社
半導体装置
1日前
ローム株式会社
半導体装置
1日前
ローム株式会社
半導体装置
2日前
ローム株式会社
メモリ装置
8日前
ローム株式会社
半導体装置
8日前
ローム株式会社
半導体装置
1日前
ローム株式会社
半導体装置
8日前
ローム株式会社
半導体装置
8日前
ローム株式会社
半導体装置
8日前
ローム株式会社
半導体装置
1日前
ローム株式会社
無線通信回路
3日前
ローム株式会社
無線通信装置
2日前
ローム株式会社
時間測定回路
3日前
ローム株式会社
静電気保護素子
1日前
ローム株式会社
異常検知システム
1日前
ローム株式会社
フォトダイオード
3日前
ローム株式会社
不揮発性メモリ装置
8日前
ローム株式会社
不揮発性メモリ装置
8日前
ローム株式会社
判定回路、半導体装置
8日前
ローム株式会社
検証装置及び検証方法
1日前
続きを見る
他の特許を見る