TOP
|
特許
|
意匠
|
商標
特許ウォッチ
Twitter
他の特許を見る
公開番号
2025150988
公報種別
公開特許公報(A)
公開日
2025-10-09
出願番号
2024052183
出願日
2024-03-27
発明の名称
水処理装置および水処理方法
出願人
オルガノ株式会社
代理人
弁理士法人YKI国際特許事務所
主分類
C02F
1/44 20230101AFI20251002BHJP(水,廃水,下水または汚泥の処理)
要約
【課題】アンモニアおよび過酸化水素を含有するアンモニア/過酸化水素含有水中に含まれるアンモニアをpH調整工程数と薬品使用量を低減して回収可能となる水処理装置および水処理方法を提供する。
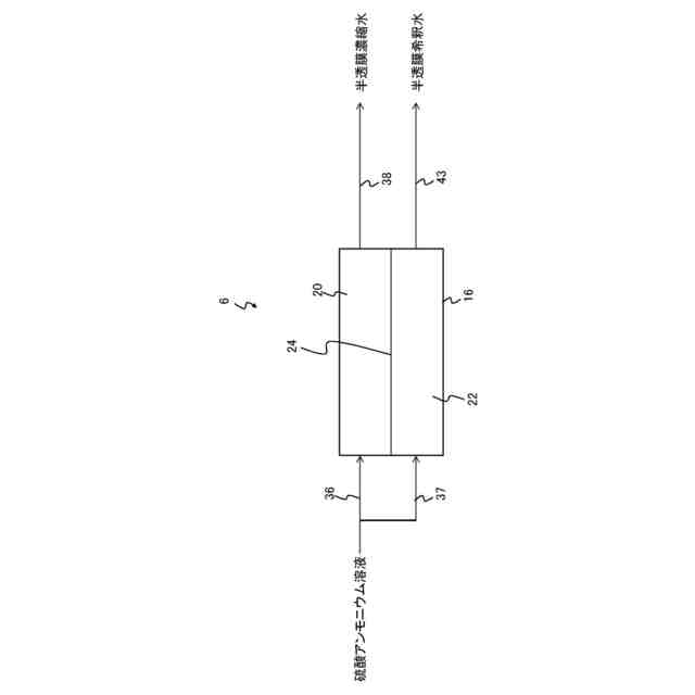
【解決手段】アンモニアおよび過酸化水素を含有するアンモニア/過酸化水素含有水中の過酸化水素を分解する過酸化水素分解装置12と、半透膜24で仕切られた第一空間20と第二空間22とを有する半透膜モジュール16を用いて、過酸化水素分解処理水を第一空間20に通水し、第一空間20を加圧して酸化水素分解処理水に含まれる水を半透膜24を透過させることによって半透膜濃縮水を得るとともに、第二空間22に、過酸化水素分解処理水の一部または半透膜濃縮水の少なくとも一部を通水して半透膜希釈水を得る半透膜処理装置5と、を備える、水処理装置1である。
【選択図】図1
特許請求の範囲
【請求項1】
アンモニアおよび過酸化水素を含有するアンモニア/過酸化水素含有水中の過酸化水素を分解する過酸化水素分解手段と、
半透膜で仕切られた第一空間と第二空間とを有する半透膜モジュールを用いて、前記過酸化水素分解手段で処理された過酸化水素分解処理水を前記第一空間に通水し、前記第一空間を加圧して前記過酸化水素分解処理水に含まれる水を前記半透膜を透過させることによって半透膜濃縮水を得るとともに、前記第二空間に、前記過酸化水素分解処理水の一部または前記半透膜濃縮水の少なくとも一部を通水して半透膜希釈水を得る半透膜処理手段と、
を備えることを特徴とする水処理装置。
続きを表示(約 1,600 文字)
【請求項2】
アンモニアおよび過酸化水素を含有するアンモニア/過酸化水素含有水中の過酸化水素を分解する過酸化水素分解手段と、
半透膜で仕切られた第一空間と第二空間とを有する、複数段に接続された半透膜モジュールを用いて、前記過酸化水素分解手段で処理された過酸化水素分解処理水を第1段の半透膜モジュールの第一空間に通水し、前記第一空間を加圧して前記過酸化水素分解処理水に含まれる水を前記半透膜を透過させることによって半透膜濃縮水を得て、その濃縮水をさらに次段以降の半透膜モジュールを用いて半透膜濃縮水を得るとともに、各段の半透膜モジュールの第二空間に、前記過酸化水素分解処理水の一部または前記半透膜濃縮水の少なくとも一部または他の半透膜モジュールから得られる半透膜希釈水の少なくとも一部を通水して半透膜希釈水を得る半透膜処理手段と、
を備えることを特徴とする水処理装置。
【請求項3】
請求項1または2に記載の水処理装置であって、
前記半透膜濃縮水中のアンモニウムイオン濃度が、50,000mg/L以上であることを特徴とする水処理装置。
【請求項4】
請求項1または2に記載の水処理装置であって、
アンモニアストリッピング処理手段を備えないことを特徴とする水処理装置。
【請求項5】
請求項1または2に記載の水処理装置であって、
前記半透膜処理手段の前段に、前記アンモニア/過酸化水素含有水のpHを5~8に調整するpH調整手段をさらに備えることを特徴とする水処理装置。
【請求項6】
請求項1または2に記載の水処理装置であって、
前記アンモニア/過酸化水素含有水が、半導体工場から排出されるpHが10以上の排水であることを特徴とする水処理装置。
【請求項7】
アンモニアおよび過酸化水素を含有するアンモニア/過酸化水素含有水中の過酸化水素を分解する過酸化水素分解工程と、
半透膜で仕切られた第一空間と第二空間とを有する半透膜モジュールを用いて、前記過酸化水素分解手段で処理された過酸化水素分解処理水を前記第一空間に通水し、前記第一空間を加圧して前記過酸化水素分解処理水に含まれる水を前記半透膜を透過させることによって半透膜濃縮水を得るとともに、前記第二空間に、前記過酸化水素分解処理水の一部または前記半透膜濃縮水の少なくとも一部を通水して半透膜希釈水を得る半透膜処理工程と、
を含むことを特徴とする水処理方法。
【請求項8】
アンモニアおよび過酸化水素を含有するアンモニア/過酸化水素含有水中の過酸化水素を分解する過酸化水素分解工程と、
半透膜で仕切られた第一空間と第二空間とを有する、複数段に接続された半透膜モジュールを用いて、前記過酸化水素分解手段で処理された過酸化水素分解処理水を第1段の半透膜モジュールの第一空間に通水し、前記第一空間を加圧して前記過酸化水素分解処理水に含まれる水を前記半透膜を透過させることによって半透膜濃縮水を得て、その濃縮水をさらに次段以降の半透膜モジュールを用いて半透膜濃縮水を得るとともに、各段の半透膜モジュールの第二空間に、前記過酸化水素分解処理水の一部または前記半透膜濃縮水の少なくとも一部または他の半透膜モジュールから得られる半透膜希釈水の少なくとも一部を通水して半透膜希釈水を得る半透膜処理工程と、
を含むことを特徴とする水処理方法。
【請求項9】
請求項7または8に記載の水処理方法であって、
前記半透膜濃縮水中のアンモニウムイオン濃度が、50,000mg/L以上であることを特徴とする水処理方法。
【請求項10】
請求項7または8に記載の水処理方法であって、
アンモニアストリッピング処理工程を含まないことを特徴とする水処理方法。
(【請求項11】以降は省略されています)
発明の詳細な説明
【技術分野】
【0001】
本発明は、アンモニアおよび過酸化水素を含有するアンモニア/過酸化水素含有水からアンモニアを回収する水処理装置および水処理方法に関する。
続きを表示(約 1,700 文字)
【背景技術】
【0002】
アンモニアを含有するアンモニア含有水の処理として、アンモニアストリッピング処理が知られている。アンモニアストリッピング処理は、アンモニア(アンモニウムイオン)を含む被処理水のpHを例えば10以上に調整し、被処理水の温度を例えば80℃以上に加温調整し、空気を供給して溶液内を曝気することによってアンモニアを気体に変えて被処理水から分離除去する方法である。
【0003】
アンモニアおよび過酸化水素を含有するアンモニア/過酸化水素含有水の処理において、特許文献1のように、被処理水中の過酸化水素を活性炭塔にて分解後、pH7程度に調整してから逆浸透膜処理によって濃縮水を得て、pHを10.5から12の範囲に調整してからアンモニアストリッピング処理する方法が知られている。
【0004】
特許文献2には、アンモニア含有排水をpH10以上でアンモニアストリッピング処理し、その処理水をpH10以上で1段目の逆浸透膜処理を行った後、その透過水をpH8.5以下で2段目の逆浸透膜処理を行い、その濃縮水をアンモニアストリッピング処理の前段に循環することが記載されている。
【0005】
しかし、特許文献1,2の方法のように、アンモニアストリッピング処理は被処理水のpHを10以上にする必要があり、かつ加熱処理が必要であるため、pH調整による薬品コストや加熱によるエネルギーコストが大きくなる場合がある。また、特許文献1,2の方法では、逆浸透膜処理の際にもpH調整を必要とする。
【先行技術文献】
【特許文献】
【0006】
特開2001-314872号公報
特開2017-051954号公報
【発明の概要】
【発明が解決しようとする課題】
【0007】
本発明の目的は、アンモニアおよび過酸化水素を含有するアンモニア/過酸化水素含有水中に含まれるアンモニアをpH調整工程数と薬品使用量を低減して回収可能となる水処理装置および水処理方法を提供することにある。
【課題を解決するための手段】
【0008】
本発明は、アンモニアおよび過酸化水素を含有するアンモニア/過酸化水素含有水中の過酸化水素を分解する過酸化水素分解手段と、半透膜で仕切られた第一空間と第二空間とを有する半透膜モジュールを用いて、前記過酸化水素分解手段で処理された過酸化水素分解処理水を前記第一空間に通水し、前記第一空間を加圧して前記過酸化水素分解処理水に含まれる水を前記半透膜を透過させることによって半透膜濃縮水を得るとともに、前記第二空間に、前記過酸化水素分解処理水の一部または前記半透膜濃縮水の少なくとも一部を通水して半透膜希釈水を得る半透膜処理手段と、を備える、水処理装置である。
【0009】
本発明は、アンモニアおよび過酸化水素を含有するアンモニア/過酸化水素含有水中の過酸化水素を分解する過酸化水素分解手段と、半透膜で仕切られた第一空間と第二空間とを有する、複数段に接続された半透膜モジュールを用いて、前記過酸化水素分解手段で処理された過酸化水素分解処理水を第1段の半透膜モジュールの第一空間に通水し、前記第一空間を加圧して前記過酸化水素分解処理水に含まれる水を前記半透膜を透過させることによって半透膜濃縮水を得て、その濃縮水をさらに次段以降の半透膜モジュールを用いて半透膜濃縮水を得るとともに、各段の半透膜モジュールの第二空間に、前記過酸化水素分解処理水の一部または前記半透膜濃縮水の少なくとも一部または他の半透膜モジュールから得られる半透膜希釈水の少なくとも一部を通水して半透膜希釈水を得る半透膜処理手段と、を備える、水処理装置である。
【0010】
前記水処理装置において、前記半透膜濃縮水中のアンモニウムイオン濃度が、50,000mg/L以上であることが好ましい。
(【0011】以降は省略されています)
この特許をJ-PlatPat(特許庁公式サイト)で参照する
関連特許
オルガノ株式会社
薬液精製システム
16日前
オルガノ株式会社
水処理装置および水処理方法
10日前
オルガノ株式会社
水処理装置および水処理方法
10日前
オルガノ株式会社
水処理装置およびその運転方法
1か月前
オルガノ株式会社
尿素処理装置および尿素処理方法
17日前
オルガノ株式会社
水処理システムおよびその運転方法
18日前
オルガノ株式会社
冷却水系制御方法および冷却水系制御装置
1か月前
オルガノ株式会社
タンパク質洗浄剤およびタンパク質洗浄方法
4日前
オルガノ株式会社
情報処理装置、判定方法および水処理システム
18日前
オルガノ株式会社
電池収容体、電池モジュール、および電池パック
12日前
オルガノ株式会社
水処理設備、制御装置、運転方法およびプログラム
11日前
オルガノ株式会社
液体処理システム、情報処理装置および情報処理方法
1か月前
オルガノ株式会社
冷却水系の薬注制御方法および冷却水系の薬注制御装置
1か月前
オルガノ株式会社
純水製造システム、回収処理水供給装置および純水製造方法
1か月前
オルガノ株式会社
非粒子状有機多孔質吸収体、および非粒子状有機多孔質吸収体の製造方法
1か月前
オルガノ株式会社
懸濁物質濃度の測定装置、懸濁物質濃度の測定方法、晶析反応システム、および晶析反応方法
1か月前
オルガノ株式会社
強酸性カチオン交換樹脂の製造方法および製造設備、ならびに該強酸性カチオン交換樹脂の再利用方法
4日前
オルガノ株式会社
強塩基性アニオン交換樹脂の製造方法および製造設備、ならびに該強塩基性アニオン交換樹脂の再利用方法
4日前
株式会社ウィズアクア
水質浄化装置
5日前
栗田工業株式会社
排水回収装置
16日前
栗田工業株式会社
用水の水質予測方法
16日前
栗田工業株式会社
超純水製造装置の制御方法
5日前
株式会社神鋼環境ソリューション
貯留槽
9日前
水ing株式会社
廃溶液の処理方法
10日前
栗田工業株式会社
水質予測方法及び水質制御方法
16日前
株式会社クボタ
電解水生成装置
10日前
パナソニックIPマネジメント株式会社
軟水化装置
10日前
パナソニックIPマネジメント株式会社
軟水化装置
10日前
株式会社クボタ
電解水生成装置
10日前
株式会社クボタ
電解水生成装置
10日前
株式会社クボタ
電解水生成装置
10日前
水ing株式会社
排水処理方法及び装置
16日前
パナソニックIPマネジメント株式会社
電解水生成装置
9日前
三浦工業株式会社
汚泥減容システム
9日前
パナソニックIPマネジメント株式会社
水処理装置
10日前
パナソニックIPマネジメント株式会社
水処理装置
10日前
続きを見る
他の特許を見る