TOP
|
特許
|
意匠
|
商標
特許ウォッチ
Twitter
他の特許を見る
10個以上の画像は省略されています。
公開番号
2025163706
公報種別
公開特許公報(A)
公開日
2025-10-30
出願番号
2024067155
出願日
2024-04-18
発明の名称
転がり軸受の耐電食性能評価方法
出願人
NTN株式会社
代理人
個人
,
個人
,
個人
主分類
G01M
13/04 20190101AFI20251023BHJP(測定;試験)
要約
【課題】転がり軸受がどの程度の耐電食性能を有するかを簡易かつ適切に評価することが可能な転がり軸受の耐電食性能評価方法を提供する。
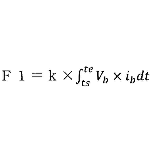
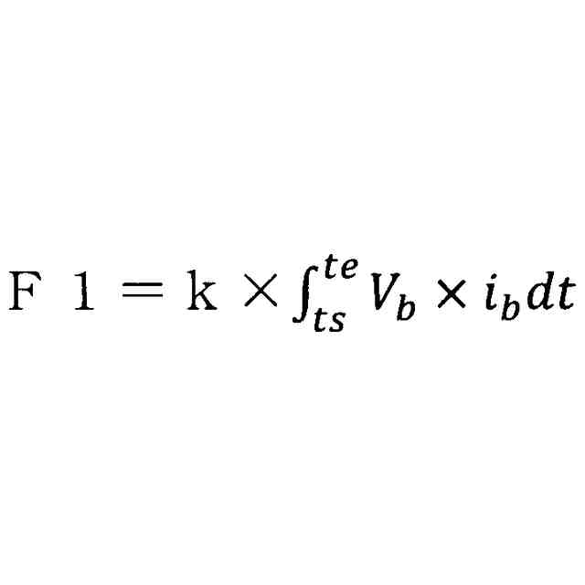
【解決手段】次式で得られるF1の値が基準値を超えているか否かを判定し、超えているときは内輪転走面または外輪転走面に電食によるリッジマークが生じうる軸受であると判定し、超えていないときはリッジマークが生じない軸受であると判定する。
<com:Image com:imageContentCategory="Drawing"> <com:ImageFormatCategory>TIFF</com:ImageFormatCategory> <com:FileName>2025163706000006.tif</com:FileName> <com:HeightMeasure com:measureUnitCode="Mm">16</com:HeightMeasure> <com:WidthMeasure com:measureUnitCode="Mm">129</com:WidthMeasure> </com:Image>
ここで、k :単発放電の電気エネルギーのうち、内輪転走面、外輪転走面、転動体の表面に付与されるエネルギーの割合を表す係数、
ts:単発放電時間の始点、
te:単発放電時間の終点、
Vb:単発放電発生時に電圧測定部で測定される電圧、
ib:単発放電発生時に電流測定部で測定される電流、である。
【選択図】図2
特許請求の範囲
【請求項1】
内輪転走面が外周に形成された内輪と、外輪転走面が内周に形成された外輪と、前記内輪転走面と前記外輪転走面とに転がり接触する複数の転動体と、軸受内部を潤滑する潤滑剤とを有する転がり軸受の耐電食性能評価方法であって、
前記転がり軸受に電圧を印加するとともにその電圧の大きさを変化させることが可能な電源部と、前記内輪と前記外輪の間の電圧を測定する電圧測定部と、前記内輪と前記外輪の間を流れる電流を測定する電流測定部とを使用し、
前記内輪と前記外輪が相対回転している状態で、前記電源部で前記転がり軸受に電圧を印加するとともにその電圧を次第に増加させることで、前記内輪転走面または前記外輪転走面と前記転動体との間に単発放電を発生させる試験を行ない、
その試験結果に基づき、次式で得られるF1の値が所定の基準値を超えているか否かを判定し、超えているときは前記内輪転走面または前記外輪転走面に電食によるリッジマークが生じうる軸受であると判定し、超えていないときは前記リッジマークが生じない軸受であると判定する転がり軸受の耐電食性能評価方法。
TIFF
2025163706000005.tif
16
129
ここで、
k :単発放電の電気エネルギーのうち、内輪転走面、外輪転走面、転動体の表面に付与されるエネルギーの割合を表す係数
ts:単発放電時間の始点
te:単発放電時間の終点
Vb:単発放電発生時に電圧測定部で測定される電圧
ib:単発放電発生時に電流測定部で測定される電流
である。
続きを表示(約 1,100 文字)
【請求項2】
前記潤滑剤の粘度が高いほど前記kの値が大きくなるように前記kの値を前記潤滑剤の粘度に応じて変化させて設定する請求項1に記載の転がり軸受の耐電食性能評価方法。
【請求項3】
前記潤滑剤の体積抵抗率が高いほど前記kの値が大きくなるように前記kの値を前記潤滑剤の体積抵抗率に応じて変化させて設定する請求項1または2に記載の転がり軸受の耐電食性能評価方法。
【請求項4】
前記kの値を、0.2以上0.4以下の範囲で設定する請求項1または2に記載の転がり軸受の耐電食性能評価方法。
【請求項5】
前記tsとして、前記単発放電が発生したときの前記電圧Vbの減少開始時点またはその直前の時点を用いる請求項1または2に記載の転がり軸受の耐電食性能評価方法。
【請求項6】
前記電圧Vbが所定の減少幅以上の幅をもって減少し、かつ、前記電流ibが所定のしきい値以上の大きさまで増加したときに、前記単発放電が発生したと判定する請求項5に記載の転がり軸受の耐電食性能評価方法。
【請求項7】
前記所定の減少幅を0.1V以上の大きさに設定し、
前記所定のしきい値を20mA以上の大きさに設定した請求項6に記載の転がり軸受の耐電食性能評価方法。
【請求項8】
前記teとして、前記単発放電の発生により前記電流ibが増加した後に減少して0に収束する時点またはその直前の時点を用いる請求項1または2に記載の転がり軸受の耐電食性能評価方法。
【請求項9】
前記F1の値が前記所定の上限値を超えていると判定されたときに、前記F1の値に、前記転がり軸受の使用時に想定される単位時間あたりの放電回数nと、前記転がり軸受に要求される使用耐久時間Tとを乗算して得られるF2の値が所定の第2基準値を超えているか否かを更に判定し、前記F2の値が前記第2基準値を超えているときは、前記使用耐久時間T内に前記リッジマークを生じうる軸受であると判定し、前記F2の値が前記第2基準値を超えていないときは、前記使用耐久時間T内に前記リッジマークが生じない軸受であると判定する請求項1または2に記載の転がり軸受の耐電食性能評価方法。
【請求項10】
前記転がり軸受は、一定のスイッチング周波数で動作するインバータで制御される電動モータのロータを回転可能に支持する転がり軸受であり、
前記nとして、前記インバータのスイッチング周波数を3倍した値を用いる請求項9に記載の転がり軸受の耐電食性能評価方法。
(【請求項11】以降は省略されています)
発明の詳細な説明
【技術分野】
【0001】
この発明は、転がり軸受の耐電食性能評価方法に関する。
続きを表示(約 1,300 文字)
【背景技術】
【0002】
産業機械の分野では、ファンモータ、三相モータ、サーボモータ等の電動モータが広く使用されている。この電動モータは、高効率化を図るため、インバータで制御されることが多い。また、EV(バッテリー式電気自動車)やHEV(ハイブリッド電気自動車)などの電気自動車に使用される車両走行用の電動モータも、インバータで制御されている。
【0003】
インバータは、直流電圧を交流電圧に変換するとともに、その交流電圧の周波数を変化させることで電動モータの回転数を制御する。このインバータの制御は、一般に、一定のスイッチング周波数でデューティ比を変化させるパルス幅変調(PWM)制御により行われ、近年、このインバータのスイッチング周波数は高くなる傾向にある。
【0004】
ここで、インバータのスイッチング周波数が高くなると、電動モータのステータの巻線からの漏れ電流により、電動モータのロータを取り巻く高周波磁束が発生し、ロータの両端に電位差が生じる。その結果、ロータを支持する転がり軸受の内輪と外輪の間に電位差が生じる場合がある。
【0005】
また、近年、電気自動車の分野では、電源の高電圧化が進められる傾向にある。電源が高電圧化すると、同じ出力であっても電流を小さくすることができるので、パワーケーブルやインバータの銅損を低減することができるという利点があるが、その一方で、電動モータのロータ電位と接地電位の電位差が大きくなりやすく、ロータを支持する転がり軸受の内輪と外輪の間の電位差が大きくなりやすい。
【0006】
そして、電動モータのロータを支持する転がり軸受の内輪と外輪の電位差が大きくなると、内輪と転動体の間の油膜や外輪と転動体の間の油膜の絶縁破壊が生じ、内輪と外輪の間に電流が流れる。このとき、絶縁破壊が生じた箇所の放電(スパーク)により、転動体が転がり接触する内輪転走面や外輪転走面が局所的に溶融して損傷する現象(電食)が生じることがある。この電食が進行すると、内輪転走面や外輪転走面にリッジマークと呼ばれる縞状の凹凸が形成され、騒音や振動を招くおそれがある。
【0007】
そこで、このリッジマークの発生を防止するための技術として、特許文献1~3のものが知られている。
【0008】
特許文献1は、軸受内部を潤滑する潤滑剤として導電性グリースを用いることで、内輪と転動体の間および外輪と転動体の間に導電性を付与する技術を提案している。
【0009】
特許文献2は、転がり軸受の内輪と外輪の間に形成される環状の軸受空間の端部開口を塞ぐシールとして、導電性ゴムを用いた導電性シールを使用することで、転動体に電流が流れるのを防止する技術を提案している。
【0010】
特許文献3は、電動モータのロータを支持する転がり軸受の近傍に、電動モータのロータとハウジングとの間を電気的に導通する通電ブラシを設けることで、転がり軸受に電流が流れるのを防止する技術を提案している。
(【0011】以降は省略されています)
この特許をJ-PlatPat(特許庁公式サイト)で参照する
関連特許
NTN株式会社
玉軸受
24日前
NTN株式会社
密封装置
1か月前
NTN株式会社
軸受装置
24日前
NTN株式会社
焼成軸受
10日前
NTN株式会社
焼成軸受
10日前
NTN株式会社
軸受装置
24日前
NTN株式会社
焼結軸受
24日前
NTN株式会社
軸受装置
24日前
NTN株式会社
軸受装置
24日前
NTN株式会社
転がり軸受
25日前
NTN株式会社
荷積込装置
25日前
NTN株式会社
転がり軸受
24日前
NTN株式会社
回転伝達装置
25日前
NTN株式会社
回転伝達装置
25日前
NTN株式会社
車輪用軸受装置
25日前
NTN株式会社
リンク作動装置
26日前
NTN株式会社
軸受装置及び間座
25日前
NTN株式会社
等速自在継手用ブーツ
23日前
NTN株式会社
ブーツ付等速自在継手
23日前
NTN株式会社
シェル形針状ころ軸受
26日前
NTN株式会社
転がり軸受の設計方法
3日前
NTN株式会社
軸受装置および機械装置
23日前
NTN株式会社
等速自在継手の外側継手部材
23日前
NTN株式会社
連結機構及びこれを備えた研削盤
26日前
NTN株式会社
転がり軸受の耐電食性能評価方法
3日前
NTN株式会社
軸受装置および異常検知システム
24日前
NTN株式会社
転がり軸受の耐電食性能評価方法
3日前
NTN株式会社
軸受装置および異常検知システム
26日前
NTN株式会社
ピッキング装置およびピッキング方法
25日前
NTN株式会社
軌道輪保持器一体型スラストころ軸受
26日前
NTN株式会社
データ集積装置およびデータ集積システム
25日前
NTN株式会社
パラレルリンク機構およびリンク作動装置
26日前
NTN株式会社
損傷状態診断システムおよび損傷状態診断方法
5日前
NTN株式会社
車輪用軸受装置
3日前
NTN株式会社
等速自在継手用外側継手部材及びこれを備える固定式等速自在継手
24日前
NTN株式会社
ひずみセンサ付き軸受装置、ひずみセンサ付き外輪間座、および工作機械用スピンドル装置
25日前
続きを見る
他の特許を見る