TOP
|
特許
|
意匠
|
商標
特許ウォッチ
Twitter
他の特許を見る
10個以上の画像は省略されています。
公開番号
2025083772
公報種別
公開特許公報(A)
公開日
2025-06-02
出願番号
2023197353
出願日
2023-11-21
発明の名称
ガイドユニットを備えるダブルベルトプレス装置
出願人
株式会社ディムコ
代理人
個人
主分類
B30B
5/06 20060101AFI20250526BHJP(プレス)
要約
【課題】加圧加工品の幅方向の寸法のばらつきを抑えることが可能なダブルベルトプレス装置を提供すること。
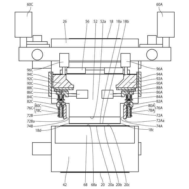
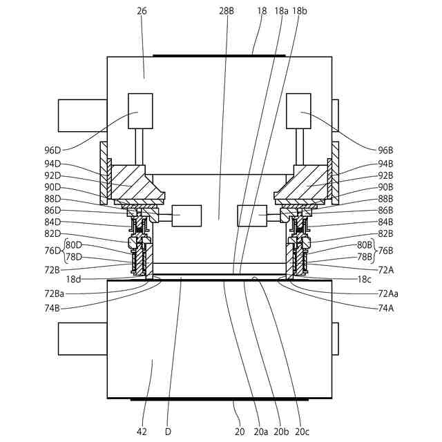
【解決手段】ダブルベルトプレス装置1は、上側ベルトユニット10と、下側ベルトユニット12と、加圧ユニット14と、ガイドユニット16とを備える。ガイドユニット16は、第1のガイド部材72Aと第2のガイド部材72Bを備える。第1のガイド部材72Aは、上側エンドレスベルト18の一方の側縁18cに沿って延びる第1のガイド面74Aを有する。第2のガイド部材72Bは、上側エンドレスベルト18の他方の側縁18dに沿って延びる第2のガイド面74Bを有する。第1及び第2のガイド部材72A、72Bは、それぞれ、第1及び第2のガイド面74A、74Bが上側エンドレスベルト18と下側エンドレスベルト20との間の隙間を側縁18c及び側縁18dの側から塞ぐように配置される。
【選択図】図3
特許請求の範囲
【請求項1】
第1のエンドレスベルト、及び前記第1のエンドレスベルトを回転駆動する第1のベルト駆動機構を有する、第1のベルトユニットと、
前記第1のエンドレスベルトに対して上下方向に並べて配置された第2のエンドレスベルト、及び前記第2のエンドレスベルトを回転駆動する第2のベルト駆動機構を有する第2のベルトユニットと、
前記第2のエンドレスベルトに対向する前記第1のエンドレスベルトの第1の対向走行部の内周面を支持する第1の加圧装置、及び前記第1のエンドレスベルトに対向する前記第2のエンドレスベルトの第2の対向走行部の内周面を支持する第2の加圧装置を有する、加圧ユニットと、
前記第1の対向走行部と前記第2の対向走行部とのうちの少なくとも一方の走行部の一方の側縁に沿って延びて前記第1の対向走行部と前記第2の対向走行部との間の隙間の少なくとも一部を前記一方の側縁の側から塞ぐ第1のガイド面を有する第1のガイド部材、及び前記少なくとも一方の走行部の他方の側縁に沿って延びて前記隙間の少なくとも一部を前記他方の側縁の側から塞ぐ第2のガイド面を有する第2のガイド部材を備える、ガイドユニットと、
を備える、ダブルベルトプレス装置。
続きを表示(約 2,900 文字)
【請求項2】
前記第1のガイド部材が、前記第1のガイド面が前記一方の側縁に押し付けられるように配置され、前記第2のガイド部材が、前記第2のガイド面が前記他方の側縁に押し付けられるように配置された、請求項1に記載のダブルベルトプレス装置。
【請求項3】
前記第1のガイド面が前記第1の対向走行部の一方の側縁に沿って延び、前記第2のガイド面が前記第1の対向走行部の他方の側縁に沿って延びており、
前記第1及び第2のガイド部材が水平面内で移動可能に保持され、前記第1のエンドレスベルトが蛇行又は幅方向に移動したときに、前記第1及び第2のガイド部材が前記第1のエンドレスベルトに追従して前記水平面内で動くようにされた、請求項2に記載のダブルベルトプレス装置。
【請求項4】
前記ガイドユニットが、
前記第1のガイド部材を、前記第1のガイド面が前記一方の側縁に押し付けられる接触位置と、前記第1のガイド面が前記一方の側縁から離れた非接触位置との間で動かすようにされた第1及び第2の水平方向アクチュエータと、
前記第1のエンドレスベルトの前記第1の対向走行部の走行方向で相互に離れた位置で前記第1のガイド部材に取り付けられた第1及び第2の回転連結部であって、前記第1の回転連結部は、前記第1のガイド部材が前記第1の対向走行部に垂直な軸線の周りで前記第1の水平方向アクチュエータに対して回転可能となるように、前記第1のガイド部材を前記第1の水平方向アクチュエータに連結し、前記第2の回転連結部は、前記第1のガイド部材が前記第1の対向走行部に垂直な軸線の周りで前記第2の水平方向アクチュエータに対して回転可能となるように、前記第1のガイド部材を前記第2の水平方向アクチュエータに連結する、第1及び第2の回転連結部と、
前記第2のガイド部材を、前記第2のガイド面が前記一方の側縁に押し付けられる接触位置と、前記第2のガイド面が前記一方の側縁から離れた非接触位置との間で動かすようにされた第3及び第4の水平方向アクチュエータと、
前記走行方向で相互に離れた位置で前記第2のガイド部材に取り付けられた第3及び第4の回転連結部であって、前記第3の回転連結部は、前記第2のガイド部材が前記第1の対向走行部に垂直な軸線の周りで前記第3の水平方向アクチュエータに対して回転可能となるように、前記第2のガイド部材を前記第3の水平方向アクチュエータに連結し、前記第4の回転連結部は、前記第2のガイド部材が前記第1の対向走行部に垂直な軸線の周りで前記第4の水平方向アクチュエータに対して回転可能となるように、前記第2のガイド部材を前記第4の水平方向アクチュエータに連結する、第3及び第4の回転連結部と、
を備える、請求項3に記載のダブルベルトプレス装置。
【請求項5】
前記第1の加圧装置が、前記第1のエンドレスベルトの幅方向と前記第1のエンドレスベルトの前記第1の対向走行部に垂直な軸線周りでの回転方向に変位自在に配置され、前記第1及び第2のガイド部材に挟まれて前記第1及び第2のガイド部材とともに前記第1のエンドレスベルトに追従して動くようにされた、請求項3に記載のダブルベルトプレス装置。
【請求項6】
前記ガイドユニットが、前記第1及び第2のガイド部材を、前記第1及び第2のガイド面が各側縁に押し付けられる接触位置と、前記第1及び第2のガイド面が各側縁から離れる非接触位置との間で動かす水平移動機構を備え、
前記第1の加圧装置が、前記第1のエンドレスベルトの幅方向と前記第1のエンドレスベルトの前記第1の対向走行部に垂直な軸線周りでの回転方向に変位自在に配置され、且つ前記第1のエンドレスベルトの前記第1の対向走行部と前記第2のエンドレスベルトの前記第2の対向走行部との間の前記隙間が加圧加工のための所定の大きさとなるように前記第1のエンドレスベルトの内周面を支持する加圧位置と、前記加圧位置よりも前記第2の加圧装置から遠くに離れた待機位置との間で移動可能とされ、
前記第1の加圧装置が前記待機位置にある状態で前記第1及び第2のガイド部材が前記接触位置となったときに、前記第1の加圧装置が前記第1及び第2のガイド部材に挟まれて前記第1及び第2のガイド部材に対して位置決めされ、
前記第1の加圧装置は、前記待機位置から前記加圧位置にまで前記第1及び第2のガイド部材にガイドされながら移動するようにされた、請求項3に記載のダブルベルトプレス装置。
【請求項7】
前記第1のエンドレスベルトが上側エンドレスベルトであり、前記第2のエンドレスベルトが前記上側エンドレスベルトの下方に配置された下側エンドレスベルトであり、
前記下側エンドレスベルトの幅が前記上側エンドレスベルトの幅よりも大きくされ、前記第1及び第2のガイド部材が、前記下側エンドレスベルトの前記第2の対向走行部の外周面に接触した状態で前記上側エンドレスベルトの前記第1の対向走行部の各側縁に接触するようにされた、請求項1に記載のダブルベルトプレス装置。
【請求項8】
前記第1のベルト駆動機構が、前記第1のエンドレスベルトに張力を加える張力付与形態と、前記第1のエンドレスベルトの張力を解放する張力解放形態との間で形態変化するようにされ、前記第1のベルト駆動機構が前記張力解放形態となり前記第1及び第2のガイド部材が前記第1のエンドレスベルトの各側縁に接触した状態で前記第1のエンドレスベルトを回転駆動させることにより、前記第1のエンドレスベルトを幅方向で位置決めするようにされた、請求項1に記載のダブルベルトプレス装置。
【請求項9】
前記第1のガイド面が前記第1の対向走行部の一方の側縁に沿って延び、前記第2のガイド面が前記第1の対向走行部の他方の側縁に沿って延びており、
前記第1のベルト駆動機構が、前記第1のエンドレスベルトの前記内周面をそれぞれ支持するように水平方向に離れて配置された第1のローラ及び第2のローラを備え、
前記第1及び第2のローラのうちの少なくとも一方が、前記第1のエンドレスベルトの内側方向に変位することにより、前記第1のベルト駆動機構が前記張力付与形態から前記張力解放形態に形態変化するようにされ、
前記第1及び第2のガイド部材が、前記第2のエンドレスベルトに接触する第1位置と前記第1のローラ及び前記第2のローラに近づくようにして前記第2のエンドレスベルトから離れた第2位置との間で上下方向に移動可能とされ、
前記第1のベルト駆動機構が前記張力解放形態となり前記第1及び第2のガイド部材が前記第2位置で前記第1のエンドレスベルトの各側縁に接触した状態で前記第1のエンドレスベルトを回転駆動させることにより、前記第1のエンドレスベルトを幅方向で位置決めするようにされた、請求項8に記載のダブルベルトプレス装置。
発明の詳細な説明
【技術分野】
【0001】
本発明は、上側のエンドレスベルトと下側のエンドレスベルトとの間に設定された隙間に加工対象物を通して、2つのエンドレスベルトの間で加工対象物を加圧して加工するようにされたダブルベルトプレス装置に関する。
続きを表示(約 1,700 文字)
【背景技術】
【0002】
対向する一対のエンドレスベルトの間で加工対象物を加圧して、部材同士の貼り合わせや接着を行なったり粒子状材料から成形品を作製したりするためのダブルベルトプレス装置が知られている。
【0003】
例えば、特許文献1には、上側のエンドレスベルトと下側のエンドレスベルトが対向する位置において各エンドレスベルトの内側に押圧体を配置し、これら押圧体でエンドレスベルトの間を通過する加工対象物を加熱しながら加圧することにより、加工対象物の加工を行なうようにしたダブルベルトプレス装置が開示されている。
【先行技術文献】
【特許文献】
【0004】
特許第5936217号公報
【発明の概要】
【発明が解決しようとする課題】
【0005】
一般に、ダブルベルトプレス装置により加工対象物が加工されると、加工対象物は上下方向に加圧されて圧縮されることによりベルトの幅方向に延びる。特に、樹脂ペレットのような粒状又は粉状の加工対象物を加工して板状の成形品を作製する場合、幅方向への広がりは一定にならず、成形品の幅方向寸法にばらつきが生じたり、成形品がベルトから幅方向にはみ出したりすることがある。そのため、通常は、成形品の一部を切り落としてその幅方向寸法を揃えるような追加工を行なっている。このような追加工は、作業工程が増えるだけでなく、材料の無駄も生じさせ得る。
【0006】
そこで本発明は、加工品の幅方向の寸法のばらつきを抑えることが可能なダブルベルトプレス装置を提供することを目的とする。
【課題を解決するための手段】
【0007】
すなわち本発明は、
第1のエンドレスベルト、及び前記第1のエンドレスベルトを回転駆動する第1のベルト駆動機構を有する、第1のベルトユニットと、
前記第1のエンドレスベルトに対して上下方向に並べて配置された第2のエンドレスベルト、及び前記第2のエンドレスベルトを回転駆動する第2のベルト駆動機構を有する第2のベルトユニットと、
前記第2のエンドレスベルトに対向する前記第1のエンドレスベルトの第1の対向走行部の内周面を支持する第1の加圧装置、及び前記第1のエンドレスベルトに対向する前記第2のエンドレスベルトの第2の対向走行部の内周面を支持する第2の加圧装置を有する、加圧ユニットと、
前記第1の対向走行部と前記第2の対向走行部とのうちの少なくとも一方の走行部の一方の側縁に沿って延びて前記第1の対向走行部と前記第2の対向走行部との間の隙間の少なくとも一部を前記一方の側縁の側から塞ぐ第1のガイド面を有する第1のガイド部材、及び前記少なくとも一方の走行部の他方の側縁に沿って延びて前記隙間の少なくとも一部を前記他方の側縁の側から塞ぐ第2のガイド面を有する第2のガイド部材を備える、ガイドユニットと、
を備える、ダブルベルトプレス装置を提供する。
【0008】
当該ダブルベルトプレス装置においては、第1及び第2のガイド部材が、第1のエンドレスベルトと第2のエンドレスベルトの隙間を各側縁の側から塞ぐように配置されているため、第1及び第2のガイド部材によって加工品を幅方向でガイドして加工品の幅方向への広がりを制限することができる。これにより、加工品の幅方向寸法を第1のガイド部材と第2のガイド部材との間の大きさに揃えることができ、幅方向寸法のばらつきを抑えることが可能となる。
【0009】
また、前記第1のガイド部材が、前記第1のガイド面が前記一方の側縁に押し付けられるように配置され、前記第2のガイド部材が、前記第2のガイド面が前記他方の側縁に押し付けられるように配置されているようにできる。
【0010】
第1及び第2のガイド面が各側縁に押し付けられていることにより、第1及び第2のガイド面と押し付けられた側縁を有するエンドレスベルトとの間に隙間が生じることを防止することが可能となる。
(【0011】以降は省略されています)
この特許をJ-PlatPat(特許庁公式サイト)で参照する
関連特許
株式会社ヨコオ
製造装置
5か月前
日機装株式会社
加圧装置
5か月前
日機装株式会社
加圧システム
6か月前
株式会社ササキコーポレーション
圧縮装置
7か月前
株式会社ササキコーポレーション
圧縮装置
7か月前
トヨタ紡織株式会社
プレス装置
6か月前
大同工業株式会社
高温成形用金型
3か月前
住友重機械工業株式会社
プレス装置
4か月前
住友重機械工業株式会社
プレス装置
5か月前
日本発條株式会社
加工油供給方法及び装置
3か月前
株式会社石垣
スクリュープレスの外筒スクリーン洗浄方法
3か月前
株式会社ジェイテクトフルードパワーシステム
加圧パンチ装置
4か月前
株式会社西田製作所
工具ヘッドと据置台との組み合わせ
5か月前
いすゞ自動車株式会社
成形装置
1か月前
株式会社合同資源
金属ヨウ化物錠剤の製造方法
6か月前
大同特殊鋼株式会社
連続式真空ホットプレス装置
1か月前
株式会社金陽社
熱プレス用緩衝材
1か月前
株式会社ディムコ
ガイドユニットを備えるダブルベルトプレス装置
4か月前
住友重機械工業株式会社
プレス装置及びプレス装置の配管工程
3か月前
トヨタ自動車株式会社
ロールプレス装置
18日前
冨士発條株式会社
プレスシステム、およびトランスファ装置
2か月前
株式会社SGIC
加熱ブロック及びダブルベルトプレス
5か月前
UBEマシナリー株式会社
押出プレス装置の支援システム
3か月前
株式会社石垣
スクリュープレスにおける目詰まり防止機構及びそれを用いた目詰まり防止方法
5か月前
アイダエンジニアリング株式会社
プレス機械及びプレス機械の操作支援方法
1か月前
株式会社KMC
監視システム、センサープレート及び通信制御ユニット
1か月前
ノリタケ株式会社
ロールコンパクション成形装置およびロールコンパクション成形用搬送装置
11日前
住友重機械工業株式会社
プレス装置、診断装置、プレス装置の健全性診断方法及び健全性診断プログラム
6か月前
フェッテ コンパクティング ゲーエムベーハー
回転式プレス機のペレットをプレス試験する方法。
6か月前
学校法人金沢工業大学
加工機械の制御方法、加工機械の制御装置及び制御プログラム
5か月前
コマツ産機株式会社
プレス機械の金型用の予知保全システム及び予知保全のための方法
22日前
株式会社放電精密加工研究所
機械学習装置、情報処理装置、推論装置、機械学習方法、情報処理方法、及び、推論方法
今日
株式会社JKB
順送プレス加工方法及びその加工システム
1か月前
フェッテ コンパクティング ゲーエムベーハー
回転プレス機でペレットをテストプレスする方法および回転プレス機
5か月前
フェック ライニッシュ ゲゼルシャフト ミット ベシュレンクテル ハフツング
プレス工具及びプレスプレートの製造方法
1か月前
フェック ライニッシュ ゲゼルシャフト ミット ベシュレンクテル ハフツング
プレス工具及びプレスプレートの製造方法
1か月前
続きを見る
他の特許を見る