TOP
|
特許
|
意匠
|
商標
特許ウォッチ
Twitter
他の特許を見る
10個以上の画像は省略されています。
公開番号
2025104833
公報種別
公開特許公報(A)
公開日
2025-07-10
出願番号
2023222961
出願日
2023-12-28
発明の名称
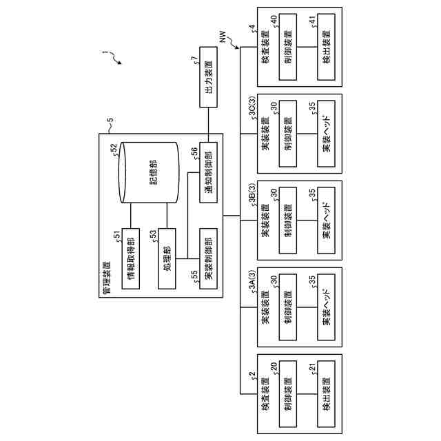
生産システム、管理装置及び管理方法
出願人
JUKI株式会社
代理人
弁理士法人酒井国際特許事務所
主分類
H05K
13/00 20060101AFI20250703BHJP(他に分類されない電気技術)
要約
【課題】生産プログラムの搭載IDと検査プログラムの検査IDとの管理を容易化すること。
【解決手段】生産システムは、基板に部品を実装する実装装置、及び、検査プログラムを用いて基板の検査を行う検査装置を含む生産ラインと、生産プログラムを用いて生産ラインを管理する管理装置と、を備える。生産プログラムは、部品の搭載座標を有する部品毎の搭載IDの情報を含む。検査プログラムは、部品の検査座標を有する部品毎の検査IDの情報を含む。管理装置は、生産プログラムの搭載IDと検査プログラムの検査IDとが異なる場合に、搭載IDの搭載座標と検査IDの検査座標との近さに基づいて、搭載IDと検査IDとの関連付けを行う。
【選択図】図4
特許請求の範囲
【請求項1】
基板に部品を実装する実装装置、及び、検査プログラムを用いて前記基板の検査を行う検査装置を含む生産ラインと、
生産プログラムを用いて前記生産ラインを管理する管理装置と、を備え、
前記生産プログラムは、前記部品の搭載座標を有する前記部品毎の搭載IDの情報を含み、
前記検査プログラムは、前記部品の検査座標を有する前記部品毎の検査IDの情報を含み、
前記管理装置は、前記生産プログラムの前記搭載IDと前記検査プログラムの前記検査IDとが異なる場合に、前記搭載IDの前記搭載座標と前記検査IDの前記検査座標との近さに基づいて、前記搭載IDと前記検査IDとの関連付けを行う、
生産システム。
続きを表示(約 1,300 文字)
【請求項2】
前記管理装置は、前記検査装置が前記検査IDについて検査NGを出力した場合、検査NGとなった前記検査IDと関連付けられた前記搭載IDに関する報知を行う、
請求項1に記載の生産システム。
【請求項3】
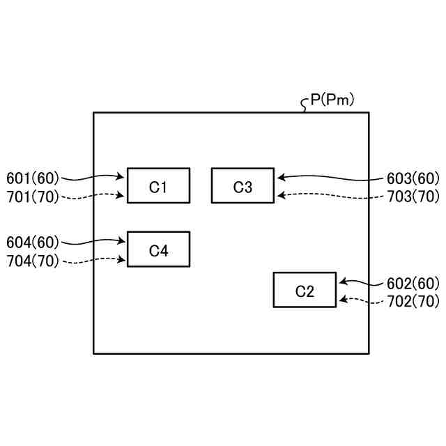
前記管理装置は、前記搭載座標を中心とする判定範囲内に前記検査座標が複数存在する場合に、
前記搭載座標に最も近い前記検査座標を有する前記検査IDを第1候補として関連付け、
前記判定範囲内に前記検査座標を有する前記第1候補以外の前記検査IDを第2候補として関連付ける、
請求項1に記載の生産システム。
【請求項4】
前記管理装置は、前記判定範囲内に前記第2候補が複数存在する場合に、複数の前記第2候補に対して前記第1候補の前記搭載IDから近い順に番号を付与する、
請求項3に記載の生産システム。
【請求項5】
前記生産プログラムは、前記搭載IDで特定される前記部品の部品寸法の情報を含み、
前記管理装置は、前記部品寸法に応じて前記判定範囲を設定する、
請求項3に記載の生産システム。
【請求項6】
前記管理装置は、前記検査装置が前記検査IDについて検査NGを出力した場合、検査NGとなった前記検査IDが前記第1候補として関連付けられた前記搭載IDと、検査NGとなった前記検査IDが前記第2候補として関連付けられた前記搭載IDと、を区別して報知する、
請求項3~5のいずれか1項に記載の生産システム。
【請求項7】
基板に部品を実装する実装装置、及び、検査プログラムを用いて前記基板を検査する検査装置を含む生産ラインを管理する管理装置であって、
前記部品の搭載座標を有する前記部品毎の搭載IDの情報を含む生産プログラムを記憶する記憶部と、
前記検査プログラムに含まれる、前記部品の検査座標を有する前記部品毎の検査IDの情報を取得する情報取得部と、
前記生産プログラムの前記搭載IDと前記検査プログラムの前記検査IDとが異なる場合に、前記搭載IDの前記搭載座標と前記検査IDの前記検査座標との近さに基づいて、前記搭載IDと前記検査IDとの関連付けを行う処理部と、
を備える管理装置。
【請求項8】
基板に部品を実装する実装装置、及び、検査プログラムを用いて前記基板を検査する検査装置を含む生産ラインを管理する管理方法であって、
生産プログラムに含まれる、前記部品の搭載座標を有する前記部品毎の搭載IDの情報を取得するステップと、
前記検査プログラムに含まれる、前記部品の検査座標を有する前記部品毎の検査IDの情報を取得するステップと、
前記生産プログラムの前記搭載IDと前記検査プログラムの前記検査IDとが異なる場合に、前記搭載IDの前記搭載座標と前記検査IDの前記検査座標との近さに基づいて、前記搭載IDと前記検査IDとの関連付けを行うステップと、
を備える管理方法。
発明の詳細な説明
【技術分野】
【0001】
本明細書で開示する技術は、生産システム、管理装置及び管理方法に関する。
続きを表示(約 1,800 文字)
【背景技術】
【0002】
実装基板の生産システムに係る技術分野において、特許文献1に開示されているような、複数の実装装置及び検査装置により構築される生産ラインが知られている。実装基板は、基板に部品を実装することによって生産される。検査装置は、実装装置によって部品が搭載された基板に対して、部品の位置ずれ等の検査を行う。
【先行技術文献】
【特許文献】
【0003】
特開2021-141114号公報
【発明の概要】
【発明が解決しようとする課題】
【0004】
実装装置のそれぞれは、生産プログラムに基づいて制御される。検査装置は、検査プログラムに基づいて制御される。生産プログラム及び検査プログラムは、部品を識別するIDを、それぞれ搭載ID、検査IDとして含んでいる。ここで、同一の部品について、生産プログラムの搭載IDと検査プログラムの検査IDとが一致しない場合がある。
【0005】
搭載IDと検査IDとが一致しないと、いずれかの検査IDで示される部品について検査装置が検査NGの検査結果を出力した場合に、その部品がどの搭載IDの部品で、どの実装装置が搭載したのかが分からなくなる。そのため、従来は、プログラム作成者が搭載IDと検査IDとを合致させるようにプログラム作成を行ったり、或いはプログラム作成後に搭載IDと検査IDとの対応関係を調べる作業を行ったりしている。そのため、生産プログラムの搭載ID及び検査プログラムの検査IDの管理が煩雑である。
【0006】
本明細書で開示する技術は、生産プログラムの搭載IDと検査プログラムの検査IDとの管理を容易化することを目的とする。
【課題を解決するための手段】
【0007】
本明細書は、生産システムを開示する。生産システムは、基板に部品を実装する実装装置、及び、検査プログラムを用いて前記基板の検査を行う検査装置を含む生産ラインと、生産プログラムを用いて前記生産ラインを管理する管理装置と、を備え、前記生産プログラムは、前記部品の搭載座標を有する前記部品毎の搭載IDの情報を含み、前記検査プログラムは、前記部品の検査座標を有する前記部品毎の検査IDの情報を含み、前記管理装置は、前記生産プログラムの前記搭載IDと前記検査プログラムの前記検査IDとが異なる場合に、前記搭載IDの前記搭載座標と前記検査IDの前記検査座標との近さに基づいて、前記搭載IDと前記検査IDとの関連付けを行う。
【0008】
本明細書は、管理装置を開示する。管理装置は、基板に部品を実装する実装装置、及び、検査プログラムを用いて前記基板を検査する検査装置を含む生産ラインを管理する管理装置であって、前記部品の搭載座標を有する前記部品毎の搭載IDの情報を含む生産プログラムを記憶する記憶部と、前記検査プログラムに含まれる、前記部品の検査座標を有する前記部品毎の検査IDの情報を取得する情報取得部と、前記生産プログラムの前記搭載IDと前記検査プログラムの前記検査IDとが異なる場合に、前記搭載IDの前記搭載座標と前記検査IDの前記検査座標との近さに基づいて、前記搭載IDと前記検査IDとの関連付けを行う処理部と、を備える。
【0009】
本明細書は、管理方法を開示する。管理方法は、基板に部品を実装する実装装置、及び、検査プログラムを用いて前記基板を検査する検査装置を含む生産ラインを管理する管理方法であって、生産プログラムに含まれる、前記部品の搭載座標を有する前記部品毎の搭載IDの情報を取得するステップと、前記検査プログラムに含まれる、前記部品の検査座標を有する前記部品毎の検査IDの情報を取得するステップと、前記生産プログラムの前記搭載IDと前記検査プログラムの前記検査IDとが異なる場合に、前記搭載IDの前記搭載座標と前記検査IDの前記検査座標との近さに基づいて、前記搭載IDと前記検査IDとの関連付けを行うステップと、を備える。
【発明の効果】
【0010】
本明細書で開示する技術によれば、生産プログラムの搭載IDと検査プログラムの検査IDとの管理を容易化することができる。
【図面の簡単な説明】
(【0011】以降は省略されています)
この特許をJ-PlatPat(特許庁公式サイト)で参照する
関連特許
JUKI株式会社
ミシン
22日前
JUKI株式会社
ミシン
15日前
JUKI株式会社
ミシン
2か月前
JUKI株式会社
ゴム繋ぎ装置
16日前
JUKI株式会社
ミシンの布押え
4日前
JUKI株式会社
差動送りミシン
22日前
JUKI株式会社
取得装置及び二本針ミシン
9日前
JUKI株式会社
部品実装装置及びオフセット情報取得方法
1日前
JUKI株式会社
3次元計測装置、部品実装装置、及び3次元計測方法
11日前
JUKI株式会社
3次元計測装置、部品実装装置、及び3次元計測方法
15日前
JUKI株式会社
3次元計測装置、部品実装装置、及び3次元計測方法
15日前
JUKI株式会社
検査装置、サービス提供方法及び検査プログラムの提供方法
2か月前
個人
電子部品の実装方法
24日前
個人
電気式バーナー
8日前
個人
非衝突型ガウス加速器
2か月前
日本精機株式会社
回路基板
1か月前
愛知電機株式会社
装柱金具
16日前
キヤノン株式会社
電子機器
1か月前
イビデン株式会社
配線基板
17日前
アイホン株式会社
電気機器
1か月前
日本放送協会
基板固定装置
1か月前
アイホン株式会社
電気機器
2か月前
個人
節電材料
2か月前
メクテック株式会社
配線基板
2か月前
東レ株式会社
霧化状活性液体供給装置
1か月前
マクセル株式会社
配列用マスク
3か月前
イビデン株式会社
プリント配線板
1か月前
イビデン株式会社
プリント配線板
2か月前
サクサ株式会社
開き角度規制構造
15日前
サクサ株式会社
筐体の壁掛け構造
1か月前
イビデン株式会社
配線基板
1か月前
シャープ株式会社
加熱機器
1日前
株式会社レクザム
剥離装置
16日前
株式会社デンソー
電子装置
17日前
FDK株式会社
基板
23日前
イビデン株式会社
配線基板
2か月前
続きを見る
他の特許を見る