TOP
|
特許
|
意匠
|
商標
特許ウォッチ
Twitter
他の特許を見る
10個以上の画像は省略されています。
公開番号
2025115498
公報種別
公開特許公報(A)
公開日
2025-08-07
出願番号
2024009977
出願日
2024-01-26
発明の名称
不揮発性記憶装置及び集積回路装置
出願人
セイコーエプソン株式会社
代理人
個人
,
個人
,
個人
主分類
G11C
16/34 20060101AFI20250731BHJP(情報記憶)
要約
【課題】メモリーセルに記憶されるデータの信頼性を高めることが可能な不揮発性記憶装置を提供すること。
【解決手段】第1メモリーセルを含む複数の不揮発性のメモリーセルを有するメモリーセルアレイと、前記第1メモリーセルに流れる検出電流とリファレンス電流とを比較することで、前記第1メモリーセルに記憶されるデータを読み出し、前記データに応じた論理レベルのデータ信号を出力する読み出し回路と、前記データ信号の前記論理レベルが第1レベルから第2レベルへ遷移する回数をカウントするカウンターと、を備える、不揮発性記憶装置。
【選択図】図1
特許請求の範囲
【請求項1】
第1メモリーセルを含む複数の不揮発性のメモリーセルを有するメモリーセルアレイと、
前記第1メモリーセルに流れる検出電流とリファレンス電流とを比較することで、前記第1メモリーセルに記憶されるデータを読み出し、前記データに応じた論理レベルのデータ信号を出力する読み出し回路と、
前記データ信号の前記論理レベルが第1レベルから第2レベルへ遷移する回数をカウントするカウンターと、を備える、不揮発性記憶装置。
続きを表示(約 990 文字)
【請求項2】
第1メモリーセル及び第2メモリーセルを含む複数の不揮発性のメモリーセルを有するメモリーセルアレイと、
前記第1メモリーセルに流れる第1検出電流と、前記第2メモリーセルに流れる第2検出電流とを比較することで、前記第1メモリーセル及び前記第2メモリーセルに記憶される相補データを読み出し、前記相補データに応じた論理レベルのデータ信号を出力する読み出し回路と、
前記データ信号の前記論理レベルが第1レベルから第2レベルへ遷移する回数をカウントするカウンターと、を備える、不揮発性記憶装置。
【請求項3】
請求項1において、
前記第1メモリーセルにデータが書き込まれた場合、
前記読み出し回路は、前記第1メモリーセルに記憶されるデータを読み出し、当該データに応じた論理レベルの前記データ信号を出力し、
前記カウンターは、前記データ信号の前記論理レベルが前記第1レベルから前記第2レベルへ遷移する回数をカウントする、不揮発性記憶装置。
【請求項4】
請求項2において、
前記第1メモリーセル及び前記第2メモリーセルに前記相補データが書き込まれた場合、
前記読み出し回路は、前記第1メモリーセル及び前記第2メモリーセルに記憶されるデータを読み出し、当該データに応じた論理レベルの前記データ信号を出力し、
前記カウンターは、前記データ信号の前記論理レベルが前記第1レベルから前記第2レベルへ遷移する回数をカウントする、不揮発性記憶装置。
【請求項5】
請求項1又は2において、
前記カウンターは、テストモードに設定された場合に動作し、前記テストモードに設定されない場合は動作を停止する、不揮発性記憶装置。
【請求項6】
請求項1又は2において、
前記カウンターのカウント値が閾値以上であるか否かを判定し、判定結果に応じた論理レベルの判定信号を出力する判定回路と、
テストモードに設定された場合は前記判定信号を選択して出力し、前記テストモードに設定されない場合は前記データ信号を選択して出力するセレクターと、を備える、不揮発性記憶装置。
【請求項7】
請求項1又は2に記載の不揮発性記憶装置を備えた、集積回路装置。
発明の詳細な説明
【技術分野】
【0001】
本発明は、不揮発性記憶装置及び集積回路装置に関する。
続きを表示(約 2,500 文字)
【背景技術】
【0002】
特許文献1には、メモリーセルアレイに設けられる第1のメモリーセルと第2のメモリーセルが、別個のデータを記憶するシングルモードと、互いに相補的なデータである相補データを記憶するデュアルモードとを有する、不揮発性記憶装置が記載されている。特許文献1に記載の不揮発性記憶装置によれば、メモリーセルアレイに設けられる各メモリーセルに対してシングルモードとデュアルモードとを任意に切り替えることができるので、用途に応じて汎用的に使用可能である。
【先行技術文献】
【特許文献】
【0003】
特開2011-192329号公報
【発明の概要】
【発明が解決しようとする課題】
【0004】
特許文献1に記載の不揮発性記憶装置では、第1のメモリーセル及び第2のメモリーセルにシングルモード又はデュアルモードでデータを書き込んだ場合、データを書き込んだ後のベリファイにおいて、第1のメモリーセル又は第2のメモリーセルに書き込まれたデータがシングルモードで読み出される。そして、第1のメモリーセル又は第2のメモリーセルに流れる検出電流がリファレンス電流と比較され、書き込まれたデータが正しく読み出されるか否かが判定される。当該検出電流とリファレンス電流との差が小さい場合、ノイズや電源電位の揺れ等に起因して、読み出されるデータが反転する状態が繰り返されるが、読み出しタイミングによっては正しいデータが読み出されることになる。すなわち、検出電流とリファレンス電流との差が不十分であるにも関わらずベリファイをパスするおそれがあり、メモリーセルに記憶されるデータの信頼性を高めることが望まれる。
【課題を解決するための手段】
【0005】
本発明に係る不揮発性記憶装置の一態様は、
第1メモリーセルを含む複数の不揮発性のメモリーセルを有するメモリーセルアレイと、
前記第1メモリーセルに流れる検出電流とリファレンス電流とを比較することで、前記第1メモリーセルに記憶されるデータを読み出し、前記データに応じた論理レベルのデータ信号を出力する読み出し回路と、
前記データ信号の前記論理レベルが第1レベルから第2レベルへ遷移する回数をカウントするカウンターと、を備える。
【0006】
本発明に係る不揮発性記憶装置の他の一態様は、
第1メモリーセル及び第2メモリーセルを含む複数の不揮発性のメモリーセルを有するメモリーセルアレイと、
前記第1メモリーセルに流れる第1検出電流と、前記第2メモリーセルに流れる第2検出電流とを比較することで、前記第1メモリーセル及び前記第2メモリーセルに記憶される相補データを読み出し、前記相補データに応じた論理レベルのデータ信号を出力する読み出し回路と、
前記データ信号の前記論理レベルが第1レベルから第2レベルへ遷移する回数をカウントするカウンターと、を備える。
【0007】
本発明に係る集積回路装置の一態様は、
前記不揮発性記憶装置の一態様を備える。
【図面の簡単な説明】
【0008】
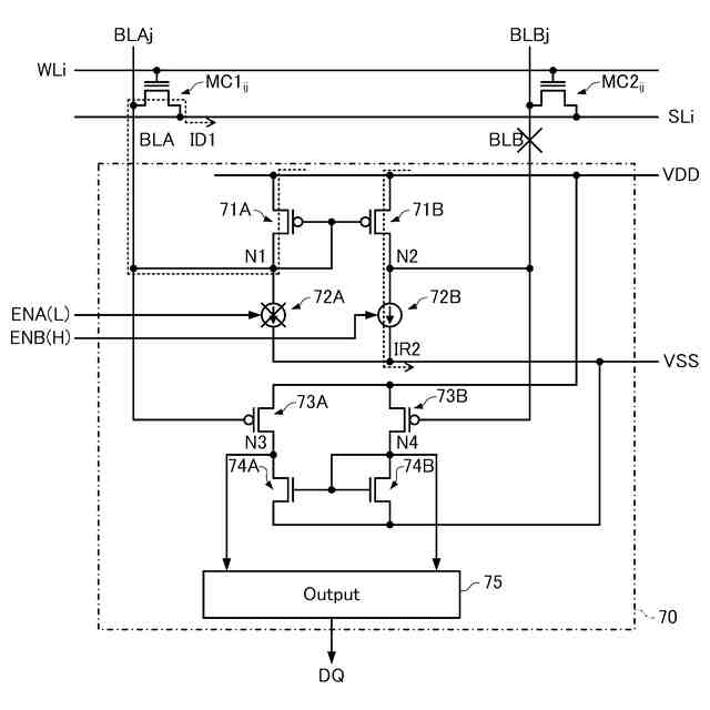
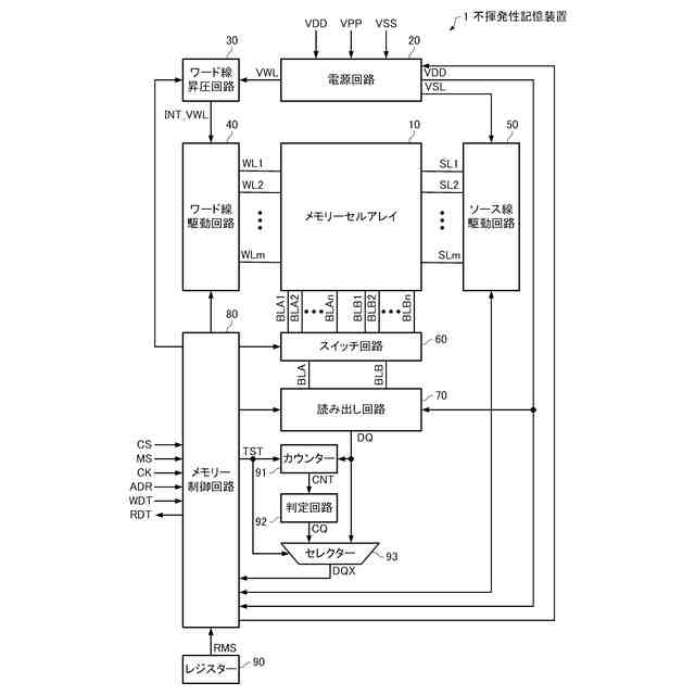
本実施形態の不揮発性記憶装置の概略構成を示すブロック図。
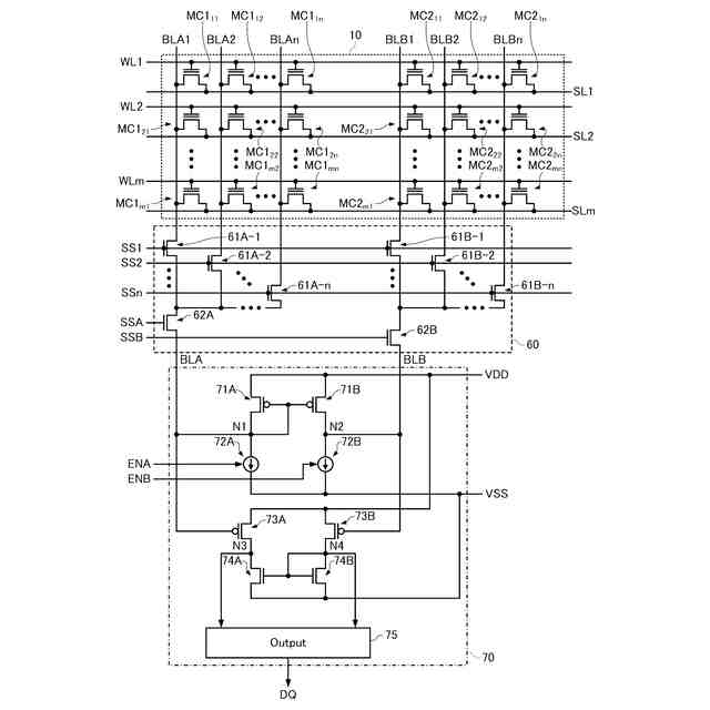
本実施形態におけるメモリーセルアレイ、スイッチ回路及び読み出し回路の詳細な構成例を示す図。
第1実施形態において第1モードに設定されたときの読み出し回路の状態を示す図。
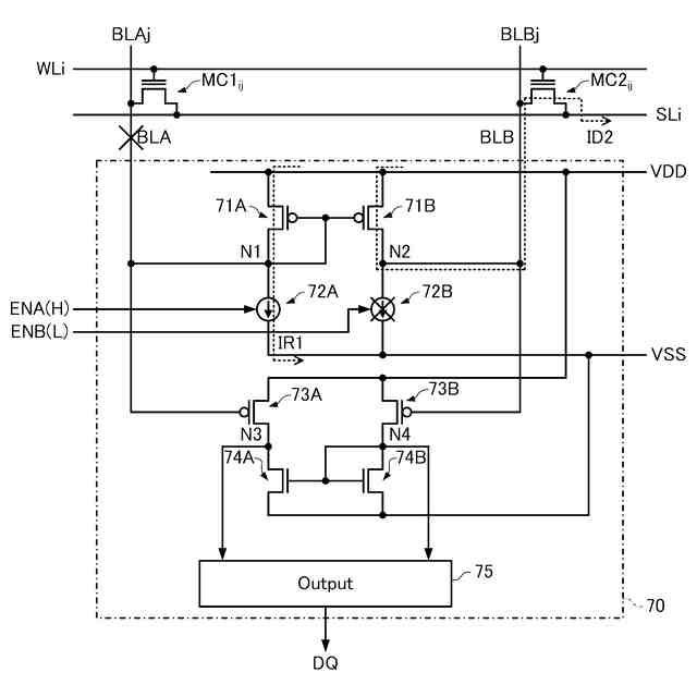
第1実施形態において第2モードに設定されたときの読み出し回路の状態を示す図。
第1実施形態において第2モードに設定されたときの読み出し回路の他の状態を示す図。
テストモードにおける各種信号の波形の一例を示すタイミングチャート図。
テストモードにおける各種信号の波形の他の一例を示すタイミングチャート図。
第1モードに設定された場合の読み出しモード及びテストモードの処理の手順の一例を示すフローチャート図。
第2モードに設定された場合の第1メモリーセルに対する読み出しモード及びテストモードの処理の手順の一例を示すフローチャート図。
第2モードに設定された場合の第2メモリーセルに対する読み出しモード及びテストモードの処理の手順の一例を示すフローチャート図。
第2実施形態において第1モードに設定された場合のデータ書き込み及びベリファイの処理の手順の一例を示すフローチャート図。
第2実施形態において第2モードに設定された場合の第1メモリーセルに対するデータ書き込み及びベリファイの処理の手順の一例を示すフローチャート図。
第2実施形態において第2モードに設定された場合の第2メモリーセルに対するデータ書き込み及びベリファイの処理の手順の一例を示すフローチャート図。
電子機器の構成例を示す機能ブロック図。
【発明を実施するための形態】
【0009】
以下、本発明の好適な実施形態について図面を用いて詳細に説明する。なお、以下に説明する実施の形態は、特許請求の範囲に記載された本発明の内容を不当に限定するものではない。また以下で説明される構成の全てが本発明の必須構成要件であるとは限らない。
【0010】
1.不揮発性記憶装置
1-1.第1実施形態
図1は、本実施形態の不揮発性記憶装置1の概略構成を示すブロック図である。図1に示すように、不揮発性記憶装置1は、メモリーセルアレイ10、電源回路20、ワード線昇圧回路30、ワード線駆動回路40、ソース線駆動回路50、スイッチ回路60、読み出し回路70、メモリー制御回路80、レジスター90、カウンター91、判定回路92及びセレクター93を備える。図2は、メモリーセルアレイ10、スイッチ回路60及び読み出し回路70の詳細な構成例を示す図である。以下、図1及び図2を参照しながら、不揮発性記憶装置1の構成について説明する。
(【0011】以降は省略されています)
この特許をJ-PlatPat(特許庁公式サイト)で参照する
関連特許
株式会社JVCケンウッド
ファイル管理方法
2か月前
キオクシア株式会社
半導体記憶装置
2日前
キオクシア株式会社
半導体装置
2か月前
ローム株式会社
メモリ回路
1か月前
ローム株式会社
メモリ装置
2日前
キヤノン株式会社
撮像装置
1か月前
ローム株式会社
半導体装置
2か月前
キオクシア株式会社
記憶装置
2日前
キオクシア株式会社
記憶装置
今日
ローム株式会社
半導体記憶装置
1か月前
株式会社東芝
磁気ヘッド、及び、磁気記録装置
1か月前
株式会社東芝
磁気ヘッド、及び、磁気記録装置
1か月前
株式会社東芝
磁気ヘッド、及び、磁気記録装置
1か月前
キオクシア株式会社
記憶装置
今日
キオクシア株式会社
磁気メモリ
1か月前
株式会社東芝
磁気ヘッド、及び、磁気記録装置
13日前
ローム株式会社
半導体記憶装置
5日前
ローム株式会社
半導体記憶装置
5日前
株式会社東芝
磁気ヘッド、及び、磁気記録装置
1か月前
キオクシア株式会社
磁気記憶装置
2日前
株式会社パトライト
データ処理プログラム及び報知システム
2か月前
キオクシア株式会社
半導体記憶装置
2か月前
キオクシア株式会社
半導体記憶装置
22日前
キオクシア株式会社
半導体記憶装置
2か月前
キヤノン株式会社
半導体装置および機器
2か月前
ニデックインスツルメンツ株式会社
磁気ヘッドおよびカードリーダ
1か月前
artience株式会社
磁気記録媒体用プライマーおよび磁気記録媒体
2か月前
株式会社東芝
磁気ディスク装置
13日前
株式会社東芝
磁気ディスク装置
22日前
キオクシア株式会社
半導体記憶装置
2日前
ルネサスエレクトロニクス株式会社
電子装置
2か月前
国立大学法人 東京大学
読出回路及び磁気メモリ装置
12日前
ルネサスエレクトロニクス株式会社
半導体装置
1か月前
TDK株式会社
電源装置およびメモリシステム
1か月前
TDK株式会社
電源装置およびメモリシステム
1か月前
ミネベアミツミ株式会社
ハードディスク駆動装置
26日前
続きを見る
他の特許を見る