TOP
|
特許
|
意匠
|
商標
特許ウォッチ
Twitter
他の特許を見る
公開番号
2025142598
公報種別
公開特許公報(A)
公開日
2025-10-01
出願番号
2024042046
出願日
2024-03-18
発明の名称
シリカアルミナ成形体、及びその製造方法
出願人
日揮触媒化成株式会社
代理人
弁理士法人前田特許事務所
主分類
B01J
35/60 20240101AFI20250924BHJP(物理的または化学的方法または装置一般)
要約
【課題】十分な機械強度を有し、活性面でゼオライトに因らずとも十分な性能を発揮できるシリカアルミナ成形体及びその製造方法を提供する。
【解決手段】この成形体は、ピリジン吸着による赤外分光法におけるブレンステッド酸量が50μmol/g以下、ルイス酸量が150μmol/g以下である。また、水銀圧入法による細孔分布測定における全細孔容積が0.65~0.85ml/g、細孔直径100~1000nmにおける細孔容積の全細孔容積に対する割合が20%以下である。このシリカアルミナ成形体の圧壊強度は、5.0N/mm以上である。この成形体は、固定床触媒として十分な機械強度と活性とを有する。
【選択図】なし
特許請求の範囲
【請求項1】
ピリジン吸着による赤外分光法におけるブレンステッド酸量が50μmol/g以下、ルイス酸量が150μmol/g以下、
水銀圧入法による細孔分布測定における全細孔容積が0.65~0.85ml/g、細孔直径100~1000nmにおける細孔容積の全細孔容積に対する割合が20%以下、
圧壊強度が5.0N/mm以上、
であることを特徴とするシリカアルミナ成形体。
続きを表示(約 900 文字)
【請求項2】
シリカの含有量がSiO
2
として50~97質量%、アルミナの含有量がAl
2
O
3
として3~50質量%、SiO
2
/Al
2
O
3
モル比が3~30であることを特徴とする請求項1に記載のシリカアルミナ成形体。
【請求項3】
シリカアルミナが非晶質であることを特徴とする請求項1又は2記載のシリカアルミナ成形体。
【請求項4】
29
Si-NMR解析において、ケミカルシフトが-78~-120ppmに現れる珪素原子のQ
1
~Q
4
構造を表す各々のピークの面積の合計に対する、ケミカルシフトが-108~-120ppmに現れるQ
4
構造を表すピークの面積の割合が30%以上であることを特徴とする請求項1又は2に記載のシリカアルミナ成形体。
【請求項5】
アンモニア昇温脱離法によるアンモニア脱離量が0.30~0.70mmol/gであることを特徴とする請求項1又は2に記載のシリカアルミナ成形体。
【請求項6】
アルカリ金属元素とアルカリ土類元素の少なくとも一方の酸化物の含有量の合計が5質量%未満であることを特徴とする請求項1又は2記載のシリカアルミナ成形体。
【請求項7】
シリカアルミナを準備する第一工程と、
前記シリカアルミナと、珪素を含むバインダーとを混合して混合物を作製する第二工程と、
水分量43~58質量%に調整された前記混合物を成形して成形物を作製する第三工程と、
前記成形物を100~700℃に加熱する第四工程と、
を含むシリカアルミナ成形体の製造方法。
【請求項8】
前記第二工程と前記第三工程の少なくとも一方で、珪素化合物、アルミニウム化合物、粘土鉱物、及び有機物から選ばれる少なくとも一つの材料を加えることを特徴とする請求項7に記載のシリカアルミナ成形体の製造方法。
発明の詳細な説明
【技術分野】
【0001】
本発明は、水素化処理触媒用のシリカアルミナ成形体、及びその製造方法に関する。
続きを表示(約 1,700 文字)
【背景技術】
【0002】
近年、カーボンニュートラル、ケミカルリサイクル、新エネルギー創出に向けた新しいプロセスに係る研究開発が進められている。その研究開発の対象の一つとして触媒の利用が挙げられる。中でも、固定床用触媒は、例えば、水素化精製、分解反応、異性化反応、脱酸素等、様々な用途に使用される。
【先行技術文献】
【特許文献】
【0003】
特開2019-210207号公報
特表2017-518171号公報
特開2017-105649号公報
【発明の概要】
【発明が解決しようとする課題】
【0004】
ところで、固定床用触媒は、工業的に使用されるために、十分な機械強度を有することと、反応系において所望する生成物を高い収率で得ることの両立が要求される。例えば、特開2019-210207号公報(特許文献1)では、高耐摩耗性を有する成形体として、ゼオライト、繊維状粘土、シリカゾル、水溶性ナトリウム塩、及び成形助剤を含むゼオライト成形体が開示されている。また、特表2017-518171号公報(特許文献2)では、モレキュラーシーブ、アルミナ、及び非晶質シリカアルミナ担体を含む水素化分解触媒が開示されている。更に、特開2017-105649号公報(特許文献3)では、ゼオライト、寒梅粉、ポリビニルアルコール、及びシリカ系添加剤を含む長時間放置しても良好に成形できるゼオライト捏和物が開示されている。
【0005】
ゼオライトは、非晶質シリカアルミナに比べて、ブレンステッド酸量が多く分解活性が高いため、特許文献2のように水素化分解触媒として使用される。触媒にゼオライトが多く含まれると、分解活性としては向上するが、過剰に分解したり、副反応を起こしたりして、所望する生成物を得ることが困難となるおそれがある。また、ゼオライト自身が嵩高いため、密に成形できず機械強度が低下するおそれがある。一方、特許文献1の成形体は、上述のような構成により耐摩耗性は高いものの、ゼオライト以外の組成物やアルカリ成分により、固体酸量が低く、所望する生成物を高い収率で得ることが不十分となるおそれがある。そこで、活性面でゼオライトに因らずとも十分な性能を発揮でき、かつ十分な機械強度を有する成形体(触媒)が必要とされる。
【課題を解決するための手段】
【0006】
このような課題を解決するため、次のようなシリカアルミナ成形体を見出した。この成形体は、ピリジン吸着による赤外分光法におけるブレンステッド酸量が50μmol/g以下であり、ルイス酸量が150μmol/g以下である。また、水銀圧入法による細孔分布測定における全細孔容積が0.65~0.85ml/g、細孔直径100~1000nmにおける細孔容積の全細孔容積に対する割合が20%以下である。このシリカアルミナ成形体の圧壊強度は、5.0N/mm以上である。
【0007】
以下、このシリカアルミナ成形体を単に「成形体」あるいは「触媒」ということがある。また、ブレンステット酸を単に「B酸」、ルイス酸を単に「L酸」ということがある。
【0008】
この成形体は、十分な機械強度と、適度に調整されたブレンステッド酸量及びルイス酸量と、反応の場である適度な細孔分布及びその容積と、を有する。すなわち、十分な機械強度と、過反応することなく、所望する生成物を高い収率で得ることができる反応性能とを発揮する。
【0009】
この成形体を得るために、以下のような製造方法を見出した。
【0010】
まず、シリカアルミナを準備する(第一工程)。これに、珪素を含むバインダーを混合して混合物を作製する(第二工程)。次に、この混合物を水分量43~58質量%に調整し、これを成形して成形物を作製する(第三工程)。次に、この成形物を100~700℃に加熱する(第四工程)。
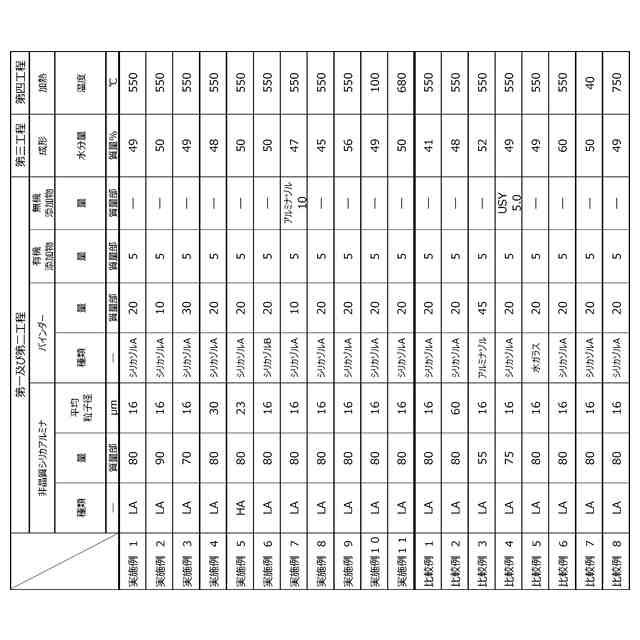
(【0011】以降は省略されています)
この特許をJ-PlatPat(特許庁公式サイト)で参照する
関連特許
日揮触媒化成株式会社
オルト水素をパラ水素に変換する触媒
1か月前
日揮触媒化成株式会社
シリカ微粒子分散液およびその製造方法
2日前
日揮触媒化成株式会社
アルミナ-シリカ-チタニア複合酸化物
3日前
日揮触媒化成株式会社
シリカアルミナ成形体、及びその製造方法
4日前
日揮触媒化成株式会社
研磨用シリカ系粒子分散液およびその製造方法
10日前
日揮触媒化成株式会社
チタン酸バリウム粒子の分散液、およびその製造方法
6日前
東レ株式会社
複合半透膜
1か月前
ユニチカ株式会社
複合中空糸膜
3日前
東レ株式会社
中空糸膜モジュール
2日前
日本ソリッド株式会社
屋外沈殿池
1か月前
三洋化成工業株式会社
水処理薬剤
1か月前
株式会社ニクニ
液体処理装置
16日前
株式会社大善
濃縮脱水機
26日前
日本化薬株式会社
メタノール改質触媒
17日前
三機工業株式会社
ろ過装置
1か月前
株式会社フクハラ
圧縮空気圧回路
1か月前
株式会社カネカ
濃縮システム
1か月前
株式会社カネカ
製造システム
1か月前
テルモ株式会社
ろ過デバイス
27日前
株式会社MRT
微細バブル発生装置
6日前
個人
攪拌装置
6日前
株式会社Tornada
気泡発生装置
1か月前
トヨタ自動車株式会社
CO2回収装置
1か月前
東京理化器械株式会社
クリップ
10日前
株式会社切川物産
撹拌混合装置
1か月前
株式会社笹山工業所
濁水処理システム
6日前
日本ソリッド株式会社
水中懸濁物質付着素材
25日前
ヤマシンフィルタ株式会社
フィルタ装置
24日前
ノリタケ株式会社
ガス吸収シート
17日前
ヤマシンフィルタ株式会社
フィルタ装置
4日前
本田技研工業株式会社
ガス回収装置
1か月前
ダイハツ工業株式会社
二酸化炭素分解装置
25日前
株式会社キャタラー
カーボン担体材料
1か月前
杉山重工株式会社
回転円筒型反応装置
6日前
株式会社福島県南環境衛生センター
処理装置
1か月前
浙江漢信科技有限公司
攪拌装置
1か月前
続きを見る
他の特許を見る