TOP
|
特許
|
意匠
|
商標
特許ウォッチ
Twitter
他の特許を見る
10個以上の画像は省略されています。
公開番号
2025145247
公報種別
公開特許公報(A)
公開日
2025-10-03
出願番号
2024045330
出願日
2024-03-21
発明の名称
半導体装置
出願人
株式会社デンソー
代理人
個人
,
個人
主分類
H01L
25/07 20060101AFI20250926BHJP(基本的電気素子)
要約
【課題】絶縁不良が生じるのを抑制できる半導体装置を提供すること。
【解決手段】半導体装置は、基板50,60、両面に主電極を有する半導体素子40、および封止樹脂体30を備える。基板50,60は、絶縁基材の表面に配置され、パターニングされた表面金属体52,62と、絶縁基材の裏面に配置された裏面金属体を有する。裏面金属体は、封止樹脂体30から露出する露出面を有する。表面金属体52,62は、平面視において複数の角部54,64を有する。複数の角部54,64の一部は、意図的に切り欠かれている。
【選択図】図4
特許請求の範囲
【請求項1】
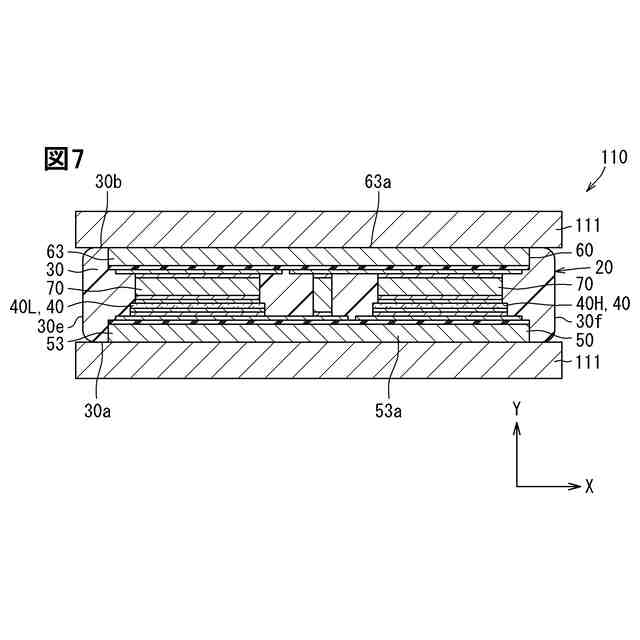
絶縁基材(51,61)と、前記絶縁基材の表面に配置され、パターニングされた表面金属体(52,62)と、前記絶縁基材の裏面に配置された裏面金属体(53,63)と、を有する基板(50,60)と、
第1主電極(41)と、前記第1主電極とは板厚方向において反対の面に設けられた第2主電極(42)と、を有し、前記基板に配置されて前記表面金属体に電気的に接続された半導体素子(40)と、
前記基板および前記半導体素子を封止する封止樹脂体(30)と、を備え、
前記裏面金属体は、前記封止樹脂体から露出し、冷却器に熱的に接続される露出面(53a,63a)を有し、
前記表面金属体は、前記板厚方向の平面視において複数の角部(54,55,64)を有し、
複数の前記角部の少なくとも一部が切り欠かれている、半導体装置。
続きを表示(約 1,500 文字)
【請求項2】
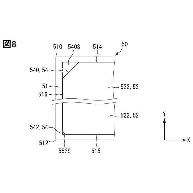
複数の前記角部は、切り欠かれた前記角部である第1角部(540,640)と、第2角部(542,642)と、を含み、
前記平面視において前記表面金属体の外形輪郭をなし、任意の前記角部に連なる2つの直線部を仮想的に延長した部分と前記角部とにより規定される除去面積は、第1角部において前記第2角部よりも大きい、請求項1に記載の半導体装置。
【請求項3】
前記封止樹脂体は、ゲート痕(32)を有し、
前記第1角部は、前記ゲート痕からもっとも離れた位置の前記角部を含む、請求項2に記載の半導体装置。
【請求項4】
前記第2角部は、前記ゲート痕にもっとも近い位置の前記角部を含む、請求項3に記載の半導体装置。
【請求項5】
前記基板は、前記平面視において矩形状をなしており、
複数の前記角部は、前記基板の四隅に対応する4つの角部を含み、
前記4つの角部の少なくともひとつが、前記第1角部である、請求項2に記載の半導体装置。
【請求項6】
前記封止樹脂体は、ゲート痕(32)を有し、
前記基板は、前記平面視において矩形状の外形輪郭をなす四辺として、第1辺(515、615)および第2辺(517,617)と、前記第1辺および前記第2辺よりも前記ゲート痕から離れて位置する第3辺(514,614)および第4辺(516,616)を有し、
前記表面金属体の端部から前記絶縁基材の端部までの幅である絶縁幅は、前記第3辺および前記第4辺において前記第1辺および前記第2辺よりも広い、請求項1~5いずれか1項に記載の半導体装置。
【請求項7】
前記表面金属体は、第1導体パターン(521,621)と、前記第1導体パターンとは電位が異なり、前記第1導体パターンの隣に位置する第2導体パターン(522,622)と、を含み、
前記第1導体パターンと前記第2導体パターンとの間隔が、前記表面金属体の端部から前記絶縁基材の端部までの幅である絶縁幅であって、切り欠かれた前記角部を除く部分の前記絶縁幅よりも広い、請求項1~5いずれか1項に記載の半導体装置。
【請求項8】
前記間隔は、切り欠かれた前記角部を除く部分の前記絶縁幅の1.5倍以上である、請求項7に記載の半導体装置。
【請求項9】
絶縁基材(51,61)と、前記絶縁基材の表面に配置され、パターニングされた表面金属体(52,62)と、前記絶縁基材の裏面に配置された裏面金属体(53,63)と、を有する基板(50,60)と、
第1主電極(41)と、前記第1主電極とは板厚方向において反対の面に設けられた第2主電極(42)と、を有し、前記基板に配置されて前記表面金属体に電気的に接続された半導体素子(40)と、
前記基板および前記半導体素子を封止する封止樹脂体(30)と、を備え、
前記裏面金属体は、前記封止樹脂体から露出し、冷却器に熱的に接続される露出面(53a,63a)を有し、
前記封止樹脂体は、ゲート痕(32)を有し、
前記基板は、前記板厚方向の平面視において矩形状の外形輪郭をなす四辺として、第1辺(515、615)および第2辺(517,617)と、前記第1辺および前記第2辺よりも前記ゲート痕から離れて位置する第3辺(514,614)および第4辺(516,616)を有し、
前記表面金属体の端部から前記絶縁基材の端部までの幅である絶縁幅は、前記第3辺および前記第4辺において前記第1辺および前記第2辺よりも広い、半導体装置。
発明の詳細な説明
【技術分野】
【0001】
この明細書における開示は、半導体装置に関する。
続きを表示(約 2,200 文字)
【背景技術】
【0002】
特許文献1は、両面に金属体を有する基板、基板上に配置された半導体素子、基板および半導体素子を封止する封止樹脂体を備えた半導体モジュールを開示している。先行技術文献の記載内容は、この明細書における技術的要素の説明として、参照により援用される。
【先行技術文献】
【特許文献】
【0003】
特開2023-10131号公報
【発明の概要】
【発明が解決しようとする課題】
【0004】
特許文献1では、基体部の一面上に、積層基板(基板)と筐体部が配置されている。半導体チップ(半導体素子)は、基板の導体パターン(表面金属体)上に配置されている。筐体部は、基板および半導体素子を取り囲むように配置されている。基板は、金属層(裏面金属体)が基体部に接触する状態で、筐体部の内側の空間に充填された封止樹脂体(封止体)により封止されている。このように、半導体素子が実装された基板を樹脂封止する構成では、ボイドによって絶縁不良が生じる虞がある。上述の観点において、または言及されていない他の観点において、半導体装置にはさらなる改良が求められている。
【0005】
本開示の目的のひとつは、絶縁不良が生じるのを抑制できる半導体装置を提供することである。
【課題を解決するための手段】
【0006】
開示のひとつの態様である半導体装置は、
絶縁基材(51,61)と、絶縁基材の表面に配置され、パターニングされた表面金属体(52,62)と、絶縁基材の裏面に配置された裏面金属体(53,63)と、を有する基板(50,60)と、
第1主電極(41)と、第1主電極とは板厚方向において反対の面に設けられた第2主電極(42)と、を有し、基板に配置されて表面金属体に電気的に接続された半導体素子(40)と、
基板および半導体素子を封止する封止樹脂体(30)と、を備え、
裏面金属体は、封止樹脂体から露出し、冷却器に熱的に接続される露出面(53a,63a)を有し、
表面金属体は、板厚方向の平面視において複数の角部(54,55,64)を有し、
複数の角部の少なくとも一部が切り欠かれている。
【0007】
開示の半導体装置によれば、表面金属体が有する複数の角部の少なくとも一部を、意図的に切り欠いている。切り欠きにより、たとえば封止樹脂体の形成時において、ボイドが角部に滞留し難くなる。切り欠くことで表面金属体の角部を裏面金属体から遠ざけているので、角部にボイドが生じても、たとえば表面金属体と裏面金属体とがボイドでつながり、絶縁を確保できなくなるのを抑制することができる。この結果、ボイドにより絶縁不良が生じるのを抑制できる半導体装置を提供することができる。
【0008】
開示の他のひとつの態様である半導体装置は、
絶縁基材(51,61)と、絶縁基材の表面に配置され、パターニングされた表面金属体(52,62)と、絶縁基材の裏面に配置された裏面金属体(53,63)と、を有する基板(50,60)と、
第1主電極(41)と、第1主電極とは板厚方向において反対の面に設けられた第2主電極(42)と、を有し、基板に配置されて表面金属体に電気的に接続された半導体素子(40)と、
基板および半導体素子を封止する封止樹脂体(30)と、を備え、
裏面金属体は、封止樹脂体から露出し、冷却器に熱的に接続される露出面(53a,63a)を有し、
封止樹脂体は、ゲート痕(32)を有し、
基板は、板厚方向の平面視において矩形状の外形輪郭をなす四辺として、第1辺(515、615)および第2辺(517,617)と、第1辺および第2辺よりもゲート痕から離れて位置する第3辺(514,614)および第4辺(516,616)を有し、
表面金属体の端部から絶縁基材の端部までの幅である絶縁幅は、第3辺および第4辺において第1辺および第2辺よりも広い。
【0009】
ゲートに近い位置でエアを巻き込んでも樹脂の流れに押されるため、ボイドは、封止樹脂体においてゲート痕から離れた位置に生じやすい。開示の半導体装置によれば、絶縁幅を、ゲート痕から離れて位置する第3辺および第4辺において、ゲート痕に近い第1辺および第2辺よりも広くする。絶縁幅を広くすることで表面金属体を裏面金属体から遠ざけているので、表面金属体の端部に隣接してボイドが生じても、たとえば表面金属体と裏面金属体とがボイドでつながり、絶縁を確保できなくなるのを抑制することができる。この結果、ボイドにより絶縁不良が生じるのを抑制できる半導体装置を提供することができる。
【0010】
この明細書における開示された複数の態様は、それぞれの目的を達成するために、互いに異なる技術的手段を採用する。請求の範囲およびこの項に記載した括弧内の符号は、後述する実施形態の部分との対応関係を例示的に示すものであって、技術的範囲を限定することを意図するものではない。この明細書に開示される目的、特徴、および効果は、後続の詳細な説明、および添付の図面を参照することによってより明確になる。
【図面の簡単な説明】
(【0011】以降は省略されています)
この特許をJ-PlatPat(特許庁公式サイト)で参照する
関連特許
株式会社デンソー
車載器
12日前
株式会社デンソー
反力装置
6日前
株式会社デンソー
電子装置
6日前
株式会社デンソー
ステータ
12日前
株式会社デンソー
ステータ
12日前
株式会社デンソー
電子装置
7日前
株式会社デンソー
農業用装置
8日前
株式会社デンソー
レーダ装置
5日前
株式会社デンソー
半導体装置
12日前
株式会社デンソーテン
インバータ
6日前
株式会社デンソー
運転支援装置
7日前
株式会社デンソー
車載システム
6日前
株式会社デンソー
車載システム
6日前
株式会社デンソー
衝突予測装置
7日前
株式会社デンソー
衝突予測装置
7日前
株式会社デンソー
運航管理装置
5日前
株式会社デンソー
電力変換装置
8日前
株式会社デンソー
電圧検出回路
8日前
株式会社デンソー
電力変換装置
12日前
株式会社デンソーテン
車載映像装置
12日前
株式会社デンソー
電子制御装置
12日前
株式会社デンソー
電力変換装置
今日
株式会社デンソー
車両制御装置
6日前
株式会社デンソー
はんだ付け装置
今日
株式会社デンソー
圧着ヘッド装置
12日前
株式会社デンソー
巻線界磁ロータ
今日
株式会社デンソー
自己位置推定装置
12日前
株式会社デンソー
スイッチング電源
6日前
株式会社デンソー
無線通信システム
6日前
株式会社デンソートリム
エンジン制御装置
12日前
株式会社デンソーウェーブ
通行管理システム
6日前
株式会社デンソー
フェード検知装置
6日前
株式会社デンソー
セル制御システム
5日前
株式会社デンソー
ステータ及びモータ
1日前
株式会社デンソー
コンパイラドライバ
12日前
株式会社デンソー
スイッチング制御装置
1日前
続きを見る
他の特許を見る