TOP
|
特許
|
意匠
|
商標
特許ウォッチ
Twitter
他の特許を見る
10個以上の画像は省略されています。
公開番号
2025150946
公報種別
公開特許公報(A)
公開日
2025-10-09
出願番号
2024052114
出願日
2024-03-27
発明の名称
スイッチング電源
出願人
株式会社デンソー
,
トヨタ自動車株式会社
,
株式会社ミライズテクノロジーズ
代理人
弁理士法人 快友国際特許事務所
主分類
H02M
3/28 20060101AFI20251002BHJP(電力の発電,変換,配電)
要約
【課題】 各オン期間においてスイッチング電源の一次電流のピーク値のばらつきを抑制する。
【解決手段】 スイッチング電源であって、一次巻線(50a)と二次巻線(50b)を有するトランス(50)と、前記一次巻線に対して直列に接続されたスイッチング素子(26)と、前記二次巻線に接続された電圧出力回路(40)と、前記スイッチング素子をオンさせるゲートオン電位(Von)と前記スイッチング素子をオフさせるゲートオフ電位(Voff)とに交互に変化するゲート信号(Vg)を出力するゲート制御回路(32)、を有する。前記ゲート制御回路が、前記直列回路に印加される入力電圧(Vin)が大きいほど前記ゲートオン電位のパルス幅(Tp)が小さくなるように、前記パルス幅を制御する。
【選択図】図2
特許請求の範囲
【請求項1】
スイッチング電源であって、
一次巻線(50a)と二次巻線(50b)を有するトランス(50)と、
前記一次巻線に対して直列に接続されたスイッチング素子(26)と、
間に前記一次巻線と前記スイッチング素子の直列回路が接続されており、入力電圧が印加される一対の入力端子(20a、20b)と、
前記二次巻線に接続された電圧出力回路(40)と、
前記スイッチング素子をオンさせるゲートオン電位(Von)と前記スイッチング素子をオフさせるゲートオフ電位(Voff)とに交互に変化するゲート信号(Vg)を出力するゲート制御回路(32)、
を有し、
前記ゲート制御回路が、前記直列回路に印加される入力電圧(Vin)が大きいほど前記ゲートオン電位のパルス幅(Tp)が小さくなるように、前記パルス幅を制御する、
スイッチング電源。
続きを表示(約 1,600 文字)
【請求項2】
前記入力電圧を検出する電圧検出回路(24)をさらに有し、
前記ゲート制御回路が、前記電圧検出回路で検出された前記入力電圧に基づいて、前記パルス幅を制御する、
請求項1に記載のスイッチング電源。
【請求項3】
前記直列回路に流れる一次電流(I1)を検出する電流検出回路(60)をさらに有し、
前記ゲート制御回路が、前記スイッチング素子がオンするオン期間中における前記一次電流の上昇速度を特定し、
前記ゲート制御回路が、特定された前記上昇速度が大きいほど前記パルス幅が小さくなるように、前記パルス幅を制御する、
請求項2に記載のスイッチング電源。
【請求項4】
特定された前記上昇速度をS、前記上昇速度をSが特定された前記オン期間における前記入力電圧をVin
-1
、前記入力電圧Vin
-1
よりも後に特定された前記入力電圧をVin
0
、前記一次電流のピーク値の目標値をIpm、前記ゲートオン電位の印加停止から前記一次電流の低下開始までの遅延時間の設定値をTd、前記パルス幅をTpとしたときに、前記ゲート制御回路が、Tp=(Vin
-1
・Ipm)/(Vin
0
・S)-Tdとなるように前記パルス幅Tpを制御する、請求項3に記載のスイッチング電源。
【請求項5】
前記ゲート制御回路が、
前記ゲート信号に基づいて前記オン期間の開始タイミング(t1)を検出し、
前記オン期間中に前記一次電流が基準値に達した特定タイミング(t2)を検出し、
前記開始タイミング、前記特定タイミング、及び、前記基準値に基づいて前記上昇速度を算出する、
請求項3に記載のスイッチング電源。
【請求項6】
前記ゲート制御回路が、
前記オン期間中に前記一次電流が第1基準値に達した第1特定タイミング(t3)を検出し、
前記オン期間中に前記一次電流が前記第1基準値より高い第2基準値に達した第2特定タイミング(t4)を検出し、
前記第1特定タイミング、前記第1基準値、前記第2特定タイミング、及び、前記第2基準値に基づいて前記上昇速度を算出する、
請求項3に記載のスイッチング電源。
【請求項7】
前記ゲート制御回路が、前記スイッチング電源の起動開始直後において前記入力電圧が上昇している期間中に前記上昇速度を特定する、請求項3~6のいずれか一項に記載のスイッチング電源。
【請求項8】
前記ゲート制御回路が、前記スイッチング素子がオンするオン期間中に、前記ゲートオン電位の印加停止から前記直列回路に流れる一次電流の低下開始までの遅延時間(Td)を検出し、
前記ゲート制御回路が、検出された前記遅延時間が長いほど前記パルス幅が小さくなるように、前記パルス幅を制御する、請求項1~6のいずれか一項に記載のスイッチング電源。
【請求項9】
前記ゲート制御回路が、
前記ゲート信号に基づいて前記遅延時間の開始タイミング(t5)を検出し、
前記一次電流に基づいて前記遅延時間の終了タイミング(t6)を検出する、
請求項8に記載のスイッチング電源。
【請求項10】
前記ゲート制御回路が、
前記ゲート信号に基づいて前記遅延時間の開始タイミング(t7)を検出し、
前記入力電圧がフライバック電圧を超えたタイミングを検出することによって前記遅延時間の終了タイミング(t8)を検出する、
請求項8に記載のスイッチング電源。
(【請求項11】以降は省略されています)
発明の詳細な説明
【技術分野】
【0001】
本明細書に開示の技術はスイッチング電源に関する。
続きを表示(約 2,800 文字)
【0002】
特許文献1に開示のスイッチング電源は、トランスと、トランスの一次巻線に対して直列に接続されたスイッチング素子と、スイッチング素子のゲートに接続されたゲート制御回路、を有する。ゲート制御回路がスイッチング素子を周期的にスイッチングさせることで、二次巻線側の回路から所定電圧が出力される。スイッチング素子がオンするオン期間においては、一次巻線とスイッチング素子に電流(以下、一次電流という)が流れる。ゲート制御回路は、一次電流が所定値まで上昇すると、スイッチング素子をターンオフさせる。これによって、スイッチング電源が過電流から保護される。
【先行技術文献】
【特許文献】
【0003】
特開2005-341730号公報
【発明の概要】
【発明が解決しようとする課題】
【0004】
ゲート制御回路がスイッチング素子のゲートにゲートオフ電位(すなわち、スイッチング素子をオフする電位)を入力するタイミングから一次電流が低下するまでの間には、遅延時間が存在する。遅延時間の間に、一次電流は増加する。したがって、各オン期間において、遅延時間中に一次電流のピーク値が形成される。一次電流の上昇速度が変化するため、各オン期間において一次電流のピーク値にばらつきが生じる。トランスの磁気飽和を防止するために、各オン期間における一次電流のピーク値のうちで最大値に合わせてトランスを設計する必要がある。このため、各オン期間において一次電流のピーク値にばらつきが生じると、トランスが大型化するという問題が生じる。本明細書では、各オン期間において一次電流のピーク値のばらつきを抑制する技術を提案する。
【課題を解決するための手段】
【0005】
本明細書が開示するスイッチング電源は、一次巻線と二次巻線を有するトランスと、前記二次巻線に接続された電圧出力回路と、前記一次巻線に対して直列に接続されたスイッチング素子と、前記一次巻線と前記スイッチング素子の直列回路に電圧を印加する電源と、前記スイッチング素子をオンさせるゲートオン電位と前記スイッチング素子をオフさせるゲートオフ電位とに交互に変化するゲート信号を出力するゲート制御回路、を有する。前記ゲート制御回路が、前記直列回路に印加される入力電圧が大きいほど前記ゲートオン電位のパルス幅が小さくなるように、前記パルス幅を制御する。
【0006】
一次巻線とスイッチング素子の直列回路に流れる一次電流の上昇速度は、直列回路に印加される入力電圧と一次巻線のインダクタンスによって定まる。入力電圧が変化するため、オン期間によって一次電流の上昇速度は異なる。このスイッチング電源では、ゲート制御回路が、直列回路に印加される入力電圧が大きいほどゲートオン電位のパルス幅が小さくなるように、パルス幅を制御する。このため、入力電圧が小さい場合(すなわち、一次電流の上昇速度が小さい場合)にはパルス幅が大きくなり、入力電圧が大きい場合(すなわち、一次電流の上昇速度が大きい場合)にはパルス幅が小さくなる。これによって、各オン期間において一次電流のピーク値のばらつきが抑制される。
【図面の簡単な説明】
【0007】
実施例1のスイッチング電源の回路図。
実施例1のスイッチング電源の動作を示すグラフ。
実施例2のスイッチング電源の回路図。
実施例2のスイッチング電源の動作を示すグラフ。
実施例3のスイッチング電源の回路図。
実施例3のスイッチング電源の動作を示すグラフ。
実施例4のスイッチング電源の動作を示すグラフ。
実施例5のスイッチング電源の動作を示すグラフ。
実施例6のスイッチング電源の回路図。
実施例6のスイッチング電源の動作を示すグラフ。
実施例7のスイッチング電源の回路図。
実施例7のスイッチング電源の動作を示すグラフ。
実施例8のスイッチング電源の回路図。
実施例8のスイッチング電源の動作を示すグラフ。
【発明を実施するための形態】
【実施例】
【0008】
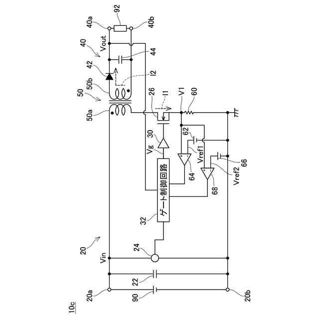
図1に示す実施例1のスイッチング電源10aは、車両に搭載されている。スイッチング電源10aは、トランス50を有している。トランス50は、一次巻線50aと二次巻線50bを有している。スイッチング電源10aは、一次巻線50aに接続されている一次回路20と、二次巻線50bに接続されている二次回路40を有している。一次回路20は、一対の入力端子20a、20bを有している。入力端子20a、20bの間には、バッテリ90(例えば、リチウムイオンバッテリ)が接続されている。バッテリ90は、入力端子20a、20bの間に、入力端子20aが高電位となる向きで電圧を印加する。二次回路40は、出力端子40a、40bを有している。スイッチング電源10aは、バッテリ90によって入力端子20a、20b間に印加される入力電圧Vinを大きさが異なる直流電圧(以下、出力電圧Voutという)に変換し、出力電圧Voutを出力端子40a、40bの間に出力する。出力端子40a、40bの間には、負荷92が接続されている。負荷92は、例えば、パワー半導体のゲート充電回路であってもよい。この場合、スイッチング電源10aは、パワー半導体のゲート充電用の電源として機能する。
【0009】
一次回路20は、コンデンサ22、電圧検出回路24、一次巻線50a、及び、スイッチング素子26を有している。スイッチング素子26は、nMOSである。コンデンサ22は、入力端子20a、20b間に接続されている。電圧検出回路24は、入力端子20a、20b間に接続されている。電圧検出回路24は、入力端子20a、20bの間の電圧(すなわち、入力電圧Vin)を検出する。一次巻線50aの一端は、入力端子20aに接続されている。一次巻線50aの他端は、スイッチング素子26のドレインに接続されている。スイッチング素子26のソースは、入力端子20bに接続されている。すなわち、入力端子20aと入力端子20bの間に、一次巻線50aとスイッチング素子26の直列回路が接続されている。入力端子20bは、グランドに接続されている。
【0010】
二次回路40は、二次巻線50b、ダイオード42、及び、コンデンサ44を有している。二次巻線50bの一端は、出力端子40bに接続されている。二次巻線50bの他端は、ダイオード42のアノードに接続されている。ダイオード42のカソードは、出力端子40aに接続されている。コンデンサ44は、出力端子40a、40bの間に接続されている。
(【0011】以降は省略されています)
この特許をJ-PlatPat(特許庁公式サイト)で参照する
関連特許
株式会社デンソーウェーブ
筐体
3日前
株式会社デンソー
車載器
16日前
株式会社デンソー
回転機
3日前
株式会社デンソー
ねじ部材
16日前
株式会社デンソー
ステータ
16日前
株式会社デンソー
電子装置
10日前
株式会社デンソー
検出装置
2日前
株式会社デンソーエレクトロニクス
発音装置
20日前
株式会社デンソー
電子装置
20日前
株式会社デンソー
ステータ
16日前
株式会社デンソー
反力装置
10日前
株式会社デンソー
電子装置
11日前
株式会社デンソー
電流センサ
3日前
株式会社デンソー
レーダ装置
9日前
株式会社デンソーテン
インバータ
10日前
株式会社デンソー
農業用装置
12日前
株式会社デンソー
半導体装置
16日前
株式会社デンソー
運転支援装置
11日前
株式会社デンソー
衝突予測装置
11日前
株式会社デンソー
車両制御装置
10日前
株式会社デンソー
運航管理装置
9日前
株式会社デンソー
電力変換装置
12日前
株式会社デンソー
電圧検出回路
12日前
株式会社デンソー
電波吸収装置
20日前
株式会社デンソー
車載システム
10日前
株式会社デンソーエアクール
換気空調装置
17日前
株式会社デンソー
衝突予測装置
11日前
株式会社デンソー
車載システム
10日前
株式会社デンソー
通信システム
20日前
株式会社デンソー
電力変換装置
4日前
株式会社デンソー
電力変換装置
16日前
株式会社デンソー
電子制御装置
20日前
株式会社デンソー
画像処理装置
3日前
株式会社デンソーテン
車載映像装置
16日前
株式会社デンソー
電子制御装置
16日前
株式会社デンソー
巻線界磁ロータ
4日前
続きを見る
他の特許を見る