TOP
|
特許
|
意匠
|
商標
特許ウォッチ
Twitter
他の特許を見る
10個以上の画像は省略されています。
公開番号
2025146155
公報種別
公開特許公報(A)
公開日
2025-10-03
出願番号
2024046785
出願日
2024-03-22
発明の名称
防護柵
出願人
文化シヤッター株式会社
,
不二サッシ株式会社
代理人
弁理士法人英知国際特許商標事務所
主分類
E06B
5/00 20060101AFI20250926BHJP(戸,窓,シャッタまたはローラブラインド一般;はしご)
要約
【課題】 止水板と、取付金具等の固定部材を好適に保管できる防護柵を提供する。
【解決手段】 構造物の開口部を覆うように設置される止水板50と、該止水板50を設置面に設置固定するための固定部材A1とを保管する保管機能を有する防護柵10であって、前記防護柵10は、前記止水板50を着脱可能に取付けるための被取付部12aと、前記固定部材A1を収納するための収納部35,45とを有することを特徴とする。
【選択図】 図2
特許請求の範囲
【請求項1】
構造物の開口部を覆うように設置される止水板と、該止水板を設置面に設置固定するための固定部材とを保管する保管機能を有する防護柵であって、
前記防護柵は、
前記止水板を着脱可能に取付けるための被取付部と、
前記固定部材を収納するための収納部とを有する
ことを特徴とする防護柵。
続きを表示(約 940 文字)
【請求項2】
前記防護柵は、被固定部に固定される枠体を備え、
前記枠体は、前記止水板を着脱可能に取付けるための前記被取付部と、前記固定部材を収納するための収納部と、を有する
ことを特徴とする請求項1記載の防護柵。
【請求項3】
前記枠体は、
所定間隔離隔して上下方向に延びる左右一対の支柱を有し、
前記支柱には、前記止水板を着脱可能に取付けるための前記被取付部と、前記固定部材を収納するための前記収納部とが設けられる
ことを特徴とする請求項2記載の防護柵。
【請求項4】
前記枠体は、
所定間隔離隔して上下方向に延びる左右一対の支柱と、
前記左右一対の前記支柱間に連結される略水平状に延びる連結材と、を有し、
前記支柱には、前記止水板を着脱可能に取付けるための前記被取付部が設けられ、
前記連結材には、前記固定部材を収納するための前記収納部が設けられる
ことを特徴とする請求項2記載の防護柵。
【請求項5】
前記収納部は、前記連結材に着脱自在に設けられる収納容器を有する
ことを特徴とする請求項4記載の防護柵。
【請求項6】
前記収納容器は、前記左右一対の前記支柱間の空間の少なくとも一部を閉鎖する状態に設けられる
ことを特徴とする請求項5記載の防護柵。
【請求項7】
前記枠体は、中空の内部空間を有する長尺の管状部材を有し、
前記収納部は、前記管状部材の前記内部空間内に形成されている
ことを特徴とする請求項2に記載の防護柵。
【請求項8】
前記管状部材には、前記収納部に対して、前記固定部材を出し入れするための開口が形成されるとともに、前記開口は、開閉自在な蓋部により覆われている
ことを特徴とする請求項7に記載の防護柵。
【請求項9】
前記左右一対の前記支柱には、前記被取付部としての縦溝が形成され、
前記縦溝は、前記止水板の側端部が挿脱可能に構成されている
ことを特徴とする請求項3~6のいずれか1項に記載の防護柵。
発明の詳細な説明
【技術分野】
【0001】
本発明は、自動ドアユニットの近傍等に設置される防護柵に関する。
続きを表示(約 1,600 文字)
【背景技術】
【0002】
台風や集中豪雨などによる増水が、建物や地下道の開口部に侵入すると、浸水による甚大な被害を及ぼすおそれがある。そこで、このような事態が想定される場合に、開口部に止水板を装着し、この止水板により水の浸入を阻むようにした従来技術が知られている(特許文献1参照)。
【先行技術文献】
【特許文献】
【0003】
特開2022-51357号公報
【発明の概要】
【発明が解決しようとする課題】
【0004】
ところで、止水板を開口部に設置する場合、止水板とは別体の取付金具等の固定部材を使用することがある。また、止水板は、台風や集中豪雨などによる増水時等の止水が必要な場合に使用されるものであるため、通常時には倉庫等の保管場所に保管される。
しかし、倉庫等の保管場所には他の保管物も保管されていることから、止水板や固定部材を一括して保管するための保管スペースには制約がある。さらに、止水板と固定部材とをそれぞれ別の場所で保管する場合、保管状態によっては、固定部材を紛失するおそれもあり、止水板と固定部材の保管には、改善の余地があった。
【0005】
本発明は、上述の事情に鑑みてなされたものであって、止水板と、取付金具等の固定部材を好適に保管できる防護柵を提供することを課題とする。
【課題を解決するための手段】
【0006】
このような課題に鑑みて、本発明の一つは、以下の構成を具備するものである。
構造物の開口部を覆うように設置される止水板と、該止水板を設置面に設置固定するための固定部材とを保管する保管機能を有する防護柵であって、前記防護柵は、前記止水板を着脱可能に取付けるための被取付部と、前記固定部材を収納するための収納部とを有することを特徴とする防護柵。
【発明の効果】
【0007】
本発明は、以上説明したように構成されているので、防護柵によって、止水板と、取付金具等の固定部材を好適に保管することができる。
【図面の簡単な説明】
【0008】
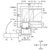
本発明に係る防護柵の設置状態の例を屋内側から見た正面概略図である。
同防護柵の分解状態の例を示す斜視概略図である。
同防護柵の支柱に対する止水板の配設状態の例を示す平面概略図である。
本発明に係る止水装置の設置状態の例を示す屋外側から見た正面概略図である。
同止水装置の設置状態を示す側面概略図である。
同止水装置の設置状態を示す平面概略図である。
同止水装置の設置態様を説明する説明図である。
同止水装置の設置態様を説明する説明図である。
本発明に係る防護柵の他の例を示す斜視概略図である。
本発明に係る防護柵の他の例を示す斜視概略図である。
本発明に係る防護柵の他の例を示す斜視概略図である。
【発明を実施するための形態】
【0009】
(第1の実施形態)
次に、本発明に係る実施形態について説明する。先ずは、自動ドア装置1への防護柵の設置態様を説明する。図1は、本発明に係る防護柵の設置状態の例を屋内側から見た正面概略図である。
【0010】
図1に示すように、自動ドア装置1は、開閉する開閉ドア2と、壁面3と、開閉ドア2の開閉起動するためのドア起動センサ(不図示)と、を備える。壁面3は、建物の壁面を形成するものであればよく、例えば、ガラス、コンクリート、木材、等から構成されている。また、ドア起動センサ(不図示)は、例えば、赤外線等による人感センサ、タッチセンサ等で構成される。
(【0011】以降は省略されています)
この特許をJ-PlatPat(特許庁公式サイト)で参照する
関連特許
三協立山株式会社
開口部装置
3日前
文化シヤッター株式会社
止水装置
2日前
不二サッシ株式会社
引違いサッシ
2日前
株式会社LIXIL
太陽電池ガラス
11日前
株式会社LIXIL
建具
11日前
株式会社LIXIL
建具
8日前
株式会社LIXIL
建具
8日前
株式会社LIXIL
建具
8日前
株式会社LIXIL
建具
8日前
株式会社LIXIL
建具
8日前
株式会社LIXIL
建具
7日前
株式会社LIXIL
建具
21日前
株式会社LIXIL
建具
8日前
株式会社LIXIL
建具
21日前
倉敷紡績株式会社
外構ユニット
1日前
株式会社LIXIL
建具
21日前
株式会社LIXIL
建具
21日前
三和シヤッター工業株式会社
制御システム
1日前
清水建設株式会社
化粧カバー
14日前
株式会社ニチベイ
ロールスクリーン
14日前
立川ブラインド工業株式会社
遮蔽装置
9日前
三和シヤッター工業株式会社
フック棒
2日前
ミサワホーム株式会社
屋外設置物の支持構造
1日前
三和シヤッター工業株式会社
フック棒
2日前
株式会社佐原
換気装置
3日前
サンユウテック株式会社
シャッタの補強支持装置
2日前
三和シヤッター工業株式会社
検知手段の設置構造
1日前
文化シヤッター株式会社
開閉体の吊元構造
1日前
文化シヤッター株式会社
開閉体の吊元構造
1日前
ワールド工業株式会社
シャッター装置
7日前
三和シヤッター工業株式会社
シャッターケース
7日前
三和シヤッター工業株式会社
シャッターケース
7日前
YKK AP株式会社
建具
11日前
YKK AP株式会社
外装体
7日前
株式会社LIXIL
建具および建具の改装方法
8日前
株式会社LIXIL
建具および建具の改装方法
8日前
続きを見る
他の特許を見る