TOP
|
特許
|
意匠
|
商標
特許ウォッチ
Twitter
他の特許を見る
10個以上の画像は省略されています。
公開番号
2025149409
公報種別
公開特許公報(A)
公開日
2025-10-08
出願番号
2024050037
出願日
2024-03-26
発明の名称
超音波センサ
出願人
株式会社アイシン
代理人
弁理士法人酒井国際特許事務所
主分類
H04R
17/00 20060101AFI20251001BHJP(電気通信技術)
要約
【課題】サイドローブを低減することができる超音波センサを提供する。
【解決手段】超音波センサは、第1の壁部と、第1の壁部から第1の壁部の厚さ方向に沿う第1の方向に延びた筒部と、を有したケースと、ケース内で第1の壁部の内面に重ねられた圧電素子と、ケース内に設けられ、圧電素子を覆った封止部と、を備える。筒部は、第1の方向と交差する第2の方向に間隔をあけて位置し互いに対向する一対の第1の側壁部を有する。一対の第1の側壁部のそれぞれに、第1の方向に内面から離間し、第1の側壁部を第2の方向に貫通した貫通孔が設けられている。
【選択図】図2
特許請求の範囲
【請求項1】
第1の壁部と、前記第1の壁部から前記第1の壁部の厚さ方向に沿う第1の方向に延びた筒部と、を有したケースと、
前記ケース内で前記第1の壁部の内面に重ねられた圧電素子と、
前記ケース内に設けられ、前記圧電素子を覆った封止部と、
を備え、
前記筒部は、前記第1の方向と交差する第2の方向に間隔をあけて位置し互いに対向する一対の第1の側壁部を有し、
前記一対の第1の側壁部のそれぞれに、前記第1の方向に前記内面から離間し、前記第1の側壁部を前記第2の方向に貫通した貫通孔が設けられた、
超音波センサ。
続きを表示(約 170 文字)
【請求項2】
前記筒部は、前記第1の方向および前記第2の方向と交差する第3の方向に間隔をあけて位置し互いに対向する一対の第2の側壁部を有し、
前記一対の第1の側壁部間の距離は、前記一対の第2の側壁部間の距離よりも長く、
前記一対の第2の側壁部の内面に凹部が設けられた、
請求項1に記載の超音波センサ。
発明の詳細な説明
【技術分野】
【0001】
本発明は、超音波センサに関する。
続きを表示(約 1,400 文字)
【背景技術】
【0002】
従来、超音波トランスデューサーの側壁部に貫通孔を設けることにより、指向性を狭めた超音波センサが知られている(例えば、特許文献1参照)。
【先行技術文献】
【特許文献】
【0003】
特開2012-60358号公報
【発明の概要】
【発明が解決しようとする課題】
【0004】
この種の超音波センサでは、サイドローブの低減が望まれている。
【0005】
そこで、本発明の実施形態は、サイドローブを低減することができる超音波センサを提供することを課題の一つとする。
【課題を解決するための手段】
【0006】
本発明の実施形態の超音波センサは、第1の壁部と、前記第1の壁部から前記第1の壁部の厚さ方向に沿う第1の方向に延びた筒部と、を有したケースと、前記ケース内で前記第1の壁部の内面に重ねられた圧電素子と、前記ケース内に設けられ、前記圧電素子を覆った封止部と、を備え、前記筒部は、前記第1の方向と交差する第2の方向に間隔をあけて位置し互いに対向する一対の第1の側壁部を有し、前記一対の第1の側壁部のそれぞれに、前記第1の方向に前記内面から離間し、前記第1の側壁部を前記第2の方向に貫通した貫通孔が設けられている。
【発明の効果】
【0007】
本発明の実施形態の超音波センサによれば、サイドローブを低減することができる。
【図面の簡単な説明】
【0008】
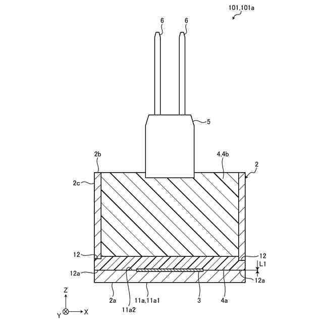
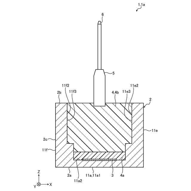
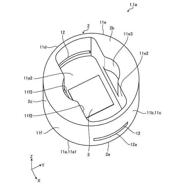
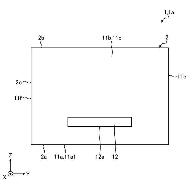
図1は、実施形態の超音波センサの模式的かつ例示的な斜視図である。
図2は、実施形態の超音波センサの模式的かつ例示的な断面図である。
図3は、実施形態の超音波センサの模式的かつ例示的な断面図である。
図4は、実施形態の超音波センサの一部の模式的かつ例示的な斜視図である。
図5は、実施形態の超音波センサの一部の模式的かつ例示的な側面図である。
図6は、比較例の超音波センサの模式的かつ例示的な断面図である。
図7は、実施形態の超音波センサの指向性を説明するための説明図である。
図8は、実施形態の超音波センサの指向性を説明するための説明図である。
図9は、実施形態の超音波センサおよび比較例の超音波センサの1次共振周波数における垂直指向性を示す図である。
図10は、実施形態の超音波センサおよび比較例の超音波センサの2次共振周波数における垂直指向性を示す図である。
図11は、実施形態の変形例の超音波センサの模式的かつ例示的な断面図である。
【発明を実施するための形態】
【0009】
以下、図面を参照して、実施形態について説明する。以下に示される実施形態の構成(技術的特徴)、ならびに当該構成によってもたらされる作用および効果は、あくまで一例である。本発明は、以下の実施形態に開示される構成以外によっても実現可能であるとともに、基本的な構成によって得られる種々の効果のうち少なくとも一つを得ることが可能である。
【0010】
図1は、実施形態の超音波センサ1の模式的かつ例示的な斜視図である。図2は、実施形態の超音波センサ1の模式的かつ例示的な断面図である。図3は、実施形態の超音波センサ1の模式的かつ例示的な断面図である。
(【0011】以降は省略されています)
この特許をJ-PlatPat(特許庁公式サイト)で参照する
関連特許
株式会社アイシン
ロータ
1日前
株式会社アイシン
空気袋
10日前
株式会社アイシン
検知装置
今日
株式会社アイシン
駆動装置
8日前
株式会社アイシン
保護装置
今日
株式会社アイシン
駆動装置
今日
株式会社アイシン
回転電機
2日前
株式会社アイシン
回転電機
6日前
株式会社アイシン
電子機器
今日
株式会社アイシン
制御装置
今日
株式会社アイシン
制御装置
今日
株式会社アイシン
制御装置
今日
株式会社アイシン
車体構造
6日前
株式会社アイシン
制御装置
6日前
株式会社アイシン
回転電機
2日前
株式会社アイシン
温度調節器
20日前
株式会社アイシン
鋳ぐるみ品
10日前
株式会社アイシン
温度調節器
10日前
株式会社アイシン
温度調節器
20日前
株式会社アイシン
レーダ装置
今日
株式会社アイシン
コンデンサ
1か月前
株式会社アイシン
温度調節器
6日前
株式会社アイシン
超音波センサ
1日前
株式会社アイシン
マニホールド
8日前
株式会社アイシン
駐車支援装置
2日前
株式会社アイシン
振動発生装置
8日前
株式会社アイシン
車両制御装置
6日前
株式会社アイシン
心拍検出装置
13日前
株式会社アイシン
駐車支援装置
13日前
株式会社アイシン
駐車支援装置
6日前
株式会社アイシン
センサ固定具
1日前
株式会社アイシン
開閉システム
7日前
株式会社アイシン
ポンプケース
13日前
株式会社アイシン
立体構造基板
10日前
株式会社アイシン
電解システム
1日前
株式会社アイシン
超音波センサ
1日前
続きを見る
他の特許を見る