TOP
|
特許
|
意匠
|
商標
特許ウォッチ
Twitter
他の特許を見る
10個以上の画像は省略されています。
公開番号
2025149492
公報種別
公開特許公報(A)
公開日
2025-10-08
出願番号
2024050182
出願日
2024-03-26
発明の名称
生成装置、生成方法、及びプログラム
出願人
株式会社JVCケンウッド
代理人
弁理士法人酒井国際特許事務所
主分類
G06T
19/00 20110101AFI20251001BHJP(計算;計数)
要約
【課題】自然な形のモデルを生成することができる生成装置、生成方法、及びプログラムを提供すること。
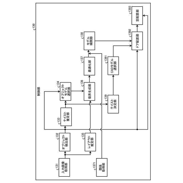
【解決手段】本開示に係る生成装置は、所定の画像に基づいて、部屋の空間の境界となる壁、床、天井のうち少なくとも一つを含む境界部のレイアウトを推定するレイアウト推定部と、レイアウト推定部が推定した部屋のレイアウトのうち、境界部の欠損部分を補間して、部屋の全体の三次元モデルである全体三次元モデルを生成するモデル補間部と、全体三次元モデルから生成される仮想空間にアクセスするユーザ同士の関係を示す関係情報を取得する関係情報取得部と、を備え、モデル補間部は、関係情報に基づいて、欠損部分の長さに対応する補間距離を算出し、境界部の所定位置から補間距離だけ離れた位置に壁を生成する。
【選択図】図4
特許請求の範囲
【請求項1】
所定の画像に基づいて、部屋の空間の境界となる壁、床、天井のうち少なくとも一つを含む境界部のレイアウトを推定するレイアウト推定部と、
前記レイアウト推定部が推定した部屋のレイアウトのうち、前記境界部の欠損部分を補間して、前記部屋の全体の三次元モデルである全体三次元モデルを生成するモデル補間部と、
前記全体三次元モデルから生成される仮想空間にアクセスするユーザ同士の関係を示す関係情報を取得する関係取得部と、
を備え、
前記モデル補間部は、前記関係情報に基づいて、前記欠損部分の長さに対応する補間距離を算出し、前記境界部の所定位置から前記補間距離だけ離れた位置に壁を生成する、
生成装置。
続きを表示(約 1,000 文字)
【請求項2】
前記モデル補間部は、前記関係情報において前記ユーザ同士が友好関係にある場合における、前記補間距離を、前記関係情報において前記ユーザ同士が友好関係にない場合における、前記補間距離よりも、短くする、
請求項1に記載の生成装置。
【請求項3】
前記所定の画像に基づいて、前記境界部における窓の有無を判定し、窓が無いと判定された場合に、補間して生成された前記壁のうち、窓の配置が可能な壁に対して、窓を配置する窓配置部をさらに備え、
前記窓配置部は、前記関係情報に基づいて、配置する窓の大きさ及び数の少なくとも一方を設定する、
請求項1又は請求項2に記載の生成装置。
【請求項4】
所定の画像に基づいて、部屋の空間の境界となる壁、床、天井のうち少なくとも一つを含む境界部のレイアウトを推定するステップと、
前記レイアウトを推定するステップにおいて推定された部屋のレイアウトのうち、前記境界部の欠損部分を補間して、前記部屋の全体の三次元モデルである全体三次元モデルを生成するステップと、
前記全体三次元モデルから生成される仮想空間にアクセスするユーザ同士の関係を示す関係情報を取得するステップと、
を含み、
前記補間して生成するステップにおいては、前記関係情報に基づいて、前記欠損部分の長さに対応する補間距離を算出し、前記境界部の所定位置から前記補間距離だけ離れた位置に壁を生成する、
生成方法。
【請求項5】
所定の画像に基づいて、部屋の空間の境界となる壁、床、天井のうち少なくとも一つを含む境界部のレイアウトを推定するステップと、
前記レイアウトを推定するステップにおいて推定された部屋のレイアウトのうち、前記境界部の欠損部分を補間して、前記部屋の全体の三次元モデルである全体三次元モデルを生成するステップと、
前記全体三次元モデルから生成される仮想空間にアクセスするユーザ同士の関係を示す関係情報を取得するステップと、
をコンピュータに実行させ、
前記補間して生成するステップにおいては、前記関係情報に基づいて、前記欠損部分の長さに対応する補間距離を算出し、前記境界部の所定位置から前記補間距離だけ離れた位置に壁を生成する、
プログラム。
発明の詳細な説明
【技術分野】
【0001】
本開示は、生成装置、生成方法、及びプログラムに関する。
続きを表示(約 2,000 文字)
【背景技術】
【0002】
近年、部屋の内部などの空間を撮影した写真の画像からAI(Artificial Intelligence)技術を駆使して、部屋の内部の空間の三次元モデルを生成する手法の研究が活発化している。これらの中には、普通のカメラ写真一枚を用いて写っている範囲の部屋の内部の空間の三次元モデルを生成するものや、カメラ写真を複数枚用いるもの、360度パノラマ写真一枚から部屋の内部の空間全体の三次元モデルを生成するものなどの様々な手法が存在する。
【0003】
例えば、下記の特許文献1には、室内空間の内部に設置された全天球カメラにより全方位で撮像されたパノラマ画像を物件情報サーバで取得し、物件情報サーバは、取得したパノラマ画像から、室内空間を構成する天井、床及び壁それぞれ同士の境界線を抽出し、抽出された境界線に基づいて天井画像、床画像及び壁画像をパノラマ画像から抽出し、抽出された天井画像等における歪みを補正し、補正後の天井画像等を組み合わせて、室内空間に相当する三次元モデルを表す室内空間画像を生成する情報処理装置が開示されている。
【先行技術文献】
【特許文献】
【0004】
特許第6577557号公報
【発明の概要】
【発明が解決しようとする課題】
【0005】
しかしながら、上記の特許文献1に記載の情報処理装置は、複数の画像により構成されるパノラマ画像を用いて、室内空間の三次元モデルを生成するものであり、カメラ写真一枚を用いて部屋の空間の三次元モデルを生成するものではない。また、現状では、カメラ写真に写っていない範囲の壁などを不自然さのない形で生成しているものは存在していなかった。
【0006】
本開示は上記課題を鑑み、自然な形のモデルを生成することができる生成装置、生成方法、及びプログラムを提供することを目的とする。
【課題を解決するための手段】
【0007】
上述した課題を解決し、目的を達成するために、本開示に係る生成装置は、所定の画像に基づいて、部屋の空間の境界となる壁、床、天井のうち少なくとも一つを含む境界部のレイアウトを推定するレイアウト推定部と、前記レイアウト推定部が推定した部屋のレイアウトのうち、前記境界部の欠損部分を補間して、前記部屋の全体の三次元モデルである全体三次元モデルを生成するモデル補間部と、前記全体三次元モデルから生成される仮想空間にアクセスするユーザ同士の関係を示す関係情報を取得する関係情報取得部と、を備え、前記モデル補間部は、前記関係情報に基づいて、前記欠損部分の長さに対応する補間距離を算出し、前記境界部の所定位置から前記補間距離だけ離れた位置に壁を生成する。
【0008】
上述した課題を解決し、目的を達成するために、本開示に係る生成方法は、所定の画像に基づいて、部屋の空間の境界となる壁、床、天井のうち少なくとも一つを含む境界部のレイアウトを推定するステップと、前記レイアウトを推定するステップにおいて推定された部屋のレイアウトのうち、前記境界部の欠損部分を補間して、前記部屋の全体の三次元モデルである全体三次元モデルを生成するステップと、前記全体三次元モデルから生成される仮想空間にアクセスするユーザ同士の関係を示す関係情報を取得するステップと、を含み、前記補間して生成するステップにおいては、前記関係情報に基づいて、前記欠損部分の長さに対応する補間距離を算出し、前記境界部の所定位置から前記補間距離だけ離れた位置に壁を生成する。
【0009】
上述した課題を解決し、目的を達成するために、本開示に係るプログラムは、所定の画像に基づいて、部屋の空間の境界となる壁、床、天井のうち少なくとも一つを含む境界部のレイアウトを推定するステップと、前記レイアウトを推定するステップにおいて推定された部屋のレイアウトのうち、前記境界部の欠損部分を補間して、前記部屋の全体の三次元モデルである全体三次元モデルを生成するステップと、前記全体三次元モデルから生成される仮想空間にアクセスするユーザ同士の関係を示す関係情報を取得するステップと、をコンピュータに実行させ、前記補間して生成するステップにおいては、前記関係情報に基づいて、前記欠損部分の長さに対応する補間距離を算出し、前記境界部の所定位置から前記補間距離だけ離れた位置に壁を生成する。
【発明の効果】
【0010】
本開示によれば、自然な形のモデルを生成することができる生成装置、生成方法、及びプログラムを提供することができる。
【図面の簡単な説明】
(【0011】以降は省略されています)
この特許をJ-PlatPat(特許庁公式サイト)で参照する
関連特許
個人
地球保全システム
12日前
個人
QRコードの彩色
3日前
個人
冷凍食品輸出支援構造
1か月前
個人
残土処理システム
5日前
個人
表変換編集支援システム
1か月前
個人
知的財産出願支援システム
6日前
個人
知財出願支援AIシステム
1か月前
個人
行動時間管理システム
1か月前
個人
パスワード管理支援システム
1か月前
個人
システム及びプログラム
25日前
株式会社キーエンス
受発注システム
11日前
個人
AIキャラクター制御システム
1か月前
個人
海外支援型農作物活用システム
24日前
株式会社キーエンス
受発注システム
11日前
株式会社キーエンス
受発注システム
11日前
個人
食品レシピ生成システム
11日前
大同特殊鋼株式会社
疵判定方法
18日前
個人
SaaS型勤務調整支援システム
1か月前
キヤノン株式会社
表示システム
11日前
個人
未来型家系図構築システム
24日前
個人
音声・通知・再配達UX制御構造
6日前
個人
社会還元・施設向け供給支援構造
1か月前
個人
人格進化型対話応答制御システム
1か月前
サクサ株式会社
中継装置
1か月前
個人
音声対話型帳票生成支援システム
1か月前
個人
帳票自動生成型SaaSシステム
6日前
個人
冷凍加工連携型農場運用システム
1か月前
株式会社キーエンス
製品受発注システム
11日前
中部電力株式会社
学習装置
24日前
株式会社竹中工務店
管理システム
24日前
大同特殊鋼株式会社
棒材計数方法
4日前
株式会社カネカ
製造工場の管理システム
6日前
フリー株式会社
情報処理システム
18日前
個人
マーケティング活動支援装置
10日前
ブラザー工業株式会社
サポートプログラム
1か月前
株式会社梓総合研究所
冷却システム
10日前
続きを見る
他の特許を見る