TOP
|
特許
|
意匠
|
商標
特許ウォッチ
Twitter
他の特許を見る
公開番号
2025150715
公報種別
公開特許公報(A)
公開日
2025-10-09
出願番号
2024051750
出願日
2024-03-27
発明の名称
レンズ装置および撮像装置
出願人
キヤノン株式会社
代理人
個人
主分類
G02B
7/08 20210101AFI20251002BHJP(光学)
要約
【課題】左右光学系の相対的なピント調整を電動で行うための駆動部に対する光学系の駆動部に対して通電をオフ状態としもピントがずれることを抑制できるレンズ装置等を提供すること。
【解決手段】撮像装置に着脱可能で複数のレンズを有するレンズ装置であって、第1光学系と、第2光学系と、両光学系の相対的なピント調整を行うために第1光学系を電動で駆動させるための駆動部と、駆動部に対する通電がオフの状態であっても第1光学系が移動しないように保持する保持機構と、を備えたことを特徴とする。
【選択図】 図1
特許請求の範囲
【請求項1】
撮像装置に着脱可能で複数のレンズを有するレンズ装置であって、
第1光学系と、
第2光学系と、
両光学系の相対的なピント調整を行うために前記第1光学系を電動で駆動させるための駆動部と、
前記駆動部に対する通電がオフ状態であっても前記第1光学系が移動しないように保持する保持機構と、を備えたことを特徴とするレンズ装置。
続きを表示(約 910 文字)
【請求項2】
前記保持機構は、
自機構に発生する摩擦保持力により前記第1光学系を移動しないように保持することを特徴とする請求項1に記載のレンズ装置。
【請求項3】
付勢バネの付勢力により前記摩擦保持力を発生させることを特徴とする請求項2に記載のレンズ装置。
【請求項4】
前記駆動部は、
複数のギア列で構成される減速機構と連結していることを特徴とする請求項1に記載のレンズ装置。
【請求項5】
前記第1光学系と前記第2光学系の焦点調整を一体に行う第1モードと、両光学系の相対的なピント調整を行う第2モードとを有し、
前記第1モードと前記第2モードとは切替可能であることを特徴とする請求項1乃至3のいずれか一項に記載のレンズ装置。
【請求項6】
前記第1モードでは、
第2駆動部が前記第1光学系と前記第2光学系を一体に光軸方向に移動することを特徴とする請求項5に記載のレンズ装置。
【請求項7】
前記第2モードでは、
前記駆動部が、
前記第1光学系を前記保持機構に対して相対的に移動させ、前記第1光学系と前記第2光学系の相対的な焦点位置のズレを調整することを特徴とする請求項5に記載のレンズ装置。
【請求項8】
前記駆動部は、
前記保持機構で発生する摩擦保持力に抗して前記第1光学系を駆動させることを特徴とする請求項2に記載のレンズ装置。
【請求項9】
請求項1乃至3のいずれか一項に記載のレンズ装置を着脱可能な撮像装置。
【請求項10】
撮像装置と一体的に構成され、複数のレンズを有するレンズ装置であって、
第1光学系と、
第2光学系と、
両光学系の相対的なピント調整を行うために前記第1光学系を電動で駆動させるための駆動部と、
前記駆動部に対する通電がオフ状態であっても前記第1光学系が移動しないように保持する保持機構と、を備えたことを特徴とするレンズ装置。
(【請求項11】以降は省略されています)
発明の詳細な説明
【技術分野】
【0001】
本発明は、レンズ装置および撮像装置に関する。
続きを表示(約 2,600 文字)
【背景技術】
【0002】
従来、レンズ装置として立体撮像用の交換レンズが周知である。例えば特許文献1、特許文献2は二つの光学系が並列に配置されており、その内一つの撮像素子に二つのイメージサークルが並列に結像するレンズ装置を開示している。視差のある映像を撮像するにためには二つの光学系の各々に対してフォーカス調整を行う必要がある。そこで、例えば特許文献3は双眼鏡において左右の視度調整を行って一方の光学系を移動させフォーカス調整で両目を動かす機構を1つの操作部材で切り替えて行う双眼鏡を開示している。
【先行技術文献】
【特許文献】
【0003】
特開2012-3022号公報
特開2012-113281号公報
特開2009-175498号公報
【発明の概要】
【発明が解決しようとする課題】
【0004】
しかしながら、特許文献3に開示された双眼鏡にあっては、左右の光学系のフォーカス調整と、相対的なフォーカス調整とを同じ操作部材を切り替えて調整を行う必要がある。このため、操作が煩雑となり誤操作により適切なフォーカス調整が行うことが困難であった。そして、衝撃等により左右の光学系の相対的なピントがずれてしまう虞もあった。このように2眼レンズにおいては左右のレンズのピントが合っていることが重要であり、製造工程上で左右のピント差を調整する工程もある。だが、製造上、左右のピント差が発生してしまうのでこれを解消するため、一方のレンズに対して他方のレンズの調整機構が搭載されている。例えば6角レンチ等の工具を使用して微調整を行っているが次述の問題がある。例えば右側の光学系が静圧、落下等で衝撃を受けた場合、調整した左右のピントがずれてしまい再度調整する必要が生じたり、ユーザが左右のピント差(ずれ)に気付かずに意図しない撮像を行ったりする問題もあった。
【0005】
本発明は、両光学系の相対的なピント調整を電動で行うための駆動部に対する通電をオフ状態としてもピントがずれることを抑制できるレンズ装置、撮像装置を提供することを目的とする。
【課題を解決するための手段】
【0006】
上記目的を達成するための本発明の一態様は、撮像装置に着脱可能で複数のレンズを有するレンズ装置であって、第1光学系と、第2光学系と、両光学系の相対的なピント調整を行うために前記第1光学系を電動で駆動させるための駆動部と、前記駆動部に対する通電がオフの状態であっても、前記第1光学系が移動しないように保持する保持機構と、を備えたことを特徴とする。
【発明の効果】
【0007】
本発明によれば、両光学系の相対的なピント調整を電動で行うための駆動部に対する通電をオフ状態にとてもピントがずれることを抑制できるという効果が得られる。
【図面の簡単な説明】
【0008】
本発明の実施形態のレンズ装置の横断面図である。
本発明の実施形態のレンズ装置の被写体像側から見た分解斜視図である。
本発明の実施形態のレンズ装置のユーザ側から見た分解斜視図である。
本発明の実施形態のレンズ装置の正面図である。
本発明の実施形態の各光軸と撮像素子上のイメージサークルとの関係を示す図である。
本発明の実施形態の撮像装置の概略構成図である。
レンズマウント部202に対して撮像素子111は微小な傾きをもって固定された状態の模式的説明図である。
本発明の実施形態のレンズ装置(交換レンズ)の側面図である。
本発明の実施形態の撮像装置の電気系のブロック図である。
本発明の実施形態のフォーカスレンズの動きを決定する際の処理を示すフローチャートである。
本発明の実施形態のレンズ装置の分解斜視図である。
本発明の実施形態のフォーカスリングの模式的説明図である。
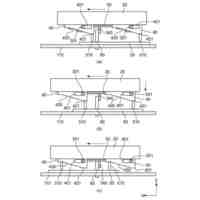
本発明の実施形態の右眼光学系の位置調整機構の分解斜視図である。
本発明の実施形態の右眼光学系の位置調整機構の側面図である。
本発明の実施形態の右眼光学系の位置調整部とガイド部の拡大図である。
本発明の実施形態における荷重バランスの関係を示す模式的説明図である。
本発明の実施形態の右眼光学系の位置調整機構の配置位置を示す正面図である。
本発明の実施形態の右眼光学系の位置調整機構の配置位置を示す背面図である。
本発明の実施形態の右眼光学系の位置調整機構の分解斜視図である。
本発明の実施形態の右眼光学系の位置調整機構の断面図である。
【発明を実施するための形態】
【0009】
以下、本発明の実施形態について図面を参照しながら詳細に説明する。しかしながら、以下の実施形態に記載される構成はあくまで例示に過ぎず、本発明の範囲は実施形態に記載される構成によって限定されることはない。本発明はレンズ駆動部400により左右の光学系の焦点調整を一体に行う合焦動作モード(第1モード)と、右眼駆動部510により左右の光学系の相対的なピント調整を電動で行うピント調整モード(第2モード)を備えている。そして、一方の光学系の駆動部(右眼駆動部510)への通電をオフにした状態においても左右の光学系の相対的なピント位置がずれることを抑制することが可能なレンズ装置、撮像装置等を提供する。レンズ装置200(交換レンズ)は各種の撮像装置100に着脱可能に装着できる。以下、レンズ装置200のことを交換レンズ200と記載する場合もある。
【0010】
各実施形態のレンズ装置(交換レンズ)200は互いに並列で対称に配列された二つの光学系(第1光学系、第2光学系)を備え、一つの撮像素子に二つのイメージサークルが並列に結像するように構成されている。二つの光学系は、所定距離(基線長)だけ水平方向に離間して並べられる。被写体の像側から見て(換言すれば撮像素子側から見て)、右の光学系(第1光学系)で結像する像を右眼用動画、静止画として記録し、左の光学系(第2光学系)で結像する像を左眼用動画、静止画として記録する。
(【0011】以降は省略されています)
この特許をJ-PlatPat(特許庁公式サイト)で参照する
関連特許
キヤノン株式会社
トナー
2日前
キヤノン株式会社
トナー
2日前
キヤノン株式会社
トナー
2日前
キヤノン株式会社
トナー
7日前
キヤノン株式会社
表示装置
14日前
キヤノン株式会社
撮像装置
7日前
キヤノン株式会社
電子機器
15日前
キヤノン株式会社
記録装置
今日
キヤノン株式会社
撮像装置
15日前
キヤノン株式会社
撮像装置
3日前
キヤノン株式会社
電子機器
9日前
キヤノン株式会社
定着装置
1日前
キヤノン株式会社
定着装置
15日前
キヤノン株式会社
定着装置
21日前
キヤノン株式会社
電子機器
15日前
キヤノン株式会社
記録装置
7日前
キヤノン株式会社
現像容器
今日
キヤノン株式会社
電子機器
11日前
キヤノン株式会社
発光装置
14日前
キヤノン株式会社
現像装置
今日
キヤノン株式会社
現像容器
今日
キヤノン株式会社
収容装置
15日前
キヤノン株式会社
撮影装置
今日
キヤノン株式会社
現像装置
今日
キヤノン株式会社
半導体装置
9日前
キヤノン株式会社
モジュール
2日前
キヤノン株式会社
現像剤容器
8日前
キヤノン株式会社
光学センサ
2日前
キヤノン株式会社
画像形成装置
1日前
キヤノン株式会社
画像形成装置
11日前
キヤノン株式会社
画像形成装置
11日前
キヤノン株式会社
画像形成装置
11日前
キヤノン株式会社
画像形成装置
11日前
キヤノン株式会社
画像形成装置
11日前
キヤノン株式会社
画像形成装置
11日前
キヤノン株式会社
画像形成装置
11日前
続きを見る
他の特許を見る