TOP
|
特許
|
意匠
|
商標
特許ウォッチ
Twitter
他の特許を見る
公開番号
2025158834
公報種別
公開特許公報(A)
公開日
2025-10-17
出願番号
2024061734
出願日
2024-04-05
発明の名称
検出装置
出願人
株式会社デンソー
代理人
個人
,
個人
,
個人
,
個人
,
個人
主分類
G01L
5/00 20060101AFI20251009BHJP(測定;試験)
要約
【課題】センサ基板とターゲット部材とが干渉することを防止できる検出装置を提供する。
【解決手段】検出装置は、車輪ユニットに適用される。車輪ユニットは、外輪部材50、内輪部材60及び転動体41を備えるハブベアリングを備えている。検出装置は、内輪部材60に設けられ、内輪部材60の回転中心を中心にして内輪部材60の周方向に延びる円環状のターゲット部材80と、軸線方向においてターゲット部材80と対向する位置に設けられたセンサ基板100と、ターゲット部材80の内周縁部から径方向の内側に延びて形成された突起部90と、を備える。突起部90は、傾斜角度が所定角度θb未満の接触角度θaとなる場合に、外輪部材50の外側円筒部51に接触する形状になっている。
【選択図】 図8
特許請求の範囲
【請求項1】
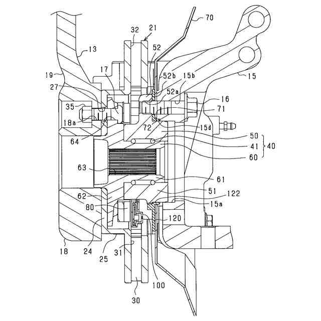
回転体(11,14)を備える機械装置(10)に適用される検出装置において、
前記機械装置は、前記回転体をベース部(15)に対して回転可能に支持する軸受部材(40)を備え、
前記軸受部材は、
前記軸受部材の回転中心軸線が延びる方向である軸線方向に延びるとともに、前記ベース部に対して固定される第1軸受部(50)と、
前記軸線方向と直交する径方向において前記第1軸受部と対向する位置に設けられ、前記回転体が固定される第2軸受部(60)と、
前記第1軸受部と前記第2軸受部との間に設けられた転動体(41)と、
を有し、前記ベース部に対して前記第2軸受部を回転可能に支持し、
前記第2軸受部に設けられ、前記第2軸受部の回転中心を中心にして前記第2軸受部の周方向に延びる円環状の検出対象部(80,180)と、
前記軸線方向において前記検出対象部と対向する位置に設けられ、前記検出対象部の変位に応じた電圧信号を出力するセンサ基板(100,1100)と、
前記検出対象部が前記センサ基板に接触しないように、前記第1軸受部に対する前記第2軸受部の変位を制限する制限機構と、
を備える、検出装置。
続きを表示(約 630 文字)
【請求項2】
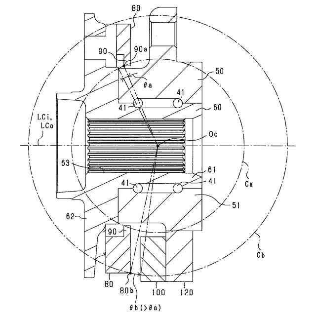
前記制限機構として、前記検出対象部の内周縁部から前記径方向の内側に延びて形成された突起部(90)を備え、
前記第1軸受部に対する前記第2軸受部の回転中心(Oc)まわりに前記第2軸受部が傾斜した場合において、前記検出対象部が前記センサ基板に接触するときにおける前記第1軸受部に対する前記第2軸受部の傾斜角度を第1所定角度として、
前記突起部は、前記傾斜角度が前記第1所定角度未満の第2所定角度となる場合に、前記第1軸受部に接触する形状になっている、請求項1に記載の検出装置。
【請求項3】
前記突起部は、前記検出対象部の内周縁部において前記周方向の全域にわたって設けられている、請求項2に記載の検出装置。
【請求項4】
前記検出対象部(180)は、前記軸線方向において、前記センサ基板(1100)側に行くほど前記径方向の外形寸法が小さくなっている、請求項1~3のいずれか1項に記載の検出装置。
【請求項5】
前記センサ基板(1100)は、前記軸線方向において、前記検出対象部(180)側に行くほど前記径方向の外径寸法が小さくなっている、請求項1~3のいずれか1項に記載の検出装置。
【請求項6】
前記センサ基板及び前記検出対象部のそれぞれは、前記センサ基板の強度が前記検出対象部の強度よりも低強度となる材料で構成されている、請求項2又は3に記載の検出装置。
発明の詳細な説明
【技術分野】
【0001】
本開示は、検出装置に関する。
続きを表示(約 1,600 文字)
【背景技術】
【0002】
従来、ハブベアリングの外輪部材に対する内輪部材の相対変位を利用して変位を検出するセンサ付きハブベアリングが知られている。なお、センサ付きハブベアリングは、例えば特許文献1に記載されている。
【先行技術文献】
【特許文献】
【0003】
特開2008-275508号公報
【発明の概要】
【発明が解決しようとする課題】
【0004】
回転体を備える機械装置に適用される検出装置が知られている。検出装置は、軸受部材を備えている。軸受部材は、第1軸受部(例えば外輪部材)と、第2軸受部(例えば内輪部材)と、転動体とを備えている。第1軸受部は、ベース部に対して固定されている。第2軸受部には、回転体が固定されている。第1軸受部と第2軸受部との間には、転動体が設けられている。これにより、軸受部材は、回転体をベース部に対して回転可能に支持する。
【0005】
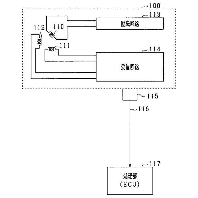
検出装置は、変位又は力を検出するための構成として、検出対象部と、センサ基板とを備えている。検出対象部は、円環状をしており、第1軸受部の回転中心を中心にして軸受部材の周方向に延びている。センサ基板は、検出対象部と軸受部材の軸方向に対向する位置に設けられている。センサ基板は、センサ基板に対する検出対象部の相対変位に応じた電圧信号を出力する。出力された電圧信号に基づいて、変位又は力が検出される。
【0006】
回転体に一時的に過大な力が加わることがある。この場合、軸受部材にも一時的に過大な力が加わり、第2軸受部の中心軸線に対して第1軸受部の中心軸線が過度に傾くことがある。この場合に、センサ基板と検出対象部とが干渉することが懸念される。
【0007】
本開示の主たる目的は、センサ基板と検出対象部とが干渉することを防止できる検出装置を提供することである。
【課題を解決するための手段】
【0008】
本開示の第1の構成は、
回転体を備える機械装置に適用される検出装置において、
前記機械装置は、前記回転体をベース部に対して回転可能に支持する軸受部材を備え、
前記軸受部材は、
前記軸受部材の回転中心軸線が延びる方向である軸線方向に延びるとともに、前記ベース部に対して固定される第1軸受部と、
前記軸線方向と直交する径方向において前記第1軸受部と対向する位置に設けられ、前記回転体が固定される第2軸受部と、
前記第1軸受部と前記第2軸受部との間に設けられた転動体と、
を有し、前記ベース部に対して前記第2軸受部を回転可能に支持し、
前記第2軸受部に設けられ、前記第2軸受部の回転中心を中心にして前記第2軸受部の周方向に延びる円環状の検出対象部と、
前記軸線方向において前記検出対象部と対向する位置に設けられ、前記検出対象部の変位に応じた電圧信号を出力するセンサ基板と、
前記検出対象部が前記センサ基板に接触しないように、前記第1軸受部に対する前記第2軸受部の変位を制限する制限機構と、
を備える。
【0009】
第1の構成によれば、軸受部材に過大な力が加わった場合であっても、検出対象部がセンサ基板に接触しないように、第1軸受部に対する第2軸受部の変位が制限される。そのため、センサ基板と検出対象部とが干渉することを防止することができる。
【0010】
第1の構成における「前記検出対象部が前記センサ基板に接触しないように、前記第1軸受部に対する前記第2軸受部の変位を制限する制限機構」との構成は、以下の第2の構成により実現することができる。
(【0011】以降は省略されています)
この特許をJ-PlatPat(特許庁公式サイト)で参照する
関連特許
株式会社デンソーウェーブ
筐体
4日前
株式会社デンソー
回転機
4日前
株式会社デンソー
車載器
17日前
株式会社デンソー
電子装置
21日前
株式会社デンソー
ステータ
17日前
株式会社デンソー
電子装置
11日前
株式会社デンソー
電子装置
12日前
株式会社デンソー
ステータ
17日前
株式会社デンソー
反力装置
11日前
株式会社デンソー
検出装置
3日前
株式会社デンソー
ねじ部材
17日前
株式会社デンソーテン
インバータ
11日前
株式会社デンソー
電流センサ
4日前
株式会社デンソー
半導体装置
17日前
株式会社デンソー
レーダ装置
10日前
株式会社デンソー
農業用装置
13日前
株式会社デンソー
電子制御装置
17日前
株式会社デンソー
運転支援装置
12日前
株式会社デンソー
車両制御装置
11日前
株式会社デンソー
車載システム
11日前
株式会社デンソー
車載システム
11日前
株式会社デンソー
運航管理装置
10日前
株式会社デンソー
電力変換装置
17日前
株式会社デンソーエアクール
換気空調装置
18日前
株式会社デンソー
衝突予測装置
12日前
株式会社デンソー
衝突予測装置
12日前
株式会社デンソーテン
車載映像装置
17日前
株式会社デンソー
電力変換装置
13日前
株式会社デンソー
電波吸収装置
21日前
株式会社デンソー
電圧検出回路
13日前
株式会社デンソー
画像処理装置
4日前
株式会社デンソー
電力変換装置
5日前
株式会社デンソー
移動体制御装置
18日前
株式会社デンソー
画像符号化装置
19日前
株式会社デンソー
巻線界磁ロータ
5日前
株式会社デンソー
圧着ヘッド装置
17日前
続きを見る
他の特許を見る