TOP
|
特許
|
意匠
|
商標
特許ウォッチ
Twitter
他の特許を見る
公開番号
2025152357
公報種別
公開特許公報(A)
公開日
2025-10-09
出願番号
2024054209
出願日
2024-03-28
発明の名称
保護膜形成フィルム、保護膜形成用複合シート、及び、保護膜付きチップの製造方法
出願人
リンテック株式会社
代理人
個人
,
個人
,
個人
主分類
H01L
21/301 20060101AFI20251002BHJP(基本的電気素子)
要約
【課題】保護膜をウエハとともにダイシングして保護膜付きチップを形成するときに、保護膜の端の一部が欠けてしまう現象を抑制することができるエネルギー線硬化性の保護膜形成フィルム、及びそれを備える保護膜形成用複合シート、並びに、保護膜付きチップの製造方法の提供。
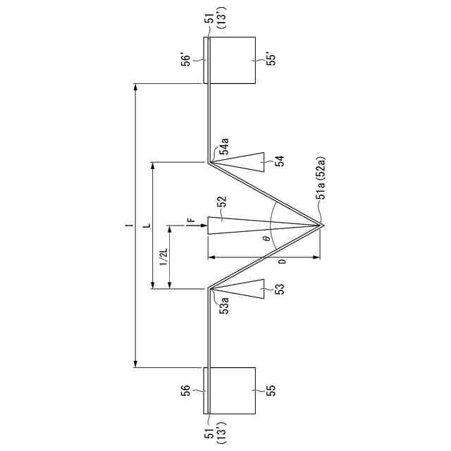
【解決手段】エネルギー線硬化性の保護膜形成フィルムであって、下記破断時曲げ角度測定方法により測定される破断時曲げ角度が105°以下である。[破断時曲げ角度測定方法]前記保護膜形成フィルムをエネルギー線硬化させて得られる保護膜(13’)の試験片(51)の両端をセロハンテープ(56,56’)で固定した状態で、支点間距離(L)が8.0mmとなるように調整して三点曲げ試験用の治具(53,54,55,55’)に装着し、試験片の中心(51a)を圧子(52)で押し下げたとき、破断時の圧子(52)との接触部(51a,52a)の曲げ角度を測定する。
【選択図】図5B
特許請求の範囲
【請求項1】
エネルギー線硬化性の保護膜形成フィルムであって、下記破断時曲げ角度測定方法により測定される破断時曲げ角度が105°以下である、保護膜形成フィルム。
[破断時曲げ角度測定方法]
前記保護膜形成フィルムをエネルギー線硬化させて得られる保護膜を、幅10mm、長さ40mmの大きさの試験片に切り出し、保護膜の自由長さが30mmとなるように前記試験片の両端をセロハンテープで固定した状態で、支点間距離8.0mm、両支点の先端と試験片の中心との間の距離がそれぞれ4.0mmとなるように調整して三点曲げ試験用の治具に装着し、試験速度0.5mm/minの条件で試験片の中心を圧子で押し下げたとき、破断時の、圧子との接触部の曲げ角度を測定する。
続きを表示(約 420 文字)
【請求項2】
前記破断時曲げ角度測定方法により測定される破断時荷重が0.5~10Nである、請求項1に記載の保護膜形成フィルム。
【請求項3】
波長1300nmの近赤外線透過率が10%以下である、請求項1に記載の保護膜形成フィルム。
【請求項4】
支持シートと、前記支持シートの一方の面上に設けられた請求項1又は2に記載の保護膜形成フィルムと、を備える保護膜形成用複合シート。
【請求項5】
チップと、前記チップの裏面に設けられた保護膜と、を備えた保護膜付きチップの製造方法であって、ウエハの裏面に、請求項1又は2に記載の保護膜形成フィルムを貼付する貼付工程と、前記保護膜形成フィルムをエネルギー線硬化させて前記保護膜を形成する硬化工程と、前記ウエハを分割し、前記保護膜を切断することにより、複数個の前記保護膜付きチップを作製する分割工程と、を有する保護膜付きチップの製造方法。
発明の詳細な説明
【技術分野】
【0001】
本発明は、保護膜形成フィルム、保護膜形成用複合シート、及び、保護膜付きチップの製造方法に関する。
続きを表示(約 2,900 文字)
【背景技術】
【0002】
半導体ウエハや絶縁体ウエハ等のウエハには、その一方の面(回路面)に回路が形成されており、さらにその面(回路面)上にバンプ等の突状電極を有するものがある。このようなウエハは、分割によりチップとされ、所謂フェースダウン方式により、その突状電極が回路基板上の接続パッドに接続されることにより、前記回路基板に搭載される。
このようなウエハやチップにおいては、クラックの発生等の破損を抑制するために、回路面とは反対側の面(裏面)を、保護膜で保護することがある。
【0003】
このような保護膜を形成するためには、ウエハの裏面に、保護膜を形成するための保護膜形成フィルムを貼付する。保護膜形成フィルムは、これを支持するための支持シート上に積層され、保護膜形成用複合シートの状態で使用されることもあるし、支持シート上に積層されずに使用されることもある。保護膜形成フィルムにレーザーマーキングしてから、保護膜形成層の保護性能を高めるために、必要に応じて熱又はエネルギー線による硬化を経て、ダイシングにより半導体ウエハをチップに分割し、ピックアップする。あるいは、保護膜形成フィルムを熱又はエネルギー線により硬化させて形成された保護膜にレーザーマーキングしてから、ダイシングにより半導体ウエハをチップに分割し、ピックアップする。次いで、ピックアップされた保護膜付き半導体チップは、マザーボードなどの回路基板上の接続パッドにフリップチップ接続され、回路基板を加熱することにより保護膜付きチップ上の突状電極を融解させ(以下、リフロー工程という。)、突状電極と、回路基板上の接続パッドと、の電気的な接続を強固にして、回路基板に実装される。
【0004】
加熱により硬化する熱硬化性の保護膜形成フィルム、又は、エネルギー線の照射により硬化するエネルギー線硬化性の保護膜形成フィルムを用いた場合には、非硬化性の保護膜形成フィルムを用いた場合に比べて、硬化物を保護膜とするため、ウエハ及びチップの保護能が高いという利点を有する。そして、熱硬化性の保護膜形成フィルムは、その硬化時の加熱に比較的長時間を有するが、エネルギー線硬化性の保護膜形成フィルムは、その硬化時のエネルギー線照射が短時間で済むという利点を有する。そこで、エネルギー線硬化性の保護膜形成フィルムの開発が種々進められている(特許文献1~3等参照)。
【先行技術文献】
【特許文献】
【0005】
国際公開第2016/068042号
国際公開第2017/188197号
国際公開第2019/082977号
【発明の概要】
【発明が解決しようとする課題】
【0006】
しかしながら、従来のエネルギー線硬化性の保護膜形成フィルムを用いて、エネルギー線の照射により硬化した保護膜をウエハとともに保護膜付きチップにダイシングした場合、支持シートからピックアップして保護膜付きチップを確認すると、保護膜の端の一部が欠けていることがあった。保護膜と支持シートとの間の粘着力を最適にしても、保護膜付きチップの保護膜の端の一部が欠ける現象は変わりないことから、ダイシング工程時に保護膜の端の一部が欠けたものと考えられる。
【0007】
本発明は、上記事情に鑑みてなされたものであって、エネルギー線の照射により硬化した保護膜をウエハとともにダイシングして保護膜付きチップを形成するときに、保護膜の端の一部が欠けてしまう現象を抑制することができるエネルギー線硬化性の保護膜形成フィルム、及びそれを備える保護膜形成用複合シート、並びに、保護膜付きチップの製造方法を提供する。
【課題を解決するための手段】
【0008】
本発明は、以下の態様を有する。
[1] エネルギー線硬化性の保護膜形成フィルムであって、
エネルギー線硬化性の保護膜形成フィルムであって、下記破断時曲げ角度測定方法により測定される破断時曲げ角度が105°以下である、保護膜形成フィルム。
[破断時曲げ角度測定方法]
前記保護膜形成フィルムをエネルギー線硬化させて得られる保護膜を、幅10mm、長さ40mmの大きさの試験片に切り出し、保護膜の自由長さが30mmとなるように前記試験片の両端をセロハンテープで固定した状態で、支点間距離8.0mm、両支点の先端と試験片の中心との間の距離がそれぞれ4.0mmとなるように調整して三点曲げ試験用の治具に装着し、試験速度0.5mm/minの条件で試験片の中心を圧子で押し下げたとき、破断時の、圧子との接触部の曲げ角度を測定する。
[2] 前記破断時曲げ角度測定方法により測定される破断時荷重が0.5~10Nである、[1]に記載の保護膜形成フィルム。
[3] 波長1300nmの近赤外線透過率が10%以下である、[1]又は[2]に記載の保護膜形成フィルム。
[4] 支持シートと、前記支持シートの一方の面上に設けられた[1]~[3]のいずれか一項に記載の保護膜形成フィルムと、を備える保護膜形成用複合シート。
[5] チップと、前記チップの裏面に設けられた保護膜と、を備えた保護膜付きチップの製造方法であって、ウエハの裏面に、[1]~[3]のいずれか一項に記載の保護膜形成フィルムを貼付する貼付工程と、前記保護膜形成フィルムをエネルギー線硬化させて前記保護膜を形成する硬化工程と、前記ウエハを分割し、前記保護膜を切断することにより、複数個の前記保護膜付きチップを作製する分割工程と、を有する保護膜付きチップの製造方法。
【発明の効果】
【0009】
本発明によれば、エネルギー線の照射により硬化した保護膜をウエハとともにダイシングして保護膜付きチップを形成するときに、保護膜の端の一部が欠けてしまう現象を抑制することができるエネルギー線硬化性の保護膜形成フィルム、及びそれを備える保護膜形成用複合シート、並びに、保護膜付きチップの製造方法が提供される。
【図面の簡単な説明】
【0010】
本発明の一実施形態に係る保護膜形成フィルムの一例を模式的に示す断面図である。
本発明の一実施形態に係る保護膜形成用複合シートの一例を模式的に示す断面図である。
本発明の一実施形態に係る保護膜付きチップの製造方法の一例を模式的に説明するための断面図である。
本発明の一実施形態に係る保護膜付きチップの製造方法の他の例を模式的に説明するための断面図である。
破断時曲げ角度測定の開始時の試験片(51)の位置を模式的に示す断面図である。
破断時曲げ角度測定の破断直前の試験片(51)の様子を模式的に示す断面図である。
【発明を実施するための形態】
(【0011】以降は省略されています)
この特許をJ-PlatPat(特許庁公式サイト)で参照する
関連特許
個人
フレキシブル電気化学素子
6日前
株式会社ユーシン
操作装置
6日前
日新イオン機器株式会社
イオン源
2日前
ローム株式会社
半導体装置
8日前
株式会社GSユアサ
蓄電設備
6日前
株式会社GSユアサ
蓄電設備
6日前
株式会社ホロン
冷陰極電子源
今日
太陽誘電株式会社
コイル部品
6日前
オムロン株式会社
電磁継電器
7日前
日東電工株式会社
積層体
7日前
トヨタ自動車株式会社
バッテリ
7日前
ノリタケ株式会社
熱伝導シート
6日前
トヨタ自動車株式会社
蓄電装置
6日前
サクサ株式会社
電池の固定構造
6日前
ベストテック株式会社
装置支持具
6日前
株式会社ダイヘン
搬送装置
6日前
東レエンジニアリング株式会社
実装装置
7日前
株式会社トクヤマ
シリコンエッチング液
今日
株式会社トクヤマ
シリコンエッチング液
今日
SMK株式会社
キートップ及びスイッチ
8日前
ローム株式会社
半導体装置
7日前
ローム株式会社
半導体装置
8日前
古河電気工業株式会社
端子
6日前
ローム株式会社
半導体装置
8日前
日本製紙株式会社
導電性フィルム
7日前
日本製紙株式会社
導電性フィルム
7日前
エイブリック株式会社
半導体集積回路装置
2日前
株式会社村田製作所
二次電池
今日
APB株式会社
二次電池モジュール
6日前
APB株式会社
二次電池モジュール
6日前
太陽誘電株式会社
コイル部品
6日前
太陽誘電株式会社
コイル部品
7日前
日本電気株式会社
レーザモジュール
7日前
太陽誘電株式会社
コイル部品
2日前
本田技研工業株式会社
固体電池
6日前
株式会社湯原製作所
熱マネジメント用パネル
7日前
続きを見る
他の特許を見る