TOP
|
特許
|
意匠
|
商標
特許ウォッチ
Twitter
他の特許を見る
公開番号
2025159978
公報種別
公開特許公報(A)
公開日
2025-10-22
出願番号
2024062895
出願日
2024-04-09
発明の名称
設計方法及び設計プログラム
出願人
株式会社日本設計
代理人
個人
主分類
G06F
30/13 20200101AFI20251015BHJP(計算;計数)
要約
【課題】設計書の指定項目の内容が同じ設計対象物であっても異なる前提条件では設計項目の内容が異なる場合に設計効率に優れる設計方法を提供する。
【解決手段】設計対象物について指定項目としてのA項及びB項と設計項目としてのP項とを含む諸項目の内容の組み合わせである内容群を含む設計書を作成する設計方法であって、第1指定情報を作成する第1指定情報作成手順と、第2指定情報を作成する第2指定情報作成手順と、前記第1指定情報及び前記第2指定情報による上書き順序を設定する上書き順序設定手順と、前記設計書における前記A項及び前記B項の内容が指定された前記内容群に対して設定された前記上書き順序で前記第1指定情報及び前記第2指定情報によって上書きを行う指定情報上書き手順とを有する設計方法。
【選択図】図1
特許請求の範囲
【請求項1】
設計対象物について指定項目としてのA項及びB項と設計項目としてのP項とを含む諸項目の内容の組み合わせである内容群を含む設計書を作成する設計方法であって、
前記設計書における前記A項及び前記B項の内容が指定された前記内容群に対して前記B項の内容に関わらず前記A項の内容に応じて前記P項の内容を上書きさせるために前記A項の想定される内容と当該内容に応じる前記P項の上書き内容とを含む第1指定情報を作成する第1指定情報作成手順と、
前記設計書における前記A項及び前記B項の内容が指定された前記内容群に対して前記A項の内容に関わらず前記B項の内容に応じて前記P項の内容を上書きさせるために前記B項の想定される内容と当該内容に応じる前記P項の上書き内容とを含む第2指定情報を作成する第2指定情報作成手順と、
前記第1指定情報及び前記第2指定情報による上書き順序を設定する上書き順序設定手順と、
前記設計書における前記A項及び前記B項の内容が指定された前記内容群に対して設定された前記上書き順序で前記第1指定情報及び前記第2指定情報によって上書きを行う指定情報上書き手順とを有する設計方法。
続きを表示(約 1,000 文字)
【請求項2】
前記設計書における前記A項及び前記B項の内容が指定された前記内容群に対して前記前記A項及び前記B項の内容の組み合わせに応じて前記P項の内容を上書きさせるために前記A項及び前記B項の想定される内容の組み合わせと当該内容の組み合わせに応じる前記P項の上書き内容とを含む参照情報を準備する参照情報準備手順と、
前記設計書における前記A項及び前記B項の内容が指定された前記内容群に対して前記参照情報によって上書きを行う参照情報上書き手順とを有し、
前記指定情報上書き手順による前記上書きは、前記参照情報上書き手順による前記上書きの後に行われる、請求項1に記載の設計方法。
【請求項3】
前記設計書における前記指定情報上書き手順によって上書きされた前記内容群を前記参照情報に追加する参照情報追加手順を有する、請求項2に記載の設計方法。
【請求項4】
前記参照情報追加手順は、前記内容群を価格情報と関連付けて前記参照情報に追加する、請求項3に記載の設計方法。
【請求項5】
前記設計対象物は、建物又はその設備である、請求項1に記載の設計方法。
【請求項6】
設計対象物について指定項目としてのA項及びB項と設計項目としてのP項とを含む諸項目の内容の組み合わせである内容群を含む設計書を作成する設計プログラムであって、コンピュータに、
前記設計書における前記A項及び前記B項の内容が指定された前記内容群に対して前記B項の内容に関わらず前記A項の内容に応じて前記P項の内容を上書きさせるために前記A項の想定される内容と当該内容に応じる前記P項の上書き内容とを含む第1指定情報を作成する第1指定情報作成手順と、
前記設計書における前記A項及び前記B項の内容が指定された前記内容群に対して前記A項の内容に関わらず前記B項の内容に応じて前記P項の内容を上書きさせるために前記B項の想定される内容と当該内容に応じる前記P項の上書き内容とを含む第2指定情報を作成する第2指定情報作成手順と、
前記第1指定情報及び前記第2指定情報による上書き順序を設定する上書き順序設定手順と、
前記設計書における前記A項及び前記B項の内容が指定された前記内容群に対して設定された前記上書き順序で前記第1指定情報及び前記第2指定情報によって上書きを行う指定情報上書き手順とを実行させる設計プログラム。
発明の詳細な説明
【技術分野】
【0001】
本発明は設計方法及び設計プログラムに関する。
続きを表示(約 1,600 文字)
【背景技術】
【0002】
設計対象物について顧客の要望等によって指定される指定項目と指定項目の内容に基づいて設計される設計項目との内容の組み合わせを含む設計書を作成する設計方法が知られている(例えば特許文献1参照)。
【先行技術文献】
【特許文献】
【0003】
特許第7287910号公報
【発明の概要】
【発明が解決しようとする課題】
【0004】
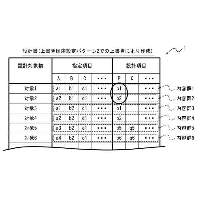
例えばコンピュータ(利用するアプリケーションの種類を問わない)を利用して行われる、あらゆる設計の内、例えば設計対象物が建物の建具(例えばドア)である場合に、例えば同じ建物であっても異なる前提条件(例えばエントランスと倉庫などの、例えば建具が設置されるエリア)では、指定項目(例えば表面仕上げと遮音性)の内容が同じ建具であっても設計項目(例えば枠形状)の内容は異なる方が良い場合がある。異なる前提条件ごとにそれぞれ設計項目の最適な内容を設計してもよいが、その設計効率の点で改善の余地があった。
【0005】
そこで本発明の目的は、設計書の指定項目の内容が同じ設計対象物であっても異なる前提条件では設計項目の内容が異なる場合に設計効率に優れる設計方法及び設計プログラムを提供することにある。
【課題を解決するための手段】
【0006】
本発明の一態様は以下のとおりである。
【0007】
[1]
設計対象物について指定項目としてのA項及びB項と設計項目としてのP項とを含む諸項目の内容の組み合わせである内容群を含む設計書を作成する設計方法であって、
前記設計書における前記A項及び前記B項の内容が指定された前記内容群に対して前記B項の内容に関わらず前記A項の内容に応じて前記P項の内容を上書きさせるために前記A項の想定される内容と当該内容に応じる前記P項の上書き内容とを含む第1指定情報を作成する第1指定情報作成手順と、
前記設計書における前記A項及び前記B項の内容が指定された前記内容群に対して前記A項の内容に関わらず前記B項の内容に応じて前記P項の内容を上書きさせるために前記B項の想定される内容と当該内容に応じる前記P項の上書き内容とを含む第2指定情報を作成する第2指定情報作成手順と、
前記第1指定情報及び前記第2指定情報による上書き順序を設定する上書き順序設定手順と、
前記設計書における前記A項及び前記B項の内容が指定された前記内容群に対して設定された前記上書き順序で前記第1指定情報及び前記第2指定情報によって上書きを行う指定情報上書き手順とを有する設計方法。
【0008】
[2]
前記設計書における前記A項及び前記B項の内容が指定された前記内容群に対して前記前記A項及び前記B項の内容の組み合わせに応じて前記P項の内容を上書きさせるために前記A項及び前記B項の想定される内容の組み合わせと当該内容の組み合わせに応じる前記P項の上書き内容とを含む参照情報を準備する参照情報準備手順と、
前記設計書における前記A項及び前記B項の内容が指定された前記内容群に対して前記参照情報によって上書きを行う参照情報上書き手順とを有し、
前記指定情報上書き手順による前記上書きは、前記参照情報上書き手順による前記上書きの後に行われる、[1]に記載の設計方法。
【0009】
[3]
前記設計書における前記指定情報上書き手順によって上書きされた前記内容群を前記参照情報に追加する参照情報追加手順を有する、[2]に記載の設計方法。
【0010】
[4]
前記参照情報追加手順は、前記内容群を価格情報と関連付けて前記参照情報に追加する、[3]に記載の設計方法。
(【0011】以降は省略されています)
この特許をJ-PlatPat(特許庁公式サイト)で参照する
関連特許
株式会社日本設計
設計方法及び設計プログラム
9日前
個人
詐欺保険
17日前
個人
縁伊達ポイン
17日前
個人
RFタグシート
4日前
個人
ペルソナ認証方式
1日前
個人
地球保全システム
1か月前
個人
QRコードの彩色
21日前
個人
自動調理装置
3日前
個人
冷凍食品輸出支援構造
1か月前
個人
為替ポイント伊達夢貯
1か月前
個人
農作物用途分配システム
16日前
個人
残土処理システム
23日前
個人
表変換編集支援システム
1か月前
個人
インターネットの利用構造
今日
個人
知財出願支援AIシステム
1か月前
個人
知的財産出願支援システム
24日前
個人
タッチパネル操作指代替具
10日前
個人
AIによる情報の売買の仲介
1か月前
個人
行動時間管理システム
1か月前
個人
携帯端末障害問合せシステム
9日前
個人
スケジュール調整プログラム
9日前
個人
パスワード管理支援システム
1か月前
個人
システム及びプログラム
1か月前
個人
AIキャラクター制御システム
1か月前
株式会社キーエンス
受発注システム
29日前
個人
エリアガイドナビAIシステム
1日前
日本精機株式会社
施工管理システム
1か月前
株式会社アジラ
進入判定装置
2か月前
個人
パスポートレス入出国システム
2か月前
株式会社キーエンス
受発注システム
29日前
個人
海外支援型農作物活用システム
1か月前
株式会社キーエンス
受発注システム
29日前
個人
食品レシピ生成システム
29日前
個人
音声対話型帳票生成支援システム
1か月前
サクサ株式会社
中継装置
1か月前
個人
冷凍加工連携型農場運用システム
1か月前
続きを見る
他の特許を見る