TOP
|
特許
|
意匠
|
商標
特許ウォッチ
Twitter
他の特許を見る
公開番号
2025130573
公報種別
公開特許公報(A)
公開日
2025-09-08
出願番号
2024027830
出願日
2024-02-27
発明の名称
編地、その製造方法及び衣料
出願人
大和紡績株式会社
代理人
弁理士法人池内アンドパートナーズ
主分類
D04B
1/14 20060101AFI20250901BHJP(組みひも;レース編み;メリヤス編成;縁とり;不織布)
要約
【課題】木綿繊維を含有する紡績糸を含み、優れた吸水性を有し、かつ速乾性が高い編地、その製造方法及び衣料を提供する。
【解決手段】本発明は、木綿含有紡績糸を含む編地であって、前記編地は、目付が80g/m
2
以上250g/m
2
以下であり、前記木綿含有紡績糸は、無撚状態の無撚繊維群と、前記無撚繊維群の周囲に巻き付いている巻き付き繊維群で構成されており、前記編地中の前記木綿含有紡績糸の繊度1texあたりの単糸引張強さが6.0cN/tex以上12cN/tex未満であり、前記編地の拡散性残留水分率10%に至る乾燥時間が52分以下である編地に関する。前記編地は、渦流紡績機を用いて作製した木綿繊維を含有する紡績糸で編成した編地を特定の条件で精練漂白し、グリオキザール樹脂及びシリコーン系柔軟剤を特定の条件で結合することで作製することができる。
【選択図】なし
特許請求の範囲
【請求項1】
木綿繊維を含有する紡績糸である木綿含有紡績糸を含む編地であって、
前記編地は、目付が80g/m
2
以上250g/m
2
以下であり、
前記木綿含有紡績糸は、無撚状態の無撚繊維群と、前記無撚繊維群の周囲に巻き付いている巻き付き繊維群で構成されており、
前記編地中の前記木綿含有紡績糸の繊度1texあたりの単糸引張強さが6.0cN/tex以上12cN/tex未満であり、
前記編地の試験片に0.6mlの水を滴下し、20℃、65%RHの環境中に試験片を吊り下げた状態で放置した際、拡散性残留水分率10%に至る乾燥時間が52分以下である、編地。
続きを表示(約 1,200 文字)
【請求項2】
前記編地の試験片を直径15cmの刺繍枠に取り付け、0.2mlの水を滴下後、60秒後に濡れ広がった部分のタテ(経)方向の直径及びヨコ(緯)方向の直径を測定し、下記数式にて算出した吸水拡散面積が13cm
2
以上である、請求項1に記載の編地。
吸水拡散面積(cm
2
)=[タテ(経)方向の直径×ヨコ(緯)方向の直径]/4×π
【請求項3】
前記編地は、JIS L 1096:2010 8.25 乾燥性の測定方法に準拠して測定する標準状態で恒量になるまでの時間が200分以下である、請求項1に記載の編地。
【請求項4】
前記編地中の前記木綿含有紡績糸の伸長弾性率が50%以上90%以下である、請求項1に記載の編地。
【請求項5】
前記編地は、前記木綿含有紡績糸由来の木綿繊維を50質量%以上含有する、請求項1に記載の編地。
【請求項6】
前記編地は、前記木綿含有紡績糸由来の木綿繊維及び前記木綿繊維以外の他のセルロース系繊維を合計で80質量%以上含む、請求項1に記載の編地。
【請求項7】
前記編地は、天竺編地である、請求項1に記載の編地。
【請求項8】
JIS L 1096 8.18 (2010)に記載の破裂強さが、下記の(a)又は(b)の少なくとも一方を満たす、請求項1に記載の編地。
(a)JIS L1096 (2010)8.18.1 A法(ミューレン形法)によって測定した破裂強さが300kPa以上980kPa以下
(b)JIS L1096 (2010)8.18.3 C法(ISO法)によって測定した破裂強さが300kPa以上980kPa以下
【請求項9】
請求項1~8のいずれかに記載の編地の製造方法であって、
(1)渦流紡績機を用いることにより、木綿繊維を含有する紡績糸である木綿含有紡績糸を作製する工程、
(2)前記木綿含有紡績糸を用いて編地を編成する工程、
(3)前記編地に対し、過酸化水素、アルカリ剤、及び精練剤を含む水溶液を用い、90℃以上130℃以下の温度、20分以上60分以下の処理時間の条件にて精練漂白を施す工程、及び
(4)精練漂白後の編地に、グリオキザール樹脂、架橋剤及びシリコーン系柔軟剤を含む水溶液を含浸した後、140℃以上180℃以下の温度で、60秒以上240秒以下乾燥及び熱処理を行う工程を含む、編地の製造方法。
【請求項10】
前記工程(4)に用いる水溶液は、グリオキザール樹脂を0.1%owf以上10.0%owf以下、架橋剤を0.03%owf以上2.5%owf以下、及びシリコーン系柔軟剤を0.5%owf以上10.0%owf以下含む、請求項9に記載の編地の製造方法。
(【請求項11】以降は省略されています)
発明の詳細な説明
【技術分野】
【0001】
本発明は、木綿繊維を含有する紡績糸である木綿含有紡績糸を含む編地、その製造方法及び衣料に関する。
続きを表示(約 2,800 文字)
【背景技術】
【0002】
天然繊維といわれる繊維のうち、木綿繊維は、吸水性に優れ、耐久性にも優れることから、古くから衣料に使用されている。特に木綿繊維は吸水性や耐久性の他、衣料にしたときの風合いの良さもあり、衣料用の繊維として広く使用されている。
しかし、木綿繊維を含む紡績糸を用いた編地は、吸水性に優れるものの、速乾性に劣ることから、木綿繊維を多く含む編地を使用したシャツ等の衣料を着用し、運動などによって多量の汗をかくと、シャツ等の衣料が汗を吸収するが、乾燥しにくいため、汗冷えが発生することがある。また、スポーツ系のシャツは、ポリエステルなどの合成繊維を使用することが多いが、資源の枯渇や石油資源の使用量を減らす観点からも、木綿繊維等の天然繊維の使用が望まれている。
そこで、木綿繊維を含む紡績糸を用いた編地の乾きにくさを改善し、木綿繊維を含む紡績糸を用いた編地であって、木綿本来の吸水性の良さを保ちつつ、速乾性を有する編地の開発が行われている。例えば、特許文献1では、綿糸によりフライス加工された編地をそのまま、又はシルケット加工した後にグリオキザール樹脂にて加工することで、速乾性を改善することが記載されている。特許文献2には、綿紡績糸を用いた編地において、シルケット加工した後にグリオキザール樹脂にて加工することで、速乾性を改善することが記載されている。
【先行技術文献】
【特許文献】
【0003】
特開昭61-207672号公報
特開2010-275653号公報
【発明の概要】
【発明が解決しようとする課題】
【0004】
しかしながら、綿紡績糸を用いた編地をグリオキザール樹脂で加工しても、紡績糸の構造や加工条件等により速乾性の向上が不十分である場合があった。
【0005】
本発明は、前記従来の問題を解決するため、木綿繊維を含有する紡績糸である木綿含有紡績糸を含み、優れた吸水性を有し、かつ速乾性が高い編地、その製造方法及び衣料を提供する。
【課題を解決するための手段】
【0006】
本発明は、木綿繊維を含有する紡績糸である木綿含有紡績糸を含む編地であって、前記編地は、目付が80g/m
2
以上250g/m
2
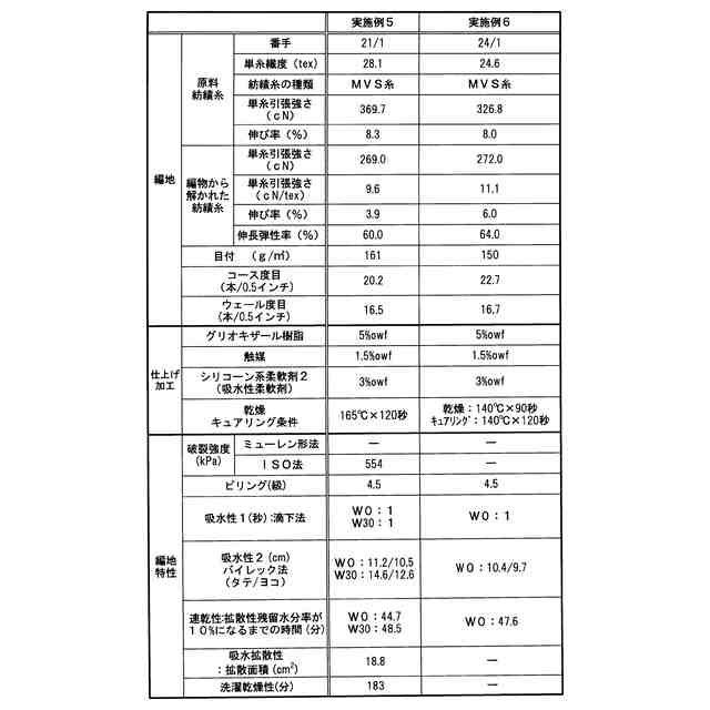
以下であり、前記木綿含有紡績糸は、無撚状態の無撚繊維群と、前記無撚繊維群の周囲に巻き付いている巻き付き繊維群で構成されており、前記編地中の前記木綿含有紡績糸の繊度1tex(1テックス)あたりの単糸引張強さが6.0cN/tex以上12cN/tex未満であり、前記編地の試験片に0.6mlの水を滴下し、20℃、65%RHの環境中に試験片を吊り下げた状態で放置した際、拡散性残留水分率10%に至る乾燥時間が52分以下である、編地に関する。
【0007】
本発明は、また、前記編地を製造する方法であって、
(1)渦流紡績機を用いることにより、木綿繊維を含有する紡績糸である木綿含有紡績糸を作製する工程、
(2)前記木綿含有紡績糸を用いて編地を編成する工程、
(3)前記編地に対し、過酸化水素、アルカリ剤、及び精練剤を含む水溶液を用い、90℃以上130℃以下の温度、20分以上60分以下の処理時間の条件にて精練漂白を施す工程、及び
(4)精練漂白後の編地に、グリオキザール樹脂、架橋剤及びシリコーン系柔軟剤を含む水溶液を含浸した後、140℃以上180℃以下の温度で、60秒以上240秒以下乾燥及び熱処理を行う工程を含む、編地の製造方法に関する。
【0008】
本発明は、また、前記編地を含む衣料に関する。
【発明の効果】
【0009】
本発明は、木綿繊維を含有する紡績糸である木綿含有紡績糸を含み、優れた吸水性を有し、かつ速乾性が高い編地、及びそれを含む衣料を提供することができる。
本発明の製造方法によれば、木綿繊維を含有する紡績糸である木綿含有紡績糸を含み、優れた吸水性を有し、かつ速乾性が高い編地を得ることができる。
【発明を実施するための形態】
【0010】
本発明の発明者らは、木綿繊維を含有する紡績糸である木綿含有紡績糸を含む編地、好ましくは木綿含有紡績糸100質量%からなる編地、特に好ましくは、木綿繊維のみからなる紡績糸100質量%からなる編地(言い換えるならば、木綿含有紡績糸が木綿繊維100質量%からなり、当該木綿含有紡績糸100質量%からなる、編地を構成する繊維が実質的に木綿繊維のみからなる編地)の吸水性を維持しつつ、速乾性を高めるために鋭意検討した。その結果、渦流紡績機を用いて作製した木綿繊維を含有する紡績糸(木綿含有紡績糸)で編成した所定の目付の編地を、特定の条件下で精練漂白し、精練漂白後の編地にグリオキザール樹脂、架橋剤及びシリコーン系柔軟剤を含む水溶液を含浸し、特定の条件下で乾燥及び熱処理することで、優れた吸水性を有し、かつ速乾性が高い編地が得られることを見出した。また、このように製造した編地において、木綿繊維を含有する紡績糸(木綿含有紡績糸)の構造は、無撚状態の無撚繊維群と、前記無撚繊維群の周囲に巻き付いている巻き付き繊維群で構成されている構造になるとともに、編地中の紡績糸において、繊度1texあたりの単糸引張強さ(cN/tex)が所定の範囲になることで、優れた吸水性を有し、速乾性が向上する。
具体的には、渦流紡績機を用いて木綿繊維を含有する紡績糸(木綿含有紡績糸)を作製したことで、木綿含有紡績糸の構造は、無撚状態の無撚繊維群と、前記無撚繊維群の周囲に巻き付いている巻き付き繊維群で構成されている構造になる。また、木綿含有紡績糸を用いて編成した所定の目付の編地を、特定の条件下で精練漂白し、精練漂白後の編地にグリオキザール樹脂、架橋剤及びシリコーン系柔軟剤を含む水溶液を含浸し、特定の条件下で乾燥及び熱処理することで、グリオキザール樹脂が木綿繊維の非結晶領域等に浸入して木綿繊維の有する官能基に対して共重合することで、編地中の木綿含有紡績糸において、繊度1texあたりの単糸引張強さ(cN/tex)が所定の範囲になる。そして、所定の目付の編地において、紡績糸の構造と、木綿繊維に結合したグリオキザール樹脂の相乗効果により、木綿繊維の特有の優れた吸水性を発揮しつつ、速乾性も向上する。また、このような編地を含む衣料も優れた吸水性を有し、速乾性も向上することで、該衣料を着用した後に運動などによって多量の汗をかくと、衣料が汗を素早く吸収するとともに、吸収した汗が乾燥しやすいことから、汗冷えが抑制されやすい。また、このような編地を含む衣料を洗濯した後も、乾燥しやすい。
(【0011】以降は省略されています)
この特許をJ-PlatPat(特許庁公式サイト)で参照する
関連特許
大和紡績株式会社
編地、その製造方法及び衣料
27日前
大和紡績株式会社
筒状フィルター及びその製造方法
1か月前
株式会社大林組
加泥材及び加泥材用繊維、並びにそれを用いたシールド工法
4か月前
東レ株式会社
編地
3か月前
東レ株式会社
織編物
4か月前
個人
マフラーの製造方法
5か月前
株式会社島精機製作所
横編機
5か月前
日本エステル株式会社
クッション体
1か月前
東レ株式会社
編物、繊維製品および詰め物
3か月前
株式会社ワコール
充填材
3か月前
東レ株式会社
不織布およびエアフィルター濾材
3か月前
ユニチカ株式会社
化粧料含浸用基布の製造方法
1か月前
株式会社島精機製作所
筒状編地の編成方法
4か月前
モリト株式会社
紐体を用いた連結体
1か月前
ユニチカトレーディング株式会社
油吸着材用不織布
16日前
株式会社秋江
布製品
4か月前
セーレン株式会社
緯編地
3か月前
ティー・ディー・イー株式会社
クリーナー
5か月前
東レ株式会社
不織布の製造装置および不織布の製造方法
9日前
日本エクスラン工業株式会社
アクリレート系繊維不織布
4か月前
株式会社島精機製作所
編地の編成方法、および編地
24日前
日本製紙クレシア株式会社
ローション不織布
1か月前
株式会社島精機製作所
編地の編成方法、および編地
1か月前
セイコーエプソン株式会社
シート製造装置
3か月前
セイコーエプソン株式会社
シート成形装置
4か月前
帝人フロンティア株式会社
しみ防止布帛および繊維製品
3か月前
セイコーエプソン株式会社
シート製造装置
3か月前
セイコーエプソン株式会社
シート製造装置
4か月前
株式会社ヴィオレッタ
メッシュ経編地及び繊維製品
2か月前
ユニチカ株式会社
シート
2か月前
日本製紙クレシア株式会社
複合型不織布
27日前
株式会社エアウィーヴ
フィラメント3次元結合体の製造装置
5か月前
花王株式会社
吸収性物品用不織布
4日前
東洋紡エムシー株式会社
肌への密着性に優れるフェイスマスク用基材
2日前
日本毛織株式会社
編地及び衣類
16日前
東レ株式会社
エレクトレットメルトブロー不織布およびその製造方法
25日前
続きを見る
他の特許を見る