TOP
|
特許
|
意匠
|
商標
特許ウォッチ
Twitter
他の特許を見る
10個以上の画像は省略されています。
公開番号
2025140673
公報種別
公開特許公報(A)
公開日
2025-09-29
出願番号
2024040206
出願日
2024-03-14
発明の名称
車両の下部車体構造
出願人
マツダ株式会社
代理人
個人
,
個人
,
個人
,
個人
,
個人
主分類
B62D
25/08 20060101AFI20250919BHJP(鉄道以外の路面車両)
要約
【課題】通常走行時に板金製のサスハウジングの内倒れ変形を抑制するとともに、後突時にフレームの屈曲変形を抑制すること。
【解決手段】前後方向に延びる閉断面部3sを構成する中空状のフレーム3は、フレーム3に設けられるとともにサスペンションを支持する板金製のサスハウジング4に対して車幅方向内側で隣接する部位に、サスハウジング4に対して前後方向に隣接する部位と比して車幅方向に沿う閉断面部3sが縮小された幅狭部37を有し、フレーム3よりも車幅方向内側に、車幅方向に延びるとともにサスハウジング4と同じ前後位置に配置されるクロスメンバ55が設けられ、幅狭部37に、サスペンションからの入力荷重をサスハウジング4からクロスメンバ55へ伝達可能にサスハウジング4とクロスメンバ55とを連結する節部材60を備えた。
【選択図】図3
特許請求の範囲
【請求項1】
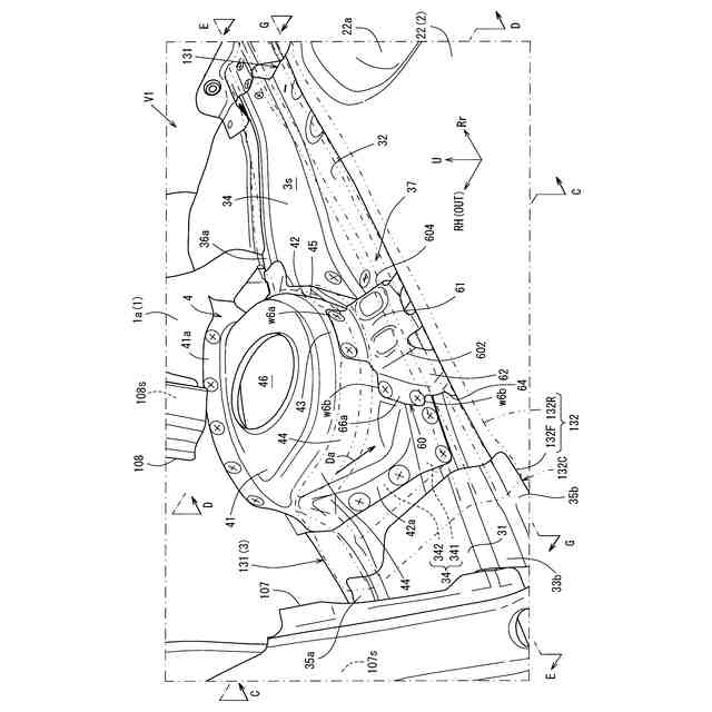
フロアパネルの車幅方向外側において前後方向に延びる閉断面部を構成するフレームと、
前記フレームに設けられるとともにサスペンションを支持する板金製のサスハウジングと、を備え、
前記サスハウジングは、前記フレームの上面に沿うダンパ取付け面部と、前記ダンパ取付け面部の周縁から下方に延びる周壁部と、を有し、
前記フレームは、
前記サスハウジングに対して車幅方向内側で隣接する部位に、前記サスハウジングに対して前後方向に隣接する部位と比して車幅方向に沿う前記閉断面部が縮小された幅狭部を有し、
前記フレームよりも車幅方向内側に、車幅方向に延びるとともに前記サスハウジングと同じ前後位置に配置されるクロスメンバが設けられ、
前記幅狭部に、前記サスペンションからの入力荷重を前記サスハウジングから前記クロスメンバへ伝達可能に前記サスハウジングと前記クロスメンバとを連結する荷重伝達部を備えたことを特徴とする
車両の下部車体構造。
続きを表示(約 1,100 文字)
【請求項2】
前記荷重伝達部は、前記ダンパ取付け面部において上下方向に貫通形成された開口部と前後位置が重複する
請求項1に記載の車両の下部車体構造。
【請求項3】
前記フレームの車幅方向内側には、前記フロアパネルが固定される内側フランジ部を有し、前記荷重伝達部には、前記周壁部の車幅方向内側部分と前記内側フランジ部とを車幅方向内側ほど下方に連結する連結面部を備え、前記クロスメンバと協働して車幅方向に沿う閉断面部を構成する前記フロアパネルは、前記連結面部が前記内側フランジ部に固定される第1内側固定部の高さ位置において車幅方向に沿って直線状に延設された
請求項1に記載の車両の下部車体構造。
【請求項4】
前記クロスメンバは、前後方向に沿う下壁部と、該下壁部の前後両端部から上方へ延びる側壁部とを有し、
前記下壁部と前側の前記側壁部とのコーナー部によって車幅方向に沿って形成される前側稜線と、前記下壁部と後側の前記側壁部とのコーナー部によって車幅方向に沿って形成される後側稜線とのうち少なくとも一方の稜線は、前記荷重伝達部と前後位置が重複する
請求項1に記載の車両の下部車体構造。
【請求項5】
前記クロスメンバの前記前側稜線と前記後側稜線とのうち、少なくとも一方は、前記荷重伝達部において車幅方向沿って形成された稜線と前後位置が重複する
請求項4に記載の車両の下部車体構造。
【請求項6】
前記荷重伝達部が前記フレームの内壁部に車幅方向外側から固定される第2内側固定部と、前記クロスメンバが前記フレームの前記内壁部に車幅方向内側から固定される外側固定部との前後位置が互いに重複する
請求項1に記載の車両の下部車体構造。
【請求項7】
前記荷重伝達部は、前後方向に沿う断面が下方に開口する下方開口を内部に有する形状に形成されるとともに、前記フレームに有する下壁部によって前記下方開口を塞ぐように前記フレームに固定された
請求項1に記載の車両の下部車体構造。
【請求項8】
前記クロスメンバの前記フレームの下壁部に対して下側から固定される下側固定部は、前記荷重伝達部と前後位置が重複する
請求項1に記載の車両の下部車体構造。
【請求項9】
前記フレームはフレーム前側部とフレーム後側部とで構成されており、前記フレーム前側部と前記フレーム後側部とが互いに重ね合わされた結合部位に、前記荷重伝達部を固定した
請求項1に記載の車両の下部車体構造。
発明の詳細な説明
【技術分野】
【0001】
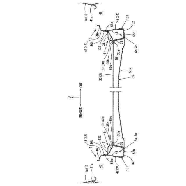
この発明は、フロアパネルの車幅方向外側において前後方向に延びる閉断面部を構成するフレームと、フレームに設けられるサスハウジングとを備えた車両の下部車体構造に関する。
続きを表示(約 1,800 文字)
【背景技術】
【0002】
車両の下部車体構造は、通常走行時に優れた操安性と良好な乗り心地とを得るために、サスペンションを支持するサスペンションハウジング(以下、「サスハウジング」とも称する)を介してサスペンションから入力される荷重に対して剛性を確保することが重要である。
【0003】
このような車両の下部車体構造は、フロアパネルの車幅方向外側において前後方向に延びる閉断面部を構成するフレームが設けられ、フレームに対してサスハウジングを車幅方向外側に設けた構成が従来より存在するが、最近では特許文献1のように、サスハウジングをフレーム上に設ける構造も知られている。
【0004】
しかし、フレーム上にサスハウジングが設けられた構成においては、サスハウジング周辺のフレームの車幅方向に沿う断面、すなわちフレームの幅方向寸法が縮小され、フレーム自体の剛性が不足することが懸念される。
【0005】
さらに、特許文献1のサスハウジングは、形状自由度が高いとされるアルミダイカスト製であるが故に、それ自体にリブを設けるなどして所望の剛性を確保し易いことからフレームを補強することができる。一方、フレーム上に設けられるサスハウジングを、アルミダイカスト製よりも従来の製造プロセスで製造し易い等のメリットを有する板金製とすることも考えられるが、板金製とした場合には、アルミダイカスト製よりも形状自由度が低く剛性確保に重量がかさみがちとなる。
【0006】
そうすると、例えば、通常走行時にサスペンションが上下変位することに起因してサスペンションから車幅方向内側への入力荷重がサスハウジングを介してフレームへ伝達された際に、フレームは、形状自由度が低く剛性確保に重量がかさみがちな板金製のサスハウジングが該フレーム側へ内倒れ変形することを抑制できないおそれがあり、結果として操安性や乗り心地に悪影響を及ぼすおそれがあった。
【0007】
さらに、フレーム上にサスハウジングが設けられた構成においては、その構造上、サスハウジング周辺のフレームの車幅方向に沿う断面が縮小されるため、後突時にサスハウジング周辺においてフレームの屈曲変形を惹起するおそれがある。アルミダイカスト製のフレームであれば屈曲変形を抑制できるだけの剛性を形状自由度を活かして確保可能であるが、板金製のフレームでは、形状による剛性向上が困難であるため、屈曲変形抑制には過度な質量増大が必要となり、改善の余地があった。
【先行技術文献】
【特許文献】
【0008】
特開2023-035561号公報
【発明の概要】
【発明が解決しようとする課題】
【0009】
この発明はこのような課題に鑑みてなされたもので、過度な質量増大を抑制しつつフレーム上にサスハウジングを設けて、サスハウジング周辺のフレームの車幅方向に沿う断面が縮小するとともに、サスハウジングを板金製とした構成において、通常走行時にサスハウジングから車幅方向内側への荷重が伝達されたとしてもサスハウジングの内倒れ変形を抑制するとともに、後突時にフレームの屈曲変形を抑制することができる車両の下部車体構造の提供を目的とする。
【課題を解決するための手段】
【0010】
この発明の車両の下部車体構造は、フロアパネルの車幅方向外側において前後方向に延びる閉断面部を構成するフレームと、前記フレームに設けられるとともにサスペンションを支持する板金製のサスハウジングと、を備え、前記サスハウジングは、前記フレームの上面に沿うダンパ取付け面部と、前記ダンパ取付け面部の周縁から下方に延びる周壁部と、を有し、前記フレームは、前記サスハウジングに対して車幅方向内側で隣接する部位に、前記サスハウジングに対して前後方向に隣接する部位と比して車幅方向に沿う前記閉断面部が縮小された幅狭部を有し、前記フレームよりも車幅方向内側に、車幅方向に延びるとともに前記サスハウジングと同じ前後位置に配置されるクロスメンバが設けられ、前記幅狭部に、前記サスペンションからの入力荷重を前記サスハウジングから前記クロスメンバへ伝達可能に前記サスハウジングと前記クロスメンバとを連結する荷重伝達部を備えたことを特徴とする。
(【0011】以降は省略されています)
この特許をJ-PlatPat(特許庁公式サイト)で参照する
関連特許
マツダ株式会社
二次電池
19日前
マツダ株式会社
排気システム
今日
マツダ株式会社
排気システム
今日
マツダ株式会社
排気浄化装置
1か月前
マツダ株式会社
排気浄化装置
1か月前
マツダ株式会社
車両用駆動装置
27日前
マツダ株式会社
車両用駆動装置
27日前
マツダ株式会社
車両用駆動装置
27日前
マツダ株式会社
車両用駆動装置
27日前
マツダ株式会社
車両用駆動装置
27日前
マツダ株式会社
エンジンシステム
1か月前
マツダ株式会社
エンジンシステム
1か月前
マツダ株式会社
燃料改質システム
1か月前
マツダ株式会社
冷媒循環システム
21日前
マツダ株式会社
冷媒循環システム
21日前
マツダ株式会社
冷媒循環システム
21日前
マツダ株式会社
冷媒循環システム
21日前
マツダ株式会社
冷媒循環システム
21日前
マツダ株式会社
冷媒循環システム
21日前
マツダ株式会社
冷媒循環システム
21日前
マツダ株式会社
冷媒循環システム
21日前
マツダ株式会社
二次電池の制御装置
今日
マツダ株式会社
車両の下部車体構造
5日前
マツダ株式会社
車両の下部車体構造
5日前
マツダ株式会社
車両の下部車体構造
9日前
マツダ株式会社
車両の下部車体構造
9日前
マツダ株式会社
車両の下部車体構造
9日前
マツダ株式会社
車両の下部車体構造
5日前
マツダ株式会社
車両の下部車体構造
5日前
マツダ株式会社
モータ軸受システム
9日前
マツダ株式会社
モータ軸受システム
9日前
マツダ株式会社
バッテリの制御装置
1日前
マツダ株式会社
車両の下部車体構造
1日前
マツダ株式会社
バッテリ状態推定装置
1日前
マツダ株式会社
ドライバ状態推定装置
1か月前
マツダ株式会社
ドライバ状態推定装置
1か月前
続きを見る
他の特許を見る