TOP
|
特許
|
意匠
|
商標
特許ウォッチ
Twitter
他の特許を見る
公開番号
2025141422
公報種別
公開特許公報(A)
公開日
2025-09-29
出願番号
2024041346
出願日
2024-03-15
発明の名称
画像形成システム
出願人
キヤノン株式会社
代理人
個人
主分類
B41J
29/393 20060101AFI20250919BHJP(印刷;線画機;タイプライター;スタンプ)
要約
【課題】試し刷り印刷において用紙に印刷された画像を検査する場合、その検査された用紙の排紙先を設定可能とする。
【解決手段】用紙に画像を形成する画像形成装置と、画像形成装置により用紙に形成された画像を読み取る読取部と、読取部により読み取られた画像を検査する検査装置と、画像形成装置により試し刷りとして印刷された用紙の画像を検査装置により検査する場合に用紙が排出される排紙先を選択するためのボタンを備えた画像形成システム。
【選択図】図6
特許請求の範囲
【請求項1】
用紙に画像を形成する画像形成手段と、
前記画像形成手段により前記用紙に形成された前記画像を読み取る読取手段と、
前記読取手段により読み取られた前記画像を検査する検査手段と、
前記画像形成手段により試し刷りとして印刷された前記用紙の前記画像を前記検査手段により検査する場合、該用紙が排出される排紙先を選択する選択手段と、を有することを特徴とする画像形成システム。
続きを表示(約 1,200 文字)
【請求項2】
前記画像形成手段は印刷ジョブに基づき前記画像を形成し、
前記選択手段は、前記画像形成手段が前記印刷ジョブの全てを実行する本印刷で前記用紙に形成された前記画像を前記検査手段により検査する場合、該用紙が排出される排紙先を選択することを特徴とする、
請求項1に記載の画像形成システム。
【請求項3】
前記選択手段は、前記検査の結果が異常なしと判定されたか異常と判定されたかに応じて前記用紙の前記排紙先を決定することを特徴とする、
請求項1に記載の画像形成システム。
【請求項4】
前記選択手段は、前記試し刷りで、前記用紙の前記排紙先を強制排紙用トレイとする強制排紙先設定をユーザから受け付け可能であり、
前記強制排紙先設定がユーザから受け付けられている場合には、前記試し刷りとして印刷された用紙の前記排紙先が前記強制排紙用トレイとされることを特徴とする、
請求項2に記載の画像形成システム。
【請求項5】
前記検査の結果が異常と判定された前記用紙の前記排紙先は、前記検査の結果が異常なしと判定された前記用紙の前記排紙先とは異なる一つのトレイに設定される、
請求項3に記載の画像形成システム。
【請求項6】
前記用紙に対する前記検査の後の処理の設定を、前記本印刷と前記試し刷りとのそれぞれについて個別にユーザから受け付け可能であることを特徴とする、
請求項2~4のいずれかに記載の画像形成システム。
【請求項7】
前記用紙に対する前記検査の後の処理は、シフト排紙または間紙挿入の少なくとも一方であることを特徴とする、
請求項5に記載の画像形成システム。
【請求項8】
前記排紙先の設定では、前記検査の結果が異常と判定された前記用紙の前記排紙先は、前記検査の結果が異常なしと判定された前記用紙の前記排紙先とは異なるトレイに設定される、
請求項2~4のいずれかに記載の画像形成システム。
【請求項9】
前記本印刷の実行を指示する操作を受け付ける第1受付手段と、前記試し刷りの実行を指示する操作を受け付ける第2受付手段と、を有し、
前記第1受付手段から前記本印刷の実行を指示する操作を受け付けた場合と前記第2受付手段から前記試し刷りの実行を指示する操作を受け付けた場合とのいずれの場合でも、前記検査手段が前記検査を実行することを特徴とする、
請求項2~4のいずれかに記載の画像形成システム。
【請求項10】
前記本印刷を実行する場合と、前記試し刷りを実行する場合とのいずれの場合でも、が前記検査を実行することを特徴とする、
請求項2~4のいずれかに記載の画像形成システム。
発明の詳細な説明
【技術分野】
【0001】
本発明は、用紙に印刷した画像の品質検査を行う印刷検査機能を有する画像形成システムに関する。
続きを表示(約 1,600 文字)
【背景技術】
【0002】
画像形成装置は、印刷する画像を表す画像データに基づいて、用紙に画像を印刷して印刷物を生成する印刷ジョブを実行する。特に、商業印刷の現場で使用される画像形成装置(以下、プロダクションプリント機と称する)では、1つの印刷ジョブで多くの部数またはページ数を印刷することがある。このため、本印刷の前に特定のページのみを印刷する試し刷りを実行することが一般的である。
【0003】
特許文献1には、特に大規模な印刷現場において、大量の印刷ジョブをプロダクションプリント機へ順次割り当て、複数台の機械が並列で印刷処理を実行することが開示されている。各々の機械では、送信される印刷ジョブ毎に、試し刷りを実施してから本印刷を実施する。
【0004】
画像形成装置に接続された印刷検査装置は、画像形成装置で用紙に印刷された画像が画像データで指示された通りに形成されているか否かを検査する。印刷検査装置は、あらかじめユーザにより設定された検査領域や検査強度(検査レベル)などの検査設定に従って印刷検査を実行する。しかし、その設定された検査の内容が間違っている(ユーザの意図したものとは異なっている)と、印刷ジョブ中に検査結果として印刷異常(検査NG)と判断される用紙が増大してしまう可能性がある。
【0005】
特許文献2では、本印刷が実行されている間に印刷検査装置の検査結果で異常あり(NG)と判定された場合、そのNGとなった用紙(NG用紙)を専用のパージトレイへ排紙する。その後、再印刷が自動で処理される。このように、本印刷では、NG用紙の排紙用のパージトレイを用いることでNG用紙を自動でとり除き、印刷のリカバリ動作を自動処理することによって印刷効率を向上させている。
【先行技術文献】
【特許文献】
【0006】
特開2021-184155
特開2005-144797
【発明の概要】
【発明が解決しようとする課題】
【0007】
しかしながら、試し刷り印刷において用紙に印刷された画像を検査する場合、該検査された用紙の排紙先を選択するものはなかった。
本発明の目的は、試し刷り印刷において用紙に印刷された画像を検査する場合、該検査された用紙の排紙先を設定できるようにすることである。
【課題を解決するための手段】
【0008】
本発明の画像形成システムは、用紙に画像を形成する画像形成手段と、前記画像形成手段により前記用紙に形成された前記画像を読み取る読取手段と、前記読取手段により読み取られた前記画像を検査する検査手段と、前記画像形成手段により試し刷りとして印刷された用紙の画像を前記検査手段により検査する場合、該用紙が排出される排紙先を選択する選択手段と、を有することを特徴とする。
【発明の効果】
【0009】
本発明によれば、試し刷り印刷において用紙に印刷された画像を検査する場合、該検査された用紙の排紙先を設定できる。
【図面の簡単な説明】
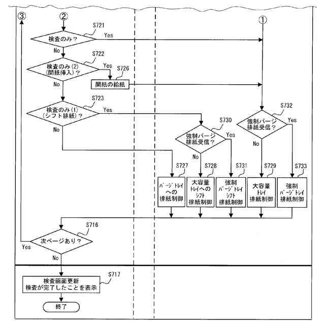
【0010】
画像形成システムの構成図。
コントローラの構成図。
検査制御部の構成図。
印刷設定画面の説明図。
検査設定画面の説明図。
検査結果設定画面の説明図。
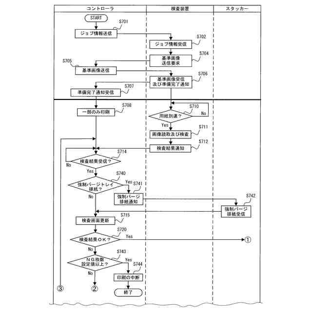
試し刷り検査処理のフロー図。
試し刷り検査処理のフロー図。
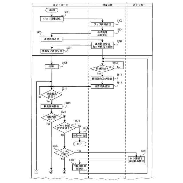
本印刷検査処理のフロー図。
本印刷検査処理のフロー図。
検査結果設定画面の変形例を示す図。
検査結果設定画面の他の変形例を示す図。
【発明を実施するための形態】
(【0011】以降は省略されています)
この特許をJ-PlatPat(特許庁公式サイト)で参照する
関連特許
キヤノン株式会社
トナー
1か月前
キヤノン株式会社
撮像装置
28日前
キヤノン株式会社
電子機器
25日前
キヤノン株式会社
撮像装置
8日前
キヤノン株式会社
光学装置
28日前
キヤノン株式会社
撮像装置
25日前
キヤノン株式会社
電子機器
4日前
キヤノン株式会社
撮像装置
15日前
キヤノン株式会社
撮像装置
16日前
キヤノン株式会社
電子機器
16日前
キヤノン株式会社
発光装置
1か月前
キヤノン株式会社
記録装置
16日前
キヤノン株式会社
撮像装置
1か月前
キヤノン株式会社
現像装置
1か月前
キヤノン株式会社
電子機器
1か月前
キヤノン株式会社
撮像装置
1か月前
キヤノン株式会社
定着装置
14日前
キヤノン株式会社
電子機器
2日前
キヤノン株式会社
発光装置
7日前
キヤノン株式会社
電子機器
23日前
キヤノン株式会社
表示装置
7日前
キヤノン株式会社
電子機器
28日前
キヤノン株式会社
定着装置
23日前
キヤノン株式会社
定着装置
8日前
キヤノン株式会社
撮像装置
14日前
キヤノン株式会社
収容装置
8日前
キヤノン株式会社
定着装置
23日前
キヤノン株式会社
電子機器
8日前
キヤノン株式会社
電子機器
8日前
キヤノン株式会社
電子機器
1か月前
キヤノン株式会社
定着装置
23日前
キヤノン株式会社
撮像装置
1か月前
キヤノン株式会社
光学機器
1か月前
キヤノン株式会社
記録装置
15日前
キヤノン株式会社
容器構造体
1か月前
キヤノン株式会社
半導体装置
2日前
続きを見る
他の特許を見る