TOP
|
特許
|
意匠
|
商標
特許ウォッチ
Twitter
他の特許を見る
10個以上の画像は省略されています。
公開番号
2025142572
公報種別
公開特許公報(A)
公開日
2025-10-01
出願番号
2024042014
出願日
2024-03-18
発明の名称
ヘッドユニット、及び液体吐出装置
出願人
セイコーエプソン株式会社
代理人
個人
,
個人
,
個人
主分類
B41J
2/14 20060101AFI20250924BHJP(印刷;線画機;タイプライター;スタンプ)
要約
【課題】駆動信号に生じ得るオーバーシュートをさらに低減できるヘッドユニットを提供すること。
【解決手段】第1ケーブルと電気的に接続し、第1ケーブルを伝搬した第1駆動波形信号が入力される第1コネクターと、第1駆動波形信号が入力され、第1駆動波形信号を電流増幅した第1駆動信号を出力する第1ボルテージフォロワー回路と、第1駆動信号を受けて液体を吐出する第1プリントヘッドと、第1プリントヘッドと電気的に接続し、第1コネクター及び第1ボルテージフォロワー回路が設けられているヘッド基板と、を備える、ヘッドユニット。
【選択図】図16
特許請求の範囲
【請求項1】
第1ケーブルと電気的に接続し、前記第1ケーブルを伝搬した第1駆動波形信号が入力される第1コネクターと、
前記第1駆動波形信号が入力され、前記第1駆動波形信号を電流増幅した第1駆動信号を出力する第1ボルテージフォロワー回路と、
前記第1駆動信号を受けて液体を吐出する第1プリントヘッドと、
前記第1プリントヘッドと電気的に接続し、前記第1コネクター及び前記第1ボルテージフォロワー回路が設けられているヘッド基板と、
を備える、
ことを特徴とするヘッドユニット。
続きを表示(約 2,400 文字)
【請求項2】
前記第1駆動波形信号の最大電圧値と最小電圧値との電位差は10V以上である、
ことを特徴とする請求項1に記載のヘッドユニット。
【請求項3】
前記第1ボルテージフォロワー回路は、間欠駆動する、
ことを特徴とする請求項1に記載のヘッドユニット。
【請求項4】
前記第1プリントヘッドは、
第1上電極、第1下電極、及び第1圧電体を含み、前記第1上電極、前記第1下電極、及び前記第1圧電体が積層される第1積層方向において、前記第1圧電体が前記第1上電極と前記第1下電極との間に位置し、前記第1駆動信号を受けて駆動する第1圧電素子と、
前記第1圧電素子に対して前記第1積層方向の一方側に位置し、前記第1圧電素子の駆動により変形する第1振動板と、
前記第1振動板に対して前記第1積層方向の一方側に位置し、液体が貯留されるとともに前記第1振動板の変形により容積が変化する第1圧力室が設けられている第1圧力室基板と、
前記第1圧力室の容積の変化に応じて液体を吐出する第1ノズルと、
前記第1振動板に対して前記第1積層方向の他方側に位置し、前記第1圧力室の温度に対応する第1温度情報を取得し、第1温度信号として出力する第1温度検出部と、
を有し、
前記第1コネクターには、前記第1温度信号に基づいて補正された前記第1駆動波形信号が入力される、
ことを特徴とする請求項1に記載のヘッドユニット。
【請求項5】
第2ケーブルと電気的に接続し、前記第2ケーブルを伝搬した第2駆動波形信号が入力される第2コネクターと、
前記第2駆動波形信号が入力され、前記第2駆動波形信号を電流増幅した第2駆動信号を出力する第2ボルテージフォロワー回路と、
前記第2駆動信号を受けて液体を吐出する第2プリントヘッドと、
を備え、
前記ヘッド基板は、前記第2プリントヘッドと電気的に接続し、前記第2コネクター及び前記第2ボルテージフォロワー回路が設けられている、
を備える、
ことを特徴とする請求項1乃至4のいずれか1項に記載のヘッドユニット。
【請求項6】
前記第2プリントヘッドは、
第2上電極、第2下電極、及び第2圧電体を含み、前記第2上電極、前記第2下電極、及び前記第2圧電体が積層される第2積層方向において、前記第2圧電体が前記第2上電極と前記第2下電極との間に位置し、前記第2駆動信号を受けて駆動する第2圧電素子と、
前記第2圧電素子に対して前記第2積層方向の一方側に位置し、前記第2圧電素子の駆動により変形する第2振動板と、
前記第2振動板に対して前記第2積層方向の一方側に位置し、液体が貯留されるとともに前記第2振動板の変形により容積が変化する第2圧力室が設けられている第2圧力室基板と、
前記第2圧力室の容積の変化に応じて液体を吐出する第2ノズルと、
前記第2振動板に対して前記第2積層方向の他方側に位置し、前記第2圧力室の温度に対応する第2温度情報を取得し、第2温度信号として出力する第2温度検出部と、
を有し、
前記第2コネクターには、前記第2温度信号に基づいて補正された前記第2駆動波形信号が入力される、
ことを特徴とする請求項5に記載のヘッドユニット。
【請求項7】
第1駆動波形信号を出力する第1駆動波形出力回路と、
前記第1駆動波形信号が伝搬する第1ケーブルと、
前記第1ケーブルと電気的に接続し、前記第1ケーブルを伝搬した前記第1駆動波形信号が入力される第1コネクターと、
前記第1駆動波形信号が入力され、前記第1駆動波形信号を電流増幅した第1駆動信号を出力する第1ボルテージフォロワー回路と、
前記第1駆動信号を受けて液体を吐出する第1プリントヘッドと、
前記第1プリントヘッドと電気的に接続し、前記第1コネクター及び前記第1ボルテージフォロワー回路が設けられているヘッド基板と、
を備える、
ことを特徴とする液体吐出装置。
【請求項8】
前記第1駆動波形信号の最大電圧値と最小電圧値との電位差は10V以上である、
ことを特徴とする請求項7に記載の液体吐出装置。
【請求項9】
前記第1ボルテージフォロワー回路は、間欠駆動する、
ことを特徴とする請求項7に記載の液体吐出装置。
【請求項10】
前記第1プリントヘッドは、
第1上電極、第1下電極、及び第1圧電体を含み、前記第1上電極、前記第1下電極、及び前記第1圧電体が積層される第1積層方向において、前記第1圧電体が前記第1上電極と前記第1下電極との間に位置し、前記第1駆動信号を受けて駆動する第1圧電素子と、
前記第1圧電素子に対して前記第1積層方向の一方側に位置し、前記第1圧電素子の駆動により変形する第1振動板と、
前記第1振動板に対して前記第1積層方向の一方側に位置し、液体が貯留されるとともに前記第1振動板の変形により容積が変化する第1圧力室が設けられている第1圧力室基板と、
前記第1圧力室の容積の変化に応じて液体を吐出する第1ノズルと、
前記第1振動板に対して前記第1積層方向の他方側に位置し、前記第1圧力室の温度に対応する第1温度情報を取得し、第1温度信号として出力する第1温度検出部と、
を有し、
前記第1駆動波形出力回路は、前記第1温度信号に基づいて補正した前記第1駆動波形信号を出力する、
ことを特徴とする請求項7に記載の液体吐出装置。
(【請求項11】以降は省略されています)
発明の詳細な説明
【技術分野】
【0001】
本発明は、ヘッドユニット、及び液体吐出装置に関する。
続きを表示(約 2,300 文字)
【背景技術】
【0002】
液体を吐出して画像や文書を印刷するインクジェットプリンターなどの液体吐出装置には、圧電素子等の駆動素子を用いたものが知られている。圧電素子は、プリントヘッドにおいて複数のノズルのそれぞれに対応して設けられ、それぞれが駆動信号に従って駆動されることで、ノズルから所定のタイミングで所定量の液体が吐出し、媒体にドットを形成している。このような液体吐出装置では、駆動信号がフレキシブルフラットケーブルを伝搬する際に生じる電流と、フレキシブルフラットケーブルのインダクタンス成分とに起因して、駆動信号の信号波形にオーバーシュート等の波形ひずみを生じさせるおそれがあった。
【0003】
係る問題に対して、特許文献1には、駆動信号に生じ得るオーバーシュートを低減するための技術が開示されている。
【先行技術文献】
【特許文献】
【0004】
特開2019-005961号公報
【発明の概要】
【発明が解決しようとする課題】
【0005】
しかしながら、駆動信号に生じ得るオーバーシュートをさらに低減させるとの観点において、特許文献1に記載の技術のみでは十分ではなく、さらなる改善の余地があった。
【課題を解決するための手段】
【0006】
本発明に係るヘッドユニットの一態様は、
第1ケーブルと電気的に接続し、前記第1ケーブルを伝搬した第1駆動波形信号が入力される第1コネクターと、
前記第1駆動波形信号が入力され、前記第1駆動波形信号を電流増幅した第1駆動信号を出力する第1ボルテージフォロワー回路と、
前記第1駆動信号を受けて液体を吐出する第1プリントヘッドと、
前記第1プリントヘッドと電気的に接続し、前記第1コネクター及び前記第1ボルテージフォロワー回路が設けられているヘッド基板と、
を備える。
【0007】
本発明に係る液体吐出装置の一態様は、
第1駆動波形信号を出力する第1駆動波形出力回路と、
前記第1駆動波形信号が伝搬する第1ケーブルと、
前記第1ケーブルと電気的に接続し、前記第1ケーブルを伝搬した前記第1駆動波形信号が入力される第1コネクターと、
前記第1駆動波形信号が入力され、前記第1駆動波形信号を電流増幅した第1駆動信号を出力する第1ボルテージフォロワー回路と、
前記第1駆動信号を受けて液体を吐出する第1プリントヘッドと、
前記第1プリントヘッドと電気的に接続し、前記第1コネクター及び前記第1ボルテージフォロワー回路が設けられているヘッド基板と、
を備える。
【図面の簡単な説明】
【0008】
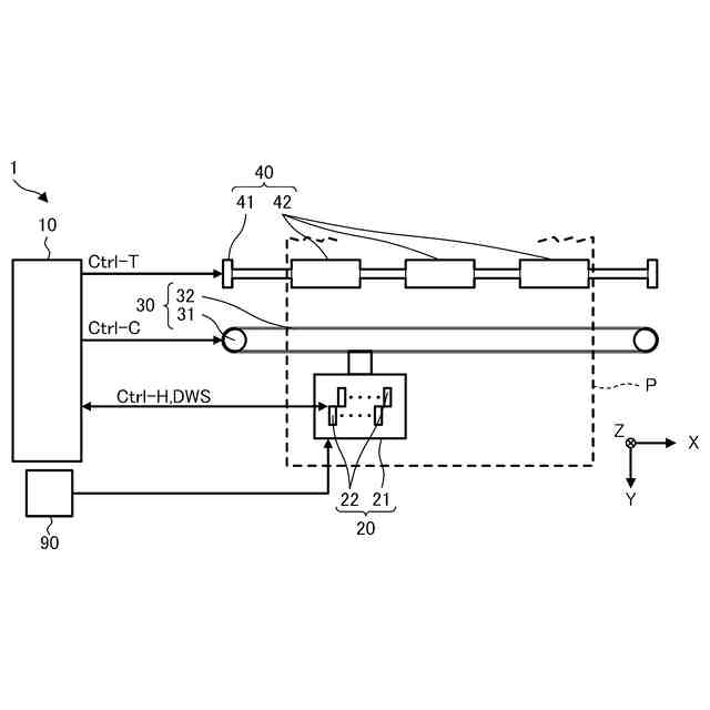
液体吐出装置の概略構成を示す図である。
ヘッドユニットの構造を示す図である。
ヘッドのインク吐出面の構成を示す図である。
プリントヘッドの構造を示す分解斜視図である。
プリントヘッドの平面図である。
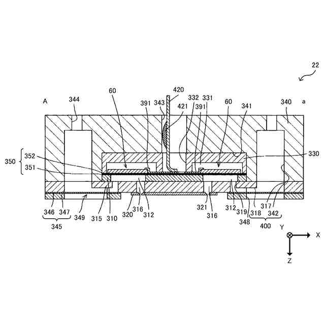
図5に示すA-a断面を示す断面図である。
図6の要部詳細図である。
図5に示すB-b断面を示す断面図である。
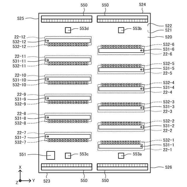
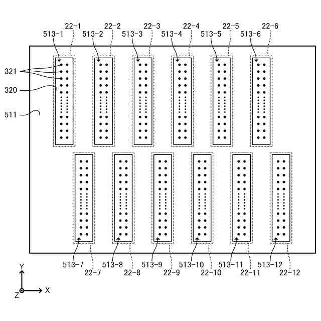
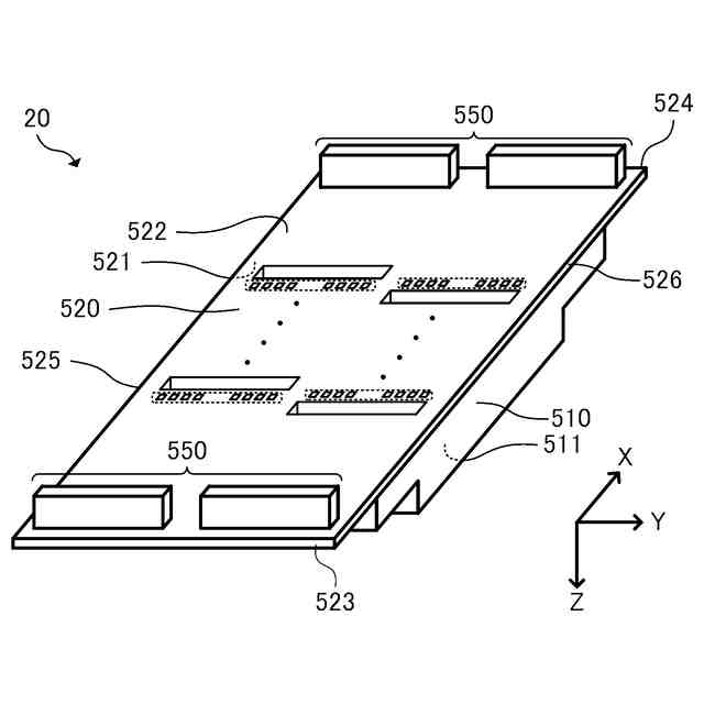
ヘッド基板を面521から見た場合の平面図である。
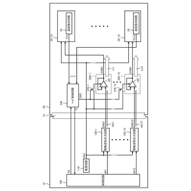
液体吐出装置の機能構成を示す図である。
駆動信号COMの信号波形の一例を示す図である。
駆動信号選択回路の構成を示す図である。
デコーダーにおけるデコード内容の一例を示す図である。
選択回路の構成を示す図である。
駆動信号選択回路の動作を説明するための図である。
駆動信号COMの生成の具体例を説明するための図である。
スイッチ制御信号と駆動信号COMとの関係の一例を示す図である。
【発明を実施するための形態】
【0009】
以下、本発明の好適な実施形態について図面を用いて説明する。用いる図面は説明の便宜上のものである。なお、以下に説明する実施形態は、特許請求の範囲に記載された本発明の内容を不当に限定するものではない。また、以下で説明される構成の全てが本発明の必須構成要件であるとは限らない。
【0010】
1.液体吐出装置の構造
1.1 液体吐出装置の概略構成
図1は、液体吐出装置1の概略構成を示す図である。本実施形態の液体吐出装置1は、液体の一例としてのインクを吐出するプリントヘッド22を搭載したキャリッジ21が走査軸に沿って往復動し、搬送方向に沿って搬送される媒体Pに対してインクを吐出することで、媒体Pに所望画像を形成する所謂シリアル印刷方式のインクジェットプリンターである。また、液体吐出装置1における媒体Pとしては、印刷用紙、樹脂フィルム、布帛等の任意の印刷対象を用いることができる。なお、液体吐出装置1は、シリアル印刷方式のインクジェットプリンターに限るものではなく、ライン印刷方式のインクジェットプリンターであってもよい。また、液体吐出装置1は、インクジェットプリンターに限るものではなく、液晶ディスプレイ等のカラーフィルターの製造に用いられる色材吐出装置、有機ELディスプレイ、FED(面発光ディスプレイ)等の電極形成に用いられる電極材料吐出装置、バイオチップ製造に用いられる生体有機物吐出装置、立体造形装置、及び捺染装置等であってもよい。
(【0011】以降は省略されています)
この特許をJ-PlatPat(特許庁公式サイト)で参照する
関連特許
セイコーエプソン株式会社
印刷装置
今日
セイコーエプソン株式会社
印刷装置
今日
セイコーエプソン株式会社
電子制御式機械時計
今日
セイコーエプソン株式会社
制御方法およびロボットシステム
2日前
セイコーエプソン株式会社
ヘッドユニット、及び液体吐出装置
今日
セイコーエプソン株式会社
プログラムの更新方法及び情報処理システム
2日前
セイコーエプソン株式会社
情報管理システム、管理装置、プログラム、及びサーバー
今日
セイコーエプソン株式会社
情報管理システム、管理装置、プログラム、及びサーバー
今日
セイコーエプソン株式会社
シート再生システム、シート再生システムの制御方法、及び、サーバー
今日
個人
箔熱転写装置
21日前
シヤチハタ株式会社
印判
4か月前
東レ株式会社
凸版印刷版原版
9か月前
シヤチハタ株式会社
反転式印判
8か月前
三菱製紙株式会社
感熱記録材料
10か月前
キヤノン株式会社
記録装置
14日前
三光株式会社
感熱記録材料
5か月前
独立行政法人 国立印刷局
印刷物
6か月前
独立行政法人 国立印刷局
貼付装置
1か月前
独立行政法人 国立印刷局
記録媒体
8か月前
独立行政法人 国立印刷局
貼付機構
1か月前
株式会社リコー
印刷システム
2日前
株式会社リコー
液体吐出装置
4か月前
株式会社リコー
液体吐出装置
8か月前
株式会社リコー
画像形成装置
2日前
株式会社リコー
液体吐出装置
4か月前
株式会社リコー
画像形成装置
21日前
株式会社リコー
液体吐出装置
3か月前
株式会社リコー
液体吐出装置
5か月前
株式会社リコー
液体吐出装置
7か月前
株式会社リコー
液体吐出装置
7か月前
日本製紙株式会社
感熱記録体
7か月前
株式会社リコー
液体吐出装置
1か月前
キヤノン株式会社
印刷システム
6か月前
ブラザー工業株式会社
プリンタ
5か月前
キヤノン株式会社
画像形成装置
10か月前
ブラザー工業株式会社
プリンタ
8か月前
続きを見る
他の特許を見る