TOP
|
特許
|
意匠
|
商標
特許ウォッチ
Twitter
他の特許を見る
10個以上の画像は省略されています。
公開番号
2025143620
公報種別
公開特許公報(A)
公開日
2025-10-02
出願番号
2024042942
出願日
2024-03-19
発明の名称
屋根構造体
出願人
YKK AP株式会社
代理人
弁理士法人武和国際特許事務所
主分類
E04B
7/00 20060101AFI20250925BHJP(建築物)
要約
【課題】屋根構造体の屋根体に設けられる樋枠の端面の開口を塞ぐ止水材の箇所の意匠性を確保しつつ、屋根体の施工性を向上させる。
【解決手段】屋根構造体1は、支持体に支持された屋根体3を備えている。屋根体3は、水勾配Kが設けられた屋根材20と、屋根材20を囲む屋根枠5と、屋根材20の水下側縁部22の下側に配置された樋枠70と、固定具であるネジ65により屋根材20に固定されて樋枠70の端面の開口75を塞ぐ止水材80を有している。屋根枠5は、屋根材20の側縁部23に沿って配置されてネジ65を覆う側枠材50を有している。
【選択図】 図10
特許請求の範囲
【請求項1】
支持体に支持された屋根体を備えた屋根構造体であって、
前記屋根体は、水勾配が設けられた屋根材と、前記屋根材を囲む屋根枠と、前記屋根材の水下側縁部の下側に配置された樋枠と、固定具により前記屋根材に固定されて前記樋枠の端面の開口を塞ぐ止水材と、を有し、
前記屋根枠は、前記屋根材の側縁部に沿って配置されて前記固定具を覆う側枠材を有する屋根構造体。
続きを表示(約 450 文字)
【請求項2】
請求項1に記載された屋根構造体において、
前記樋枠は、前記屋根材の水下側縁部との間に隙間をあけて前記屋根材の水下側縁部と対向する対向壁部と、前記対向壁部から前記屋根材の水下側縁部の下側まで配置されて前記隙間から流入する水を受ける排水溝部と、を有する屋根構造体。
【請求項3】
請求項1又は2に記載された屋根構造体において、
前記止水材は、前記固定具により前記屋根材に固定される固定板と、前記固定板と前記樋枠の端面の間に挟まれるパッキンと、を有する屋根構造体。
【請求項4】
請求項1又は2に記載された屋根構造体において、
前記屋根枠は、前記屋根材の水下側縁部に固定された水下側枠材を有し、
前記樋枠は、前記水下側枠材に固定された固定片を有する屋根構造体。
【請求項5】
請求項4に記載された屋根構造体において、
前記樋枠は、前記屋根材に固定されて保持される保持部を有する屋根構造体。
発明の詳細な説明
【技術分野】
【0001】
本発明は、支持体により屋根体を支持する屋根構造体に関する。
続きを表示(約 1,900 文字)
【背景技術】
【0002】
屋根構造体の屋根体として、屋根材と樋枠が設けられた屋根体が知られている。雨水は、水勾配を有する屋根材により樋枠に集められて、樋枠により排水される。樋枠は、端面の開口において開放されており、止水材により、端面の開口が塞がれている。また、このような屋根体として、従来、後枠に形成された樋部の端面の開口を塞ぐ小口キャップ裏板と、後枠との間に小口キャップ裏板を挟む小口キャップと、を有するカーポートの屋根が知られている(特許文献1参照)。
【0003】
特許文献1に記載された従来の屋根では、小口キャップ裏板をネジにより後枠に接合した後、小口キャップをネジにより後枠に接合する。小口キャップ裏板用のネジを小口キャップにより覆うことで、ネジの露出を防止して、屋根における小口キャップ裏板の箇所の意匠性が確保される。ところが、従来の屋根では、小口キャップ裏板と小口キャップをそれぞれネジにより後枠に接合する必要があるため、小口キャップ裏板と小口キャップを屋根に設置する作業に手間がかかる虞があり、屋根の施工性を更に改善する観点から、改良の余地がある。
【先行技術文献】
【特許文献】
【0004】
特開平8-296339号公報
【発明の概要】
【発明が解決しようとする課題】
【0005】
本発明は、前記従来の問題に鑑みなされたもので、その目的は、屋根構造体の屋根体に設けられる樋枠の端面の開口を塞ぐ止水材の箇所の意匠性を確保しつつ、屋根体の施工性を向上させることである。
【課題を解決するための手段】
【0006】
本発明は、
支持体に支持された屋根体を備えた屋根構造体であって、
前記屋根体は、水勾配が設けられた屋根材と、前記屋根材を囲む屋根枠と、前記屋根材の水下側縁部の下側に配置された樋枠と、固定具により前記屋根材に固定されて前記樋枠の端面の開口を塞ぐ止水材と、を有し、
前記屋根枠は、前記屋根材の側縁部に沿って配置されて前記固定具を覆う側枠材を有する屋根構造体である。
【発明の効果】
【0007】
本発明によれば、屋根構造体の屋根体に設けられる樋枠の端面の開口を塞ぐ止水材の箇所の意匠性を確保しつつ、屋根体の施工性を向上させることができる。
【図面の簡単な説明】
【0008】
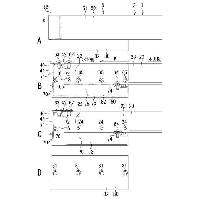
本実施形態の屋根構造体を斜め上方からみた斜視図である。
本実施形態の屋根構造体を斜め下方からみた斜視図である。
図1の矢印X1方向からみた本実施形態の屋根構造体を示す側面図である。
図3の矢印X2方向からみた本実施形態の屋根構造体を示す前面図である。
図3の矢印X3方向からみた本実施形態の屋根構造を示す平面図である。
図5のX4-X4線で切断した本実施形態の屋根構造体を示す断面図である。
図5のX5-X5線で切断した本実施形態の屋根構造体を示す断面図である。
本実施形態の屋根構造体の屋根枠と屋根材を示す平面図である。
本実施形態の屋根構造体の水下側コーナー部を含む部分を斜め下方からみた斜視図である。
本実施形態の屋根構造体の屋根体を示す側面図である。
本実施形態の屋根構造体の屋根体を示す断面図である。
【発明を実施するための形態】
【0009】
本発明の屋根構造体の一実施形態について、図面を参照して説明する。
本実施形態の屋根構造体は、屋根体を備えた屋外構造物であり、建物の屋外に設置される。以下では、建物から独立して設置される屋根構造体であるカーポートを例にとり、本実施形態の屋根構造体について説明する。
【0010】
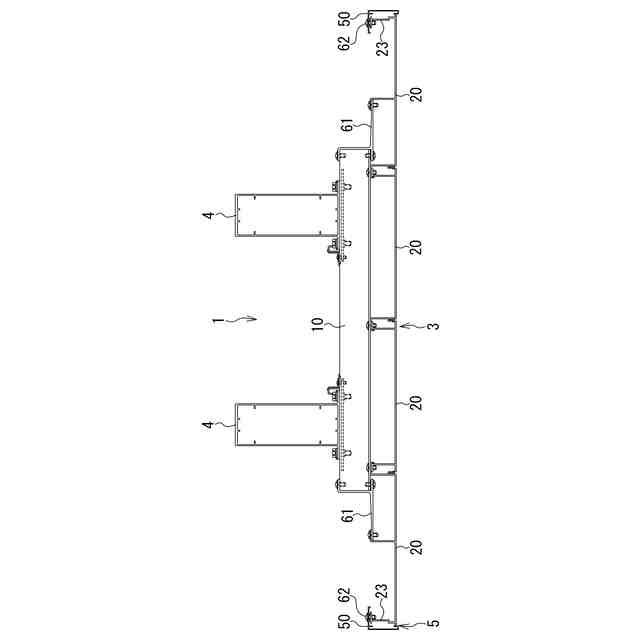
図1は、本実施形態の屋根構造体1を斜め上方からみた斜視図であり、図2は、本実施形態の屋根構造体1を斜め下方からみた斜視図である。
図示のように、屋根構造体1は、設置箇所Gに設置されて、設置箇所Gで自立する。また、屋根構造体1は、屋根構造体1の設置箇所Gに立設された支持体である支柱2と、支柱2に支持された屋根体3を備えている。複数の支柱2の下側部分が設置箇所Gに埋設されて、設置箇所Gの上側で、支柱2が上下方向に沿って配置されている。支柱2は、設置箇所Gに立てた状態で設置されて、設置箇所Gの上方に突出する。
(【0011】以降は省略されています)
この特許をJ-PlatPat(特許庁公式サイト)で参照する
関連特許
YKK AP株式会社
建具
5日前
YKK AP株式会社
建具
15日前
YKK AP株式会社
外装体
1日前
YKK AP株式会社
屋根構造体
2日前
YKK AP株式会社
屋根構造体
2日前
YKK AP株式会社
屋根構造体
2日前
YKK AP株式会社
屋根構造体
2日前
YKK AP株式会社
戸車および建具
5日前
YKK AP株式会社
カーテンウォールユニット
2日前
YKK AP株式会社
屋根構造体及び屋根構造体の施工方法
2日前
個人
屋台
15日前
個人
野良猫ハウス
1か月前
個人
転落防止用手摺
25日前
個人
フェンス
1か月前
個人
地下型マンション
3か月前
個人
筋交自動設定装置
5日前
ニチハ株式会社
建築板
1か月前
積水樹脂株式会社
柵体
24日前
個人
居住車両用駐車場
1か月前
個人
熱抵抗多層断熱建材
1か月前
個人
鋼管結合資材
3か月前
株式会社タナクロ
テント
3か月前
個人
補強部材
1か月前
個人
柵
1か月前
成友建設株式会社
建物
1か月前
個人
身体用シェルター
5日前
個人
身体用シェルター
5日前
個人
循環流水式屋根融雪装置
3か月前
鹿島建設株式会社
壁体
1か月前
インターマン株式会社
天井構造
1か月前
株式会社熊谷組
吊り治具
2日前
三協立山株式会社
構造体
5日前
個人
可搬型供養墓
3日前
三協立山株式会社
構造体
3か月前
株式会社熊谷組
木質材料
15日前
三協立山株式会社
構造体
5日前
続きを見る
他の特許を見る