TOP
|
特許
|
意匠
|
商標
特許ウォッチ
Twitter
他の特許を見る
10個以上の画像は省略されています。
公開番号
2025143618
公報種別
公開特許公報(A)
公開日
2025-10-02
出願番号
2024042940
出願日
2024-03-19
発明の名称
屋根構造体
出願人
YKK AP株式会社
代理人
弁理士法人武和国際特許事務所
主分類
E04B
7/14 20060101AFI20250925BHJP(建築物)
要約
【課題】屋根構造体の屋根材により、梁及び母屋を下側から視認し難くして、屋根構造体の意匠性を向上させる。
【解決手段】屋根構造体1は、支持体に支持された梁4と、梁4の下側に位置して梁4に取り付けられた母屋10と、母屋10の下側で母屋10の端部11から張り出す端屋根材20を含み、母屋10の下側に並べて配置されて母屋10に保持された複数の屋根材20、30と、母屋10の端部11に装着されて、端屋根材20を母屋10の端部11に連結する連結材50と、を備えている。
【選択図】 図7
特許請求の範囲
【請求項1】
支持体と、
前記支持体に支持された梁と、
前記梁の下側に位置して前記梁に取り付けられた母屋と、
前記母屋の下側で前記母屋の端部から張り出す端屋根材を含み、前記母屋の下側に並べて配置されて前記母屋に保持された複数の屋根材と、
前記母屋の端部に装着されて、前記端屋根材を前記母屋の端部に連結する連結材と、
を備えた屋根構造体。
続きを表示(約 550 文字)
【請求項2】
請求項1に記載された屋根構造体において、
前記連結材は、前記母屋の端部から張り出す張出部を有し、
前記端屋根材は、前記張出部に引っ掛けられて取り付けられた取付部を有し、前記母屋及び前記連結材の下側で、前記母屋の端部から前記張出部を越えて張り出す屋根構造体。
【請求項3】
請求項2に記載された屋根構造体において、
前記端屋根材は、前記取付部に対して前記母屋の端部側に位置して前記母屋に保持された保持部と、前記取付部から前記保持部の反対側に向かって突出する突出部と、を有する屋根構造体。
【請求項4】
請求項3に記載された屋根構造体において、
前記連結材は、前記保持部が固定された固定部を有する屋根構造体。
【請求項5】
請求項1ないし4のいずれかに記載された屋根構造体において、
前記母屋は、前記母屋の端部において開口する中空部を有し、
前記連結材は、前記母屋の端部に装着されて前記中空部の開口を塞ぐ装着部を有する屋根構造体。
【請求項6】
請求項1ないし4のいずれかに記載された屋根構造体において、
前記連結材は、前記連結材を補強する補強中空部を有する屋根構造体。
発明の詳細な説明
【技術分野】
【0001】
本発明は、支持体により屋根体を支持する屋根構造体に関する。
続きを表示(約 2,200 文字)
【背景技術】
【0002】
屋根構造体は、一般に、屋根体を構成する複数の屋根材を備えている。複数の屋根材は、並べて配置されて、屋根構造体の設置箇所を覆う。また、このような屋根構造体として、従来、支柱の上端に固定された梁と、屋根材を支持する母屋を備えた屋根構造物が知られている(特許文献1参照)。
【0003】
特許文献1に記載された従来の屋根構造物では、複数の母屋が2つの梁の間に配置されて、母屋のそれぞれが2つの梁に取り付けられている。また、複数の屋根材は、2つの梁の間に位置して、梁と母屋からなる枠材に固定されている。ところが、枠材の2つの梁は、屋根体の縁部に位置しており、屋根体を下側からみたときに視認される。そのため、従来の屋根構造物では、梁が目立つデザインとなっており、意匠性の観点から、改良の余地がある。
【先行技術文献】
【特許文献】
【0004】
特許第7029419号公報
【発明の概要】
【発明が解決しようとする課題】
【0005】
本発明は、前記従来の問題に鑑みなされたもので、その目的は、屋根構造体の屋根材により、梁及び母屋を下側から視認し難くして、屋根構造体の意匠性を向上させることである。
【課題を解決するための手段】
【0006】
本発明は、
支持体と、
前記支持体に支持された梁と、
前記梁の下側に位置して前記梁に取り付けられた母屋と、
前記母屋の下側で前記母屋の端部から張り出す端屋根材を含み、前記母屋の下側に並べて配置されて前記母屋に保持された複数の屋根材と、
前記母屋の端部に装着されて、前記端屋根材を前記母屋の端部に連結する連結材と、
を備えた屋根構造体である。
【発明の効果】
【0007】
本発明によれば、屋根構造体の屋根材により、梁及び母屋を下側から視認し難くして、屋根構造体の意匠性を向上させることができる。
【図面の簡単な説明】
【0008】
第1実施形態の屋根構造体を斜め上方からみた斜視図である。
第1実施形態の屋根構造体を斜め下方からみた斜視図である。
図1の矢印X1方向からみた第1実施形態の屋根構造体を示す正面図である。
図3の矢印X2方向からみた第1実施形態の屋根構造体を示す側面図である。
図3の矢印X3方向からみた第1実施形態の屋根構造体を示す平面図である。
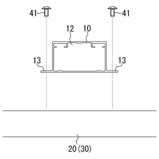
図5のX4-X4線で切断した第1実施形態の屋根構造体を示す断面図である。
図5のX5-X5線で切断した第1実施形態の屋根構造体を示す断面図である。
第1実施形態の屋根構造体の母屋に取り付けられる屋根材を示す図である。
第1実施形態の屋根構造体の母屋に取り付けられる屋根材を示す図である。
第1実施形態の屋根構造体の母屋、連結材、及び、屋根材を示す断面図である。
第1実施形態の屋根構造体の母屋、連結材、及び、屋根材を分離させて示す断面図である。
第1実施形態の屋根構造体の母屋、連結材、及び、屋根材を示す断面図である。
第2実施形態の屋根構造体の母屋、連結材、及び、屋根材を分離させて示す断面図である。
第2実施形態の屋根構造体の母屋、連結材、及び、屋根材を示す断面図である。
第3実施形態の屋根構造体の母屋、連結材、及び、屋根材を分離させて示す断面図である。
第3実施形態の屋根構造体の母屋、連結材、及び、屋根材を示す断面図である。
第4実施形態の屋根構造体の母屋、連結材、及び、屋根材を分離させて示す断面図である。
第4実施形態の屋根構造体の母屋、連結材、及び、屋根材を示す断面図である。
第5実施形態の屋根構造体の母屋、連結材、及び、屋根材を分離させて示す断面図である。
第5実施形態の屋根構造体の母屋、連結材、及び、屋根材を示す断面図である。
【発明を実施するための形態】
【0009】
本発明の屋根構造体の一実施形態について、図面を参照して説明する。
本実施形態の屋根構造体は、屋根体を備えた屋外構造物であり、建物の屋外に設置される。以下では、建物から独立して設置される屋根構造体であるカーポートを例にとり、屋根構造体の複数の実施形態について説明する。
【0010】
(第1実施形態)
図1は、第1実施形態の屋根構造体1を斜め上方からみた斜視図であり、図2は、第1実施形態の屋根構造体1を斜め下方からみた斜視図である。
図示のように、屋根構造体1は、設置箇所Gに設置されて、設置箇所Gで自立する。また、屋根構造体1は、屋根構造体1の設置箇所Gに立設された支持体である支柱2と、支柱2により支持された屋根体3を備えている。複数の支柱2の下側部分が設置箇所Gに埋設されて、設置箇所Gの上側で、支柱2が上下方向に沿って配置されている。支柱2は、設置箇所Gに立てた状態で設置されて、設置箇所Gの上方に突出する。
(【0011】以降は省略されています)
この特許をJ-PlatPat(特許庁公式サイト)で参照する
関連特許
YKK AP株式会社
建具
7日前
YKK AP株式会社
建具
17日前
YKK AP株式会社
戸体
1か月前
YKK AP株式会社
外装体
3日前
YKK AP株式会社
屋根構造体
4日前
YKK AP株式会社
屋根構造体
4日前
YKK AP株式会社
屋根構造体
4日前
YKK AP株式会社
屋根構造体
4日前
YKK AP株式会社
戸車および建具
7日前
YKK AP株式会社
カーテンウォールユニット
4日前
YKK AP株式会社
パネルおよびパネル設置構造
1か月前
YKK AP株式会社
屋根構造体及び屋根構造体の施工方法
4日前
個人
接合構造
今日
個人
屋台
17日前
個人
野良猫ハウス
1か月前
個人
キャチクランプ
4か月前
個人
フェンス
1か月前
個人
転落防止用手摺
27日前
個人
水害と共にある家
4か月前
ニチハ株式会社
建築板
1か月前
個人
居住車両用駐車場
1か月前
個人
地下型マンション
3か月前
積水樹脂株式会社
柵体
26日前
個人
筋交自動設定装置
7日前
株式会社タナクロ
テント
3か月前
個人
壁断熱パネル
4か月前
個人
熱抵抗多層断熱建材
1か月前
個人
津波と共にある漁港
4か月前
個人
鋼管結合資材
3か月前
個人
地滑りと共にある山荘
4か月前
個人
補強部材
1か月前
個人
パーティション
4か月前
個人
柵
1か月前
成友建設株式会社
建物
1か月前
鹿島建設株式会社
壁体
1か月前
個人
身体用シェルター
7日前
続きを見る
他の特許を見る