TOP
|
特許
|
意匠
|
商標
特許ウォッチ
Twitter
他の特許を見る
10個以上の画像は省略されています。
公開番号
2025143656
公報種別
公開特許公報(A)
公開日
2025-10-02
出願番号
2024042996
出願日
2024-03-19
発明の名称
風防装置
出願人
株式会社ニフコ
,
本田技研工業株式会社
代理人
弁理士法人大島特許事務所
主分類
B62J
17/04 20060101AFI20250925BHJP(鉄道以外の路面車両)
要約
【課題】 スクリーンの位置を一定させることができる風防装置を提供する。
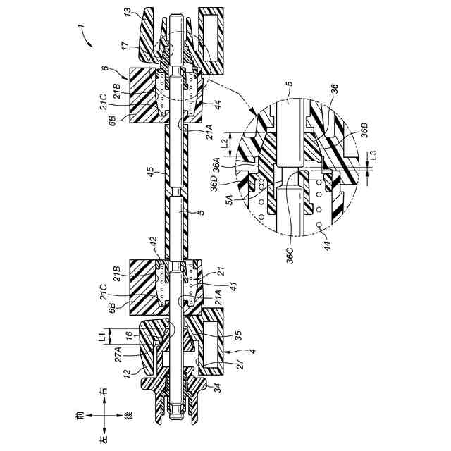
【解決手段】 風防装置1は、左右に間隔をおいて配置された第1ガイド孔16及び第2ガイド孔17を有し、車体3に固定される固定部材4と、左右方向に延び、第1ガイド孔及び第2ガイド孔に移動可能に挿入されたシャフト5と、シャフトに支持された保持部材6と、保持部材に支持されたスクリーン7とを有する。第1ガイド孔に複数の第1ロック孔31が設けられ、第2ガイド孔の第1ロック孔と左右方向において対応する位置に複数の第2ロック孔32が設けられている。第1ロック孔に嵌合可能な第1嵌合部35がシャフトに固定されると共に、第2ロック孔に嵌合可能な第2嵌合部36がシャフトの軸方向に所定の範囲で移動可能にシャフトに支持されている。
【選択図】 図1
特許請求の範囲
【請求項1】
風防装置であって、
左右に間隔をおいて配置された第1ガイド孔及び第2ガイド孔を有し、車体に固定される固定部材と、
左右方向に延び、前記第1ガイド孔及び前記第2ガイド孔に移動可能に挿入されたシャフトと、
前記シャフトに支持された保持部材と、
前記保持部材に支持されたスクリーンとを有し、
前記第1ガイド孔に複数の第1ロック孔が設けられ、
前記第2ガイド孔の前記第1ロック孔と左右方向において対応する位置に複数の第2ロック孔が設けられ、
前記第1ロック孔に嵌合可能な第1嵌合部が前記シャフトに固定されると共に、前記第2ロック孔に嵌合可能な第2嵌合部が前記シャフトの軸方向に所定の範囲で移動可能に前記シャフトに支持されている風防装置。
続きを表示(約 150 文字)
【請求項2】
前記第1嵌合部の前記第1ロック孔に対する嵌合代は、前記第2嵌合部の前記第2ロック孔に対する嵌合代と、前記第2嵌合部が前記第2ロック孔に嵌合した状態における前記第2嵌合部と前記シャフトとの前記解除方向における遊び長さとの合計よりも大きく設定されている請求項1に記載の風防装置。
発明の詳細な説明
【技術分野】
【0001】
本発明は、風防装置に関する。
続きを表示(約 1,800 文字)
【背景技術】
【0002】
特許文献1は、鞍乗り型車両の風防装置を開示している。風防装置は、車体に固定された固定部材と、スクリーンと、スクリーンを支持する保持部材と、保持部材と固定部材とを接続する前リンク及び後リンクとを有する。保持部材、固定部材、前リンク、及び後リンクは、協働して四節リンクを構成する。前リンク及び後リンクが回動することによって、固定部材に対して保持部材及びスクリーンが移動する。
【0003】
後リンクは、固定部材に回動可能に支持された左右のアーム部を有する。後リンクには、固定部材に対する後リンクの回動を規制するロック機構が設けられている。ロック機構は、左右に延び、左右のアーム部及び固定部材を貫通するシャフトと、シャフトに固定された左右のギヤと、左のアーム部に形成された第1係合孔と、固定部材の左部に形成された第2係合部と、右のアーム部に形成された第3係合孔と、固定部材の右部に形成された第4係合部と、シャフトの左端に設けられた操作部と、シャフトを左方に付勢するばねとを有する。シャフトが左側に移動したロック状態では、左のギヤが第1係合孔及び第2係合孔に嵌合し、かつ右のギヤが第3係合孔及び第4係合孔に嵌合することによって後リンクの固定部材に対する回動が規制される。シャフトが右側に移動した解除状態では、左のギヤが第1係合孔及び第2係合孔から離脱し、かつ右のギヤが第3係合孔及び第4係合孔から離脱することによって後リンクの固定部材に対する回動が可能になる。
【先行技術文献】
【特許文献】
【0004】
特許6367263号明細書
【発明の概要】
【発明が解決しようとする課題】
【0005】
しかし、特許文献1の構成では、固定部材、保持部材、後リンク、シャフト、及びギヤのいずれかに製造誤差や変形が生じると、ロック状態において、左のギヤが第1係合孔及び第2係合孔に密着できない、又は右のギヤが第3係合孔及び第4係合孔に密着できないという問題が生じる。その結果、後リンク、保持部材、及びスクリーンががたつき、スクリーンの位置を一定させることができないという問題がある。
【0006】
以上の背景に鑑み、本発明は、スクリーンの位置を一定させることができる風防装置を提供することを課題とする。
【課題を解決するための手段】
【0007】
上記課題を解決するために本発明のある態様は、風防装置(1)であって、左右に間隔をおいて配置された第1ガイド孔(16)及び第2ガイド孔(17)を有し、車体(3)に固定される固定部材(4)と、左右方向に延び、前記第1ガイド孔及び前記第2ガイド孔に移動可能に挿入されたシャフト(5)と、前記シャフトに支持された保持部材(6)と、前記保持部材に支持されたスクリーン(7)とを有し、前記第1ガイド孔に複数の第1ロック孔(31)が設けられ、前記第2ガイド孔の前記第1ロック孔と左右方向において対応する位置に複数の第2ロック孔(32)が設けられ、前記第1ロック孔に嵌合可能な第1嵌合部(35)が前記シャフトに固定されると共に、前記第2ロック孔に嵌合可能な第2嵌合部(36)が前記シャフトの軸方向に所定の範囲で移動可能に前記シャフトに支持されている。
【0008】
この態様によれば、第2嵌合部がシャフトの軸方向に所定の範囲で移動可能に支持されているため、風防装置に製造誤差や変形が生じても、第2嵌合部がシャフトに対して移動することによって、第1嵌合部が第1ロック孔に嵌合し、かつ第2嵌合部が第2ロック孔に嵌合することができる。これにより、スクリーンの位置を一定させることができる風防装置を提供することができる。
【0009】
上記の態様において、前記第1嵌合部の前記第1ロック孔に対する嵌合代(L1)は、前記第2嵌合部の前記第2ロック孔に対する嵌合代(L2)と、前記第2嵌合部が前記第2ロック孔に嵌合した状態における前記第2嵌合部と前記シャフトとの前記解除方向における遊び長さ(L3)との合計よりも大きく設定されてもよい。
【0010】
この態様によれば、第1嵌合部が第1ロック孔から離脱したときに、シャフトに対して移動可能な第2嵌合部が第2ロック孔から確実に離脱することができる。
【発明の効果】
(【0011】以降は省略されています)
この特許をJ-PlatPat(特許庁公式サイト)で参照する
関連特許
株式会社ニフコ
クリップ
1日前
株式会社ニフコ
風防装置
2日前
株式会社ニフコ
収納装置
25日前
株式会社ニフコ
照明装置
1か月前
株式会社ニフコ
リテーナ固定構造
5日前
個人
カート
2か月前
個人
走行装置
3か月前
個人
乗り物
4か月前
個人
電動走行車両
3か月前
個人
駐輪設備
1か月前
個人
閂式ハンドル錠
3か月前
個人
発音装置
7か月前
個人
折り畳み自転車
10か月前
個人
電動モビリティ
7か月前
個人
ボギー・フレーム
1か月前
個人
ルーフ付きトライク
1か月前
個人
体重掛けリフト台車
10か月前
個人
“zen-go.”
2か月前
個人
ルーフ付きトライク
2か月前
個人
自由方向乗車自転車
7か月前
個人
自転車用荷物台
10か月前
個人
パワーアシスト自転車
1か月前
個人
キャンピングトライク
8か月前
個人
ステアリングの操向部材
8か月前
個人
フロントフットブレーキ。
3か月前
株式会社三五
リアサブフレーム
10か月前
株式会社豊田自動織機
産業車両
4か月前
学校法人千葉工業大学
車両
9か月前
個人
乗用自動車のディフューザー
9日前
豊田鉄工株式会社
小型車両
2か月前
個人
ホイールハブ駆動構造
4か月前
学校法人千葉工業大学
車両
9か月前
学校法人千葉工業大学
車両
9か月前
個人
二輪車の三次元折りたたみ機構
1か月前
株式会社カインズ
台車
7か月前
個人
自動車のタイヤの位置について
1か月前
続きを見る
他の特許を見る