TOP
|
特許
|
意匠
|
商標
特許ウォッチ
Twitter
他の特許を見る
公開番号
2025143915
公報種別
公開特許公報(A)
公開日
2025-10-02
出願番号
2024043423
出願日
2024-03-19
発明の名称
選別装置、及び選別方法
出願人
本田技研工業株式会社
代理人
弁理士法人大塚国際特許事務所
主分類
G01N
21/85 20060101AFI20250925BHJP(測定;試験)
要約
【課題】 選別処理における処理負荷を低減して、所定の材料の破砕片を選別すること。
【解決手段】車体構造を破砕することより得られる複数の破砕片から所定の材料の破砕片を選別する選別装置は、破砕片の光学画像を撮影する第1の光学画像撮影部と、破砕片の赤外線画像を撮影する赤外線画像撮影部と、光学画像と赤外線画像とに基づいて、所定の材料の破砕片を選別する処理部と、を備える。処理部は、赤外線画像において、特徴的な形状を有する温度コントラストが生じた特定領域を検出した場合に、光学画像において、特定領域に対応する解析領域に限定した光学画像の画像解析を行うことにより、所定の材料の破砕片を選別する。
【選択図】図1
特許請求の範囲
【請求項1】
車体構造を破砕することより得られる複数の破砕片から所定の材料の破砕片を選別する選別装置であって、
前記破砕片の光学画像を撮影する第1の光学画像撮影部と、
前記破砕片の赤外線画像を撮影する赤外線画像撮影部と、
前記光学画像と前記赤外線画像とに基づいて、前記所定の材料の破砕片を選別する処理部と、を備え、
前記処理部は、前記赤外線画像において、特徴的な形状を有する温度コントラストが生じた特定領域を検出した場合に、前記光学画像において、前記特定領域に対応する解析領域に限定した当該光学画像の画像解析を行うことにより、前記所定の材料の破砕片を選別する選別装置。
続きを表示(約 1,000 文字)
【請求項2】
前記処理部は、前記特定領域として、前記赤外線画像において前記破砕片の温度分布の傾向が異なる領域を検出し、
前記光学画像における前記解析領域として、前記温度分布の傾向が異なる領域に限定して前記画像解析を行う請求項1に記載の選別装置。
【請求項3】
前記処理部は、前記画像解析により得られた色情報に基づいて、前記所定の材料の破砕片であるか判定する請求項1に記載の選別装置。
【請求項4】
前記処理部は、前記画像解析により得られた前記破砕片の形状に基づいて、前記所定の材料の破砕片であるか判定する請求項1に記載の選別装置。
【請求項5】
前記第1の光学画像撮影部の画角とは異なる画角で前記破砕片の光学画像を撮影する第2の光学画像撮影部を更に備える請求項1に記載の選別装置。
【請求項6】
前記処理部は、前記光学画像の画像解析では、所定の判定精度が得られないと判定する場合、前記第1の光学画像撮影部により撮影された光学画像と、前記第2の光学画像撮影部により撮影された光学画像と、を用いた画像解析により、前記所定の材料の破砕片を選別する請求項5に記載の選別装置。
【請求項7】
前記破砕片に放射線を照射する発生部と、
前記破砕片を透過した放射線を検出し、前記検出した放射線の線量に基づいた放射線画像を取得する検出部と、を更に備える請求項1に記載の選別装置。
【請求項8】
前記処理部は、前記画像解析により破砕片の厚さの情報が必要と判定する場合、前記放射線画像に基づいて、前記放射線の照射方向における前記破砕片の厚さの分布を取得し、
前記画像解析の結果と、前記破砕片の厚さの分布とを用いて、前記所定の材料の破砕片を選別する請求項7に記載の選別装置。
【請求項9】
前記処理部は、前記特定領域として、前記赤外線画像における前記破砕片の温度分布が線状に分布する領域を検出し、
前記光学画像における前記解析領域として、前記温度分布が線状に分布する領域に限定して前記画像解析を行う請求項1に記載の選別装置。
【請求項10】
前記処理部は、前記特定領域として、前記赤外線画像において、前記破砕片の温度分布が周囲と異なる繊維状の物体が存在する領域を検出し、
前記光学画像における前記解析領域として、前記繊維状の物体が存在する領域に限定して前記画像解析を行う請求項1に記載の選別装置。
(【請求項11】以降は省略されています)
発明の詳細な説明
【技術分野】
【0001】
本発明は選別装置、及び選別方法に関する。
続きを表示(約 1,700 文字)
【背景技術】
【0002】
近年、廃棄物の発生防止、削減、再生利用及び再利用により、廃棄物の発生の大幅な削減に向けた取り組みが活発化している。この実現に向けて、鉄やアルミニウム等、車体を構成する金属材料の再生利用に関する研究開発が行われている。
【0003】
特許文献1には、破砕片の形状に基づいて軟鋼を選別する選別装置が開示されている。特許文献1により開示されている選別装置は、破砕片の位置に応じた高さの指標値を示す情報である表面情報に基づいて、破砕片の表面の部分のうち周辺領域と比較した指標値の差が閾値以上である部分を皺と特定し、破砕片の表面のうち皺が生じている部分の割合である皺割合に基づいて破砕片を選別する装置である。
【先行技術文献】
【特許文献】
【0004】
特許第6726753号明細書
【発明の概要】
【発明が解決しようとする課題】
【0005】
特許文献1により開示されている選別装置では、選別する部材として、破砕片の表面に生じている皺の割合に基づいて潰れた軟鋼と、潰れていないハイテンとを選別するものであり、破砕片の全体的な画像から皺の割合を求めるための画像解析が必要になるため、選別処理を行うための処理負荷は高くなる。
【0006】
本発明は、上記の課題に鑑みて、選別処理における処理負荷を低減して、所定の材料の破砕片を選別するために有利な技術の提供を目的とする。
【課題を解決するための手段】
【0007】
本発明の一態様の選別装置は、車体構造を破砕することより得られる複数の破砕片から所定の材料の破砕片を選別する選別装置であって、
前記破砕片の光学画像を撮影する第1の光学画像撮影部と、
前記破砕片の赤外線画像を撮影する赤外線画像撮影部と、
前記光学画像と前記赤外線画像とに基づいて、前記所定の材料の破砕片を選別する処理部と、を備え、
前記処理部は、前記赤外線画像において、特徴的な形状を有する温度コントラストが生じた特定領域を検出した場合に、前記光学画像において、前記特定領域に対応する解析領域に限定した当該光学画像の画像解析を行うことにより、前記所定の材料の破砕片を選別する。
【0008】
本発明の他の態様の選別方法は、車体構造を破砕することより得られる複数の破砕片から所定の材料の破砕片を選別する選別装置における選別方法であって、
第1の光学画像撮影部により前記破砕片の光学画像を撮影する工程と、
赤外線画像撮影部により前記破砕片の赤外線画像を撮影する工程と、
前記光学画像と前記赤外線画像とに基づいて、前記所定の材料の破砕片を選別する処理工程と、を有し、
前記処理工程では、前記赤外線画像において、特徴的な形状を有する温度コントラストが生じた特定領域を検出した場合に、前記光学画像において、前記特定領域に対応する解析領域に限定した当該光学画像の画像解析を行うことにより、前記所定の材料の破砕片を選別する。
【発明の効果】
【0009】
本発明によれば、選別処理における負荷を低減して、所定の材料の破砕片を選別することが可能になる。
【図面の簡単な説明】
【0010】
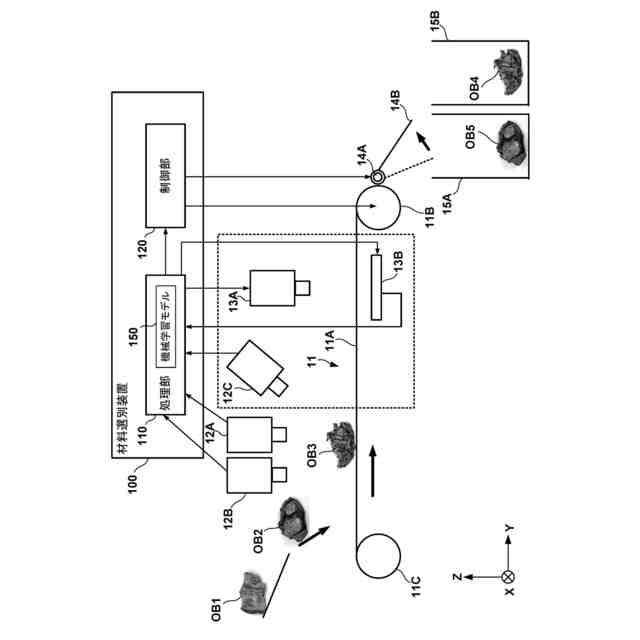
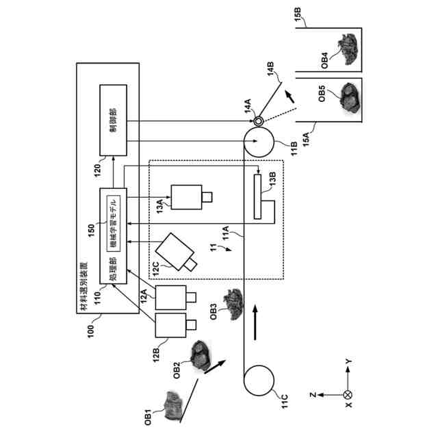
実施形態に係る選別装置の構成例を示す図。
実施形態に係る選別装置の処理の概要を示す図。
赤外線画像の特定領域と光学画像の解析領域の検出例1を示す図。
赤外線画像の特定領域と光学画像の解析領域の検出例2を示す図。
赤外線画像の特定領域と光学画像の解析領域の検出例3を示す図。
赤外線画像の特定領域と光学画像の解析領域の検出例4を示す図。
赤外線画像と2方向から撮影した光学画像を例示する図。
光学画像と放射線画像との比較例を示す図。
放射線の照射方向の距離と、照射方向における破砕片の厚さの関係を例示する図。
【発明を実施するための形態】
(【0011】以降は省略されています)
この特許をJ-PlatPat(特許庁公式サイト)で参照する
関連特許
本田技研工業株式会社
車両
1か月前
本田技研工業株式会社
装置
9日前
本田技研工業株式会社
車両
10日前
本田技研工業株式会社
モータ
6日前
本田技研工業株式会社
会話装置
2日前
本田技研工業株式会社
車両構造
6日前
本田技研工業株式会社
車両構造
6日前
本田技研工業株式会社
バッテリ
3日前
本田技研工業株式会社
バッテリ
3日前
本田技研工業株式会社
受電装置
4日前
本田技研工業株式会社
送電装置
4日前
本田技研工業株式会社
ステータ
2日前
本田技研工業株式会社
保持装置
3日前
本田技研工業株式会社
保管装置
4日前
本田技研工業株式会社
保管装置
4日前
本田技研工業株式会社
ロボット
1か月前
本田技研工業株式会社
内燃機関
9日前
本田技研工業株式会社
内燃機関
9日前
本田技研工業株式会社
固体電池
4日前
本田技研工業株式会社
切断装置
2日前
本田技研工業株式会社
電解装置
17日前
本田技研工業株式会社
回転機械
1か月前
本田技研工業株式会社
通知装置
9日前
本田技研工業株式会社
断続装置
4日前
本田技研工業株式会社
触媒インク
1か月前
本田技研工業株式会社
鞍乗型車両
16日前
本田技研工業株式会社
触媒インク
1か月前
本田技研工業株式会社
リンク機構
2日前
本田技研工業株式会社
リアクトル
9日前
本田技研工業株式会社
潤滑システム
16日前
本田技研工業株式会社
車両制御装置
10日前
本田技研工業株式会社
車両制御装置
18日前
本田技研工業株式会社
動力伝達装置
1か月前
本田技研工業株式会社
電源システム
4日前
本田技研工業株式会社
潤滑システム
4日前
本田技研工業株式会社
放電処理方法
4日前
続きを見る
他の特許を見る