TOP
|
特許
|
意匠
|
商標
特許ウォッチ
Twitter
他の特許を見る
公開番号
2025144224
公報種別
公開特許公報(A)
公開日
2025-10-02
出願番号
2024043898
出願日
2024-03-19
発明の名称
画像検査装置
出願人
株式会社キーエンス
代理人
弁理士法人 佐野特許事務所
主分類
G06T
7/00 20170101AFI20250925BHJP(計算;計数)
要約
【課題】柔軟なトリガ条件を設定する。
【解決手段】画像検査装置は、撮像視野を連続的に撮影して時系列に並ぶ複数のフレーム画像を生成する撮像部と、機械学習モデルによりフレーム画像に映る対象物を検査して結果を出力する検査実行部と、検査実行部の設定を行う検査設定部を備える。機械学習モデルは、フレーム画像から特徴量を抽出する特徴抽出部と、特徴量から検査結果を出力する判定部を含む。検査設定部は、第1画像の選択を受け付け、第1画像から抽出される第1特徴量に基づいて、第1特徴量に基づくスコアが閾値に対して所定の相対関係を満たすようにスコア算出方法を決定する。検査実行部は、連続する第1及び第2フレーム画像からそれぞれの特徴量を抽出し、第1フレーム画像から抽出される特徴量に基づく第1スコアと第2フレーム画像から抽出される特徴量に基づく第2スコアとの間に閾値があるときに検査トリガを出力する。
【選択図】図4
特許請求の範囲
【請求項1】
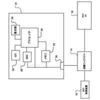
撮像視野を連続的に撮影して時系列に並ぶ複数のフレーム画像を生成する撮像部と、
機械学習モデルにより複数の前記フレーム画像に映る対象物の検査処理を実行して検査結果を出力する検査実行部と、
前記検査実行部の設定を行う検査設定部と、
を備え、
前記機械学習モデルは、前記フレーム画像から特徴量を抽出する特徴抽出部と、前記特徴量から前記検査結果を出力する判定部と、を含み、
前記検査設定部は、
第1画像の選択を受け付け、
選択された前記第1画像から抽出される第1特徴量に基づいて、第1特徴量に基づくスコアが閾値に対して所定の相対関係を満たすようにスコア算出方法を決定し、
前記検査実行部は、
複数の前記フレーム画像としての第1フレーム画像と前記第1フレーム画像に連続する第2フレーム画像とから前記特徴量を抽出し、
前記第1フレーム画像から抽出される特徴量に基づく第1スコアと、前記第2フレーム画像から抽出される特徴量に基づく第2スコアと、の間に前記閾値があると判定される時、検査トリガを出力する、画像検査装置。
続きを表示(約 1,200 文字)
【請求項2】
前記検査設定部は、
前記第1画像としての前記対象物が検出領域にある画像と、前記対象物が前記検出領域にない第2画像と、の選択を受け付け、
前記第1特徴量と、前記第2画像から抽出される第2特徴量とに基づいて、前記フレーム画像が前記第1画像及び前記第2画像のいずれに分類されるかを示す前記スコアと比較される、前記相対閾値を決定する、請求項1に記載の画像検査装置。
【請求項3】
前記検査設定部は、前記第1画像に類似する前記フレーム画像の前記スコアが、前記第2画像に類似する前記フレームの前記スコアより高くなるように、スコアに対する相対閾値を決定し、
前記検査実行部は、複数の前記フレーム画像として生成される第1フレーム画像及び第2フレーム画像からそれぞれ第3特徴量及び第4特徴量を取得し、前記第1フレーム画像から抽出される前記第3特徴量に基づいて算出される前記第1フレーム画像の第1スコアが前記閾値よりも低く、かつ、前記第1フレーム画像に連続する前記第2フレーム画像から抽出される前記第4特徴量に基づいて算出される前記第2フレーム画像の第2スコアが前記閾値以上となった時点で検査トリガを出力する、請求項2に記載の画像の画像検査装置。
【請求項4】
前記検査実行部は、前記第2フレーム画像に対して前記検査処理を実行する、請求項1に記載の画像検査装置。
【請求項5】
前記検査設定部は、
ライブ撮影中又はリプレイ中の画像を表示し、
表示される前記画像を、前記第1画像及び前記第2画像少なくとも一方としての選択を受け付ける、請求項1に記載の画像検査装置。
【請求項6】
前記スコアをグラフとして表示するGUIを備える、請求項1に記載の画像検査装置。
【請求項7】
撮像視野を連続的に撮影して時系列に並ぶ複数のフレーム画像を生成する撮像部と、
機械学習モデルにより複数の前記フレーム画像に映る対象物の検査処理を実行して検査結果を出力する検査実行部と、
前記検査実行部の設定を行う検査設定部と、
を備え、
前記機械学習モデルは、前記フレーム画像から特徴量を抽出する特徴抽出部と、前記特徴量から前記検査結果を出力する判定部と、を含み、
前記検査設定部は、
第1画像の選択を受け付け、
選択された前記第1画像から抽出される第1特徴量に基づいてスコアに対する閾値を決定し、
前記検査実行部は、
複数の前記フレーム画像としての第1フレーム画像と前記第1フレーム画像に連続する第2フレーム画像とから前記特徴量を抽出し、
前記第1フレーム画像から抽出される特徴量に基づく第1スコアと、前記第2フレーム画像から抽出される特徴量に基づく第2スコアと、の間に前記閾値があると判定される時、検査トリガを出力する、画像検査装置。
発明の詳細な説明
【技術分野】
【0001】
本発明は、画像検査装置に関する。
続きを表示(約 1,800 文字)
【背景技術】
【0002】
従来の画像センサは、一般に1枚のフレーム画像に対して対象物の検出処理を実行する(例えば特許文献1を参照)。
【先行技術文献】
【特許文献】
【0003】
特開2022-164146号公報
【発明の概要】
【発明が解決しようとする課題】
【0004】
ところで、移動する対象物に対して画像検査を行う場合には、撮像視野内で対象物が所望の状態(位置及び角度など)になるタイミングで撮像されたフレーム画像を検査対象画像として取得する必要がある。撮像視野内で対象物の位置又は角度がずれる場合には、特許文献1に開示される「位置補正ツール」により、検査対象領域の位置又は角度を調整することができる。ただし、「位置補正ツール」の基準位置及び検査対象領域がそもそも検査対象の撮像されたフレーム画像に含まれていないと調整することができない。
【0005】
したがって、移動する対象物に対する画像検査を行うときには、画像センサに対して適切なトリガタイミングが与えられるか否かによって画像検査の精度が左右されるが、画像センサに適切なトリガタイミングを与えるように外部機器を設定することはユーザの手間が生じる。このため、画像センサが順次取得するフレーム画像が所定のトリガ条件を満たすときに検査トリガを出力して、当該検査トリガに基づいて特定されるタイミングで、撮影されたフレーム画像(=検査対象画像)に対して検査を実行する構成が知られている。
【0006】
しかしながら、トリガ条件が厳しい場合には、検査対象とするべき画像に対する検査を逃すおそれがある。例えば対象物の良品だけしか満たせないほどトリガ条件が厳しい場合には、対象物が不良品であるときに検査トリガが掛からない、という不具合を生じ得る。逆に、トリガ条件が緩い場合には、検査対象にするべきでない画像に対する検査を実行してしまい、不要な画像検査結果が取得され得る虞がある。例えば、トリガにより実行される検査として、対象画像が良品画像であるときに対象物に対する良否判定としてOK判定を出力する検査を実行する場合、検査対象にするべきでない画像は対象物が無い画像であるため不良品画像と判定され、不良品の対象物が検出されていないにもかかわらずNG判定が出力される、という不具合を生じ得る。
【0007】
このように、従来の画像センサでは、ユーザが所望するタイミングで検査トリガが出力されるようにトリガ条件を設定することが困難であった。なお、撮像視野の一部に判定用の領域を設定する構成であっても、撮像視野から対象物を探す構成であっても、ルールベースである限り、トリガ条件の緩急の設定が困難なため、同様の課題を生じ得る。
【0008】
本発明は、上記の課題に鑑み、柔軟なトリガ条件を設定することのできる画像検査装置を提供することを目的とする。
【課題を解決するための手段】
【0009】
本発明に係る画像検査装置は、撮像視野を連続的に撮影して時系列に並ぶ複数のフレーム画像を生成する撮像部と、機械学習モデルにより複数の前記フレーム画像に映る対象物の検査処理を実行して検査結果を出力する検査実行部と、前記検査実行部の設定を行う検査設定部と、を備え、前記機械学習モデルは、前記フレーム画像から特徴量を抽出する特徴抽出部と、前記特徴量から前記検査結果を出力する判定部と、を含み、前記検査設定部は、第1画像の選択を受け付け、選択された前記第1画像から抽出される第1特徴量に基づいて、第1特徴量に基づくスコアが閾値に対して所定の相対関係を満たすようにスコア算出方法を決定し、前記検査実行部は、複数の前記フレーム画像としての第1フレーム画像と前記第1フレーム画像に連続する第2フレーム画像とから前記特徴量を抽出し、前記第1フレーム画像から抽出される特徴量に基づく第1スコアと、前記第2フレーム画像から抽出される特徴量に基づく第2スコアと、の間に前記閾値があると判定される時、検査トリガを出力する。
【0010】
なお、その他の特徴、要素、ステップ、利点、及び、特性については、以下に続く発明を実施するための形態及びこれに関する添付の図面によって、さらに明らかとなる。
【発明の効果】
(【0011】以降は省略されています)
この特許をJ-PlatPat(特許庁公式サイト)で参照する
関連特許
株式会社キーエンス
画像検査装置
4日前
株式会社キーエンス
画像検査装置
5日前
株式会社キーエンス
分析装置
今日
株式会社キーエンス
分析装置
11日前
テクトロニクス・インコーポレイテッド
試験測定装置及びデータ分析方法
今日
個人
詐欺保険
今日
個人
縁伊達ポイン
今日
個人
フラワーコートA
2か月前
個人
地球保全システム
13日前
個人
QRコードの彩色
4日前
個人
工程設計支援装置
2か月前
個人
為替ポイント伊達夢貯
1か月前
個人
冷凍食品輸出支援構造
1か月前
個人
残土処理システム
6日前
個人
表変換編集支援システム
1か月前
個人
携帯情報端末装置
2か月前
個人
結婚相手紹介支援システム
1か月前
個人
知財出願支援AIシステム
1か月前
個人
知的財産出願支援システム
7日前
個人
行動時間管理システム
1か月前
個人
AIによる情報の売買の仲介
1か月前
個人
パスワード管理支援システム
1か月前
個人
海外支援型農作物活用システム
25日前
個人
システム及びプログラム
26日前
日本精機株式会社
施工管理システム
1か月前
個人
AIキャラクター制御システム
1か月前
株式会社アジラ
進入判定装置
1か月前
個人
食品レシピ生成システム
12日前
株式会社キーエンス
受発注システム
12日前
株式会社キーエンス
受発注システム
12日前
個人
パスポートレス入出国システム
1か月前
株式会社キーエンス
受発注システム
12日前
大阪瓦斯株式会社
住宅設備機器
1か月前
個人
未来型家系図構築システム
25日前
大同特殊鋼株式会社
疵判定方法
19日前
個人
音声対話型帳票生成支援システム
1か月前
続きを見る
他の特許を見る