TOP
|
特許
|
意匠
|
商標
特許ウォッチ
Twitter
他の特許を見る
10個以上の画像は省略されています。
公開番号
2025144624
公報種別
公開特許公報(A)
公開日
2025-10-03
出願番号
2024044363
出願日
2024-03-21
発明の名称
車両用制御装置
出願人
株式会社SUBARU
代理人
弁理士法人筒井国際特許事務所
主分類
B60W
20/50 20160101AFI20250926BHJP(車両一般)
要約
【課題】エンジンを適切に始動させる。
【解決手段】車両用制御装置は、ロックアップピストンを制御するロックアップ制御弁と、プロセッサを備える制御システムと、を有する。前記ロックアップ制御弁のスプール弁軸は、アプライ油路に作動油を供給する締結位置と、リリース油路に作動油を供給する解放位置と、前記締結位置と前記解放位置との間の中間位置と、に移動可能である。前記制御システムは、前記スプール弁軸を前記中間位置に保持し、前記エンジンをクランキングさせる第1始動制御を実行し、エンジン始動が不成立であった場合に、前記スプール弁軸を前記解放位置に移動し、前記エンジンをクランキングさせる第2始動制御を実行する。
【選択図】図10
特許請求の範囲
【請求項1】
車輪に動力伝達経路を介して連結されるエンジンと、
前記動力伝達経路に設けられるクラッチと、
前記動力伝達経路に設けられ、前記エンジンと前記クラッチとの間に配置されるトルクコンバータと、
前記トルクコンバータのケースに収容され、前記ケース内にアプライ室とリリース室とを区画するロックアップピストンと、
前記アプライ室にアプライ油路を介して接続され、前記リリース室にリリース油路を介して接続されるロックアップ制御弁と、
互いに通信可能に接続されるプロセッサおよびメモリを備える制御システムと、
を有し、
前記ロックアップ制御弁のスプール弁軸は、
前記アプライ油路に作動油を供給して前記リリース油路から作動油を排出する締結位置と、前記リリース油路に作動油を供給して前記アプライ油路から作動油を排出する解放位置と、前記締結位置と前記解放位置との間の中間位置と、に移動可能であり、
前記制御システムは、
前記スプール弁軸が前記中間位置に移動され、かつ前記クラッチが締結された状態のもとで、前記エンジンの始動条件が成立した場合に、
前記スプール弁軸が前記中間位置に保持され、かつ前記クラッチが締結された状態のもとで、前記エンジンをクランキングさせる第1始動制御を実行し、
前記第1始動制御によるエンジン始動が不成立であった場合に、前記スプール弁軸が前記解放位置に移動され、かつ前記クラッチが締結された状態のもとで、前記エンジンをクランキングさせる第2始動制御を実行する、
車両用制御装置。
続きを表示(約 490 文字)
【請求項2】
請求項1に記載の車両用制御装置において、
前記スプール弁軸が前記中間位置に移動した場合には、前記スプール弁軸が前記締結位置に移動した場合よりも、前記トルクコンバータに対する作動油の供給流量が少なく、
前記スプール弁軸が前記中間位置に移動した場合には、前記スプール弁軸が前記解放位置に移動した場合よりも、前記トルクコンバータに対する作動油の供給流量が少ない、
車両用制御装置。
【請求項3】
請求項1に記載の車両用制御装置において、
前記スプール弁軸の前記中間位置は、前記アプライ油路と前記リリース油路との双方を遮断する位置である、
車両用制御装置。
【請求項4】
請求項1に記載の車両用制御装置において、
前記制御システムは、前記エンジンが停止され、かつ車速が閾値を下回る場合に、前記クラッチを締結する、
車両用制御装置。
【請求項5】
請求項1に記載の車両用制御装置において、
前記車輪に連結される走行用モータを有する、
車両用制御装置。
発明の詳細な説明
【技術分野】
【0001】
本開示は、車両用制御装置に関する。
続きを表示(約 2,700 文字)
【背景技術】
【0002】
エンジンに接続されるトルクコンバータには、クランク軸とタービン軸とを直結するロックアップクラッチが設けられている(特許文献1~3参照)。トルクコンバータ内のアプライ室に作動油を供給してリリース室から作動油を排出することにより、ロックアップクラッチは締結状態に制御される。一方、トルクコンバータ内のリリース室に作動油を供給してアプライ室から作動油を排出することにより、ロックアップクラッチは解放状態に制御される。
【先行技術文献】
【特許文献】
【0003】
国際公開第2013/54409号
特開2013-217271号公報
特開2018-167738号公報
【発明の概要】
【発明が解決しようとする課題】
【0004】
ところで、トルクコンバータによる作動油の消費を抑制するため、ロックアップクラッチを締結状態と解放状態との間の中立状態に制御することがある。このように、ロックアップクラッチを中立状態に制御した場合には、ロックアップクラッチのトルク容量がほぼ“0”に制御されることから、ロックアップクラッチを中立状態に制御しながらエンジンをクランキングすることが可能である。しかしながら、ロックアップクラッチが適切に中立状態に制御されていなかった場合には、クランキング回転数を十分に上げることができずにエンジン始動が困難になる虞がある。このように、ロックアップクラッチが適切に制御されていない状況であっても、エンジンを始動させることが求められている。
【課題を解決するための手段】
【0005】
本開示によれば、車両用制御装置は、車輪に動力伝達経路を介して連結されるエンジンと、前記動力伝達経路に設けられるクラッチと、を有する。前記車両用制御装置は、前記動力伝達経路に設けられ、前記エンジンと前記クラッチとの間に配置されるトルクコンバータを有する。前記車両用制御装置は、前記トルクコンバータのケースに収容され、前記ケース内にアプライ室とリリース室とを区画するロックアップピストンを有する。前記車両用制御装置は、前記アプライ室にアプライ油路を介して接続され、前記リリース室にリリース油路を介して接続されるロックアップ制御弁を有する。前記車両用制御装置は、互いに通信可能に接続されるプロセッサおよびメモリを備える制御システムを有する。前記ロックアップ制御弁のスプール弁軸は、前記アプライ油路に作動油を供給して前記リリース油路から作動油を排出する締結位置と、前記リリース油路に作動油を供給して前記アプライ油路から作動油を排出する解放位置と、前記締結位置と前記解放位置との間の中間位置と、に移動可能である。前記制御システムは、前記スプール弁軸が前記中間位置に移動され、かつ前記クラッチが締結された状態のもとで、前記エンジンの始動条件が成立した場合に、前記スプール弁軸が前記中間位置に保持され、かつ前記クラッチが締結された状態のもとで、前記エンジンをクランキングさせる第1始動制御を実行する。前記制御システムは、前記第1始動制御によるエンジン始動が不成立であった場合に、前記スプール弁軸が前記解放位置に移動され、かつ前記クラッチが締結された状態のもとで、前記エンジンをクランキングさせる第2始動制御を実行する。
【発明の効果】
【0006】
本開示によれば、エンジンを始動させることができる。
【図面の簡単な説明】
【0007】
図1は、本開示の一実施形態である車両用制御装置を備えた車両を示す図である。
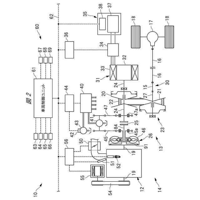
図2は、車両用制御装置の構成例を示す図である。
図3は、電子制御ユニットの基本構造の一例を示す図である。
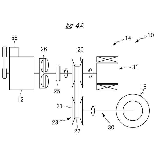
図4Aは、EVモード実行時のパワーユニットを示す図である。
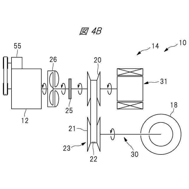
図4Bは、HEVモード実行時のパワーユニットを示す図である。
図5は、EVモードおよびHEVモードの実行領域の一例を示す図である。
図6は、トルクコンバータおよびバルブユニットの一部を示す図である。
図7Aは、ロックアップ制御弁の作動状態を示す図である。
図7Bは、ロックアップ制御弁の作動状態を示す図である。
図7Cは、ロックアップ制御弁の作動状態を示す図である。
図8は、EVモードからHEVモードに切り替える際のエンジン始動状況を示す図である。
図9は、エンジン始動制御の実行手順の一例を示すフローチャートである。
図10は、エンジン始動制御の実行手順の一例を示すフローチャートである。
図11は、目標値補正制御の実行手順の一例を示すフローチャートである。
【発明を実施するための形態】
【0008】
以下、本開示の実施形態を図面に基づいて詳細に説明する。なお、以下の説明において、同一または実質的に同一の構成や要素については、同一の符号を付して繰り返しの説明を省略する。
【0009】
<車両用制御装置の概要>
図1は本開示の一実施形態である車両用制御装置10を備えた車両11を示す図である。図1に示すように、車両11は、エンジン12およびトランスミッション13からなるパワーユニット14を有している。また、パワーユニット14の出力軸15は、プロペラ軸16およびデファレンシャル機構17を介して車輪18に連結されている。なお、図示する車両11は、後輪駆動車であるが、これに限られることはなく、全輪駆動車または前輪駆動車であっても良い。
【0010】
図2は車両用制御装置10の構成例を示す図である。図2に示すように、パワーユニット14のトランスミッション13は、プライマリプーリ20、セカンダリプーリ21および駆動チェーン22からなる無段変速機構23を有している。プライマリプーリ20を支持するプライマリ軸24には、入力クラッチ(クラッチ)25およびトルクコンバータ26を介してエンジン12が連結されている。また、セカンダリプーリ21を支持するセカンダリ軸27には、出力軸15、プロペラ軸16、およびデファレンシャル機構17を介して車輪18が連結されている。なお、入力クラッチ25は、遊星歯車列等からなる前後進切替機構の一部を構成する油圧クラッチであり、車両11を前進走行させる場合に締結されるクラッチである。
(【0011】以降は省略されています)
この特許をJ-PlatPat(特許庁公式サイト)で参照する
関連特許
株式会社SUBARU
車両
7日前
株式会社SUBARU
車体構造
12日前
株式会社SUBARU
運転支援装置
5日前
株式会社SUBARU
硫黄除去方法
7日前
株式会社SUBARU
乗員保護装置
12日前
株式会社SUBARU
車載制御装置
5日前
株式会社SUBARU
車両用制御装置
3日前
株式会社SUBARU
燃料電池システム
10日前
株式会社SUBARU
ドアロック制御装置
11日前
株式会社SUBARU
車両用空調制御装置
3日前
株式会社SUBARU
ゴム組成物および防振ゴム
7日前
日本発條株式会社
ヒータ装置
7日前
日本発條株式会社
車両用支持装置
7日前
株式会社SUBARU
ドライビングシミュレータの制御装置
10日前
株式会社SUBARU
精神状態判定装置および精神状態判定方法
11日前
株式会社SUBARU
水素供給システム及び当該水素供給システムの制御装置
3日前
株式会社SUBARU
水素供給システム及び当該水素供給システムの制御装置
3日前
個人
カーテント
4か月前
個人
タイヤレバー
2か月前
個人
車窓用防虫網戸
4か月前
個人
前輪キャスター
1か月前
個人
上部一体型自動車
3日前
個人
タイヤ脱落防止構造
1か月前
個人
ルーフ付きトライク
1か月前
個人
ホイルのボルト締結
3か月前
個人
車輪清掃装置
4か月前
日本精機株式会社
表示装置
2か月前
日本精機株式会社
表示装置
2か月前
日本精機株式会社
表示装置
2か月前
日本精機株式会社
表示装置
1か月前
個人
車両通過構造物
2か月前
井関農機株式会社
作業車両
3か月前
個人
キャンピングトライク
3か月前
井関農機株式会社
作業車両
3か月前
個人
マスタシリンダ
10日前
個人
ワイパーゴム性能保持具
4か月前
続きを見る
他の特許を見る