TOP
|
特許
|
意匠
|
商標
特許ウォッチ
Twitter
他の特許を見る
10個以上の画像は省略されています。
公開番号
2025146261
公報種別
公開特許公報(A)
公開日
2025-10-03
出願番号
2024046937
出願日
2024-03-22
発明の名称
収音制御方法および収音制御装置
出願人
ヤマハ株式会社
代理人
弁理士法人 楓国際特許事務所
主分類
H04R
3/00 20060101AFI20250926BHJP(電気通信技術)
要約
【課題】発話前の利用者の発話意思に応じて収音ビームを向けることができる収音制御方法を提供する。
【解決手段】収音制御方法は、マイクと、前記マイクに対応する少なくとも1つの利用者端末と、を備える音声会議システムの収音制御方法であって、前記利用者端末に対する選択操作を受け付けて、前記選択操作を受け付けた前記利用者端末の位置情報を取得し、取得した前記位置情報に基づいて前記マイクの第1収音ビームを設定する。
【選択図】図5
特許請求の範囲
【請求項1】
マイクと、前記マイクに対応する少なくとも1つの利用者端末と、を備える音声会議システムの収音制御方法であって、
前記利用者端末に対する選択操作を受け付けて、
前記選択操作を受け付けた前記利用者端末の位置情報を取得し、
取得した前記位置情報に基づいて前記マイクの第1収音ビームを設定する、
収音制御方法。
続きを表示(約 1,200 文字)
【請求項2】
前記マイクは、複数の方向に収音ビームを設定可能であり、
話者を検出し、検出した前記話者の方向に第2収音ビームを向け、
前記選択操作を受け付けた場合に、前記利用者端末の方向に前記第1収音ビームを向ける、
請求項1に記載の収音制御方法。
【請求項3】
前記選択操作を受け付けた前記利用者端末を特定するための特定情報を取得し、
前記特定情報と前記位置情報とを対応付けて記憶したデータベースを参照し、前記選択操作を受け付けた前記利用者端末の位置情報を取得する、
請求項1または請求項2に記載の収音制御方法。
【請求項4】
カメラを用いて前記選択操作を受け付けた前記利用者端末を特定するための特定情報を取得し、前記選択操作を受け付けた前記利用者端末の位置情報を取得する、
請求項1または請求項2に記載の収音制御方法。
【請求項5】
前記第1収音ビームは、
前記利用者端末に向いている第1状態と、
前記利用者端末に向いていない第2状態と、
前記第2状態から前記第1状態に遷移する第3状態と、
を含み、
前記第1状態、前記第2状態、および前記第3状態に応じて表示器の表示態様を変更する、
請求項1または請求項2に記載の収音制御方法。
【請求項6】
所定時間以上経過した場合に前記第1収音ビームを解除する、
請求項1または請求項2に記載の収音制御方法。
【請求項7】
前記選択操作を受け付けた前記利用者端末の方向に前記第1収音ビームを向ける第1モードと、
前記選択操作を受け付けた前記利用者端末以外の方向に前記第1収音ビームを向ける第2モードと、
を有する、請求項1または請求項2に記載の収音制御方法。
【請求項8】
前記利用者端末の数は複数であり、
前記選択操作を受け付けた前記利用者端末の数が複数である場合、所定の優先順位に基づいて、いずれか1の前記利用者端末の方向に前記第1収音ビームを向ける、
請求項1または請求項2に記載の収音制御方法。
【請求項9】
前記利用者端末は、あるグループに属する第1利用者端末と、該グループに属さない第2利用者端末を含み、
前記第1利用者端末の方向に前記第1収音ビームを向ける、
請求項8に記載の収音制御方法。
【請求項10】
マイクと、前記マイクに対応する少なくとも1つの利用者端末と、を備える音声会議システムの収音制御装置であって、
前記利用者端末に対する選択操作を受け付けて、
前記選択操作を受け付けた前記利用者端末の位置情報を取得し、
取得した前記位置情報に基づいて前記マイクの第1収音ビームを設定する、
制御部を備える収音制御装置。
(【請求項11】以降は省略されています)
発明の詳細な説明
【技術分野】
【0001】
本発明の一実施形態は、収音制御方法および収音制御装置に関する。
続きを表示(約 1,400 文字)
【背景技術】
【0002】
特許文献1には、近端話者が発話しているか否かに応じて、送信音声信号レベルを調整する発明が開示されている。特許文献1の収音ビームは発話者に向けられる。
【先行技術文献】
【特許文献】
【0003】
国際公開第2023/149254号公報
【発明の概要】
【発明が解決しようとする課題】
【0004】
特許文献1の装置は、発話前には収音ビームを向けていない。したがって、発話前の利用者の発話意思に応じて収音ビームを向けるものではない。
【0005】
本実施形態の一つは、発話前の利用者の発話意思に応じて収音ビームを向けることができる収音制御方法を提供することを目的とする。
【課題を解決するための手段】
【0006】
収音制御方法は、マイクと、前記マイクに対応する少なくとも1つの利用者端末と、を備える音声会議システムの収音制御方法であって、前記利用者端末に対する選択操作を受け付けて、前記選択操作を受け付けた前記利用者端末の位置情報を取得し、取得した前記位置情報に基づいて前記マイクの第1収音ビームを設定する。
【発明の効果】
【0007】
本発明の一実施形態によれば、発話前の利用者の発話意思に応じて収音ビームを向けることができる。
【図面の簡単な説明】
【0008】
音声会議システム1の構成を示すブロック図である。
室内の立面図模式である。
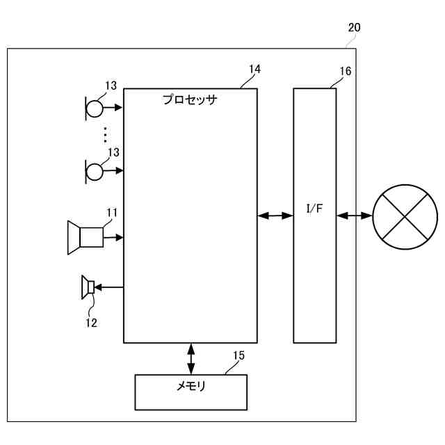
信号処理装置20の構成を示すブロック図である。
利用者端末40の構成を示すブロック図である。
プロセッサ14の動作を示すフローチャートである。
利用者端末40の位置情報を予め入力するためのGUIの一例を示す図である。
利用者端末40の位置情報を予め入力するためのGUIの一例を示す図である。
利用者端末40の位置情報を予め入力するためのGUIの一例を示す図である。
変形例1に係る室内立面図模式である。
変形例1に係るプロセッサ14の動作を示すフローチャートである。
変形例3に係る音声会議システム1の構成を示すブロック図である。
変形例3に係るプロセッサ14の動作を示すフローチャートである。
【発明を実施するための形態】
【0009】
図1は、本実施形態の音声会議システム1の構成を示すブロック図である。音声会議システム1は、表示装置10、信号処理装置20、パーソナルコンピュータ(PC)30、および利用者端末40を備える。信号処理装置20は、表示装置10、PC30、および利用者端末40に接続される。信号処理装置20は、ネットワークを介して遠隔地のPCに接続される。なお、利用者端末40、PC30は、ネットワーク経由で、信号処理装置20につながってもよい。
【0010】
図2は、室内の立面図模式である。表示装置10は、一例として室内の壁面に設置されている。信号処理装置20は、一例として、天井に取り付けられる。机の周囲には、複数の利用者(利用者u1,u2)がいる。利用者u2の前の机上には利用者端末40が設置されている。
(【0011】以降は省略されています)
この特許をJ-PlatPat(特許庁公式サイト)で参照する
関連特許
ヤマハ株式会社
リード
2か月前
ヤマハ株式会社
イヤーピース
1か月前
ヤマハ株式会社
ドライバユニット
8日前
ヤマハ株式会社
音処理方法および音処理装置
29日前
ヤマハ株式会社
音処理装置および音処理方法
21日前
ヤマハ株式会社
音処理方法および音処理装置
15日前
ヤマハ株式会社
音処理システム及び音処理方法
7日前
ヤマハ株式会社
収音制御方法および収音制御装置
7日前
ヤマハ株式会社
音声処理方法および音声処理装置
7日前
ヤマハ株式会社
データ処理方法およびデータ処理装置
1か月前
ヤマハ株式会社
駆動装置、音響装置および車両用ドア
11日前
ヤマハ株式会社
音信号処理方法および音信号処理装置
7日前
ヤマハ株式会社
解錠管理方法および解錠管理システム
7日前
ヤマハ株式会社
信号処理の方法、プログラムおよび装置
8日前
ヤマハ株式会社
画像処理方法、画像処理装置及びプログラム
9日前
ヤマハ株式会社
スピーカ装置、音信号処理方法及びプログラム
7日前
ヤマハ株式会社
情報処理方法、情報処理システムおよびプログラム
21日前
ヤマハ株式会社
情報処理方法、情報処理システムおよびプログラム
7日前
ヤマハ株式会社
パネル
1か月前
ヤマハ株式会社
定位提供方法、定位提供システムおよび定位提供プログラム
1か月前
ヤマハ株式会社
スクリーンユニット
1か月前
ヤマハ株式会社
オーディオデータ処理装置、推論装置、及びオーディオデータ処理方法
7日前
ヤマハ株式会社
音の処理方法及び音処理装置
7日前
ヤマハ株式会社
演奏操作装置および鍵盤楽器
7日前
ヤマハ株式会社
楽器用検出システムおよび楽器
1か月前
ヤマハ株式会社
モデルデータ決定方法、モデルデータ決定装置およびモデルデータ決定プログラム
8日前
ヤマハ株式会社
情報処理装置、及びその制御方法
1か月前
ヤマハ株式会社
音信号処理方法および音信号処理システム
1か月前
ヤマハ株式会社
楽器用ペダルユニットおよび電子鍵盤装置
1か月前
WHISMR合同会社
収音装置
29日前
サクサ株式会社
中継装置
1日前
サクサ株式会社
中継装置
2日前
アイホン株式会社
電気機器
23日前
キヤノン株式会社
撮像装置
1か月前
株式会社リコー
画像形成装置
1か月前
サクサ株式会社
無線通信装置
1日前
続きを見る
他の特許を見る