TOP
|
特許
|
意匠
|
商標
特許ウォッチ
Twitter
他の特許を見る
公開番号
2025165156
公報種別
公開特許公報(A)
公開日
2025-11-04
出願番号
2024069089
出願日
2024-04-22
発明の名称
箱状体
出願人
矢崎総業株式会社
代理人
弁理士法人栄光事務所
主分類
H05K
5/02 20060101AFI20251027BHJP(他に分類されない電気技術)
要約
【課題】防水性を向上可能な箱状体を提供すること。
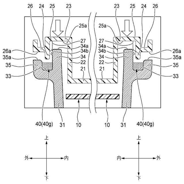
【解決手段】箱状体1は、周壁31に囲まれた開口部を有するケース30と、その開口部を覆うようにケース30に取り付けられるカバー20と、ケース30とカバー20との間に挟まれるシール材40と、を備える。ケース30は、周壁31の開口側の端面に設けられ且つ周壁31に沿って延びる凹条部33と、凹条部33より内側の内側端面34aと、凹条部33より外側の外側端面35aと、を有する。カバー20は、カバー20の縁部23に沿って延び且つ凹条部33に嵌め込まれる凸条部24と、凸条部24より内側の内側縁部25と、凸条部24より外側の外側縁部26と、を有する。ケース30の内側端面34a及び外側端面35aと、カバー20の内側縁部25及び外側縁部26と、がそれぞれ接触し、シール材40が凹条部33と凸条部24との間の隙間に封入される。
【選択図】図3
特許請求の範囲
【請求項1】
周壁に囲まれた開口部を有するケースと、前記開口部を覆うように前記ケースに取り付けられるカバーと、前記ケースと前記カバーとの間に挟まれるシール材と、を備える、箱状体であって、
前記ケースは、
前記周壁の開口側の端面に設けられ且つ前記周壁に沿って延びる凹条部と、前記周壁の厚さ方向において前記凹条部よりも前記ケースの内側にある前記端面である内側端面と、前記厚さ方向において前記凹条部よりも前記ケースの外側にある前記端面である外側端面と、を有し、
前記カバーは、
当該カバーの縁部に沿って延び且つ前記凹条部に嵌め込まれる凸条部と、前記厚さ方向において前記凸条部よりも前記内側にある内側縁部と、前記厚さ方向において前記凸条部よりも前記外側にある外側縁部と、を有し、
前記ケースの前記内側端面と前記カバーの前記内側縁部とが接触し、且つ、前記ケースの前記外側端面と前記カバーの前記外側縁部とが接触するとともに、前記シール材が前記凹条部と前記凸条部との間の隙間に封入される、
箱状体。
続きを表示(約 310 文字)
【請求項2】
請求項1に記載の箱状体において、
前記シール材は、
液状ガスケットが硬化した硬化体である、
箱状体。
【請求項3】
請求項1に記載の箱状体において、
前記ケースは、
前記カバーと前記ケースとの取付方向において、前記ケースの前記内側端面のほうが前記外側端面よりも前記カバーに近い位置にある、ように構成される、
箱状体。
【請求項4】
請求項1に記載の箱状体において、
前記カバーは、
前記凸条部の内側面から前記内側端面を構成する前記周壁に向けて突出する突起部を、前記凸条部に有する、
箱状体。
発明の詳細な説明
【技術分野】
【0001】
本発明は、周壁に囲まれた開口部を有するケースと、開口部を覆うようにケースに取り付けられるカバーと、ケースとカバーとの間に挟まれるシール材と、を備える箱状体に関する。
続きを表示(約 2,000 文字)
【背景技術】
【0002】
従来から、車両等に搭載される電気接続箱が提案されている。例えば、従来の電気接続箱の一つは、ケースとカバーとで画成される内部空間に電子部品やバスバ等を収容して、それら電子部品等を保護するようになっている(例えば、特許文献1を参照)
【先行技術文献】
【特許文献】
【0003】
特開2013-240217号公報
【発明の概要】
【発明が解決しようとする課題】
【0004】
ところで、電気接続箱が搭載された車両等に高圧水洗浄が施される場合等において、電気接続箱が被水する可能性がある。上述した従来の電気接続箱は、電子部品等を内部空間に収容することで、電気接続箱が被水した場合であっても、電子部品等に水が到達することを抑制しようとしている。電気接続箱の防水性を更に高める観点では、カバーとケースとの間の隙間を通じて水が内部空間に侵入することを防ぐことが、望ましい。なお、上記説明から理解されるように、電気接続箱に限らず、カバーとケースを有する箱状体において、防水性を向上することは望ましい。
【0005】
本発明の目的の一つは、防水性を向上可能な箱状体の提供である。
【課題を解決するための手段】
【0006】
前述した目的を達成するために、本発明に係る箱状体は、以下を特徴としている。
【0007】
周壁に囲まれた開口部を有するケースと、前記開口部を覆うように前記ケースに取り付けられるカバーと、前記ケースと前記カバーとの間に挟まれるシール材と、を備える、箱状体であって、
前記ケースは、
前記周壁の開口側の端面に設けられ且つ前記周壁に沿って延びる凹条部と、前記周壁の厚さ方向において前記凹条部よりも前記ケースの内側にある前記端面である内側端面と、前記厚さ方向において前記凹条部よりも前記ケースの外側にある前記端面である外側端面と、を有し、
前記カバーは、
当該カバーの縁部に沿って延び且つ前記凹条部に嵌め込まれる凸条部と、前記厚さ方向において前記凸条部よりも前記内側にある内側縁部と、前記厚さ方向において前記凸条部よりも前記外側にある外側縁部と、を有し、
前記ケースの前記内側端面と前記カバーの前記内側縁部とが接触し、且つ、前記ケースの前記外側端面と前記カバーの前記外側縁部とが接触するとともに、前記シール材が前記凹条部と前記凸条部との間の隙間に封入される、
箱状体であること。
【発明の効果】
【0008】
本発明の箱状体によれば、ケースの周壁の開口側の端面に、周壁に沿って延びる凹条部と、周壁の厚さ方向において凹条部よりも内側にある内側端面と、凹条部よりも外側にある外側端面と、が設けられる。カバーには、カバーの縁部に沿って延び且つ凹条部に嵌め込まれる凸条部と、上述した厚さ方向において凸条部よりも内側にある内側縁部と、その厚さ方向において凸条部よりも外側にある外側縁部と、が設けられる。そして、ケースにカバーが取り付けられると、ケースの内側端面とカバーの内側縁部とが接触し、ケースの外側端面とカバーの外側縁部とが接触し、シール材が凹条部と凸条部との間の隙間に封入される。これにより、仮にケースとカバーとの間の隙間に水が侵入しても、その水は、シール材によって進行を阻まれるだけでなく、ケースの内部に到達するには、凹条部と凸条部との間の隙間に沿って凸条部を迂回するように進行する必要がある。よって、単にケースの周壁の端面とカバーの縁部との間にシール材を挟む場合に比べ、箱状体の外側から内側に向かう沿面距離が長くなることで、防水性が向上する。別の言い方をすると、ケースの周壁を薄くしても十分な沿面距離を確保して防水性を向上できるため、箱状体の小型化・軽量化を図ることもできる。このように、本構成の箱状体は、防水性を向上させることができる。
【0009】
以上、本発明について簡潔に説明した。更に、以下に説明される発明を実施するための形態を添付の図面を参照して通読することにより、本発明の詳細は更に明確化されるであろう。
【図面の簡単な説明】
【0010】
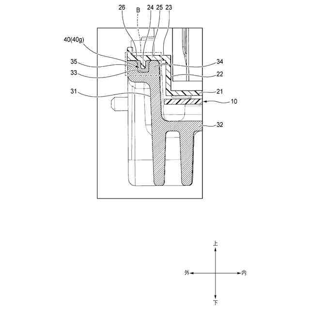
図1は、本発明の実施形態に係る箱状体を示す斜視図である。
図2は、図1に示す箱状体の分解斜視図である。
図3は、図1のA-A断面図である。
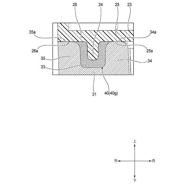
図4は、図3のB部の拡大図である。
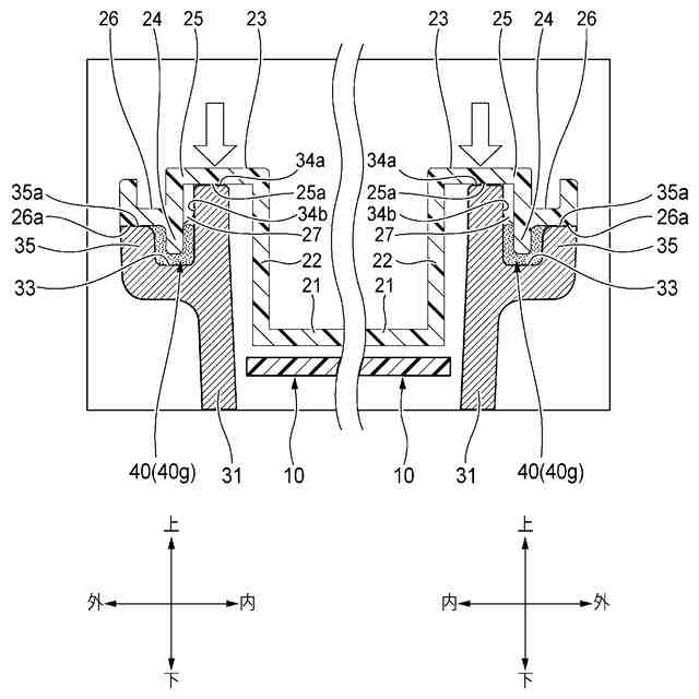
図5は、変形例に係る箱状体において、ケースにカバーが取り付けられる際の過程を示す、図1のA-A断面に相当する断面図である。
図6は、ケースへのカバーの取り付けが完了した状態における図5に対応する図である。
【発明を実施するための形態】
(【0011】以降は省略されています)
この特許をJ-PlatPat(特許庁公式サイト)で参照する
関連特許
矢崎総業株式会社
端子
8日前
矢崎総業株式会社
箱状体
28日前
矢崎総業株式会社
箱状体
28日前
矢崎総業株式会社
箱状体
1日前
矢崎総業株式会社
箱状体
1日前
矢崎総業株式会社
箱状体
1日前
矢崎総業株式会社
照明灯
1か月前
矢崎総業株式会社
コネクタ
今日
矢崎総業株式会社
コネクタ
29日前
矢崎総業株式会社
照明構造
1か月前
矢崎総業株式会社
照明装置
9日前
矢崎総業株式会社
照明装置
9日前
矢崎総業株式会社
コネクタ
1か月前
矢崎総業株式会社
コネクタ
1か月前
矢崎総業株式会社
コネクタ
28日前
矢崎総業株式会社
コネクタ
29日前
矢崎総業株式会社
コネクタ
29日前
矢崎総業株式会社
コネクタ
28日前
矢崎総業株式会社
照明装置
14日前
矢崎総業株式会社
コネクタ
27日前
矢崎総業株式会社
コネクタ
26日前
矢崎総業株式会社
コネクタ
22日前
矢崎総業株式会社
止水部材
1か月前
矢崎総業株式会社
照明装置
8日前
矢崎総業株式会社
バスバー
19日前
矢崎総業株式会社
コネクタ
1か月前
矢崎総業株式会社
コネクタ
今日
矢崎総業株式会社
コネクタ
1か月前
矢崎総業株式会社
コネクタ
1か月前
矢崎総業株式会社
コネクタ
1か月前
矢崎総業株式会社
接続構造
1日前
矢崎総業株式会社
コネクタ
1か月前
矢崎総業株式会社
コネクタ
1か月前
矢崎総業株式会社
報知装置
15日前
矢崎総業株式会社
コネクタ
1か月前
矢崎総業株式会社
コネクタ
1か月前
続きを見る
他の特許を見る